La funzione degli alzacristalli elettrici รจ realizzata da varie centraline. Il modulo vano piedi aziona l'alzacristalli anteriore. Gli alzacristalli posteriori, se montati, vengono azionati tramite l'elettronica della junction box.

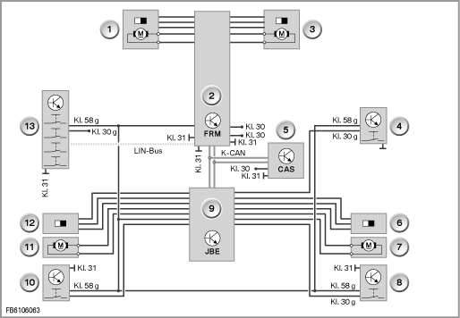
La grafica mostra il modello E70
Indice |
Descrizione |
Indice |
Descrizione |
1 |
Motorino alzacristallo lato guidatore anteriore |
2 |
Modulo vano piedi (FRM) |
3 |
Motorino alzacristallo lato passeggero anteriore |
4 |
Interruttore alzacristallo lato passeggero anteriore |
5 |
Car Access System (CAS) |
6 |
Sensore di Hall alzacristallo lato passeggero posteriore |
7 |
Motorino alzacristallo lato passeggero posteriore |
8 |
Interruttore alzacristallo lato passeggero posteriore |
9 |
Junction box con elettronica junction box (JBE) |
10 |
Interruttore alzacristallo lato guidatore posteriore |
11 |
Motorino alzacristallo lato guidatore posteriore |
12 |
Sensore di Hall alzacristallo lato guidatore posteriore |
13 |
Blocco comandi porta lato guidatore |
|
|
Le centraline coinvolte comunicano attraverso i bus dati nella vettura. Le centraline vengono alimentate tramite la junction box.
Salvo refusi, errori e modifiche tecniche.