Per garantire un servizio informazioni del traffico in tempo reale ”Real Time Traffic Information (RTTI)”, sulla centralina IBOC viene montato uno splitter antenna passivo. In questo modo vengono resi accessibili i segnali HF alla centralina IBOC e al CCC. Il servizio RTTI è disponibile solo insieme al sistema di navigazione professionale. Il CCC mette le informazioni ricevute sul traffico a disposizione della navigazione.

Indice |
Spiegazione |
Indice |
Spiegazione |
|---|---|---|---|
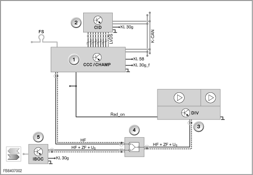
1 |
Headunit |
2 |
Central Information Display |
3 |
Amplificatore antenna con modulo diversity |
4 |
Splitter antenna |
5 |
Centralina IBOC |
Per lo splitter RTTI si descrivono i seguenti componenti:

Indice |
Spiegazione |
Indice |
Spiegazione |
|---|---|---|---|
1 |
IBOC |
2 |
Splitter RTTI-Splitter con supporto |
3 |
Segnale AM/FM (amplificatore antenna con modulo diversity) Codice colore connettore: nero |
4 |
Segnale AM/FM (CCC) Codice colore connettore: giallo curry |
5 |
Segnale AM/FM (CCC) Codice colore connettore: nero |
La centralina IBOC della radio ad alta definizione viene utilizzata come sintonizzatore ibrido per la ricezione di emittenti radio digitali ed analogiche nelle bande AM e FM. Viene utilizzato lo stesso percorso segnale per ricevere sia il segnale digitale, sia quello analogico. Per questo motivo potrebbero venire utilizzati anche i già noti componenti amplificatore antenna con modulo diversity e le antenne AM e FM.
La centralina IBOC decodifica i dati audio digitali e li invia alla Head Unit attraverso il bus MOST (Media-Oriented-System-Transport-Bus). La Head Unit trasforma i dati audio in segnali NF analogici. I segnali NF vengono riprodotti tramite gli altoparlanti.
La centralina CCC serve per la ricezione delle emittenti analogiche nella banda AM e FM. In combinazione con IBOC la funzione viene trasformata in IBOC e non in CCC. Per la ricezione dei segnali analogici vengono utilizzati i componenti dell'amplificatore antenna con modulo diversity e le antenne AM e FM.
La funzione delle antenne è ripartita in maniera asimmetrica. Il sintonizzatore IBOC riceve un segnale attenuato di 1 dB, la Head Unit di 10 dB. Il livello fornito dall'antenna FM attiva viene quindi ripartito secondo un rapporto di 9:1 (IBOC:RTTI). La potenza dell'antenna viene ripartita dallo splitter in un rapporto di 10:1 (IBOC:RTTI). Questa distribuzione della potenza dell'antenna è sufficiente alla ricezione dei dati RTTI da parte del CCC. Il diversity antenna viene controllato dalla centralina IBOC.
Per il controllo dello splitter RTTI esiste un modulo di test. Raggiungibile attraverso la Diagnosi Scelta tipo di difetto (65006_CCC: disturbo del funzionamento) o attraverso la scelta funzione (vettura completa/carrozzeria/audio, video, telefono, navigatore (anello MOST/navigatore).
Salvo refusi, errori e modifiche tecniche.