ヒント! SA 5DF は国によって必ず特定のオプション装備とセットになっています。
ストップ アンド ゴー機能付きアクティブ クルーズ コントロールは、現在 SA 205 (オートマチック トランスミッション) または SA 2TB (スポーツ オートマチック トランスミッション) とセットでのみ使用できます。
市場によっては、許可制限によりストップ アンド ゴー機能のない ACC が提供されています。
ストップ アンド ゴー機能なしの ACC は、近距離センサーがないことによってのみ区別できます。
ヨーロッパでは SA 5DF はナビゲーション システムとセットで提供されます。理由: 電波観測局の近くではオフにすることが法で定められているため。

インデックス |
説明 |
インデックス |
説明 |
|---|---|---|---|
1 |
左近距離センサーの中心軸 |
2 |
車両の縦軸 |
3 |
長距離センサーの中心軸 |
4 |
右近距離センサーの中心軸 |
5 |
ホルダー付き長距離センサー |
6 |
ホルダー付き右近距離センサー |
7 |
バンパー キャリア |
8 |
ホルダー付き左近距離センサー |
整備時には、以下の注意事項を守ってください:
以下のテキストは、新しいストップ アンド ゴー機能付きアクティブ クルーズ コントロール(オプション装備 5DF)について説明しています。
このストップ アンド ゴー機能付きアクティブ クルーズ コントロールは、従来のアクティブ クルーズ コントロール(ACC)の発展型です。
従来のアクティブ クルーズ コントロールにストップ アンド ゴー機能が追加されています:
希望車速は 30 km/h 〜 180 km/h の間で選択できます: 便利な 10 ステップごとまたは細かい 1 ステップごと。 希望車速はメーター パネルに表示されます さらに、4 つの車間距離の中から選択することができます。
新しいオプション装備と共に、新しいサブ バスも採用されています: センサー CAN(S-CAN)
ACC の下記のコンポーネントを説明します:
近距離センサーはレーダー センサー(短距離レーダー)です。
ストップ アンド ゴー機能付き ACC には、2 つの同じ近距離センサーが取り付けられています。 近距離センサーは、プラスチック製ホルダーと共にフロント バンパー キャリアに取り付けられています。

インデックス |
説明 |
インデックス |
説明 |
|---|---|---|---|
1 |
近距離センサー |
2 |
ホルダー |
近距離センサーは、センサー CAN(S-CAN)を介して LDM コントロール ユニットに接続されています。
近距離センサーには以下の役割があります:
近距離センサーの対象物データは、ストップ アンド ゴー機能付き ACC のためにのみ利用されます(アダプティブ ブレーキ アシスタントのためではありません)。
LRR は長距離センサーです。

インデックス |
説明 |
インデックス |
説明 |
|---|---|---|---|
1 |
長距離センサー |
2 |
ホルダー |
長距離センサー(以前の ACC センサー)はレーダー センサーです。 また、長距離センサーはコントロール ユニットでもあります。 そのため、長距離センサーにはコントロール ユニット アドレスがあり、診断とプログラミングが可能です。
長距離センサーは移動した対象物の距離、角度、速度を検知します。 検知される範囲は車両前方 150 m 以内です。 LDM コントロール ユニット(前後方向ダイナミクス マネージメント)でこれらのデータが処理されます。
前後方向ダイナミクス マネージメントのコントロール ユニットは、グローブ ボックス背面のユニット ホルダーに取り付けられています。

インデックス |
説明 |
インデックス |
説明 |
|---|---|---|---|
1 |
ユニット キャリア |
2 |
LDM コントロール ユニット |
ストップ アンド ゴー機能付き ACC に関して、LDM コントロール ユニットは以下の役割を果たします:
LRR および LDM コントロール ユニットは、CAS コントロール ユニットに専用のウェイクアップ ケーブルで電源を供給されます。このケーブルは通常のウェイクアップ ケーブルには電気接続されていません。 長距離センサーは事故の危険のある部分に装着されているため(車両前部)、このような処置が取られています。 事故で LRR のウェイクアップ ケーブルが損傷した場合でも(グラウンドへのショートなど)、この処置により、他のコントロール ユニットへの影響は制限されます。
新しいセンサー CAN(S-CAN)は以下を接続します:
レーダー センサーからのデータ量が多いため、S-CAN が必要になりました。
このデータ量は、現在のバス システムの使用可能な転送容量を上回る可能性があります。

インデックス |
説明 |
インデックス |
説明 |
|---|---|---|---|
1 |
左近距離センサー |
2 |
長距離センサー(LRR) |
3 |
右近距離センサー |
4 |
ダイナミック スタビリティ コントロール(DSC) |
5 |
デジタル モーター エレクトロニクス(DME)またはデジタル ディーゼル エレクトロニクス(DDE) |
6 |
前後方向ダイナミクス マネージメント(LDM) |
7 |
トランク ルームのフューズ |
8 |
カー アクセス システム(CAS) |
9 |
カー コミュニケーション コンピューター (CCC)とマルチ オーディオ システム コントローラー(M-ASK) |
10 |
ボディ ゲートウェイ モジュール(KGM) |
11 |
運転席ドア コンタクト |
12 |
エレクトロニック トランスミッション コントロール(EGS) |
13 |
ステアリング コラム スイッチ センター(SZL) |
14 |
ライト モジュール(LM) |
15 |
メーター パネル(KOMBI) |
16 |
アドバンスド クラッシュ セイフティ モジュール(ACSM) |
17 |
シート ベルト ロック コンタクト |
18 |
シート着座検出マット |
センサー CAN の特徴:
以下のシステム機能を説明します。
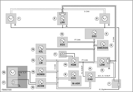
ストップ アンド ゴー機能を実現するには、他のコントロール ユニット内に分配された機能を持つ複合システム ネットワークが必要です。 LDM コントロール ユニットは、データ バスを介して他のコントロール ユニットに接続されています。

インデックス |
説明 |
インデックス |
説明 |
|---|---|---|---|
1 |
長距離センサー(LRR) |
2 |
左近距離センサー |
3 |
右近距離センサー |
4 |
ステアリング コラム スイッチ センター(SZL) |
5 |
ボディ ゲートウェイ モジュール(KGM) |
6 |
メーター パネル(KOMBI) |
7 |
ダイナミック スタビリティ コントロール(DSC) |
8 |
エレクトロニック トランスミッション コントロール(EGS) |
9 |
デジタル モーター エレクトロニクス(DME)またはデジタル ディーゼル エレクトロニクス(DDE) |
10 |
前後方向ダイナミクス マネージメント(LDM) |
全体の機能のために以下のコントロール ユニットがネットワークに接続されています:
コントロール ユニット |
機能 |
|---|---|
DME または DDE: エンジン コントロール |
加速要求の実施 信号 (エンジン作動) |
DSC: ダイナミック スタビリティ コントロール |
走行状況 ブレーキ制御の実施 |
SZL: ステアリング コラム スイッチ センター |
操作レバー ステアリング アングル ホーンの制御 |
CCC、M-ASK: ナビゲーション システム |
ナビゲーション システムのデータ(制御パラメーター制御) |
KOMBI: メーター パネル |
ディスプレイの表示(ACC およびチェック コントロール メッセージ) |
EGS: トランスミッション コントロール |
走行ポジション |
CAS: カー アクセス システム |
ターミナル ステイタスおよびウェイクアップ ケーブル |
KGM: ボディ ゲートウェイ モジュール |
ドア コンタクト(運転者の降車意思) |
AHM: トレーラー モジュール |
トレーラー牽引の検知 |
ACSM: クラッシュ セイフティ モジュール |
運転席シート着座センサー(運転者の降車意思) シート ベルト ロック コンタクト(運転者の降車意思) |
RLS: レイン/ライト センサー |
路面状態(濡れている) |
SZM: センター コンソール スイッチ モジュール |
DTC キー |
LM: ライト モジュール |
ハザード ライトの制御 |
アダプティブ ブレーキ アシスタントは DSC の機能です。 LDM コントロール ユニットは S-CAN から PT-CAN へのゲートウェイです。
アダプティブ ブレーキ アシスタントは、エマージェンシー ブレーキを要する状況で最大の効果を発揮します。 先行車両の運転者が急ブレーキをかけた場合、長距離センサーがこの状況を検知します。
その際、ブレーキ アシスタントはブレーキを最適に動作させて、衝突事故を防げるようにサポートします。
そのため、以下の機能が備わっています:
アダプティブ ブレーキ アシスタントは、ACC 作動時には必ず作動状態になります。
アダプティブ ブレーキ アシスタントは、ストップ アンド ゴー機能のない ACC でも利用できます。
ACC の機能限界に達した場合、運転者に対して説明を必要とするシステム特性が発生することがあります。 次にそのような状況を説明します:
誤記、誤植が生じる可能性があるため、完全な一致を保証するものではありません、また将来予告なしに技術的変更が加えられることがあります。