アクティブ ブレーキ エア フラップ コントロールは車両の空気力学を向上します。アクティブ ブレーキ エア フラップ コントロールによって、CO2排出量の低減が達成されます。 ブレーキ エア フラップ コントロールは、エンジン バージョンとオプション装備に応じて、車両に取り付けられています。
システムは以下から構成されています。
2 個のブレーキ エア フラップは車両バンパーの下方に取り付けられています。 切換バルブは左ストラット ドームに固定されています。
ブレーキ エア フラップは負圧によって制御されます。エンジンのバキューム ポンプがこの負圧を生み出します。負圧はブレーキ エア フラップのハウジングのバキューム ボックスに作用します。

インデックス |
説明 |
インデックス |
説明 |
|---|---|---|---|
1 |
バンパー |
2 |
右ブレーキ エア フラップ |
3 |
左ブレーキ エア フラップ |
|
|
2 つのブレーキ エア フラップにはそれぞれ 1 個のホール センサーが取り付けられています。これらのホール センサーはブレーキ エア フラップの位置(開または閉)を測定します。

インデックス |
説明 |
インデックス |
説明 |
|---|---|---|---|
1 |
ブレーキ エア フラップ |
2 |
ホール センサー |
3 |
負圧接続部 |
4 |
バキューム ボックス |
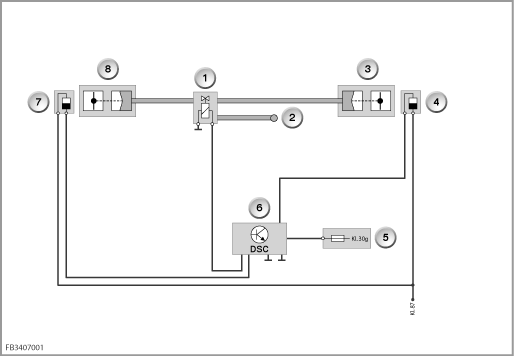
切換バルブはダイナミック スタビリティ コントロール(DSC)によって制御されます。

インデックス |
説明 |
インデックス |
説明 |
|---|---|---|---|
1 |
切換バルブ |
2 |
バキューム ポンプから |
3 |
右ブレーキ エア フラップ |
4 |
右ホール センサー |
5 |
電源供給、Kl.30g |
6 |
ダイナミック スタビリティ コントロール(DSC) |
3 |
左ホール センサー |
4 |
左ブレーキ エア フラップ |
ブレーキ エア フラップの制御によって、車両の空力的特性が最適化されます。
エンジン作動に応じて、ブレーキ エア フラップは 2 種類の状態を取ります:
エンジン停止 |
ブレーキ エア フラップ開 |
エンジン作動 |
ブレーキ エア フラップは数秒後に閉まる |
ブレーキ ディスクの異常加熱を防止するために、ブレーキ ディスク温度 250 °C 以上でブレーキ フラップが開きます。
不具合が発生した場合、ブレーキ エア フラップは開かなくなることがあります。
この場合、ブレーキ ディスクの過熱保護としてエンジン出力が抑えられます。
警告! 作業はエンジン停止状態で行ってください。
ブレーキ エア フラップに関する作業は(特にフラップがスムーズに動くか点検する場合)、必ずエンジンを停止させてから実施してください。 これを守らないと、怪我をするおそれがあります。
誤記、誤植が生じる可能性があるため、完全な一致を保証するものではありません、また将来予告なしに技術的変更が加えられることがあります。