R70 の集中ロックは、機能的に複数のコントロール ユニットに分かれています。集中ロック システムのすべての動作は、カー アクセス システム(CAS)がモニターしています。CAS は集中ロックの主制御コントロール ユニットです。
集中ロックに関連しているコントロール ユニットは以下のとおりです:
集中ロックの以下のコンポーネントについて説明します:
運転席ドア ロックで、車両の機械的なロックと二重ロック、ロック解除を行います。電装に不具合がある場合、運転席ドアはリモート コントロールの機械式キーでロック解除することができます。
ドア コンタクトの信号はフット スペース モジュール(FRM)により検知されます。FRM は、K-CAN 経由で信号をジャンクション ボックス コントロール ユニット(JBE)へ転送します。
リモート コントロールにより車両のロックと二重ロック、ロック解除を無線で行います。リモート コントロールの無線信号がリモート コントロール レシーバーによって受信され、カー アクセス システム(CAS)へ転送されます。リモート コントロール レシーバーはルーム ミラーに取り付けられています。
集中ロック スイッチで、車内から車両をロックおよびロック解除することができます。ロックおよびロック解除するのは以下のものです:
二重ロック解除と二重ロックは集中ロック スイッチではできません。
インナー トランク リッド スイッチは、センター コンソール スイッチ モジュール(SZM)にあります。車両がロック解除され、停止している状態のときに、アウター トランク リッド スイッチでトランク リッドを開くことができます。
集中ロックの制御に関するすべての機能は CAS コントロール ユニットに統合されています。コマンドは K-CAN 経由でジャンクション ボックス コントロール ユニット(JBE)に送られます。
JBE は、集中ロックを実行するコントロール ユニットです。JBE は、すべての集中ロック ドライブ モーターの制御を行います。JBE は、ジャンクション ボックス コントロール ユニットとパワー ディストリビューションで構成されています。ジャンクション ボックスはグローブ ボックスの下に取り付けられています。
FRM はドア コンタクトのステイタスを評価します。車両が機械式キーによりロックまたはロック解除されると、FRM はこの要求を検知します。FRM は K-CAN で CAS コントロール ユニットにメッセージを送ります。FRM は運転席側足元の A ピラーに取り付けられています。

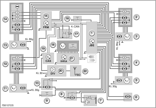
ブロック配線図 E70
インデックス |
説明 |
インデックス |
説明 |
|---|---|---|---|
1 |
ジャンクション ボックス コントロール ユニット(JBE) |
2 |
助手席側フロント集中ロック アクチュエーター |
3 |
助手席側フロント ドア ソフト クローズ オートマチック(SCA) |
4 |
助手席側リア集中ロック ドライブ モーター |
5 |
助手席側リア ドア ソフト クローズ オートマチック(SCA) |
6 |
フューエル リッド集中ロック アクチュエーター |
7 |
ソフト クローズ オートマチック(SCA)アクチュエーター用リレー |
8 |
トランク リッド ソフト クローズ オートマチック(SCA) |
9 |
トランク リッド スイッチ |
10 |
トランク リッド集中ロック アクチュエーター |
11 |
運転席側リア ソフト クローズ オートマチック(SCA) |
12 |
運転席側リア集中ロック ドライブ モーター |
13 |
運転席ドア ソフト クローズ オートマチック(SCA) |
14 |
運転席ドア集中ロック アクチュエーター |
15 |
フット スペース モジュール(FRM) |
16 |
グローブ ボックス スイッチ |
17 |
集中ロック スイッチ |
18 |
トランク リッド スイッチ付きセンター コンソール スイッチ モジュール |
19 |
カー アクセス システム(CAS) |
20 |
リモート コントロール レシーバー |
21 |
オートマチック エア コンディショナー(IHKA) |
22 |
リア ウィンドウ アンテナ |
集中ロックの以下のシステム機能について説明します:
ロックされているドアは、外側からは開くことができません。ただし、内側からは引き続きドアを開くことができます。内側から開くには、ドア インナー フラップを 2 回引きます。以下の場合にロックされます。
二重ロックされたドアは、内側からも外側からも開くことができません。運転席ドア ロック シリンダーまたはリモート コントロールを介してロックすると、二重ロックが行われます。二重ロックの操作:
車両を二重ロックすることによって、盗難防止装置(DWA)もセットされます。
ロック解除されているドアは、内側からも外側からも開くことができます。車両をロック解除することによって、盗難防止装置(DWA)もセット解除されます。電圧供給に異常がある場合、運転席ドアはリモート コントロールの機械式キーでロック解除することができます。
クラッシュの発生は、マルチ レストレイント システム(MRS)によって検知されます。クラッシュ信号は CAS に送られます。メッセージは、K-CAN 経由で伝送されます。CAS が車両をロック解除します。クラッシュ信号が送信されると、全ての操作部がロックされます。これにより、事故による配線のショートが原因で集中ロック システムが誤作動するのを防ぎます。衝突後は、ターミナル R が最低 3 秒以上オフになった後で再度、集中ロック システムが操作できるようになります。
CAS によって、リモート コントロール キーがスライド イン スロットに差し込まれていると検知されると、集中ロック システムが二重ロック解除されます。集中ロック システムが「ロック」ポジションに移動します。強制二重ロック解除が行われる際には、盗難防止装置も作動解除されます。
運転者が誤ってロック アウトを作動させることがないように、運転席ドアが開いているときには、全ての操作部の機能は停止されます。そのため、ドア ロックには補助的な機械式ロック アウト防止装置が不要になっています。
集中ロック アクチュエーターの過負荷を防ぐために、CAS がリピート操作をモニターします。モニターされるのはドア、トランク リッド、グローブ ボックス、フューエル リッドです。1 分間に 15 回以上の操作が行われると、一定時間アクチュエーターはロック解除されません。
リモート コントロールを介して集中ロックを解除し、2 分以内にドアまたはトランク リッドを開かない場合は、自動的に再びロックされます。
集中ロック システムの作動範囲は、9〜16ボルトと定められています。この領域以外では、アクチュエーターは作動しません。電源供給が遮断されても、集中ロックの状態は変わりません(盗難防止!)。
最初のロック解除コマンドでは、運転席ドアのみがロック解除されます。その他すべてのドアでは、集中ロック システムが二重ロックからロックに切り換わります。DWA は作動解除されますが、ドアはロックされたままです。2 回目のロック解除コマンドでは、残りのドアがロック解除されます。この機能はカー メモリー/キー メモリーにより作動できます(国別仕様による)。
車速が 16 km/h を超えると、集中ロック システムが自動的にロックされます。この機能はカー メモリー/キー メモリーにより作動できます。
カー メモリー/キー メモリーのほぼ全ての機能を車両側で個人設定することができます
誤記、誤植が生じる可能性があるため、完全な一致を保証するものではありません、また将来予告なしに技術的変更が加えられることがあります。