E70 には電動ドア ミラーが標準装備されています。ドア ミラーは、運転席ドアのミラー調節スイッチを介して集中操作します。電動ドア ミラーには 2 つの装備バリエーション(ローとハイ)が用意されています。
電動ドア ミラーの以下のコンポーネントについて説明します:
電動ドア ミラーは、運転席ドアのミラー調節スイッチを介して操作します。装備バリエーション「ロー」の場合、ミラー調節スイッチが直接電動ドア ミラーのモーターを制御します。装備バリエーション「ハイ」の場合、操作信号が LIN バス経由でフット スペース モジュール(FRM)と電動ドア ミラーに転送されます。
外気温度センサーは周囲温度を検知します。外気温度センサーはその情報を直接メーター パネルに送ります。
メーター パネルは外気温度センサーからの情報を処理します。周囲温度が 3 °C 以下になると、メーター パネルはメッセージを K-CAN 経由で該当のコントロール ユニットに送ります。装備バリエーション「ロー」の場合は、ジャンクション ボックス コントロール ユニット(JBE)に送ります。それに従って、JBE はミラー ヒーターを電気的に制御します。装備バリエーション「ハイ」の場合は、フット スペース モジュール(FRM)に送ります。FRM はそれを LIN バス経由で電動ドア ミラーに通知します。
FRM はミラー調節スイッチのライトを点灯させます。装備バリエーション「ハイ」の場合、FRM は LIN バスを介してドア ミラー調節スイッチと電動ドア ミラーに接続されています。
JBE は電動ドア ミラーとドア ミラー調節スイッチの電源供給を行います。装備バリエーション「ロー」の場合、JBE はミラー ヒーターを電気的に制御します。外気温度に応じて、JBE はミラー ヒーターの加熱に関する信号を受け取ります。JBE は K-CAN 経由で信号を受信します。
ミラー ガラスの左右および上下方向の位置調節は、それぞれ別個のモーターが行います。モーターにはポジション ポテンショメーターがあります。このポテンショメーターはモーターのポジションを検知して、それを通知します。
ドア ミラーは、ミラー ホルダーとミラー ヘッドから構成されます。ミラー ホルダーにはドア ミラー格納用モーターが取り付けられています。ミラー ヘッドの開閉は、モーターの回転方向を切り換えて行います。

グラフィックは E70
インデックス |
説明 |
インデックス |
説明 |
|---|---|---|---|
1 |
ドア ミラー調節スイッチ |
2 |
左右選択用スライド スイッチ |
3 |
ドア ミラー格納ボタン |
|
|

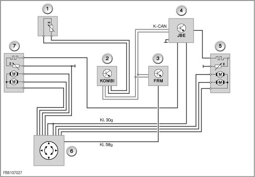
ブロック配線図 E70、装備バリエーション「ロー」
インデックス |
説明 |
インデックス |
説明 |
|---|---|---|---|
1 |
外気温度センサー |
2 |
メーター パネル |
3 |
フット スペース モジュール(FRM) |
4 |
ジャンクション ボックス コントロール ユニット(JBE) |
5 |
助手席側ドア ミラー |
6 |
ドア ミラー調節スイッチ |
7 |
運転席側ドア ミラー |
|
|

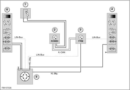
ブロック配線図 E70、装備バリエーション「ハイ」
インデックス |
説明 |
インデックス |
説明 |
|---|---|---|---|
1 |
外気温度センサー |
2 |
メーター パネル |
3 |
フット スペース モジュール(FRM) |
4 |
助手席側ドア ミラー |
5 |
ドア ミラー格納ボタン付きドア ミラー調節スイッチ |
6 |
運転席側ドア ミラー |
電動ドア ミラーの以下のシステム機能について説明します:
電動ドア ミラーの調節は、Kl.R がオンの状態で可能になります。電動ドア ミラーは、ミラー調節スイッチのボタン エリアで左右方向および上下方向に調整できます。運転席側ドア ミラーと助手席側ドア ミラーの切換えは、スライド スイッチで行います。左右方向の調節と上下方向の調節は、それぞれ別々にしか行えません。ドア ミラーは格納された状態では調節できません。モーターおよびメカニズムの保護のために、調節時間は最大で 10 秒に制限されています。制限時間に達すると、その後 10 秒間はドア ミラーを調節することができません。
ドア ミラーは、ドア ウィンドウ部分の車両の幅を縮めるために格納することができます。ドア ミラーの格納は、Kl.R がオンの状態で可能になります。ドア ミラーの格納は、運転席ドアのドア ミラー格納ボタンを押すと作動します。ボタンをもう 1 度押すと、ドア ミラーの開閉が切り換わります。頻繁に開閉されるのを防ぐため、リピート ロック(アレスト)機能が備わっています。
自動ドア ミラー下向き機能は、オプション装備の「運転席ミラー メモリー」でのみ提供されます。縁石がよく見えるように、後退時に助手席側ドア ミラーのミラー ガラスが下方に向きます。この機能は以下の場合にのみ使用可能です:
モーターの過負荷を防ぐため、モーターにはブロック検知機能があります。モーターがブロックされている場合、モーターの電流が上昇します。当該コントロール ユニットは、ブロックされたモーターの電流を正常作動での始動電流と比較します。両者の差異から、ブロックが発生していることを検知します。モーターの制御が中止されます。
誤記、誤植が生じる可能性があるため、完全な一致を保証するものではありません、また将来予告なしに技術的変更が加えられることがあります。