コーナリング ライトは、必ずオプション装備のアダプティブ コーナリング ライトと一体になっています。コーナリング ライトは、アダプティブ コーナリング ライトを補助する形で車両の前方と側方を照らします。
コーナリング ライトの以下のコンポーネントについて説明します:
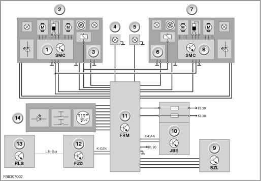
コーナリング ライトは、ライト スイッチがスイッチ位置「A」にある場合にのみ作動させることができます。オート ライト コントロール用に、ライト スイッチには緑色の表示灯があります。システムの不具合が検知されると、表示灯が点滅します。ライト スイッチは、直接フット スペース モジュール(FRM)に接続されています。
コーナリング ライトには専用のフロント フォグ ライトが必要です。このフロント フォグ ライトにはコーナリング ライト用のリフレクターが内蔵されています。フロント フォグ ライトが点灯すると、ただちにフロント フォグ ライトの光がコーナリング ライト用のリフレクターに届きます。リフレクターは特殊な形状をしていて、コーナリング エリアに光を反射します。コーナリング ライト機能の付いたフロント フォグ ライトは、リフレクター全体にクロム メッキを施されていることから外見で見分けることができます。
RLSS はフロント ウィンドウのルーム ミラー ホルダーに組み込まれています。RLSS は薄明または暗闇を検知します。しきい値を超えると、RLSS はメッセージをルーフ機能センター(FZD)に送ります。RLSS は LIN バスを介して FZD に接続されています。FZD はこのメッセージを K-CAN 経由でフット スペース モジュール(FRM)に転送します。
SZL にはターン インディケーター/ハイビーム スイッチがあります。ターン インディケーター/ハイビーム スイッチは信号を SZL に送ります。SZL は受信した信号を直接フット スペース モジュール(FRM)に転送します。
FRM はコーナリング ライトの制御を行います。FRM はライト スイッチの表示灯も制御します。FRM はすべてのスイッチ オン条件を直接または K-CAN を介して受信します。FRM は運転席側足元の側部、ダッシュボードの下にあります。
JBE は電源を供給します。JBE は K-CAN 経由で FRM に接続されています。JBE は助手席足元のダッシュボードの下にあります。

E70 のフロント フォグ ライトの構成
インデックス |
説明 |
インデックス |
説明 |
|---|---|---|---|
1 |
コーナリング ライトのリフレクター |
2 |
フロント フォグ ライトのリフレクター |
3 |
フロント フォグ ライト バルブ |
|
|

ブロック配線図 E70
インデックス |
説明 |
インデックス |
説明 |
|---|---|---|---|
1 |
左ステップ モーター コントローラー(SMC) |
2 |
左ヘッドライト |
3 |
左キセノン コントロール ユニット |
4 |
左フロント フォグ ライト |
5 |
右フロント フォグ ライト |
6 |
右キセノン コントロール ユニット |
7 |
右ヘッドライト |
8 |
右ステップ モーター コントローラー(SMC) |
9 |
ステアリング コラム スイッチ センター(SZL) |
10 |
ジャンクション ボックス コントロール ユニット(JBE) |
11 |
フット スペース モジュール(FRM) |
12 |
ルーフ機能センター(FZD) |
13 |
レイン/ライト ソーラー センサー(RLSS) |
14 |
ライト スイッチ |
コーナリング ライトが一気に点灯または消灯することはありません。コーナリング ライトは専用の時間パラメーターに従って次第に明るく、または暗くなっていきます。国別仕様によっては、コーナリング時にコーナリング ライトが点灯または消灯します。
コーナリング ライトの以下のシステム機能について説明します:
停車して一定の時間が経過すると、コーナリング ライトは消灯します(信号待ちする場合など)。ターン インディケーター/ハイ ビーム スイッチからコーナリング ライトを再点灯することができます。
左右どちらのコーナリング ライトを作動させるかは以下の条件に応じて異なります:
前進する場合
後退する場合
米国仕様車のみ:
コーナリング ライトの不具合が検知された場合、フロント フォグ ライトの場合と同じチェック コントロール メッセージが表示されます。
誤記、誤植が生じる可能性があるため、完全な一致を保証するものではありません、また将来予告なしに技術的変更が加えられることがあります。