Áöħ! SA 5DF, ±¹°¡¿¡ µû¶ó ƯÁ¤ÇÑ ¼±Åûç¾ç°ú °áÇÕÇØ¼¸¸.
Stop&Go-±â´ÉÀÌ ÀÖ´Â ´Éµ¿ Á¤¼ÓÁÖÇàÀåÄ¡´Â ÇöÀç SA 205 ”ÀÚµ¿º¯¼Ó±â” ¶Ç´ÂSA 2TB ”½ºÆ÷Ã÷ ÀÚµ¿º¯¼Ó±â”¿Í ÇÔ²²¸¸ »ç¿ëÇÒ ¼ö ÀÖ´Ù.
ÀϺΠ½ÃÀå¿¡¼´Â Çã°¡Á¦ÇÑÀ¸·Î ÀÎÇØ Stop&Go-±â´ÉÀÌ ¾ø´Â ACC°¡ Á¦°øµÈ´Ù.
Stop&Go-±â´ÉÀÌ ¾ø´Â ACC´Â ±Ù°Å¸®¿µ¿ª ¼¾¼°¡ ¾ø´Â °Í¸¸ÀÌ Â÷ÀÌÁ¡ÀÌ´Ù.
À¯·´¿¡¼´Â SA 5DF´Â ³»ºñ°ÔÀÌ¼Ç ½Ã½ºÅÛ°ú ÇÔ²²¸¸ Á¦°øµÈ´Ù. ¿øÀÎ: ÀüÆÄ õ¹®ÇÐ ¹æ¼Û±¹ ±ÙÁ¢½Ã ¹ý±Ô¿¡ ¸í½ÃµÈ ½ºÀ§Ä¡OFF.

¹øÈ£ |
¼³¸í |
¹øÈ£ |
¼³¸í |
|---|---|---|---|
1 |
ÁÂÃø ±Ù°Å¸®¿µ¿ª ¼¾¼ÀÇ Áß°£Ãà |
2 |
ÀÚµ¿Â÷ ±æÀ̹æÇâ Ã༱ |
3 |
¿ø°Å¸®¿µ¿ª ¼¾¼ÀÇ Áß°£Ãà |
4 |
¿ìÃø ±Ù°Å¸®¿µ¿ª ¼¾¼ÀÇ Áß°£Ãà |
5 |
¿ø°Å¸®¿µ¿ª ¼¾¼, Ȧ´õ Æ÷ÇÔ |
6 |
¿ìÃø ±Ù°Å¸®¿µ¿ª ¼¾¼, Ȧ´õ Æ÷ÇÔ |
7 |
¹üÆÛij¸®¾î |
8 |
ÁÂÃø ±Ù°Å¸®¿µ¿ª ¼¾¼, Ȧ´õ Æ÷ÇÔ |
¼ºñ½º½Ã ´ÙÀ½°ú °°Àº Áöħ¿¡ À¯ÀÇÇÑ´Ù:
´ÙÀ½ ÅØ½ºÆ®´Â Stop&Go-±â´É (¼±Åûç¾ç 5DF)ÀÌ ÀÖ´Â »õ ´Éµ¿ Á¤¼ÓÁÖÇàÀåÄ¡¸¦ ¼³¸íÇÑ´Ù.
Stop&Go-±â´ÉÀÌ ÀÖ´Â ´Éµ¿ Á¤¼ÓÁÖÇàÀåÄ¡´Â Áö±Ý±îÁö ¾Ë·ÁÁ® ÀÖ´Â ´Éµ¿ Á¤¼ÓÁÖÇàÀåÄ¡ (ACC)ÀÇ È®ÀåÀÌ´Ù.
¾Ë·ÁÁ® ÀÖ´Â ´Éµ¿ Á¤¼ÓÁÖÇàÀåÄ¡¿¡ ´ëÇÑ º¸¿ÏÀ¸·Î¼ Stop&Go-±â´ÉÀÌ °¡´ÉÇÏ´Ù:
¿øÇÏ´Â ÁÖÇà¼Óµµ´Â 30 km/h ~ 180 km/h ±îÁö ¼±ÅÃÇÒ ¼ö ÀÖ´Ù: Æí¾ÈÇÑ 10¹øÂ° ´Ü°è ¶Ç´Â Á¤¹ÐÇÑ 1¹øÂ° ´Ü°è·Î. ¿øÇÏ´Â ÁÖÇà¼Óµµ´Â °è±âÆÇ¿¡ µð½ºÇ÷¹À̵ȴÙ. À̿ܿ¡µµ 4 °£°Ý »çÀÌ¿¡¼ ¼±ÅÃÇÒ ¼ö ÀÖ´Ù.
»õ·Î¿î ¼±Åûç¾ç°ú ÇÔ²² »õ Sub-¹ö½ºµµ ÀåÂøÇÑ´Ù: ¼¾¼-CAN (S-CAN).
ACCÀÇ ´ÙÀ½°ú °°Àº ±¸¼ººÎǰµéÀÌ ¼³¸íµÈ´Ù:
±Ù°Å¸®¿µ¿ª ¼¾¼´Â ·¹ÀÌ´õ ¼¾¼ (Short RangeRadar)ÀÌ´Ù.
Stop&Go-±â´ÉÀÌ ÀÖ´Â ACC´Â 2°³ÀÇ ¶È°°Àº ±Ù°Å¸®¿µ¿ª ¼¾¼¿¡ ¼³Ä¡µÇ¾î ÀÖ´Ù. ±Ù°Å¸®¿µ¿ª ¼¾¼´Â ¾Õ ¹üÆÛij¸®¾î¿¡ ÇÃ¶ó½ºÆ½ Ȧ´õ¿Í ÇÔ²² ÀåÂøµÇ¾î ÀÖ´Ù.

¹øÈ£ |
¼³¸í |
¹øÈ£ |
¼³¸í |
|---|---|---|---|
1 |
±Ù°Å¸®¿µ¿ª ¼¾¼ |
2 |
Ȧ´õ |
±Ù°Å¸®¿µ¿ª ¼¾¼´Â ¼¾¼-CAN (S-CAN)À» ÅëÇØ LDM-ÄÁÆ®·Ñ À¯´Ö°ú ¿¬°áµÇ¾î ÀÖ´Ù.
±Ù°Å¸®¿µ¿ª ¼¾¼¿¡´Â ´ÙÀ½°ú °°Àº ±â´ÉÀÌ ÀÖ´Ù:
±Ù°Å¸®¿µ¿ª ¼¾¼ÀÇ ¹°Ã¼ µ¥ÀÌÅÍ´Â ACC Stop&Go-±â´É¿ëÀ¸·Î¸¸ »ç¿ëµÈ´Ù (ÀûÀÀ½Ä ºê·¹ÀÌÅ© ¾î½Ã½ºÅÏÆ®¿ë ¾Æ´Ô).
LRRÀº Long Range Radar¸¦ ÀǹÌÇÑ´Ù.

¹øÈ£ |
¼³¸í |
¹øÈ£ |
¼³¸í |
|---|---|---|---|
1 |
¿ø°Å¸®¿µ¿ª ¼¾¼ |
2 |
Ȧ´õ |
¿ø°Å¸®¿µ¿ª ¼¾¼ (ÀÌÀü ACC-¼¾¼)´Â ·¹ÀÌ´õ ¼¾¼ÀÌ´Ù. µ¿½Ã¿¡ ¿ø°Å¸®¿µ¿ª ¼¾¼´Â ÄÁÆ®·Ñ À¯´ÖÀÌ´Ù. ÀÌ¿¡ µû¶ó ¿ø°Å¸®¿µ¿ª ¼¾¼¿¡´Â ÄÁÆ®·Ñ À¯´Ö ÁÖ¼Ò°¡ ÀÖÀ¸¸ç, Áø´Ü ¹× ÇÁ·Î±×·¡¹ÖÀÌ °¡´ÉÇÏ´Ù.
¿ø°Å¸®¿µ¿ª ¼¾¼´Â ¿òÁ÷ÀÌ´Â ¹°Ã¼·ÎºÎÅÍ °£°Ý, °¢µµ ±×¸®°í¼Óµµ¸¦ °¨ÁöÇÑ´Ù. °¨Áö ¿µ¿ªÀº ÀÚµ¿Â÷ Àü¹æ 150 m ±îÁöÀÌ´Ù. LDM-ÄÁÆ®·Ñ À¯´Ö(±æÀ̹æÇâ ´ÙÀ̳»¹Í ¸Å´ÏÁö¸ÕÆ®)¿¡¼ ÀÌ µ¥ÀÌÅͰ¡ 󸮵ȴÙ.
±æÀ̹æÇâ ´ÙÀ̳»¹Í ¸Å´ÏÁö¸ÕÆ®¿ë ÄÁÆ®·Ñ À¯´ÖÀº ±Û·¯ºê¹Ú½º µÚÀÇ Ä³¸®¾î Ç÷¹ÀÌÆ®¿¡ ¼³Ä¡µÇ¾î ÀÖ´Ù.

¹øÈ£ |
¼³¸í |
¹øÈ£ |
¼³¸í |
|---|---|---|---|
1 |
ij¸®¾î |
2 |
LDM-ÄÁÆ®·Ñ À¯´Ö |
Stop&Go-±â´ÉÀÌ ÀÖ´Â ACC¿¡ ´ëÇØ LDM-ÄÁÆ®·Ñ À¯´ÖÀº ´ÙÀ½°ú °°Àº ±â´ÉÀ» ´ã´çÇÑ´Ù:
LRR°ú LDM-ÄÁÆ®·Ñ À¯´ÖÀº CAS-ÄÁÆ®·Ñ À¯´ÖÀ¸·ÎºÎÅÍ ÀÏ¹Ý ±ú¿ì±â-¹è¼±¿¡¼ Àü±â½ÄÀ¸·Î µðÄ¿ÇøµµÈ ÀÚü ±ú¿ì±â-¹è¼±À» ÅëÇØ Àü¿øÀÌ °ø±ÞµÈ´Ù. ÀÌ·¯ÇÑ ¹æ½ÄÀº ¿ø°Å¸®¿µ¿ª ¼¾¼°¡ »ç°íÀÇ À§ÇèÀÌ ÀÖ´Â ¿µ¿ª (ÀÚµ¿Â÷ Àü¹æ)¿¡ ¼³Ä¡µÇ¾î Àֱ⠶§¹®¿¡ ¼±ÅõǾú´Ù. »ç°í½Ã LRRÀÇ ±ú¿ì±â-¹è¼±ÀÌ ¼Õ»óµÇ¾úÀ¸¸é (¿¹¸¦ µé¸é Á¢Áö·Î ´Ü¶ô), ÀÌ·¯ÇÑ ¹æ½ÄÀ» ÅëÇØ ´Ù¸¥ ÄÁÆ®·Ñ À¯´Ö¿¡ ¿µÇâÀ» ´ú ¹ÌÄ¡°Ô µÈ´Ù.
»õ ¼¾¼-CAN (S-CAN)Àº ´ÙÀ½°ú ¿¬°áµÈ´Ù:
S-CANÀº ·¹ÀÌ´õ ¼¾¼·ÎºÎÅÍÀÇ Å« µ¥ÀÌÅÍ·® ¶§¹®¿¡ ÇÊ¿äÇß´Ù.
ÀÌ µ¥ÀÌÅÍ·®Àº ±âÁ¸ ¹ö½º ½Ã½ºÅÛÀÇ Àü¼Û¿ë·®À» ÃʰúÇÒ ¼ö ÀÖ´Ù.

¹øÈ£ |
¼³¸í |
¹øÈ£ |
¼³¸í |
|---|---|---|---|
1 |
±Ù°Å¸®¿µ¿ª ¼¾¼, ÁÂÃø |
2 |
¿ø°Å¸®¿µ¿ª ¼¾¼ (LRR) |
3 |
±Ù°Å¸®¿µ¿ª ¼¾¼, ¿ìÃø |
4 |
´ÙÀ̳»¹Í ½ºÅºô¸®Æ¼ ÄÁÆ®·Ñ (DSC) |
5 |
µðÁöÅÐ ¿£Áø ÀÏ·ºÆ®·Î´Ð (DME) ¶Ç´Â µðÁöÅÐ µðÁ© ÀÏ·ºÆ®·Î´Ð (DDE) |
6 |
±æÀ̹æÇâ ´ÙÀ̳»¹Í ¸Å´ÏÁö¸ÕÆ® (LDM) |
7 |
Æ®··Å©·ëÀÇ ÈÞÁî |
8 |
Ä« ¾×¼¼½º ½Ã½ºÅÛ (CAS) |
9 |
Car Communication Computer (CCC)¿Í ¸ÖƼ-¿Àµð¿À ½Ã½ºÅÛ ÄÁÆ®·Ñ·¯ (M-ASK) |
10 |
º¸µð-°ÔÀÌÆ®¿þÀÌ ¸ðµâ (KGM) |
11 |
µµ¾î Á¢Á¡, ¿îÀüÀÚ µµ¾î |
12 |
ÀüÀÚÁ¦¾î º¯¼Ó±â (EGS) |
13 |
½ºÆ¼¾î¸µ Ä®·³ ½ºÀ§Ä¡ ºí·Ï (SZL) |
14 |
¶óÀÌÆ®¸ðµâ (LM) |
15 |
°è±âÆÇ (KOMBI) |
16 |
Advanced Crash Safety Module (ACSM) |
17 |
¾ÈÀüº§Æ® ¹öŬ Á¢Á¡ |
18 |
½ÃÆ® ºÎÇÏ ¸ÅÆ® |
¼¾¼-CANÀÇ Æ¯Â¡:
´ÙÀ½°ú °°Àº ½Ã½ºÅÛ ±â´ÉµéÀÌ ¼³¸íµÈ´Ù:
Stop&Go-±â´ÉÀ» ¼öÇàÇϱâ À§Çؼ´Â, ±× ¿ÜÀÇ ÄÁÆ®·Ñ À¯´Öµé¿¡ ºÐ»êµÈ ±â´ÉÀ» °®Ãá º¹ÀâÇÑ ½Ã½ºÅÛ ³×Æ®¿öÅ©¸¦ ÇÊ¿ä·Î ÇÑ´Ù. LDM-ÄÁÆ®·Ñ À¯´ÖÀº µ¥ÀÌÅÍ ¹ö½º¸¦ °ÅÃÄ, ÀÌ·¯ÇÑ ±× ¿ÜÀÇ ÄÁÆ®·Ñ À¯´Öµé°ú ¿¬°áµÇ¾î ÀÖ´Ù.

¹øÈ£ |
¼³¸í |
¹øÈ£ |
¼³¸í |
|---|---|---|---|
1 |
¿ø°Å¸®¿µ¿ª ¼¾¼ (LRR) |
2 |
±Ù°Å¸®¿µ¿ª ¼¾¼, ÁÂÃø |
3 |
±Ù°Å¸®¿µ¿ª ¼¾¼, ¿ìÃø |
4 |
½ºÆ¼¾î¸µ Ä®·³ ½ºÀ§Ä¡ ºí·Ï (SZL) |
5 |
º¸µð-°ÔÀÌÆ®¿þÀÌ ¸ðµâ (KGM) |
6 |
°è±âÆÇ (KOMBI) |
7 |
´ÙÀ̳»¹Í ½ºÅºô¸®Æ¼ ÄÁÆ®·Ñ (DSC) |
8 |
ÀüÀÚÁ¦¾î º¯¼Ó±â (EGS) |
9 |
µðÁöÅÐ ¿£Áø ÀÏ·ºÆ®·Î´Ð (DME) ¶Ç´Â µðÁöÅÐ µðÁ© ÀÏ·ºÆ®·Î´Ð (DDE) |
10 |
±æÀ̹æÇâ ´ÙÀ̳»¹Í ¸Å´ÏÁö¸ÕÆ® (LDM) |
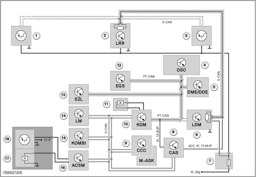
Àüü ±â´ÉÀ» À§ÇØ ´ÙÀ½°ú °°Àº ÄÁÆ®·Ñ À¯´ÖÀÌ ³×Æ®¿öũȵǾî ÀÖ´Ù:
ÄÁÆ®·Ñ À¯´Ö |
±â´É |
|---|---|
DME ¶Ç´Â DDE: ¿£Áø Á¦¾î |
ÅäÅ© ¿ä±¸ÀÇ ¼öÇà ”¿£Áø ÀÛµ¿Áß” ½ÅÈ£ |
DSC: ´ÙÀ̳»¹Í ½ºÅºô¸®Æ¼ ÄÁÆ®·Ñ |
ÁÖÇà»óÅ ºê·¹ÀÌÅ© °£¼· ½ÇÇà |
SZL: ½ºÆ¼¾î¸µÄ®·³ ½ºÀ§Ä¡ ºí·Ï |
ÀÛµ¿ ·¹¹ö Á¶Çâ°¢ ÆÎÆÄ·¹ Æ®¸®°Å¸µ |
CCC, M-ASK: ³»ºñ°ÔÀÌ¼Ç ½Ã½ºÅÛ |
³»ºñ°ÔÀÌ¼Ç ½Ã½ºÅÛÀ¸·ÎºÎÅÍ µ¥ÀÌÅÍ(Á¦¾îº¯¼ö¿¡ ¿µÇâ) |
KOMBI: °è±âÆÇ |
µð½ºÇ÷¹ÀÌ ³ªÅ¸³»±â(ACC¿Í üũ-ÄÁÆ®·Ñ-¸Þ½ÃÁö) |
EGS: º¯¼Ó±â Á¦¾î |
ÁÖÇà À§Ä¡ |
CAS: Ä« ¾×¼¼½º ½Ã½ºÅÛ |
´ÜÀÚ »óÅÂ¿Í ±ú¿ì±â-¹è¼± |
KGM: º¸µð-°ÔÀÌÆ®¿þÀÌ-¸ðµâ |
µµ¾î Á¢Á¡(¿îÀüÀÚÀÇ ÇÏÂ÷ Àǵµ) |
AHM: Æ®·¹ÀÏ·¯ ¸ðµâ |
Æ®·¹ÀÏ·¯ ¸ðµå °¨Áö |
ACSM. Ãæµ¹-¾ÈÀü-¸ðµâ |
¿îÀüÀÚ½ÃÆ® ºÎÇÏ(¿îÀüÀÚÀÇ ÇÏÂ÷ Àǵµ) ¾ÈÀüº§Æ® ¹öŬ Á¢Á¡ (¿îÀüÀÚÀÇ ÇÏÂ÷ Àǵµ) |
RLS: ·¹ÀÎ-ÁÖÇàÀüÁ¶µî¼¾¼ |
³ë¸é»óÅ (Á¥¾î ÀÖÀ½) |
SZM: ¼¾ÅÍ ÄÜ¼Ö ½ºÀ§Ä¡ºí·Ï |
DTC-¹öư |
LM: ¶óÀÌÆ® ¸ðµâ |
ºñ»óµî Æ®¸®°Å¸µ |
ÀûÀÀ½Ä ºê·¹ÀÌÅ© ¾î½Ã½ºÅÏÆ®´Â DSCÀÇ ±â´ÉÀÌ´Ù. À̶§ LDM-ÄÁÆ®·Ñ À¯´ÖÀº S-CAN¿¡¼ PT-CAN·ÎÀÇ °ÔÀÌÆ®¿þÀÌÀÌ´Ù.
ÀûÀÀ½Ä ºê·¹ÀÌÅ© ¾î½Ã½ºÅÏÆ®´Â ºñ»óÁ¦µ¿»óȲ¿¡¼ Å« ÀåÁ¡À» Á¦°øÇÑ´Ù. ¼±Çà ÀÚµ¿Â÷ÀÇ ¿îÀüÀÚ°¡ ±ÞÁ¦µ¿½Ã¿¡, ¿ø°Å¸®¿µ¿ª ¼¾¼°¡ ÀÌ »óȲÀ» °¨ÁöÇÑ´Ù.
À̶§ ºê·¹ÀÌÅ© ¾î½Ã½ºÅÏÆ®´Â Á¦µ¿°úÁ¤ÀÌ ÀÌ»óÀûÀ¸·Î ½ÇÇàµÇ¾î »ç°í¸¦ ¹æÁöÇϴµ¥ µµ¿òÀ» ÁØ´Ù.
À̸¦ À§ÇØ ´ÙÀ½°ú °°Àº ±â´ÉµéÀÌ ÀÖ´Ù:
ÀûÀÀ½Ä ºê·¹ÀÌÅ© ¾î½Ã½ºÅÏÆ®´Â ACC Ȱ¼ºÈ½Ã Ç×»ó½ºÀ§Ä¡ONµÇ¾î ÀÖ´Ù.
ÀûÀÀ½Ä ºê·¹ÀÌÅ© ¾î½Ã½ºÅÏÆ®´Â Stop&Go-±â´ÉÀÌ ¾ø´Â ACC¿¡¼µµ »ç¿ëÇÒ ¼ö ÀÖ´Ù.
ACCÀÇ ±â´É ÇѰ迡 µµ´ÞÇÒ °æ¿ì, ¿îÀüÀÚ¿¡°Ô ¼³¸íÇØ ÁÙ Çʿ䰡 ÀÖ´Â ½Ã½ºÅÛ °Åµ¿ÀÌ ¹ß»ýÇÒ ¼ö ÀÖ´Ù. ÀÌ·¯ÇÑ »óȲµéÀ» ´ÙÀ½¿¡¼ ¼³¸íÇÑ´Ù:
Àμ⠿À·ù, ³»¿ë»óÀÇ ¿À·ù ±×¸®°í ±â¼úÀû º¯°æÀº »çÀü Åë°í ¾øÀÌ º¯°æµÉ ¼ö ÀÖÀ½.