°³¿äµµ

GR_P130005

 

 

 

 

 

 

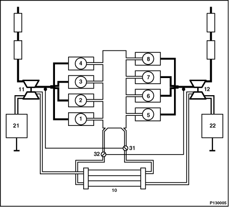
1 - 8

½Ç¸°´õ 1 - 8

10

ÀÎÅÍÄð·¯

11

Åͺ¸°ú±Þ±â 1

12

Åͺ¸°ú±Þ±â 2

21

°ø±âÁú·®°è·®±â 1

22

°ø±âÁú·®°è·®±â 2

31

¹è±â°¡½º Àç¼øÈ¯ ¹ëºê 1

32

¹è±â°¡½º Àç¼øÈ¯ ¹ëºê 2