¹æÇâÁö½ÃµîÀº, ¼±Åûç¾ç ÀûÀÀ½Ä Äڳʸµ¶óÀÌÆ®¿Í °áÇÕÇØ¼¸¸ °¡´ÉÇÏ´Ù. ¹æÇâÁö½ÃµîÀº ÀûÀÀ½Ä Äڳʸµ¶óÀÌÆ® ¿Ü¿¡µµ ÀÚµ¿Â÷ÀÇ ¾Õ/¿· ¿µ¿ªÀ» Á¶¸íÇÑ´Ù.
¹æÇâÁö½Ãµî¿¡ ´ëÇÑ ´ÙÀ½°ú °°Àº ±¸¼ººÎǰµéÀÌ ¼³¸íµÈ´Ù:
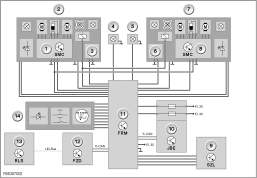
¹æÇâÁö½ÃµîÀ» Ȱ¼ºÈÇÒ ¼ö ÀÖ±â À§ÇØ, ¶óÀÌÆ® ½ºÀ§Ä¡´Â ½ºÀ§Ä¡ À§Ä¡ ”A”¿¡ ÀÖ¾î¾ß ÇÑ´Ù.ÀÚµ¿ ÀüÁ¶µî Á¦¾î¿ëÀ¸·Î ¶óÀÌÆ® ½ºÀ§Ä¡¿¡ ³ì»ö Ç¥½ÃµîÀÌ ÀÖ´Ù. ½Ã½ºÅÛ ¿À·ù°¡ °¨ÁöµÇ¸é, Ç¥½ÃµîÀÌ Á¡¸êÇϱ⠽ÃÀÛÇÑ´Ù. ¶óÀÌÆ® ½ºÀ§Ä¡´Â Â÷½ÇÇϺΠ¸ðµâ (FRM)°ú Á÷Á¢ ¿¬°áµÇ¾î ÀÖ´Ù.
¹æÇâÁö½Ãµî¿ëÀ¸·Î Ư¼öÇÑ ¾È°³µîÀÌ ÇÊ¿äÇÏ´Ù. ¾È°³µî¿¡´Â ¹æÇâÁö½Ãµî¿ë ¹Ý»ç°æÀÌ ÀÖ´Ù. ¾È°³µîÀÌ ½ºÀ§Ä¡ONµÇ¸é °ð¹Ù·Î, ¾È°³µî ·¥ÇÁÀÇ ºûÀÌ ¹æÇâÁö½Ãµî¿ë ¹Ý»ç°æ¿¡ µµ´ÞÇÑ´Ù. ¹Ý»ç°æÀº Ư¼öÇÑ ÇüÅÂÀ̸ç, ºûÀ» ¹æÇâÁö½Ãµî ¿µ¿ªÀ¸·Î ¹Ý»çÇÑ´Ù.¿ÜºÎ¸¦ º¸¸é, ¹æÇâÁö½Ã ±â´ÉÀÌ ÀÖ´Â ¾È°³µîÀº ¹Ý»ç°æÀÌ ¿ÏÀüÈ÷ Å©·Òµµ±ÝµÇ¾î ÀÖÀ½À» ¾Ë ¼ö ÀÖ´Ù.
RLSS´Â ¾Õ À¯¸®¿¡,½Ç³» ¹é¹Ì·¯ÀÇ È¦´õ¿¡ ÁýÀûµÇ¾î ÀÖ´Ù.RLSS´Â »õº®/Ȳȥ ¶Ç´Â ¾îµÒÀ» °¨ÁöÇÑ´Ù. RLSS´Â ÇѰ谪 Ãʰú½Ã¿¡ ¸Þ½ÃÁö¸¦ ·çÇÁ ±â´ÉÄÁÆ®·Ñ¼¾ÅÍ (FZD)¿¡ Àü¼ÛÇÑ´Ù. RLSS´Â LIN-¹ö½º¸¦ ÅëÇØ FZD¿¡ ¿¬°áµÇ¾î ÀÖ´Ù. FZD´Â ÀÌ ¸Þ½ÃÁö¸¦ K-CANÀ» ÅëÇØ Â÷½ÇÇϺΠ¸ðµâ (FRM)¿¡ Àü´ÞÇÑ´Ù.
SZL¿¡ ¹æÇâÁö½Ãµî-»óÇâÀüÁ¶µî½ºÀ§Ä¡°¡ ÀÖ´Ù.¹æÇâÁö½Ãµî-»óÇâÀüÁ¶µî½ºÀ§Ä¡´Â ÀÚ½ÅÀÇ ½ÅÈ£¸¦ SZL¿¡ Àü¼ÛÇÑ´Ù. SZL´Â ¼ö½ÅÇÑ ½ÅÈ£¸¦ Á÷Á¢Â÷½ÇÇϺΠ¸ðµâ (FRM)¿¡ °è¼Ó Àü¼ÛÇÑ´Ù.
¹æÇâÁö½Ãµî¿ë Á¦¾î´Â FRMÀÌ ´ã´çÇÑ´Ù. FRMÀº ¶óÀÌÆ® ½ºÀ§Ä¡ÀÇ Ç¥½Ãµîµµ Á¦¾îÇÑ´Ù.¸ðµç ½ºÀ§Ä¡ON Á¶°ÇÀ» Á÷Á¢ ¶Ç´Â K-CANÀ» ÅëÇØ ¼ö½ÅÇÑ´Ù. FRMÀº °è±âÆÇ ¾Æ·¡ ¿îÀüÀÚÃøÀÇ Â÷½ÇÇÏºÎ Ãø¸é¿¡ ÀÖ´Ù.
JBE´Â Àü¿ø°ø±ÞÀ» ´ã´çÇÑ´Ù.JBEÀº K-CANÀ» ÅëÇØ FRM°ú ¿¬°áµÇ¾î ÀÖ´Ù.JBE´Â µ¿¹ÝÀÚ Â÷½ÇÇϺÎÀÇ °è±âÆÐ³Î ¾Æ·¡¿¡ ÀÖ´Ù.

E70ÀÇ ¾È°³µî ±¸Á¶
¹øÈ£ |
¼³¸í |
¹øÈ£ |
¼³¸í |
|---|---|---|---|
1 |
¹æÇâÁö½Ãµî ¹Ý»ç°æ |
2 |
¾È°³µî ¹Ý»ç°æ |
3 |
¾È°³µî ·¥ÇÁ |
|
|

E70 ȸ·Îµµ
¹øÈ£ |
¼³¸í |
¹øÈ£ |
¼³¸í |
|---|---|---|---|
1 |
½ºÅÜ ¸ðÅÍ-ÄÁÆ®·Ñ·¯ (SMC), ÁÂÃø |
2 |
¸ÞÀÎ ÀüÁ¶µî, ÁÂÃø |
3 |
Á¦³í-ÄÁÆ®·Ñ À¯´Ö, ÁÂÃø |
4 |
¾È°³µî, ÁÂÃø |
5 |
¾È°³µî, ¿ìÃø |
6 |
Á¦³í-ÄÁÆ®·Ñ À¯´Ö, ¿ìÃø |
7 |
¸ÞÀÎ ÀüÁ¶µî, ¿ìÃø |
8 |
½ºÅÜ ¸ðÅÍ-ÄÁÆ®·Ñ·¯ (SMC), ¿ìÃø |
9 |
½ºÆ¼¾î¸µ Ä®·³-½ºÀ§Ä¡ºí·Ï (SZL) |
10 |
Áß°è»óÀÚ-ÀÏ·ºÆ®·Î´Ð (JBE) |
11 |
Â÷½ÇÇϺΠ¸ðµâ (FRM) |
12 |
·çÇÁ ±â´ÉÄÁÆ®·Ñ¼¾ÅÍ (FZD) |
13 |
·¹ÀÎ-ÁÖÇàÀüÁ¶µî-Àϻ缾¼ (RLSS) |
14 |
ÀüÁ¶µî ½ºÀ§Ä¡ |
¹æÇâÁö½ÃµîÀº ±ÞÀÛ½º·´°Ô ½ºÀ§Ä¡ON/OFFµÇÁö ¾Ê´Â´Ù. ¹æÇâÁö½ÃµîÀº Ưº°ÇÑ ½Ã°£ ÆÐ·¯¹ÌÅÍ¿¡ µû¶ó °¨±¤µÇ°í ½ºÀ§Ä¡ON/OFFµÈ´Ù.±¹°¡¿¡ µû¶ó Ä¿ºê ÁÖÇà½Ã ¹æÇâÁö½ÃµîÀÌ ½ºÀ§Ä¡ON/OFFµÈ´Ù.
¹æÇâÁö½ÃµîÀÇ ´ÙÀ½°ú °°Àº ½Ã½ºÅÛ ±â´ÉÀÌ ¼³¸íµÈ´Ù:
Á¤Â÷½Ã ¹æÇâÁö½ÃµîÀº ÀÏÁ¤ ½Ã°£ ÈÄ¿¡ ½ºÀ§Ä¡OFFµÈ´Ù, ¿¹¸¦ µé¸é ½ÅÈ£µî¿¡¼ ´ë±â½Ã¿¡. ±×·¯³ª ÁÖÇà¹æÇâ-»óÇâÀüÁ¶µî½ºÀ§Ä¡¸¦ ÅëÇØ ¹æÇâÁö½ÃµîÀ» ´Ù½Ã ½ºÀ§Ä¡ONÇÒ ¼ö ÀÖ´Ù.
¹æÇâÁö½ÃµîÀº ´ÙÀ½°ú °°Àº Á¶°Ç¿¡ µû¶ó Ȱ¼ºÈµÈ´Ù:
ÀüÁøÁÖÇà ¹æÇâ
ÈÄÁøÁÖÇà ¹æÇâ
¹Ì±¹ »ç¾ç¿¡¼¸¸:
¹æÇâÁö½ÃµîÀÇ °áÇÔÀÌ °¨ÁöµÇ¸é, ¾È°³µî¿ë°ú ¶È°°Àº üũ-ÄÁÆ®·Ñ-¸Þ½ÃÁö°¡ Àû¿ëµÈ´Ù.
Àμ⠿À·ù, ³»¿ë»óÀÇ ¿À·ù ±×¸®°í ±â¼úÀû º¯°æÀº »çÀü Åë°í ¾øÀÌ º¯°æµÉ ¼ö ÀÖÀ½.