±³Åë °æ°í ¼ºñ½º ”½Ç½Ã°£ ±³Åë Á¤º¸ (Real Time Traffic Information, RTTI)”¸¦ º¸ÀåÇϱâ À§ÇØ IBOC ÄÁÆ®·Ñ À¯´Ö¿¡´Â ÆÐ½Ãºê ¾ÈÅ׳ª ½ºÇø®ÅͰ¡ ÀåÂøµÇ¾î ÀÖ´Ù. À̸¦ ÅëÇØ HF-½ÅÈ£´Â IBOC ÄÁÆ®·Ñ À¯´Ö ±×¸®°í CCC¿¡¼ »ç¿ëµÉ ¼ö ÀÖ´Ù. RTTI´Â ³»ºñ°ÔÀÌ¼Ç ½Ã½ºÅÛ Professional°ú °áÇÕÇØ¼¸¸ »ç¿ëÇÒ ¼ö ÀÖ´Ù. CCC´Â ¼ö½ÅµÈ ±³ÅëÁ¤º¸¸¦ ³»ºñ°ÔÀ̼ǿ¡ Á¦°øÇÑ´Ù.

¹øÈ£ |
¼³¸í |
¹øÈ£ |
¼³¸í |
|---|---|---|---|
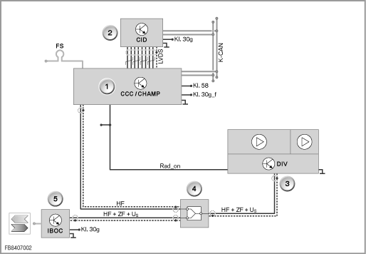
1 |
Çìµå À¯´Ö |
2 |
¼¾Æ®·² ÀÎÆ÷¸ÞÀÌ¼Ç µð½ºÇ÷¹ÀÌ |
3 |
´ÙÀ̹ö½ÃƼ ¸ðµâÀÌ ÀÖ´Â ¾ÈÅ׳ª ÁõÆø±â |
4 |
¾ÈÅ׳ª ½ºÇø®ÅÍ |
5 |
IBOC ÄÁÆ®·Ñ À¯´Ö |
´ÙÀ½°ú °°Àº RTTI-½ºÇø®ÅÍÀÇ ±¸¼ººÎǰÀÌ ¼³¸íµÈ´Ù:

¹øÈ£ |
¼³¸í |
¹øÈ£ |
¼³¸í |
|---|---|---|---|
1 |
IBOC |
2 |
RTTI-½ºÇø®ÅÍ, ºê·¡Å¶ Æ÷ÇÔ |
3 |
AM-/FM-½ÅÈ£ (´ÙÀ̹ö½ÃƼ ¸ðµâÀÌ ÀÖ´Â ¾ÈÅ׳ª ÁõÆø±â) ÄÁ³ØÅÍ-»ö»óÄÚµå: Èæ»ö |
4 |
AM-/FM-½ÅÈ£ (CCC) ÄÁ³ØÅÍ-»ö»óÄÚµå: Ä«·¹ºû Ȳ»ö |
5 |
AM-/FM-½ÅÈ£ (IBOC) ÄÁ³ØÅÍ-»ö»óÄÚµå: Èæ»ö |
High Definition ¶óµð¿ÀÀÇ IBOC ÄÁÆ®·Ñ À¯´ÖÀº AM-/FM-Á֯ļö ¹üÀ§³»¿¡ ÀÖ´Â µðÁöÅÐ/¾Æ³¯·Î±× ¶óµð¿À ¹æ¼Û±¹À» ¼ö½ÅÇϱâ À§ÇÑ ÇÏÀ̺긮µå Æ©³Ê·Î¼ ¼³°èµÇ¾î ÀÖ´Ù. µðÁöÅÐ ½ÅÈ£¸¦ ¼ö½ÅÇϴµ¥´Â, ¾Æ³¯·Î±× ½ÅÈ£¸¦ ¼ö½ÅÇÒ ¶§¿Í °°Àº ½ÅÈ£ °æ·Î°¡ »ç¿ëµÈ´Ù. µû¶ó¼ ÀÌ¹Ì ¾Ë·ÁÁ® ÀÖ´Â ±¸¼ººÎǰ '´ÙÀ̹ö½ÃƼ ¸ðµâÀÌ ÀÖ´Â ¾ÈÅ׳ª ÁõÆø±â'¿Í AM-/ FM-¾ÈÅ׳ª'¸¦ »ç¿ëÇÒ ¼ö ÀÖ´Ù.
IBOC ÄÁÆ®·Ñ À¯´ÖÀº µðÁöÅÐ ¿Àµð¿À µ¥ÀÌÅ͸¦ ÇØµ¶Çϰí À̵éÀ» MOST-¹ö½º (Media-Oriented-System-Transport-Bus)¸¦ ÅëÇØ Çìµå À¯´ÖÀ¸·Î Àü¼ÛÇÑ´Ù. Çìµå À¯´ÖÀº ¿Àµð¿À µ¥ÀÌÅ͸¦ ¾Æ³¯·Î±× NF-½ÅÈ£·Î º¯È¯ÇÑ´Ù. NF-½ÅÈ£´Â ½ºÇÇÄ¿¸¦ ÅëÇØ Ãâ·ÂµÈ´Ù.
CCC ÄÁÆ®·Ñ À¯´ÖÀº AM-/FM-Á֯ļö ¹üÀ§¿¡ ÀÖ´Â ¾Æ³¯·Î±× ¶óµð¿À ¹æ¼Û±¹À» ¼ö½ÅÇϱâ À§ÇØ ¼³°èµÇ¾î ÀÖ´Ù. IBOC¿Í °áÇÕÇÒ °æ¿ì, ±â´ÉÀº CCC°¡ ¾Æ´Ñ, IBOC¿¡¼ ¼öÇàµÈ´Ù. ¾Æ³¯·Î±× ½ÅÈ£¸¦ ¼ö½ÅÇϱâ À§Çؼ´Â, ±¸¼ººÎǰ '´ÙÀ̹ö½ÃƼ ¸ðµâÀÌ ÀÖ´Â ¾ÈÅ׳ª ÁõÆø±â'¿Í AM-/ FM-¾ÈÅ׳ª'°¡ »ç¿ëµÈ´Ù.
¾ÈÅ׳ª Ãâ·ÂÀº ºñ´ëĪÀ¸·Î ºÐ¹èµÈ´Ù. IBOC-Æ©³Ê´Â 1 dB Á¤µµ °¨¼èµÈ ½ÅÈ£¸¦ ¼ö½ÅÇϰí, Çìµå À¯´ÖÀº 10 dB Á¤µµ °¨¼èµÈ ½ÅÈ£¸¦ ¼ö½ÅÇÑ´Ù. Ȱ¼ºÈµÈ FM-¾ÈÅ׳ª¿¡ ÀÇÇØ °ø±ÞµÈ ·¹º§Àº µû¶ó¼ 9:1 (IBOC:RTTI) ºñÀ²·Î ºÐ¹èµÈ´Ù. ¾ÈÅ׳ª Ãâ·ÂÀº ½ºÇø®ÅÍ¿¡ ÀÇÇØ 10:1 (IBOC:RTTI) ºñÀ²·Î ºÐ¹èµÈ´Ù. ÀÌ·¯ÇÑ ¾ÈÅ׳ª Ãâ·ÂÀÇ ºÐ¹è´Â CCC°¡ RTTI-µ¥ÀÌÅ͸¦ ¼ö½ÅÇϱ⿡ ÃæºÐÇÏ´Ù. ¾ÈÅ׳ª-´ÙÀ̹ö½ÃƼ´Â IBOC ÄÁÆ®·Ñ À¯´Ö¿¡ ÀÇÇØ Á¦¾îµÈ´Ù.
RTTI-½ºÇø®ÅÍÀÇ Á¡°ËÀ» À§ÇØ Å×½ºÆ®¸ðµâÀ» »ç¿ëÇÒ ¼ö ÀÖ´Ù. ÀÌ´Â Áø´Ü '°íÀåÁõ»ó ¼±Åà (65006_CCC:±â´É Àå¾Ö)' ¶Ç´Â ±â´É¼±Åà (Àüü Â÷·®/º¸µð/¿Àµð¿À, ºñµð¿À, ÀüÈ, ³»ºñ°ÔÀÌ¼Ç (MOST-¸µ)/³»ºñ°ÔÀ̼Ç)À» ÅëÇØ Á¢±ÙÇÒ ¼ö ÀÖ´Ù.
Àμ⠿À·ù, ³»¿ë»óÀÇ ¿À·ù ±×¸®°í ±â¼úÀû º¯°æÀº »çÀü Åë°í ¾øÀÌ º¯°æµÉ ¼ö ÀÖÀ½.