ÀüÀÚ½Ä ¿îÀü¹æÁöÀåÄ¡ (EWS)´Â µµ³¹æÁö±â´É°ú ½Ãµ¿ ½ÂÀÎÀ» ´ã´çÇÑ´Ù.
Á¦ 4¼¼´ë EWS´Â ±âÁ¸ÀÇ EWS¸¦ °³¼±ÇÑ Á¦Ç°ÀÌ´Ù. ÀÌ °³¼±Á¦Ç°Àº »õ·Î¿î, ÃֽŠÄÚµåÈ ¹æ½ÄÀ» »ç¿ëÇÑ´Ù.
°¢ ÀÚµ¿Â÷¿¡´Â 128 Bit ±æÀÌÀÇ ºñ¹ÐÄڵ尡 ¹èÁ¤µÈ´Ù. ÀÌ ºñ¹ÐÄÚµå´Â BMW µ¥ÀÌÅÍ º£À̽º¿¡ ÀúÀåµÈ´Ù. Áï, ºñ¹ÐÄÚµå´Â BMW¸¸ ¾Ë°í ÀÖ´Ù´Â °ÍÀ» ÀǹÌÇÑ´Ù.
ºñ¹ÐÄÚµå´Â ´ÙÀ½°ú °°Àº ÄÁÆ®·Ñ À¯´Ö¿¡¼ ÇÁ·Î±×·¡¹ÖµÇ°í ·ÎÅ©µÈ´Ù:
ºñ¹ÐÄڵ尡 ÄÁÆ®·Ñ À¯´Ö¿¡ ·ÎÅ©µÇ¾î ÀÖÀ» °æ¿ì, À̸¦ »èÁ¦Çϰųª º¯°æÇÒ ¼ö ¾ø´Ù. ÀÌ¿Í °°Àº ¹æ¹ýÀ¸·Î °¢°¢ÀÇ ÄÁÆ®·Ñ À¯´ÖÀº ƯÁ¤ ÀÚµ¿Â÷¿¡ ¹èÁ¤µÇ¾î ÀÖ´Ù. ÄÁÆ®·Ñ À¯´ÖÀº ºñ¹ÐÄÚµå¿Í ¼·Î °°Àº ¾Ë°í¸®ÁòÀ» ÀÌ¿ëÇÏ¿© È®ÀÎÇÑ´Ù.
Á¦ 4¼¼´ë EWS¿¡´Â DME/DDE¿Í CAS »çÀÌÀÇ Á÷Á¢ ¹è¼± (EWS-µ¥ÀÌÅÍ ¹è¼±)ÀÌ ¾ø´Ù (E83 Á¦¿Ü).
EWS-½ÅÈ£ÀÇ µ¥ÀÌÅÍ Àü¼ÛÀ» À§ÇØ CAN-µ¥ÀÌÅÍ ¹è¼± (PT-CAN°ú K-CAN)°ú K-¹ö½º (CAS-¹ö½º¶ó°íµµ ÇÔ)°¡ »ç¿ëµÈ´Ù. K-¹ö½º´Â CAN-µ¥ÀÌÅÍ ¹è¼± »ó¿¡¼ EWS-½ÅÈ£¸¦ Àü¼ÛÇÒ ¼ö ¾øÀ» °æ¿ì¿¡¸¸ »ç¿ëµÈ´Ù.
> E83: EWS-ÄÁÆ®·Ñ À¯´Ö°ú DME/DDE °£ÀÇ µ¥ÀÌÅÍ Àü¼ÛÀº Áö±Ý±îÁö¿Í ¸¶Âù°¡Áö·Î Á÷Á¢ EWS-µ¥ÀÌÅÍ ¹è¼±À» ÅëÇØ ÀÌ·ç¾îÁø´Ù.
EWSÀÇ »ç¿ë (Á¦ 4¼¼´ë):
°³¹ß-½Ã¸®Áî |
¿£Áø |
¿£Áø ÄÁÆ®·Ñ À¯´Ö |
|---|---|---|
µî±Þ: |
||
E60, E61, E63, E64 |
N52B25U1, N52B25O1, N52B30M1, N52B30O1 |
MSV80 |
N53B25U0, N53B30U0, N53B30O0, N54B30O0 |
MSD80 |
|
N43B20O0 |
MSD80.2 |
|
N46B20O2 |
MEV17.2.1 |
|
N47D20O0 |
DDE70 |
|
E81, E82, E87, E88, E90, E90 M3, E91, E92, E92 M3, E93, E93 M3 |
N43B16, N43B20U0, N43B20O0 |
MSD80.2 |
N45B16O2, N46B20U2, N46B20O2 |
MEV17.2.1 |
|
N51B30M0, N52B25U1, N52B25O1, N52B30U0, N52B30M1, N52B30O1 |
MSV80 |
|
N47D20U0, N47D20O0 |
DDE70 |
|
N53B30U0, N53B30O0, N54B30O0 |
MSD80 |
|
S65 |
MSS60 |
|
E83 |
N52B25O1, N52B30U1, N52B30O1 |
MSV80 |
N46B20O2 |
MEV17.2.1 |
|
N47D20O0 |
DDE70 |
|
E70 |
N52B30O1 |
MSV80 |
R55, R56 |
N12 |
MEV17.2 |
N14 |
MED17.2 |
|
EWS¿¡ ´ëÇÑ ´ÙÀ½°ú °°Àº ºÎǰµéÀÌ ¼³¸íµÈ´Ù:
¼Û/¼ö½ÅÀÌ °¡´ÉÇÑ Æ®·£½ºÆù´õ ĨÀÌ, ¿ø°ÝÁ¦¾îŰ¿¡ ÁýÀûµÇ¾î ÀÖ´Ù. µ¥ÀÌÅÍ Àü¼ÛÀº Æ®·£½ºÆ÷¸ÞÀÌÅÍ¿¡¼Ã³·³ ½½·Ô ¶Ç´Â Á¡È·ÎÅ© (E83¸¸)ÀÇ ·çÇÁ¾ÈÅ׳ª¿Í Æ®·£½ºÆù´õ Ĩ »çÀÌ¿¡¼ ÀÌ·ç¾îÁø´Ù. ¿ø°ÝÁ¦¾îŰ´Â µ¥ÀÌÅ͸¦ EWS- ¶Ç´Â CAS-ÄÁÆ®·Ñ À¯´Ö¿¡ Àü¼ÛÇÏ¿© À̵é·ÎºÎÅÍ µ¥ÀÌÅ͸¦ ¼ö½ÅÇÑ´Ù.
Æ®·£½ºÆù´õ Ĩ¿¡´Â ÇØ´ç ÀÚµ¿Â÷¿¡ ´ëÇÑ ¿ø°ÝÁ¦¾îŰÀÇ ÀÎÁõµµ ÄÚµùµÇ¾î ÀÖ´Ù.
EWS- ¶Ç´Â CAS-ÄÁÆ®·Ñ À¯´ÖÀº ÃÖ´ë 10°³ÀÇ ÄÁÆ®·Ñ À¯´Ö¿¡ ¸Â´Â ¿ø°ÝÁ¦¾î۸¦ °ü¸®ÇÒ ¼ö ÀÖ´Ù, Áï ÃÖ´ë 6°³ÀÇ ¿ø°ÝÁ¦¾î۸¦ ´ëüºÎǰÀ¸·Î¼ ÁغñÇÒ ¼ö ÀÖ´Ù.
EWS- ¶Ç´Â CAS-ÄÁÆ®·Ñ À¯´ÖÀº °³º° ¿ø°ÝÁ¦¾î۸¦ È®ÀÎÇÒ ¼ö ÀÖ´Ù. À̸¦ ÀÌ¿ëÇÏ¿© °³º° ¿ø°ÝÁ¦¾î۸¦ ·ÎÅ© ¶Ç´Â ·ÎÅ©ÇØÁ¦ÇÒ ¼ö ÀÖ´Ù. EWS- ¶Ç´Â CAS-ÄÁÆ®·Ñ À¯´Ö°ú °³º° ¿ø°ÝÁ¦¾îŰ °£ÀÇ Åë½Å Áß¿¡ °íÀåÀÌ ¹ß»ýÇÒ °æ¿ì, ÀÌ´Â °íÀå¸Þ¸ð¸® - °³º° ¿ø°ÝÁ¦¾îŰ¿ëÀ¸·Î °¢°¢ º°µµ·Î ÀÖÀ½ -¿¡ ¼ö·ÏµÈ´Ù.
¿ø°ÝÁ¦¾îŰ ¶Ç´Â Á¡È·ÎÅ© (E83¸¸)¿ë ½½·Ô¿¡´Â, Æ®·£½ºÆù´õ ĨÀÇ Á¶È¸¸¦ À§ÇÑ ·çÇÁ ¾ÈÅ׳ª (ÄÚÀÏ)°¡ ÀÖ´Ù. ·çÇÁ ¾ÈÅ׳ª¸¦ ÅëÇØ Æ®·£½ºÆù´õ Ĩ°ú EWS- ¶Ç´Â CAS-ÄÁÆ®·Ñ À¯´ÖÀÌ Åë½ÅÇÑ´Ù.
Àü±â½Ä Á¶ÇâÇÚµé ·ÎÅ©°¡ ÀåÂøµÈ ÀÚµ¿Â÷¿¡¼´Â, ELV¿¡´Â CAS¸¦ ÅëÇÑ ÀÎÁõ ÈÄ¿¡ Àü·ù°¡ °ø±ÞµÈ´Ù. ÀÌÁ¦ ºñ·Î¼Ò Á¶ÇâÇÚµéÀÇ ·ÎÅ©ÇØÁ¦ ¶Ç´Â ·ÎÅ©°¡ °¡´ÉÇÏ´Ù. ¿£Áø½Ãµ¿Àº Àü±â½Ä Á¶ÇâÇÚµé ·ÎÅ©°¡ ·ÎÅ©ÇØÁ¦µÇ°í ´õºí·ÎÅ©°¡ Ç®¸° °æ¿ì¿¡¸¸ Çã¿ëµÈ´Ù.
> E83
EWS-µ¥ÀÌÅÍ ¹è¼±À» ÅëÇØ EWS-ÄÁÆ®·Ñ À¯´Ö°ú DME/DDE°¡ ¼·Î ÀÎÁõµÈ´Ù.
ÀÚµ¿º¯¼Ó±â°¡ ÀåÂøµÈ ÀÚµ¿Â÷¿¡¼, ½Ç·ºÅÍ ·¹¹ö°¡ ”P” ¶Ç´Â ”N” À§Ä¡¿¡ ÀÖÀ» °æ¿ì¿¡¸¸ EWS- ¶Ç´Â CAS-ÄÁÆ®·Ñ À¯´ÖÀ» ÅëÇØ ½Ãµ¿ ½ÂÀÎÀÌ ÀÌ·ç¾îÁø´Ù.
´ÙÀ½°ú °°Àº ÄÁÆ®·Ñ À¯´ÖÀº ÀüÀÚ½Ä ¿îÀü¹æÁöÀåÄ¡ (EWS)¿¡ °ü¿©Çϰí ÀÖ´Ù:
> E83 Á¦¿Ü
CAS-ÄÁÆ®·Ñ À¯´ÖÀº EWS¿ë ¸¶½ºÅÍ-ÄÁÆ®·Ñ À¯´ÖÀÌ´Ù. EWS´Â CAS¿¡ ÁýÀûµÇ¾î ÀÖ´Ù.
CAS-ÄÁÆ®·Ñ À¯´Ö¿¡´Â ºñ¹ÐÄڵ尡 º¯Á¶¹æÁöµÇ¾î ÀúÀåµÇ¾î ÀÖ´Ù.
CAS-ÄÁÆ®·Ñ À¯´ÖÀº K-CAN (º¸µð-CAN)°ú K-¹ö½º (º¸µð-¹ö½º)¿¡ ÀÖ´Â ¹ö½º-Á¢¼ÓÀ¯´ÖÀÌ´Ù.
CAS-ÄÁÆ®·Ñ À¯´ÖÀº ¿ø°ÝÁ¦¾îŰ¿ë ½½·ÔÀ¸·ÎÀÇ ÀÎÅÍÆäÀ̽ºÀÌ´Ù.

¹øÈ£ |
¼³¸í |
¹øÈ£ |
¼³¸í |
|---|---|---|---|
1 |
ÄÄÆ÷Æ® ¾×¼¼½º ½Ã½ºÅÛ (CAS) |
2 |
Áß°è»óÀÚ ÀÏ·ºÆ®·Î´Ð (JBE) ¶Ç´Â º¸µð-°ÔÀÌÆ®¿þÀÌ-¸ðµâ (KGM) |
3 |
µðÁöÅÐ ¿£Áø ÀÏ·ºÆ®·Î´Ð (DME) ¶Ç´Â µðÁöÅÐ µðÁ© ÀÏ·ºÆ®·Î´Ð (DDE) |
4 |
ÀüÀÚ½Ä º¯¼Ó±â Á¦¾î (EGS) |
5 |
ÄÄÆ÷Æ® ¾×¼¼½º (CA: Comfort Access) |
6 |
¿ø°ÝÁ¦¾î ¼ö½Å±â |
7 |
Àü±â½Ä Á¶ÇâÇÚµé ·ÎÅ© (ELV) |
8 |
½ºÅ¸Æ®-½ºÅé-¹öư |
9 |
½½·Ô°ú ¿ø°ÝÁ¦¾îŰ |
10 |
½Ãµ¿¸ðÅÍ |
Kl. 30L |
´ÜÀÚ 30L |
Kl. 50L |
´ÜÀÚ 50L |
K-¹ö½º |
º¸µð-¹ö½º (CAS-¹ö½º¶ó°íµµ ÇÔ) |
K-CAN |
º¸µð-CAN |
PT-CAN |
ÆÄ¿öÆ®·¹ÀÎ-CAN |
|
|
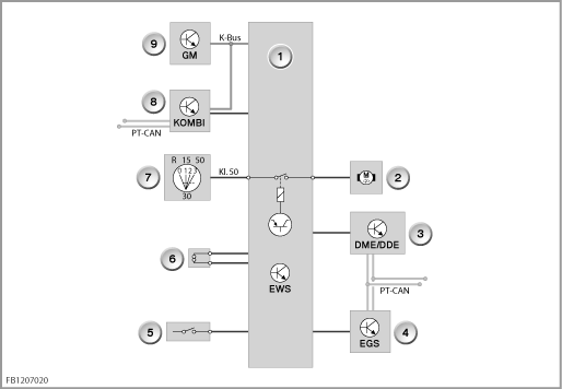
> E83¸¸
EWS-ÄÁÆ®·Ñ À¯´ÖÀº K-¹ö½º (º¸µð-¹ö½º)¿¡ ÀÖ´Â ¹ö½º-Á¢¼ÓÀ¯´ÖÀÌ´Ù.
EWS-ÄÁÆ®·Ñ À¯´ÖÀº Á¡È·ÎÅ©·ÎÀÇ ÀÎÅÍÆäÀ̽ºÀÌ´Ù.

¹øÈ£ |
¼³¸í |
¹øÈ£ |
¼³¸í |
|---|---|---|---|
1 |
ÀüÀÚ½Ä ¿îÀü¹æÁöÀåÄ¡ (EWS) |
2 |
½Ãµ¿¸ðÅÍ |
3 |
µðÁöÅÐ ¿£Áø ÀÏ·ºÆ®·Î´Ð (DME) ¶Ç´Â µðÁöÅÐ µðÁ© ÀÏ·ºÆ®·Î´Ð (DDE) |
4 |
ÀüÀÚÁ¦¾î º¯¼Ó±â (EGS) |
5 |
¼öµ¿º¯¼Ó±â¿¡¼ Ŭ·¯Ä¡ ½ºÀ§Ä¡ (±¹°¡º° »ç¾ç°ú °ü·ÃÀÖÀ½) |
6 |
·çÇÁ ¾ÈÅ׳ª (ÄÚÀÏ) |
7 |
Á¡ÈŰ ½ºÀ§Ä¡ |
8 |
°è±âÆÇ (KOMBI) |
9 |
º£ÀÌÁ÷ ¸ðµâ (GM) |
|
|
K-¹ö½º |
º¸µð-¹ö½º |
Kl. 50 |
´ÜÀÚ 50 |
PT-CAN |
ÆÄ¿öÆ®·¹ÀÎ-CAN |
|
|
EWS- ¶Ç´Â CAS-ÄÁÆ®·Ñ À¯´ÖÀ¸·ÎºÎÅÍ È®½ÇÇÑ ÀÛµ¿½ÂÀÎ ½ÅÈ£°¡ ÀÖ¾î¾ß¸¸, DME-/DDE-ÄÁÆ®·Ñ À¯´ÖÀÌ ¿£ÁøÀ» ½Ãµ¿½Ãų ¼ö ÀÖ´Ù. ºñ¹ÐÄÚµå´Â º¯Á¶¹æÁöµÇ¾î DME/DDE¿¡ ÀúÀåµÇ¾î ÀÖ´Ù.
> E70, E81, E82, E87, E88, E90, E91, E92, E93, R55, R56
JBE´Â PT-CAN (ÆÄ¿öÆ®·¹ÀÎ-CAN)°ú K-CAN (º¸µð-CAN) »çÀÌÀÇ µ¥ÀÌÅÍ ÀÎÅÍÆäÀ̽ºÀÌ´Ù.
> E60, E61, E63, E64
KGMÀº PT-CAN (ÆÄ¿öÆ®·¹ÀÎ-CAN)°ú K-CAN (º¸µð-CAN) »çÀÌÀÇ µ¥ÀÌÅÍ ÀÎÅÍÆäÀ̽ºÀÌ´Ù.
> E83
°è±âÆÇ KGMÀº PT-CAN (ÆÄ¿öÆ®·¹ÀÎ-CAN)°ú K-¹ö½º (º¸µð-¹ö½º) »çÀÌÀÇ µ¥ÀÌÅÍ ÀÎÅÍÆäÀ̽ºÀÌ´Ù.
> E70¸¸
ÀüÀÚ½Ä º¯¼Ó±â Á¦¾î (EGS)´Â ¶Ç´Ù¸¥ ¿îÀü¹æÁöÀåÄ¡·Î¼ Á¦ 4¼¼´ë EWS¿¡ ¿¬°áµÇ¾î ÀÖ´Ù. EGS-ÄÁÆ®·Ñ À¯´ÖÀº K-¹ö½º¿¡ ÀÖ´Â ¹ö½º-Á¢¼ÓÀ¯´ÖÀÌ´Ù.
º¯¼Ó±â ±â´ÉÀÇ ÀÛµ¿Àº, CAS-ÄÁÆ®·Ñ À¯´Ö°ú EGS-ÄÁÆ®·Ñ À¯´ÖÀÌ ¼·Î ÀÎÁõµÉ °æ¿ì¿¡¸¸ ÀÌ·ç¾îÁø´Ù.
SA 322”ÄÄÆ÷Æ® ¾×¼¼½º” (CA: Comfort Access)¿¡¼´Â ÀÏ¹Ý ¿ø°ÝÁ¦¾îŰ ´ë½Å¿¡ ID-¼¾¼¸¦ ÇÊ¿ä·Î ÇÑ´Ù.ID-¼¾¼´Â ÀÏ¹Ý ¿ø°ÝÁ¦¾îŰÀÇ ±â´Éµµ ÃæÁ·½ÃŲ´Ù.
ÄÄÆ÷Æ® ¾×¼¼½º¿ë ÄÁÆ®·Ñ À¯´Ö (CA-ÄÁÆ®·Ñ À¯´Ö)Àº ½Ç³» ¾ÈÅ׳ª¿Í ½Ç¿Ü ¾ÈÅ׳ª¸¦ Æ®¸®°Å¸µÇÑ´Ù. À̸¦ ÅëÇØ, ÀÖÀ» ¼ö ÀÖ´Â ID-¼¾¼°¡ Á¡°ËµÈ´Ù. µ¿½Ã¿¡ ÀÀ´äÇÏ´Â ID-¼¾¼¿ë FBD-¼ö½Å±â°¡ Ȱ¼ºÈµÈ´Ù (FBD: ¿ø°ÝÁ¦¾î¼ºñ½º).
CAS-ÄÁÆ®·Ñ À¯´ÖÀº SA ”ÄÄÆ÷Æ® ¾×¼¼½º”ÀÇ ¸ðµç ±â´É¿ë ¸¶½ºÅÍ-ÄÁÆ®·Ñ À¯´ÖÀÌ´Ù:
EWS¿¡ ´ëÇÑ ´ÙÀ½°ú °°Àº ½Ã½ºÅÛ ±â´ÉµéÀÌ ¼³¸íµÈ´Ù:
·ÎÅ©ÇØÁ¦ °úÁ¤ ½Ã¿¡, Ä« ¾×¼¼½º ½Ã½ºÅÛ (CAS)°ú Àü±â½Ä Á¶ÇâÇÚµé ·ÎÅ© °£¿¡ ÀÎÁõ°úÁ¤ÀÌ ½Ç½ÃµÈ´Ù. Àü±â½Ä Á¶ÇâÇÚµé ·ÎÅ©´Â, ÀÎÁõ°úÁ¤¿¡¼ ±àÁ¤ÀûÀÎ °á°ú°¡ ³ª¿Â ÈÄ¿¡¸¸ ·ÎÅ©ÇØÁ¦¸¦ ½ÃÀÛÇÒ ¼ö ÀÖ´Ù. ¾ÈÀü»óÀÇ ÀÌÀ¯ ¶§¹®¿¡, ÁÖÇàÁß¿¡´Â Àü±â½Ä Á¶ÇâÇÚµé ·ÎÅ©¿¡ Àü·ù°¡ °ø±ÞµÇÁö ¾Ê´Â´Ù. Àü±â½Ä Á¶ÇâÇÚµé ·ÎÅ©¿¡´Â ·ÎÅ©ÇØÁ¦ °úÁ¤ ¶Ç´Â ·ÎÅ© °úÁ¤À» À§Çؼ¸¸ Àü¿øÀÌ °ø±ÞµÈ´Ù.
È®Àε¥ÀÌÅͰ¡ Á¤È®ÇÒ °æ¿ì, CAS-ÄÁÆ®·Ñ À¯´ÖÀº ÄÁÆ®·Ñ À¯´Ö¿¡ ÀÖ´Â ¸±·¹À̸¦ ÅëÇØ ½ºÅ¸Å͸¦ Æ®¸®°Å¸µÇÑ´Ù. µ¿½Ã¿¡ CAS-ÄÁÆ®·Ñ À¯´ÖÀº ¿£Áø½Ãµ¿À» À§ÇØ, ÄÚµùµÈ ÀÛµ¿°¡´É ½ÅÈ£¸¦ DME-ÄÁÆ®·Ñ À¯´Ö¿¡ Àü¼ÛÇÑ´Ù. CAS-ÄÁÆ®·Ñ À¯´ÖÀ¸·ÎºÎÅÍ È®½ÇÇÑ ÀÛµ¿½ÂÀÎ ½ÅÈ£°¡ ÀÖ¾î¾ß¸¸, DME-ÄÁÆ®·Ñ À¯´ÖÀÌ ¿£ÁøÀ» ½Ãµ¿½Ãų ¼ö ÀÖ´Ù.
Á¡È۸¦ Á¡È·ÎÅ©¿¡ ¶Ç´Â ¿ø°ÝÁ¦¾î۸¦ ½½·Ô¿¡ ³¢¿î ÈÄ ´ÙÀ½°ú °°Àº °úÁ¤ÀÌ ÀÌ·ç¾îÁø´Ù:
ÄÁÆ®·Ñ À¯´Ö¿¡ µ¿ÀÏÇÑ º¯°æ Äڵ尡 ÀúÀåµÇ¾î ÀÖÀ¸¸ç, ÀÌ °ªÀº ½Ãµ¿ ÈÄ¿¡ º¯°æµÈ´Ù. º¯°æ ÄÚµå´Â ·£´ý ¼ýÀÚ ¹× ºñ¹ÐÄÚµå·ÎºÎÅÍ ¸¸µé¾îÁø´Ù.
¿£Áø Á¦¾î ½Ã½ºÅÛ°ú ÀüÀÚ½Ä ¿îÀü¹æÁöÀåÄ¡ ͏®ºê·¹À̼Ç
»õ EWS (Á¦ 4¼¼´ë)¸¦ µµÀÔÇÏ¸é¼ ¿£Áø ÄÁÆ®·Ñ À¯´Ö°ú ÀüÀÚ½Ä ¿îÀü¹æÁöÀåÄ¡ °£ÀÇ Ä¶¸®ºê·¹À̼ÇÀº ÆóÁöµÇ¾ú´Ù.
ÀÌ ½ÃÁ¡ºÎÅÍ Æ¯Á¤ ÄÁÆ®·Ñ À¯´ÖÀº ÇØ´ç ÀÚµ¿Â÷¿¡ ´ëÇØ Ưº°È÷ ÁÖ¹®ÇÑ ÄÁÆ®·Ñ À¯´ÖÀ¸·Î¸¸ ±³È¯ÇÒ ¼ö ÀÖ´Ù.
Áöħ! ÄÁÆ®·Ñ À¯´Ö °íÀå½Ã °úÁ¤.
CAS, EWS (E83¸¸) ¶Ç´Â DME/DDE¿¡ °áÇÔÀÌ ÀÖÀ¸¸é, ƯÁ¤ °úÁ¤À» ÁؼöÇØ¾ß ÇÑ´Ù.
ÇÊ¿äÇÑ ÄÁÆ®·Ñ À¯´ÖÀº ÀÚµ¿Â÷¿¡ ¸ÂÃß¾î Á¤È®ÇÏ°Ô ÁÖ¹®ÇØ¾ß ÇÑ´Ù. À̸¦ À§ÇØ ÀÚµ¿Â÷ µ¥ÀÌÅÍ (Â÷´ë¹øÈ£)°¡ ÇÊ¿äÇÏ´Ù.
EWS-͏®ºê·¹À̼ÇÀº ÄÁÆ®·Ñ À¯´Ö ±³È¯ÈÄ¿¡´Â ÇÊ¿äÄ¡ ¾Ê´Ù.
> E70
ÀüÀÚ½Ä º¯¼Ó±â Á¦¾î ±³È¯½Ã¿¡´Â ͏®ºê·¹À̼ÇÀÌ ÇÊ¿äÇÏ´Ù.͏®ºê·¹À̼ǽà CAS-ÄÁÆ®·Ñ À¯´ÖÀº °³º° Äڵ带 EGS-ÄÁÆ®·Ñ À¯´Ö¿¡ Àü¼ÛÇÑ´Ù. ÀÌ °³º° ÄÚµå´Â º¯¼Ó±â ±â´É ÀÛµ¿À» À§ÇÑ ÀÎÁõ°úÁ¤À» À§ÇØ ÇÊ¿äÇÏ´Ù.
Áß¿ä!
ºñ¹ÐÄڵ尡 ÀÖ´Â ÄÁÆ®·Ñ À¯´ÖÀ» ½ÃÇèÇϱâ À§ÇØ Àӽà ±³È¯ÇÏ´Â °ÍÀº °¡´ÉÇÏÁö ¾Ê´Ù!
¿¹ºñŰ´Â BMW ºÎǰÆÇ¸ÅºÎ¿¡¼ BMW-µô·¯¸¦ ÅëÇØ¼¸¸ ±¸ÀÔÇÒ ¼ö ÀÖ´Ù. ±×°÷¿¡¼ 6°³ÀÇ ¿¹ºñŰÁß Çϳª°¡ ÀÚµ¿Â÷¿¡ ÀûÇÕÇÏ°Ô ÇÁ·Î±×·¡¹ÖµÈ´Ù. ÀÌ Å°´Â ºÐ½ÇÇÑ Å°ÀÇ º¹»çǰÀÌ ¾Æ´Ï¶ó, »õ ŰÀÌ´Ù.
ÀåÂøµÈ EWS-ÄÁÆ®·Ñ À¯´Ö¿¡ ÀûÇÕÇÑ ÃÑ 6°³ ÀÌÇÏÀÇ ¿¹ºñ۸¦ Á¦Á¶ÇÏ¿© °ø±ÞÇÒ ¼ö ÀÖ´Ù.
»õ ۸¦ óÀ½À¸·Î Á¡È·ÎÅ©¿¡ ³¢¿ì¸é, 1 ~ 2ÃÊÀÇ ÇöÀúÇÑ ½Ãµ¿ Áö¿¬ÀÌ ¹ß»ýÇÑ´Ù. ÀÌ ´ÙÀ½ºÎÅÍ´Â ½Ãµ¿ÀÌ Áöü¾øÀÌ ÀÌ·ç¾îÁ®¾ß ÇÑ´Ù.
ºÐ½ÇµÈ Ű´Â Áø´ÜÀ» ÅëÇØ »ç¿ë±ÝÁöµÇ¾î¾ß¸¸ ÇÑ´Ù. ”Áø´Ü ÇÁ·Î±×·¥ÀÇ Æ¯Â¡”µµ ÂüÁ¶.
ÁÖÀÇ!
°¢°¢ÀÇ Å°¿¡ ÇÊ¿äÇÑ »çÇ×Àº ¹®¼ÈµÇ¾îÀֱ⠶§¹®¿¡, º¸Çèȸ»ç¿Í °üûÀ¸·ÎºÎÅÍÀÇ Á¶È¸¿¡ ÀÀÇÒ ¼ö ÀÖ´Ù.
¸ðµç ¿ø°ÝÁ¦¾îŰ ¶Ç´Â Á¡ÈŰ ºÐ½Ç½Ã »õ EWS- ¶Ç´Â CAS-ÄÁÆ®·Ñ À¯´ÖÀÌ ÇÊ¿äÇÏ´Ù.
Áø´Ü (¼ºñ½º ±â´É)À» ÅëÇØ, °¢°¢ÀÇ ¿ø°ÝÁ¦¾îŰ ¶Ç´Â Á¡È۸¦ ÀüÀÚ½ÄÀ¸·Î »ç¿ë±ÝÁö½ÃŰ°Å³ª ¶Ç´Â »ç¿ë°¡´ÉÇÏ°Ô ÇÒ ¼ö ÀÖ´Ù.
Áß¿ä!
ÀüÀÚÀû ±ÝÁö¶õ, ¿£Áø ÄÁÆ®·Ñ À¯´Ö°ú ¸¶Âù°¡Áö·Î ½ºÅ¸Å͵µ ½Ãµ¿À» À§ÇØ ÀÛµ¿µÉ ¼ö ¾øÀ½À» ÀǹÌÇÑ´Ù. ÀÌ ¶§ ÀüÀÚÀûÀ¸·Î »ç¿ë±ÝÁöµÈ Á¡È۵µ ¿¹Àüó·³ ±â°è½Ä¿¡´Â ÀûÇÕÇÔ¿¡ ¹Ýµå½Ã À¯ÀÇÇØ¾ß ÇÑ´Ù, Áï ¸ðµç ¿£ÁøÈÄµå ¹× Æ®··Å© ¸®µå, ±×¸®°í µµ¾îµéÀ» °è¼ÓÇØ¼ ¿ ¼ö ÀÖ´Ù.
¿©±â¿¡¼ EWS- ¶Ç´Â CAS-ÄÁÆ®·Ñ À¯´Ö¿¡ ÀÇÇØ °ü¸®µÇ´Â °³º° Á¡ÈŰ (¿ø°ÝÁ¦¾îŰ)°¡, ÀÌ¹Ì ÃÖ¼ÒÇÑ 1¹ø EWS- ¶Ç´Â CAS-ÄÁÆ®·Ñ À¯´Ö¿¡ ÀÇÇØ °¨ÁöµÇ¾ú´ÂÁöÀÇ ¿©ºÎ°¡ µð½ºÇ÷¹À̵ȴÙ, Áï ÀÌÀü ÀÚµ¿Â÷¿¡¼µµ, ¾ó¸¶³ª ¸¹Àº ¿ø°ÝÁ¦¾îŰ ¶Ç´Â Á¡È۰¡ ÀÌ¹Ì ÀÌ ÀÚµ¿Â÷¿¡ »ç¿ëµÇ¾ú´ÂÁö¸¦ ÀçÇöÇÒ ¼ö ÀÖ´Ù.
Àμ⠿À·ù, ³»¿ë»óÀÇ ¿À·ù ±×¸®°í ±â¼úÀû º¯°æÀº »çÀü Åë°í ¾øÀÌ º¯°æµÉ ¼ö ÀÖÀ½.