De functiebeschrijving bevat de volgende hoofdstukken:
INLEIDING
De M62-motorserie volgt de M60-motor op. De M62-motor is een verdere ontwikkeling van de in 1992 geÏntroduceerde BMW V-8-cilindermotor. Deze wordt vanaf 1/96 in een bepaalde tijdelijke volgorde in de E31-, E38- en E39-serie gemonteerd.
In hoofdlijnen is de nieuwe M62-motor gebaseerd op de M60-motor:
De M62-motor wordt met twee verschillende cilinderinhouden geleverd. Het gaat hierbij om een 3,5 l- en een 4,4 l-variant.
De motoren worden in de volgende modellen ingebouwd:
Modelserie / motor |
M62B35 |
M62B44 |
|---|---|---|
E31 |
- |
840i |
E38 |
735i |
740i |
E39 |
535i |
540i |

M62-motor |
|
De belangrijkste doelen van de verdere ontwikkeling waren het voldoen aan nieuwe wettelijke eisen, alsmede een verbetering van comfort en kwaliteit.
Hierbij stonden op de voorgrond:
Deze doelen werden in belangrijke mate door het verhogen van de cilinderinhoud, wijzigingen aan het krukasmechanisme, wijzigingen aan de nokkenasaandrijving, verdere ontwikkelingvan diverse motoraanbouwdelen alsmede door de nieuwe digitale motorelektronika DME M5.2 bereikt.
Bij de produktie van het motorblok worden om produktietechnische redenen (produktiecapaciteit bij de fabrikant van motorblokken) twee verschillende aluminiumlegeringen gebruikt.
De motorblokken voor exportlanden met een kritische brandstofkwaliteit (hoog zwavelpercentage in de brandstof) worden van Alusil (net zoals M73) geproduceerd. Het gaat hierbij om de motor voor
Het motorblok van deze motoren is, net zoals de M73-motor, uit een aluminiumlegering (Alusil) van coquillegietwerk geproduceerd. Op de cilindervoeringen is geen laagje aangebracht. De structuur van de cilindervoering worden tijdens het produktieproces door middel van een etsprocedure bereikt.
De motorblokken van de M62-motoren voor de overige markten worden geproduceerd van de van de M60-motor bekende aluminiumlegering (AlSi9Cu3). De cilindervoeringen van deze motorblokken zijn voorzien van een laagje Nikasil.
Het uiterlijke kenmerk van de beide motorblokvarianten (aluminiumlegeringen) is het onderdeelnummer. Door de beide materiaalvarianten van de motorblokken moeten ook overeenkomstig de verschillende oppervlaktebehandelingen de zuigers in twee typen worden verdeeld (zie hoofdstuk Zuigers).
Afgezien van de verschillende produktieprocessen is de constructieve opbouw van de motoren identiek.
Zoals reeds bij de M52- en M73-motor wordt nu ook bij de M62-motor de zuiger met behulp van een haaksproeier gekoeld. Deze haaksproeier is direct in de lagerstoel geschroefd. Met behulp van de haaksproeier spuit de oliestraal tijdens de gehele zuigerslag zonder onderbreking tegen de zuigerbodem.
De montage en demontage van de haaksproeier geschieden op een andere wijze dan bekend is van de M52/M73. Let dan ook op de reparatiehandleiding!

M62-motorblok met zuiger |
|
De krukas is met het oog op het vergroten van de slag, voor beide cilinderinhoudvarianten nieuw. Zij is net als die van de M60-motor voorzien van vijf hoofdlagers. De kruktappen zijn 90 o t.o.v. elkaar verplaatst. Zes contragewichten zorgen voor een rustig draaien.
Voor de beide cilinderinhoudvarianten van de M62-motor wordt als krukas een smeedstalen exemplaar gebruikt. Een centrale boring dient tot reducering van het gewicht.
Overeenkomstig de beide verschillende aluminiumlegeringen van het motorblok (afhankelijk van de exportvariant), zijn de bijbehorende zuigers en de zuigerveren voorzien van verschillende oppervlakte-behandelingen. De zuigers voor de uit Alusil geproduceerde motorblokken zijn voorzien van een ijzercoating. De zuigers hebben verschillende onderdeelnummers.
Als in geval van reparatie de zuigers moeten worden vervangen, dan moet er speciaal bij auto's met een buitenlands kenteken op worden gelet, dat de overeenkomstig het onderdeelnummer van het motorblok hierbij behorende zuigers en zuigerveren worden gemonteerd.
Onafhankelijk van de oppervlaktecoating van de zuiger is de constructieve opbouw identiek (slipperzuiger).
De zuigers zijn geconstrueerd voor gebruik van benzine RON 95. De compressieverhouding bedraagt voor de beide cilinderinhoudvarianten 10,0 : 1.
De drijfstangen zijn gelijk aan die van de M60-motor.
Voor het eerst werden bij de M60, en nu ook bij de M62, drijfstangen van sintermetaal gemonteerd. Naast het lagere gewicht (beweegbare massa) hebben deze zuigers over de totale leeftijd van de motor een grotere sterkte.
Bij de produktie van de sintergesmede drijfstang worden de drijfstang en de drijfstangkap bij het grootste drijfstangoog door breuk van elkaar gescheiden. Hierdoor vervalt bij de montage de conventionele centrering via pasbussen. De drijfstangkap wordt t.o.v. de drijfstang via de breukstructuur gecentreerd en via de geleiding van de drijfstangbouten. Een indeling (verfstip of codeletters voor de gewichtsklasse) is op basis van de hoge produktienauwkeurigheid van het sintersmeedproces niet noodzakelijk.
Bij de M62-motor worden nieuwe rekbouten voor het vastzetten van de drijfstanglagerkap gemonteerd.
In combinatie met de automatische transmissie is het vliegwiel ééndelig en van staal geproduceerd. Bij auto's met versnellingsbak wordt een hydraulisch gedempt tweemassavliegwiel (ZMS) gemonteerd.
Bij beide varianten bevindt zich de impulstandkrans voor de krukassensor, zoals bij de M73-motor, op het vliegwiel. De inductieve impulsgever is gemonteerd in het versnellingsbak-/koppelingshuis. De nieuwe montageplaats van de impulstandkrans op het vliegwiel maakt het mogelijk dat nu de DME-regeleenheid ook onderbrekingen (overslaan) registreert.

Vliegwiel met impulstandkrans |
|
Bij de tot nu toe gemonteerde motor was de impulstandkrans op de trillingsdemper via een gevulcaniseerd rubberelement radiaal gedempt gemonteerd. Hierdoor was de registratie van ongelijkmatig ronddraaien van de motor niet mogelijk geweest.
Op het vliegwiel is de impulstandkrans zonder dempingselement vast met de krukas verbonden.
Hierdoor wordt ongelijkmatig draaien van de motor, veroorzaakt bijvoorbeeld door overslaan, ongedempt doorgegeven aan de impulstandkrans. M.b.v. de inductieve impulszender kunnen nu naast het motortoerental en de referentiemerktekens ook onderbrekingen welke op basis van storingen in het ontstekings- of inspuitsysteem optreden worden geregistreerd. Deze registratie van onderbrekingen is een eis van de OBD II (US).
Een gedetailleerde beschrijving van de werking van de registratie van de onderbrekingen staat beschreven in het hoofdstuk DME.
Het oliecarter is net zoals bij de E38 M60 tweedelig uitgevoerd. Het bovendeel is uitgevoerd in aluminium gietwerk. Het onderste deel van het oliecarter is een dubbelplaatsuitvoering geproduceerd.
De olie-inhoud is identiek aan die van de M60-motor.
De olieinhoud voor de beide cilinderinhoudsvarianten van de M62-motor bedraagt:
Het verschil tussen 'MIN' en 'MAX' op de oliepeilstok bedraagt 1,5 l.
Het oliepomphuis en het oliepompdeksel van de M62-motor zijn vervaardigd van aluminium persgietwerk (M60 magnesium). De opbouw en de aandrijving van de oliepomp is identiek aan die van de M60.
In de M62 wordt net als bij de E38 M60 en in de M73-motor een thermische olieniveausensor gemonteerd.
Deze olieniveausensor levert een impulsbreedte-gemoduleerd signaal aan de check-control-moduul (E31: CCM; E38/E39: LCM).
De pulsverhoging van dit signaal is een maat voor het olieniveau in de motor. Als de in de CCM-/ LCM-regel-eenheid opgeslagen drempelwaarde niet wordt gehaald, verschijnt de check-controlmelding "Motoroliepeil controleren".
Een technische beschrijving bevindt zich in de trainingsbrochure "Instrumenten-combi-elektronica IKE / I-buscombinatie E38".
Het oliefilter is gelijk aan dat van de M62, het filterhuis is echter aan de carrosseriezijde bevestigd.
Het motorblok wordt, net zoals bij de M60, via een drukgeregeld systeem ontlucht. De opbouw van de carterontluchting komt overeen met het uit te M60 bekende systeem.
De tijdens het draaien van de motor gevormde blow-by-gassen verzamelen zich in het motorblok.
Het inlaatspruitstuk is via een in het afsluitdeksel van het spruitstuk geÏntegreerde drukregelklep verbonden met het carter. Door de daardoor ontstane onderdruk worden de blow-by-gassen vanuit het carter via een cycloonafscheider afgezogen.
Op de koele wanden van de cycloonafscheider condenseren de in de blow-by-gassen aanwezige oliedampen en de olie wordt via een retourleiding teruggeleid in het carter. De achterblijvende gasvormige bestanddelen worden via een verdeelleiding in het inlaatspruitstuk naar de mengkamer in het gasklephuis gevoerd.

Drukregelklep van inlaatspruitstuk |
|
De 4-klepscilinderkoppen van de M62 komen qua constructie in hoge mate overeen met die van de M60, maar zijn echter niet gelijk. Als uiterlijk kenmerk zijn in het gietdeel het opschrift M60, resp. M62, alsmede de betreffende cilinderinhoudvarianten (b.v. B35) aangegoten.

M62-cilinderkop |
|
Cilinderkoppakking
De cilinderkoppakking is asbestvrij. In tegenstelling tot de cilinderkoppakking van de M60 wordt het distributiedeksel niet meer afgedicht. In plaats hiervan is een nieuwe rubberpakking gemonteerd (zie distributiedeksel). Op basis hiervan werd ook de codering van de cilinderkoppakking (3,5l / 4,4l) naar achteren verplaatst.
Kleppendeksel
De kleppendeksels zijn geproduceerd van magnesium.
Beschadiging van het oppervlak van het magnesium kleppendeksel moeten worden voorkomen, daar oppervlaktebeschadigingen leiden tot kans op corrosie.
Elke cilinderkop is voorzien van twee bovenliggende nokkenassen. Ze zijn, net zoals de nokkenassen van de M60-motor, als massieve as volgens een speciaal gietproces vervaardigd.
Het platte vlak voor het blokkeren van de nokkenas werd aangepast aan de hoekstand van de bestaande M60-blokkeer-gereedschappen. Zo kunnen de M60-blokkeergereedschappen ook voor het afstellen van de M62-nokkenassen worden gebruikt.

Cilinderkop met nokkenassen en olieleidingen |
|
Nokkenascodering
De nokkenassen worden, net zoals bij de M60, gekenmerkt door ingestempelde getallen/lettercombinaties (E1-4, A1-4, E5-8, A5-5).
Bij de constructie van het kleppenmechanisme stond de reducering van de bewegende massa op de voorgrond. De massa van de hydraulische klepstoter, de klepveren en de bovenste veerschotel werden duidelijk gereduceerd. Hierdoor werden geringere wrijvingsmomenten en een reducering van de motorgeluiden bereikt.
Kleppen
De kleppen zijn qua afmeting en gewicht identiek aan die van de M60 (zelfde onderdeel als M60).
HVA-komstoters
De HVA-komstoters werden qua diameter verkleind (M60: (35 mm / M62: (33 mm). Hierdoor werd een gewichtsbesparing van 32 g tot 48 g (M60: 80 g) bereikt (zelfde onderdeel M52). Het gaat hierbij om een INA-komstoter, zelfontluchtend met gecarbonnitreerde nokglijvlakken.
Klepveren
Een verdere verkleining van de beweegbare massa werd verkregen door gebruikte maken van conische enkele klepveren.
Klepveerschotel
De bovenste veerschotel werd eveneens qua gewicht geoptimaliseerd (zelfde onderdeel als bij M44 en M52). De onderste veerschotel is gelijk aan die van de M52.
In totaal zorgden deze maatregelen voor een duidelijke gewichtsreducering van het kleppenmechanisme, zoals in onderstaande tabel duidelijk is te zien.
|
M60B40 |
M62B44 |
|---|---|---|
inlaatklep (g) |
49 |
49 |
uitlaatklep (g) |
48 |
48 |
HVA-komstoter (g) |
80 |
48 |
klepve(e)r(en) (g) |
36 |
12 |
klepveerschotel, boven (g) |
15 |
8 |
klepspieën (g) |
1 |
1 |
inlaat per klep (g) |
181 |
118 |
uitlaat per klep (g) |
180 |
117 |
Primaire aandrijving
Voor een optimalisering met betrekking tot geluid, gewicht en weerstand vindt de primaire aandrijving via een simplex-rollenketting (M60: duplex-rollenketting) vanaf de krukas op de inlaatnokkenas plaats. De primaire kettingtandwielen zijn voorzien van rubber om zo een geluidsarme aandrijving van de ketting mogelijk te maken.
Nokkenasimpulstandkrans
Op het kettingtandwiel van de inlaatnokkenas voor cilinder 1-4 is een impulstandkrans met 4 impulsmarkeringen voor de herkenning van de 1e cilinder (DME) aangebracht. Als nokkenassensor dient in tegenstelling tot de M60 (inductiegever) bij de M62-motor een hall-impulsgever.
Door de nieuwe vormgeving van de nokkenasimpulstandkrans moest ook de plaats van de impulstandkrans bij de montage van de nokkenasaandrijving opnieuw worden vastgelegd. De nokkenasimpulstandkrans is voorzien van een markering (groef). Bij de montage moet erop worden gelet, dat deze markering in de asrichting van de cilinder naar boven is gericht. Zie hiervoor ook de reparatiehandleiding.

M62-nokkenasimpulstandkrans |
|
Omkeerrail voor primaire ketting
Het omkeertandwiel in de V-kamer wordt in de M62 door een omkeerrail van aluminium met een hierop geclipte kunststof geleider vervangen. De kettingspanning wordt geregeld via een hydraulische kettingspanner met drukbegrenzing.

M62-motor met omkeerrail voor primaire aandrijving |
|
Let door de montage van een omkeerrail (in plaats van omkeertandwiel) bij de montage van de primaire aandrijving op de gewijzigde aanhaalmomenten bij het vastzetten van de spanrail (zie ook reparatiehandleiding).
Secundaire aandrijving
De secundaire aandrijving wordt eveneens verzorgd door een simplex-rollenketting. Deze loopt van de inlaatnokkenas naar de uitlaatnokkenas.
Op elke cilinderkop is een hydraulische kettingspanner geÏntegreerd

M62-cilinderkop met simplex-rollenketting |
|
Het distributiedeksel is zoals bij de M60 vastgeschroefd op de cilinderkoppen en het centrale motorblok.
Nieuw is de afdichting:
De afdichting van de beide bovenste distributiedeksels met de cilinderkop en t.o.v. het onderste distributiedeksel wordt verzorgd door een rubberpakking. Door de vorm van de rubberpakking wordt een betere compensatie van de tolerantie en een akoestische ontkoppeling tussen het onderste en bovenste distributiedeksel verkregen.
Door de gewijzigde pakking moet ook de nieuwe procedure bij de montage van het bovenste distributiedeksel in acht worden genomen, om een optimale afdichting te verkrijgen. Zie montageaanwijzingen in de reparatiehandleiding!
De afdichting van het onderste distributiedeksel met het carter wordt verzorgd door een vlakke pakking.
Het gaskleppenhuis van de M62 kreeg een nieuwe vorm. Vlakbij de uitmonding van de stationaire-luchtregeling (ZWD 2) werd een mengkamer gerealiseerd.
Deze mengkamer wordt door een tussen het inlaatspruitstuk en gasklep gemonteerde plaat met exact bepaalde doorsnedeboringen gevormd.
In deze zo gevormde mengkamer stroomt de lucht van de regelklep voor het stationair toerental, de spoellucht van het actief-koolstoffilter en via de verdeelleiding de blow-by-gassen, welke via de drukregelklep voor de carterontluchting naar het gaskleppenhuis worden geleid. Hier mengen de blow-by-gassen en de spoellucht van het actief-koolstoffilter zich met de aangezogen verse lucht. Hierdoor wordt een gelijkmatige belasting van alle cilinders met de blow-by-gassen en zodoende een gelijkmatig stationair toerental veilig gesteld.
Het inlaatspruitstuk van de M62 bestaat uit één deel en werd geproduceerd uit kunststof. Zij komt overeen met die van de M60B40.
De drukregelklep voor de carterontluchting is direct gemonteerd op het inlaatspruitstuk. Vanaf de drukregelklep loopt via het inlaatspruitstuk een verdeelleiding naar de mengkamer in de gasklep, waardoor de ontstane blow-by-gassen gelijkmatig over alle cilinders worden verdeeld.
Een aansluiting voor de Master-Vac van de rembekrachtiger bevindt zich in het deksel van het inlaatspruitstuksysteem.
Net zoals de meeste BMW-motoren is ook de M62 voorzien van een verdelerloze ontsteking.
Bobines
Op de M62-motor worden nieuwe bobines gemonteerd. De bobines zijn qua constructie gelijk aan die van de M52-motor. Deze zijn door de, in vergelijking met de vorige bobines, gewijzigde mechanische opbouw kleiner en lichter geworden.

Vergelijk bobines M60 - M62 |
|
Voor alle auto's met M62-motor wordt een compactdynamo (140A) met koellucht gemonteerd.
Voor E31-auto's (met twee accu's in de kofferruimte!) met een hoger energieverbruik en de daarmee verbonden hogere ruststroom (bepaald door accessoires zoals autotelefoon of interieurvoorverwarming) wordt zoals voorheen een watergekoelde 220A-dynamo gemonteerd.
In combinatie met de optie Airconditioning wordt bij de E39 een extra ventilator met 3 snelheden gemonteerd.
Bij de E31- en E38-modellen is deze extra ventilator standaard, daar de airconditioning bij deze auto's tot de basisuitrusting behoort.
Voor de optimalisering van het geluid werd de oude tweetrapsschakeling met een 3e trap uitgebreid. De inschakelcriteria van de afzonderlijke trappen werden nieuw vastgelegd.
Inschakelcriteria
Inschakelen |
1e trap |
-compressor-koppeling geactiveerd en buitentemperatuur > 10 o C. -koelvloeistoftemperatuur > 91 o C. |
Inschakelen |
2e trap |
-middendrukschakelaar pressostaat gesloten > 21 bar |
Inschakelen |
3e trap |
-koelvloeistoftemperatuur > 104 o C. (Inschakelen via dubbele temperatuurschakelaar) |
Uitschakelen |
4e trap |
-compressor-koppeling inactief - buitentemperatuur < 8 o C. -koelvloeistoftemperatuur < 91 o C |
Als startmotor wordt, net zoals bij de M60, voor alle varianten een 12 V-startmotor van de fa. Bosch met een vermogen van 1,7 kW gemonteerd.
Nieuw bij de E38- en E-39-serie zijn de kabels en de kabelmontage naar het acculaadaansluitpunt. De B+-kabel loopt direct onder de motor door naar de dynamo en naar het accuaftakpunt.
Het accuaftakpunt bevindt zich op het distributiedeksel van de cilinderrij 5 - 8.
Bij de E31 is het accuaftakpunt net zoals voorheen aan de voorzijde op de veerpoottoren, rechts geplaatst.
Het uitlaatsysteem is vanaf het uitlaatspruitstuk tot aan de achterste uitlaatpijp geheel vervaardigd van niet-roestend edelstaal en bestaat vanaf de flens van het uitlaatspruitstuk uit één stuk.
Uitlaatspruitstuk
Net zoals bij de M60 worden ook bij de M62 luchtkanaal-geÏsoleerde plaatstalen uitlaatspruitstukken gemonteerd.
Katalysator
De voorste uitlaatpijpen zijn eveneens dubbele uitlaatpijpen met luchtisolatie.
De katalysator is dubbel uitgevoerd met steeds 2 trimetaalgelaagde (platina, palladium, rhodium) keramiek-monolithen per uitlaatzijde. Om een zo gering mogelijke uitlaatgastegendruk te verkrijgen, hebben de monolithen dezelfde doorsnede als die van de M73.
De principiële opbouw van het koelvloeistofcircuit komt overeen met dat van de M60-motor.
Waterpomp
De opbouw van de waterpomp is identiek aan die van de M60-motor. Het huis bestaat uit een aluminium persgietwerk, dat op het distributiekastdeksel is geschroefd. Anders dan bij de M60 is in het waterpomphuis de dubbele temperatuursensor voor de koelvloeistof gemonteerd. Deze dubbele temperatuursensor bevindt zich op de plaats waar de koelvloeistof uit de motor wordt afgetapt.

Detailaanzicht waterpomp met dubbele temperatuursensor |
|
Radiateur
De motorkoeler van de M62 is qua opbouw identiek aan die van de M60-motor.
Voor exportvarianten is bovendien het gebruik van een motoroliekoeler gepland.
De thermostaat is geÏntegreerd in het waterpomphuis.
In de E31 met M62-motor wordt, net zoals bij de M60, een conventionele thermostaat met een geÏntegreerde ontluchtingsklep gemonteerd. Deze opent bij 85 o C.
Bij de E38 en E 39 met M62-motor wordt een nieuwe thermostaat, welke aangestuurd wordt via een referentieveld, gemonteerd.
Werking van een conventionele thermostaat
De regeling van de motoroliekoeling door een conventionele thermostaat wordt uitsluitend door de koelvloeistoftemperatuur bepaald. Deze regeling kan in drie gebieden worden onderverdeeld:
In dit gebied (thermostaatregelgebied) kan alleen met behulp van een referentieveldthermostaat de koelvloeistoftemperatuur doelbewust worden beÏnvloed.
Hierdoor is het ook mogelijk in het deellastgebied van de motor een hogere koelvloeistoftemperatuur in te stellen. Met de hogere bedrijfstemperaturen in het deellastgebied wordt een betere verbranding en daardoor een geringer verbruik en uitstoot van schadelijke stoffen verkregen.
In het vollastgebied zullen hogere bedrijfstemperaturen nadelen met zich meebrengen (verkleining van de voorontsteking door kloppen). Hierdoor worden in het vollastgebied met behulp van de referentieveldthermostaat doelbewust lagere koelvloeistoftemperaturen ingesteld.

|
Regelkarakteristiek met referentieveldkoeling |
|---|---|
1 |
Karakteristiek van een 110 o C thermostaat |
2 |
Karakteristiek van een referentieveldthermostaat |
3 |
Karakteristik van een 85 o C thermostaat |
4 |
Deellastgebied |
5 |
Vollastgebied |
6 |
Deellastgebied |
Hiermee is BMW wereldwijd de eerste automobielfabrikant die voor de gerichte regeling van de koelvloeistoftemperatuur een referentieveldgestuurde thermostaat in een produktieseriemotor inzet. M.b.v. deze thermostaat is een bewuste verhoging van de koelvloeistoftemperatuur in het deellastgebied mogelijk. Door de verhoging van de koelvloeistoftemperatuur wordt onder deze bedrijfsomstandigheden van de motor een reducering van het brandstofverbruik verkregen. De regeling van deze referentieveldthermostaat wordt verzorgd door de DME M5.2 in relatie tot een referentieveld.
Het referentieveld wordt bepaald door de factoren:
Opbouw van de referentieveldthermostaat
De referentieveldthermostaat is een integraalthermostaat, d.w.z. thermostaat en thermostaathuis vormen een eenheid.
De principiële mechanische opbouw van de referentieveldthermostaat komt overeen met die van een conventionele thermostaat. Als extra is echter in het waselement een verwarmingselement geÏntegreerd.

Doorsnede van de referentieveldthermostaat |
|
Het thermostaathuis van de referentieveldthermostaat is vervaardigd van aluminium persgietwerk. In het thermostaatdeksel is ook de elektrische aansluiting voor het op het waselement van de referentieveldthermostaat bevestigde verwarmingselement geÏntegreerd.

Referentiethermostaat met el. aansluiting voor verwarmingselement |
|
Werking van de referentieveldthermostaat
De referentiethermostaat is zo geconstrueerd dat deze zonder ingreep van de geÏntegreerde verwarming bij een temperatuur van de koelvloeistof gemeten bij de thermostaat van 103 o C opent (motorinlaat). Door het verwarmen van de koelvloeistof in de motor worden bij de motoruitlaat (montageplaats van de koelvloeistoftemperatuursensor voor de DME en de combimeter) bij dit bedrijfspunt ca. 110 o C gemeten. Dit is de bedrijfstemperatuur van de motor, waarbij de referentieveldthermostaat zonder regelingreep begint te openen.
Ingeval van een regeling door de DME-regeleenheid wordt het in de thermostaat geÏntegreerde verwarmingselement met spanning voorzien (12 volt). Door de verwarming van het waselement opent de thermostaat nu al bij lagere koelvloeistoftemperaturen dan deze zou doen zonder de extra verwarming (thermostaatregelgebied: ca. 80 o C - 103 o C).

1 |
Openingsslag van de thermostaat |
2 |
koelvloeistoftemperatuur |
3 |
Aansturing van het verwarmingselement met 12 volt |
4 |
Aansturing van het verwarmingselement met 0 volt |
Als de koelvloeistoftemperatuur tot boven de 113 o C bij de motoruitlaat oploopt, dan wordt onafhankelijk van de overige parameters de verwarming van de referentieveldthermostaat door de DME geactiveerd.
Diagnose
De aansluiting van de bedrading en de werking van de referentieveldthermostaat worden door de diagnose in de DME-regeleenheid gecontroleerd. Optredende storingen worden in de storingsgeheugens van de DME-regeleenheid opgeslagen.
Koelvloeistoftemperatuurmeter
De meterkarakteristiek van de koelvloeistoftemperatuurmeter op het combi-instrument werd door het, door de referentieveldthermostaat veroorzaakte, hogere temperatuurniveau van de motor aangepast.
De wijzer van de temperatuurmeter bevindt zich bij koelvloeistoftemperaturen van
75 o C - 113 o C
in de middenstand.
De digitale motorelektronica DME M5.2 van de fa. Bosch, welke reeds bij de M73 werd toegepast, wordt nu ook bij de M62-motor gebruikt. Zij vervangt de DME M3.3 van de M60-motor
Deze nieuwe versie van de DME werd ontwikkeld om aan de in het begin genoemde doelen en o.a. ook de nieuwe Amerikaanse voorschriften, (b.v. OBD II) te kunnen voldoen. Speciaal de Californische normen stellen zeer hoge eisen m.b.t. de uitlaatgasemissiewaarden.
Deze CARB-functies (Californian Air Ressource Board) zijn in de DME M5.2 gerealiseerd.
Deze voor de Amerikaanse markt bedoelde auto's zijn met een voor alle autofabrikanten genormaliseerde on-board diagnose (OBD)-interface voorzien. D.m.v. deze interface is het mogelijk dat de Rijksdienst voor het wegverkeer op elk moment via de diagnosekabel OBD-relevante informatie uit het DME-storingsgeheugen kan opvragen. De toegang tot deze begrensde omvang van de inhoud van het storingsgeheugen wordt via een interne codering in de DME-regeleenheid vrijgegeven.
De wezenlijke kenmerken van de DME M5.2 zijn:
Ter controle van de handhaving van de uitlaatgasgrenswaarden eisen de Californische, en de USA wettelijke voorschriften een controle van alle uitlaatgasrelevante componenten tijdens het draaien van de motor. Hiervoor wordt een krachtig zelfdiagnosesysteem noodzakelijk welke o.a. de registratie van het overslaan van de motor registreert. Als een uitlaatgasrelevante storing optreedt, dan wordt bij US-auto's door de DME de "check-engine"-controlelamp op het instrumentenpaneel aangestuurd. Deze wijst de bestuurder erop dat in het motormanagement een storing is opgetreden die de samenstelling van de uitlaatgassen beÏnvloedt en dan ook direct door een vakkundige werkplaats moet worden opgeheven.
De wezenlijke OBDII-diagnosefuncties zijn:
en ander bestanddeel van de OBD II is een voor alle fabrikanten genormeerde interface, via welke de beambten van de Rijksdienst voor het Wegverkeer in de US in staat zijn de in het regelapparaat opgeslagen uitlaatgasrelevante storingen m.b.v. van een 'scan-tool' uit te lezen. De toegang tot de gegevens in het storingsgeheugen is voor deze beambten tot de uitlaatgasrelevante storingen beperkt.
Met uitzondering van de functies
zijn alle OBD II-relevante controlefuncties ook in de DME 5.2-regeleenheden gerealiseerd die niet voor de US-markt zijn bestemd. De genormeerde OBD II-interface welke de toegang voor beambten in het storingsgeheugen mogelijk maakt is tot nu toe alleen nog in de voor de US bestemde uitvoeringen gemonteerd.
M.b.v. de inductieve impulsgever wordt op de impulstandkrans de draaisnelheid (toerental) van de motor gemeten. Naast de registratie van het toerental vindt bij de M62 (analoog M73) de herkenning van het overslaan plaats.
Voor het registreren van het overslaan wordt nu de impulstandkrans overeenkomstig de interne regeleenheidgegevens de ontstekingsafstand (bij de 8-cilindermotor 4 ontstekingen per krukas omwenteling in vier segmenten verdeeld.
In de regeleenheid wordt de periodeduur (T) van de afzonderlijke impulstandkrans-segmenten gemeten. Als de verbrandingsprocedure in alle cilinders in orde is, dan is de periodeduur van alle impulstandkranssegmenten even lang (T1 = T2 = T3 = T4).
Als er bij slechts één cilinder een storing optreedt (overslaan), dan wordt de bij deze cilinder behorende periodeduur met breukdelen van milliseconden (zie afbeelding: T3> T1, T2, T4) verlengd. Deze segmenttijden worden in de regeleenheid statistisch geëvalueerd.

|
Principebeeld van de registratie van het overslaan van de motor |
|---|---|
1 |
Motor draait goed |
2 |
Overslaan in segment T3 |
Voor elk referentieveldpunt zijn maximaal toelaatbare waarden m.b.t. het niet rondlopen van de motor, d.w.z. de afwijking van de periodeduur van een segment als functie van het toerental, belasting en motortoerental vastgelegd.
Bij het overschrijden van deze toelaatbare waarden worden de als storing geregistreerde cilinders in het storingsgeheugen opgeslagen. Bij US-auto's wordt in dit geval de "check-engine"-lamp geactiveerd.
Bovendien wordt de inspuiting van de betreffende cilinder ter bescherming van de katalysator tegen oververhitting uitgeschakeld.
Adaptatie
Toleranties welke veroorzaakt zijn door de produktie van de impulstandkrans kunnen tot storingen bij het registreren van de het overslaan van de motor leiden. Om deze redenen voert de DME zelfstandig een adaptie uit.
De met de produktie samenhangende toleranties van de impulstandkrans worden tijdens de afremfase op de motor zonder ontsteking en inspuiting geadapteerd zodat de motor in deze fasen geen onregelmatig toerental t.o.v. het toerental door het verbrandingsproces produceert.
Aanwijzingen m.b.t. de service:
Na een vervanging van het vliegwiel, de impulstandkrans of de DME-regeleenheid moet in het kader van een aansluitend hierop doorgevoerde proefrit worden gelet dat er ca. 10 seconden op de motor wordt afgeremd, om de DME-regeleenheid de tijd te geven de adaptie van het vliegwiel mogelijk te maken.
Via de CAN-busverbinding vindt digitale data-overdracht tussen de volgende regeleenheden plaats:
Voor de beide cilinderinhoudvarianten worden kegelstraalventielen (zoals M60) van de fa. Bosch en Lucas gemonteerd.
Net als bij de M60 wordt ook bij de M62 een hetefilmluchtmassameter gemonteerd.
De regeling voor het stationair toerental wordt bij de M62-motor net als bij de M60 verzorgt door een tweewikkelings-stelmotor (ZWD 5). De door de ZWD 5 tijdens het stationair toerental aangezogen lucht mondt uit in de mengkamer van het gasklephuis.
Voor elke van de beide katalysatoren is een lambdasonde geplaatst. De voor de US-markt bedoelde M62-modellen worden, om aan de OBD II-bepalingen te voldoen, bovendien nog voorzien van een tweede lambdasonde (monitorsonde) na elke katalysator. De lambdasondes zijn qua constructie gelijk met die van de M73-motor (typebenaming: Bosch LSH 25).
Ook de M62-motor beschikt over een klopregeling. De klopregeling voorkomt het kloppen van de motor. Deze regeling stelt bij een optredende kans op kloppen het ontstekingstijdstip van de betreffende, resp. betroffen cilinder zo ver als nodig terug in de richting laat.
De 4 klopsensoren zijn in de koelvloeistofmantel van het motorblok tussen de beide cilinderrijen bevestigd. Ze zijn zo geplaatst dat door één sensor de beide naast elkaar liggende cilinders worden gecontroleerd. De opbouw en de werking van de klopsensoren zijn identiek aan die van de M60-motor.
In de M62 wordt een dubbele temperatuursensor gemonteerd (zoals M52). Deze dient voor de registratie van de koelvloeistoftemperatuur, alsmede voor het motormanagementsysteem als ook voor de temperatuurmeter in het combi-instrument. Hiervoor zijn in de voeler twee galvanisch ten opzichte van elkaar gescheiden NTC-pillen met onderling verschillende weerstandskarakteristieken geplaatst.
De dubbele temperatuursensor is aan de voorzijde van de motor in het waterpomphuis gemonteerd
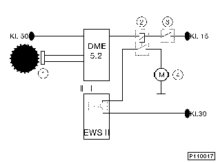
De functie Automatische start dient ter verbetering van het comfort voor de bestuurder tijdens het starten. Voor het starten van de motor moet de contactsleutel slechts even in de stand 'Start' (kl.50) worden gedraaid. Na de ontvangst van het kl. 50-signaal in de DME-regeleenheid wordt de startmotor zo lang geactiveerd tot de motor draait. Alle E38-auto's met M73-motor zijn al voorzien van deze functie.
Nu worden ook alle E38- en E39-modellen met M62-motor in combinatie met de optie Automatische transmissie uitgerust met de functie Automatische start.
Functie
Met de functie Automatische start wordt het startmotorrelais niet meer direct via kl. 50 geactiveerd. De kl. 50 dient nu min of meer als ingangssignaal in de DME 5.2.
Met de ontvangst van het startsignaal (kl. 50) in de DME 5.2-regeleenheid en het gelijktijdig herkennen van de juiste wisselcode van de EWS-regeleenheid, stuurt de DME via de uitgang 'Automatische start' het startmotorrelais aan. Voorwaarde hiervoor is dat de keuzehendel in stand 'P' of 'N' staat.
De startmotor wordt nu zo lang via het startmotorrelais geactiveerd tot via de krukassensor 'Motor draait' wordt geregistreerd.
'Motor draait' wordt herkend als het motortoerental
tijdens het starten kortstondig wordt overschreden.
Met de registratie van het 'Motor draait'-signaal wordt het startmotorrelais door de DME-regeleenheid uitgeschakeld. Als de motor niet aanslaat, wordt de automatische startprocedure door een door de DME uitgegeven massasignaal na 20 sec. onderbroken.

|
Functieschema 'Automatische start' |
|---|---|
1 |
Krukassensor |
2 |
Startmotorrelais |
3 |
Schakelaar automatische transmissie (L2) |
Alle auto's met M62-motor worden standaard voorzien van ASC+T. Voor de realisering van de ASC-functies is de M62-motor ook voorzien van een gasklep (zoals M60) welke via een bowdenkabel door de ADS II-servomotor, zodra dat nodig, wordt versteld.
De aansturing van de ADS II-servomotor wordt verzorgd door de ABS/ASC-regeleenheid. De overige ASC-beÏnvloedingen zoals verstelling van de voorontsteking, alsmede het uitschakelen van de ontsteking en de inspuiting worden verzorgd door de DME-regeleenheid.
Voor de realisering van de motorkoppelregeling (MSR) wordt ook bij de M62-motor gebruik gemaakt van de regelklep stationair toerental (ZWD 5). De regelklep voor stationair toerental wordt bewust geopend, zodra de motorkoppelingregeling (MSR) wordt geactiveerd. Hiervoor ontvangt hij een in de pulsbreedte gemoduleerd signaal van de DME.
De overdracht van de voor de aansturing van de ASC-functies in de DME-regeleenheid benodigde informatie wordt via een CAN-bus verzorgd.