De elektronische wegrijblokkering (EWS) is voor de diefstalbeveiliging en startvrijgave.
Het EWS van de 4e generatie is een doorontwikkeling van de huidige EWS. Deze doorontwikkeling maakt gebruik van een nieuw en modern versleutelingsproces.
Iedere wagen wordt uitgerust met een 128 Bit lange geheime sleutel. Deze geheime sleutel wordt in een BMW databank opgeslagen. Op deze wijze is de geheime sleutel alleen bij BMW bekend.
De geheime sleutel wordt in de volgende regeleenheden geprogrammeerd en vergrendeld:
Wanneer de geheime sleutel in de regeleenheden vergrendeld zit, kan hij niet meer worden gewist of veranderd. Op deze manier behoort iedere regeleenheid bij een bepaalde wagen. De regeleenheden identificeren elkaar met de geheime sleutel en hetzelfde algoritme.
Bij de EWS van de 4e. generatie vervalt de directe draad (EWS-gegevensdraad) tussen DME/DDE en CAS (niet E83).
Voor de gegevensoverdracht van het EWS-signaal worden de CAN-gegevensdraad (PT-CAN en K-CAN) en de K-Bus (ook CAS-Bus genoemd) gebruikt. De K-Bus wordt ingezet, als een EWS-signaal op een CAN-gegevensdraad niet kan worden verzonden.
> E83: Gegevensoverdracht tussen EWS-regeleenheid en DME/DDE zoals tot dusver via de directe EWS-gegevensdraad.
Toepassing van de EWS (4e generatie):
Ontwikkeling modellenserie |
Motoren |
Motorregeleenheid |
|---|---|---|
Vermogenseindtrappen: |
||
E60, E61, E63, E64 |
N52B25U1, N52B25O1, N52B30M1, N52B30O1 |
MSV80 |
N53B25U0, N53B30U0, N53B30O0, N54B30O0 |
MSD80 |
|
N43B20O0 |
MSD80.2 |
|
N46B20O2 |
MEV17.2.1 |
|
N47D20O0 |
DDE70 |
|
E81, E82, E87, E88, E90, E90 M3, E91, E92, E92 M3, E93, E93 M3 |
N43B16, N43B20U0, N43B20O0 |
MSD80.2 |
N45B16O2, N46B20U2, N46B20O2 |
MEV17.2.1 |
|
N51B30M0, N52B25U1, N52B25O1, N52B30U0, N52B30M1, N52B30O1 |
MSV80 |
|
N47D20U0, N47D20O0 |
DDE70 |
|
N53B30U0, N53B30O0, N54B30O0 |
MSD80 |
|
S65 |
MSS60 |
|
E83 |
N52B25O1, N52B30U1, N52B30O1 |
MSV80 |
N46B20O2 |
MEV17.2.1 |
|
N47D20O0 |
DDE70 |
|
E70 |
N52B30O1 |
MSV80 |
R55, R56 |
N12 |
MEV17.2 |
N14 |
MED17.2 |
|
De volgende onderdelen van de EWS worden beschreven:
In elke afstandsbediening is een transponderchip geïntegreerd, die zowel kan zenden als kan ontvangen. De gegevensoverdracht verloopt zoals bij een transformator tussen de ringantenne in de insteekopening resp. contactslot (alleen E83) en de transponderchip. De afstandsbediening stuurt gegevens naar de EWS- resp. CAS-regeleenheid en ontvangt gegevens hiervan.
In de transponderchip is ook de bevoegdheid van de afstandsbediening voor de betreffende auto gecodeerd.
Het EWS- resp. CAS-regeleenheid kan maximaal 10 bij de regeleenheid passende beheren, d.w.z. er kunnen maximaal 6 vervangende afstandsbedieningen worden gebruikt.
De EWS- resp. CAS-regeleenheid kan de afzonderlijke afstandsbedieningen identificeren. Hierdoor is het mogelijk afzonderlijke afstandsbedieningen te blokkeren of vrijgeven. Als tijdens de communicatie tussen EWS- resp. CAS-regeleenheid en de afzonderlijke afstandsbedieningen storingen optreden, dan worden deze in het storingsgeheugen - voor elke afzonderlijke afstandsbediening gescheiden - opgeslagen.
In de insteekopening voor de afstandsbediening resp. rond het contactslot (alleen E83) bevindt zich een ringantenne (spoel) voor het controleren van de transponderchip. Via de ringantenne communiceren de transponderchip en EWS- resp. CAS-regeleenheid.
Bij auto's met een elektrische stuurkolomvergrendeling, wordt deze, na autorisatie door de CAS, elektrisch bekrachtigd. Pas nu kan een ontgrendeling of vergrendeling plaatsvinden. De motor kan alleen worden gestart wanneer de elektrische vergrendeling van de stuurinrichting is ontgrendeld en gewaarborgd.
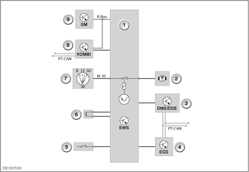
> E83
Via de EWS-gegevensdraad autoriseren de EWS-regeleenheid en de DME/DDE elkaar.
Bij auto's met automatische transmissie verloopt een starttoestemming door de EWS- resp. CAS-regeleenheid alleen, als de keuzehendel zich in positie ”P” of ”N” bevindt.
De volgende regeleenheden maken deel uit van de elektronische wegrijblokkering (EWS):
> niet E83
De CAS-regeleenheid is de master-regeleenheid voor de EWS. De EWS is in de CAS geïntegreerd.
In de CAS-regeleenheid is de geheime sleutel tegen manipulatie beveiligd opgeslagen.
De CAS-regeleenheid is een busdeelnemer aan de K-CAN (carrosserie-CAN) en aan de K-bus (Carrosserie-bus).
De CAS-regeleenheid is de interface naar de insteekopening voor de afstandsbediening.

Index |
Verklaring |
Index |
Verklaring |
|---|---|---|---|
1 |
Comfort Access System (CAS) |
2 |
Junction Box eletronica (JBE) resp. Carrosserie-gatewaymoduul (KGM) |
3 |
Digitale Motor Elektronica (DME) resp. Digitale Diesel Elektronica (DDE) |
4 |
Elektronische transmissieregeling (EGS) |
5 |
Comforttoegang (CA: Comfort Access) |
6 |
Ontvanger afstandsbediening |
7 |
Elektrisch stuurslot |
8 |
START-STOP-toets |
9 |
Insteekopening met afstandsbediening |
10 |
Startmotor |
Kl. 30L |
Klem 30L |
Kl. 50L |
Klem 50L |
K-bus |
Carrosserie-bus (ook CAS-bus genoemd) |
K-CAN |
Carrosserie-CAN |
PT-CAN |
Powertrain-CAN |
|
|
> alleen E83
De EWS-regeleenheid is een busdeelnemer aan de K-bus (Carrosserie-bus).
De EWS-regeleenheid is de interface naar het contactslot..

Index |
Verklaring |
Index |
Verklaring |
|---|---|---|---|
1 |
Elektronische wegrijblokkering (EWS) |
2 |
Startmotor |
3 |
Digitale Motor Elektronica (DME) resp. Digitale Diesel Elektronica (DDE) |
4 |
Elektronische transmissieregeling (EGS) |
5 |
Koppelingschakelaar bij handgeschakelde versnellingsbak (afhankelijk van de exportuitvoering) |
6 |
Ringantenne (spoel) |
7 |
Contactslot |
8 |
Instrumentenpaneel (KOMBI) |
9 |
Basismoduul (GM) |
|
|
K-bus |
Carrosserie-bus |
Kl. 50 |
Klem 50 |
PT-CAN |
Powertrain-CAN |
|
|
De DME/DDE-regeleenheid geeft de start alleen vrij, wanneer een correct vrijgavesignaal van de EWS- resp. CAS-regeleenheid is ontvangen. In de DME/DDE is de geheime sleutel tegen manipulatie beveiligd opgeslagen.
> E70, E81, E82, E87, E88, E90, E91, E92, E93, R55, R56
De JBE is de interface tussen PT-CAN (Powertrain-CAN) en K-CAN (Carrosserie-CAN).
> E60, E61, E63, E64
De KGM is de interface tussen de PT-CAN (Powertrain-CAN) en de K-CAN (Carrosserie-CAN).
> E83
Het instrumentenpaneel KGM is de interface tussen de PT-CAN (Powertrain-CAN) en K-bus (Carrosserie-bus).
> alleen E70
De elektronische transmissieregeling (EGS) is als aanvullende wegrijblokkering in de EWS van 4e generatie opgenomen. De EGS-regeleenheid is busdeelnemer aan de K-bus.
Een vrijgave van de transmissiefunctie volgt alleen als CAS-regeleenheid en EGS-regeleenheid elkaar autoriseren.
Bij de SU 322 ”comforttoegang” (CA: Comfort Access) is in plaats van de gebruikelijke afstandsbediening een identificatiesensor noodzakelijk. De identificatiegever vervult ook de normale functies van de afstandsbediening.
De regeleenheid voor de comforttoegang (CA-regeleenheid) stuurt de interieurantenne en de buitenantenne aan. Hiermee worden eventuele identificatiesensoren afgevraagd. Tegelijkertijd wordt de FBD-ontvanger voor antwoordende identificatiesensoren geactiveerd (FBD: afstandsbediening)
De CAS-regeleenheid is de Master-regeleenheid voor alle functies van de SU ”comforttoegang”.
De volgende systeemfuncties zijn voor de EWS beschreven:
Bij het ontgrendelen wordt een autorisatieprocedure doorlopen tussen het Car Access System (CAS) en de elektrische vergrendeling van de stuurkolom. De elektrische vergrendeling van de stuurkolom mag het ontgrendelen slechts na een positief resultaat van de autorisatieprocedure starten. Om veiligheidsredenen wordt de elektrische vergrendeling van de stuurkolom tijdens het rijden niet van spanning voorzien. De elektrische vergrendeling van de stuurkolom wordt alleen voor de ontgrendelingsprocedure of de vergrendelingsprocedure van spanning voorzien.
Wanneer de identificatiegegevens correct zijn, stuurt de CAS-regeleenheid via een in de regeleenheid aanwezig relais de startmotor aan. Tegelijkertijd stuurt de CAS-regeleenheid de DME-regeleenheid een gecodeerd vrijgavesignaal voor het starten van de motor. De DME-regeleenheid geeft de start allen vrij, wanneer een correct vrijgavesignaal van de CAS-regeleenheid is ontvangen.
Na het aanbrengen van de contactsleutel in het contactslot resp. van de afstandsbediening in de insteekopening vindt de volgende procedure plaats:
In de regeleenheden zijn identieke wisselcodes opgeslagen, waarvan de waarde telkens na het starten van de motor wijzigt. De wisselcodes worden samengesteld uit een toevalsgetal en de geheime sleutel.
Compensatie motorregeling met elektronische wegrijblokkering
Met de introductie van de nieuwe generatie EWS (4e generatie) vervalt de compensatie tussen motorregeleenheid en elektronische wegrijblokkering.
Vanaf dit moment kunnen bepaalde regeleenheden alleen nog met specifiek voor de betreffende auto bestelde regeleenheden worden vervangen.
Opmerking! Werkwijze bij defecte regeleenheid!
Wanneer de CAS, de EWS (alleen E83) of de DME/DDE regeleenheid defect is, moet een bepaalde werkwijze worden aangehouden.
De benodigde regeleenheid moet precies bij de auto worden besteld. Hiertoe zijn de wagengegevens (chassisnummer) nodig.
Een EWS-compensatie na het vervangen van regeleenheden niet nodig.
> E70
Bij het vervangen van de elektronische transmissieregeling is een compensatie noodzakelijk. Bij de compensatie geeft de CAS-regeleenheid een individuele code door aan de EGS-regeleenheid. Deze individuele code is nodig voor de autorisatieprocedure voor de vrijgave van de transmissiefunctie.
Belangrijk!
Het bij wijze van proef vervangen van de regeleenheden met geheime sleutel is niet mogelijk!
Reservesleutels kunnen alleen via een BMW-dealer door een BMW onderdelendistributeur worden verkregen. Daar wordt een van de 6 reservesleutels passend bij de auto geprogrammeerd. Deze sleutel is geen kopie van de verloren geraakte sleutel, maar een nieuwe sleutel.
Bij de gemonteerde EWS-regeleenheid kunnen in totaal niet meer dan 6 passende reservesleutels geproduceerd en geleverd worden.
Wanneer een sleutel voor de allereerste keer in het contactslot wordt gestoken, doet zich een merkbare vertraging van de start voor van 1 tot 2 seconden. Vanaf dan moet het starten zonder vertraging verlopen.
Verloren sleutels moeten via de diagnose worden geblokkeerd. Zie ook ”Bijzonderheden van het diagnoseprogramma”.
Voorzichtig!
Elke aanvraag voor een sleutel wordt gedocumenteerd, zodat aanvragen van verzekeringen en officiële instanties kunnen worden nagegaan.
Bij verlies van alle afstandsbedieningen resp. contactsleutels is een nieuwe EWS- resp. CAS-regeleenheid nodig.
Het is mogelijk, via de diagnose (servicefuncties) de afzonderlijke afstandsbedieningen resp. contactsleutels elektronisch te blokkeren of vrij te geven.
Belangrijk!
Elektronisch geblokkeerd betekent dat zowel de startmotor als ook de motorregeleenheid niet voor de start worden vrijgegeven. Hierbij moet er vooral op worden gelet, dat ook een elektronisch geblokkeerde contactsleutel mechanisch nog steeds past, d.w.z. alle kleppen en portieren nog steeds geopend kunnen worden.
Hier wordt voor elke afzonderlijke door de EWS- resp. de CAS-regeleenheid beheerde contactsleutel (afstandsbediening) aangegeven, of deze ten minste eenmaal door de EWS- resp. de CAS-regeleenheid is herkend, d.w.z. het is mogelijk om ook bij oudere auto's uit te vinden, hoeveel afstandsbedieningen resp. contactsleutels inmiddels in deze auto gebruikt zijn.
Drukfouten, vergissingen en technische wijzigingen voorbehouden.