Opmerking! SU 5DF landsafhankelijk alleen in combinatie met bepaalde speciale uitvoeringen.
De actieve snelheidsregeling met Stop & Go-functie is momenteel alleen verkrijgbaar met SU 205 ”Automatische transmissie” of met SU 2TB ”Sport-automatische transmissie”.
In enkele markten wordt vanwege beperkingen in de typegoedkeuring de ACC zonder Stop & Go-functie aangeboden.
ACC zonder Stop&Go-functie onderscheidt zich alleen door de ontbrekende sensoren voor dichtbij.
In Europa wordt de SU 5DF alleen in combinatie met navigatiesysteem aangeboden. Reden: Wettelijk voorgeschreven uitschakeling bij benadering van radio-astronomisch installaties.

Index |
Verklaring |
Index |
Verklaring |
|---|---|---|---|
1 |
Hartlijn van de sensor voor dichtbij links |
2 |
Lengte-as van de auto |
3 |
Hartlijn van de afstandssensor |
4 |
Hartlijn van de sensor voor dichtbij rechts |
5 |
Afstandssensor met houder |
6 |
Sensor voor dichtbij rechts met houder |
7 |
Bumpersteun |
8 |
Sensor voor dichtbij links met houder |
De volgende opmerkingen moeten in de werkplaats in acht worden genomen:
De volgende tekst beschrijft de actieve snelheidsregeling met Stop & Go-functie (speciale uitvoering 5DF).
De actieve snelheidsregeling met Stop & Go-functie is een uitbreiding van de tot dusverre bekende actieve snelheidsregeling (ACC).
Als aanvulling op de bekende actieve snelheidsregeling maakt de Stop & Go-functie het volgende mogelijk:
De gewenste snelheid kan worden gekozen tussen 30 km/h tot 180 km/h: In comfortabele stappen van 10 km/h of in nauwkeurige stappen van 1 km/h. De gewenste snelheid wordt constant op het instrumentenpaneel weergegeven. Daarnaast bestaat de mogelijkheid om uit vier vaste, tijdafhankelijke veiligheidsafstanden te kiezen.
Met de nieuwe speciale uitvoering wordt ook een nieuwe sub-bus toegepast: Sensor-CAN (S-CAN).
De volgende onderdelen worden voor de ACC beschreven:
De sensoren voor dichtbij zijn radarsensoren (Short Range Radar).
Voor de ACC met Stop & Go-functie zijn 2 identieke sensoren voor dichtbij gemonteerd. De sensoren voor dichtbij zijn gemonteerd op de voorste bumpersteun met een kunststof houder.

Index |
Verklaring |
Index |
Verklaring |
|---|---|---|---|
1 |
Sensor voor dichtbij |
2 |
Steun |
De sensoren voor dichtbij zijn via de sensor-CAN (S-CAN) met de LDM-regeleenheid verbonden.
De sensoren voor dichtbij hebben de volgende taken:
De objectgegevens van de sensoren voor dichtbij worden alleen voor de ACC Stop & Go-functie (niet voor de adaptieve remassistent) gebruikt.
LRR betekent Long Range Radar.

Index |
Verklaring |
Index |
Verklaring |
|---|---|---|---|
1 |
Afstandssensor |
2 |
Steun |
De afstandssensor (de vroegere ACC-sensor) is een radarsensor. Tegelijkertijd is de afstandssensor een elektronische regeleenheid. Daarom heeft een afstandssensor een regeleenheidadres en is geschikt voor diagnose en programmeren.
Een afstandssensor bepaalt de afstand tot, de hoek met en de snelheid van objecten voor de auto. Het gemeten gebied bedraagt tot 150 meter van de auto. In de LDM-regeleenheid (dynamiekmanagement in lengterichting) worden deze gegevens verwerkt.
De regeleenheid voor Comfort Access is in de zekeringenhouder achter het dashboardkastje gemonteerd.

Index |
Verklaring |
Index |
Verklaring |
|---|---|---|---|
1 |
Aggregatendrager |
2 |
LDM-regeleenheid |
Voor de ACC met Stop & Go-functie neemt de LDM-regeleenheid de volgende taken over:
LRR en LDM-regeleenheid worden door de CAS-regeleenheid met een eigen wake-up gewekt, die elektrisch los staat van de algemene wake-up-draad. Deze oplossing is gekozen omdat de afstandssensor in de crash-zone is gemonteerd (voorzijde van de auto). Als bij een ongeval de wake-up-draad van de LRR beschadigd zou raken (bijv. kortsluiting naar massa), dan blijven op deze manier de invloeden op andere regeleenheden beperkt.
De nieuwe sensor-CAN (S-CAN) verbindt:
De S-CAN was noodzakelijk vanwege de grote hoeveelheid gegevens van de radarsensoren.
Deze hoeveelheid gegevens zou ervoor hebben gezorgd dat de vrije capaciteit op de aanwezige bussystemen wordt overschreden.

Index |
Verklaring |
Index |
Verklaring |
|---|---|---|---|
1 |
Sensor voor dichtbij, links |
2 |
Afstandssensor (LRR) |
3 |
Sensor voor dichtbij, rechts |
4 |
Dynamische stabiliteitscontrole (DSC) |
5 |
Digitale Motor Elektronica (DME) of Digitale Diesel Elektronica (DDE) |
6 |
Dynamiekmanagement in lengterichting (LDM) |
7 |
Zekering in bagageruimte |
8 |
Car Access System (CAS) |
9 |
Car Communication Computer (CCC) en multi-audiosysteemcontroller (M-ASK) |
10 |
Carrosserie-gatewaymoduul (KGM) |
11 |
Portiercontact bestuurdersportier |
12 |
Elektronische transmissieregeling (EGS) |
13 |
Schakelcentrum stuurkolom (SZL) |
14 |
Verlichtingsmoduul (LM) |
15 |
Instrumentenpaneel (KOMBI) |
16 |
Advanced Crash Safety Module (ACSM) |
17 |
Gordelslotcontact |
18 |
Stoelbezettingsmat |
Kenmerken van de sensor-CAN:
De volgende systeemfuncties worden beschreven:
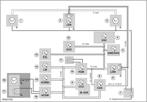
Voor het mogelijk maken van de Stop & Go-functie is een complex netwerk met gedeelde functies in andere regeleenheden noodzakelijk. De LDM-regeleenheid is via databussen met deze andere regeleenheden verbonden.

Index |
Verklaring |
Index |
Verklaring |
|---|---|---|---|
1 |
Afstandssensor (LRR) |
2 |
Sensor voor dichtbij, links |
3 |
Sensor voor dichtbij, rechts |
4 |
Schakelcentrum stuurkolom (SZL) |
5 |
Carrosserie-gatewaymoduul (KGM) |
6 |
Instrumentenpaneel (KOMBI) |
7 |
Dynamische stabiliteitscontrole (DSC) |
8 |
Elektronische transmissieregeling (EGS) |
9 |
Digitale Motor Elektronica (DME) of Digitale Diesel Elektronica (DDE) |
10 |
Dynamiekmanagement in lengterichting (LDM) |
Voor de gehele werking zijn de volgende regeleenheden in een netwerk aan elkaar verbonden:
Regeleenheid |
Werking |
|---|---|
DME of DDE: Motorregelsysteem |
Doorgeven van de koppelvraag Signaal ”motor draait” |
DSC: Dynamische stabiliteitscontrole |
Rijomstandigheid Doorgeven van de remingrepen |
SZL: Schakelcentrum stuurkolom |
Bedieningshendel stuurhoek Aansturing claxon |
CCC, M-ASK: navigatiesysteem |
Gegevens van navigatiesysteem (invloed op regelgrootheden) |
KOMBI: Instrumentenpaneel |
Weergave van de meldingen (ACC- en Check-Control-meldingen) |
EGS: Transmissieregeling |
Keuzestand |
CAS: Car Access System |
Klemmenstatus en wake-up-verbinding. |
KGM: Carrosserie-gatewaymoduul |
Portiercontact (bestuurder gaat uitstappen) |
AHM: Aanhangermoduul |
Herkenning rijden met een aanhanger |
ACSM. Ongevalveiligheidsmoduul |
Bezetting bestuurdersstoel (bestuurder gaat uitstappen) Gordelslotcontact (bestuurder gaat uitstappen) |
RLS: Regen-/lichtsensor |
Toestand van het wegdek (nat) |
SZM: Schakelcentrum middenconsole |
DTC-toets |
LM: Lichtmoduul |
Aansturing waarschuwingsknipperlichtinstallatie |
De adaptieve remassistent is een functie van de DSC. De LDM-regeleenheid is hierbij de Gateway van het S-CAN naar het PT-CAN.
Het grootste voordeel van de remassistent komt naar voren bij noodremsituaties. Als de voorligger sterk afremt, wordt deze situatie herkend door de afstandssensor.
De remassistent helpt daarbij de remprocedure optimaal uit te voeren en zo een aanrijding zoveel mogelijk te voorkomen.
Daartoe zijn de volgende functies aanwezig:
De adaptieve remassistent is altijd ingeschakeld als de ACC is ingeschakeld.
De adaptieve remassistent is ook bij beschikbaar bij ACC zonder Stop & Go-functie.
Wanneer bij het gebruik van de ACC de grenzen van het systeem worden bereikt, kan het systeem eigenschappen vertonen die aan de bestuurder moeten worden verklaard. Hierna zijn zulke situaties beschreven:
Drukfouten, vergissingen en technische wijzigingen voorbehouden.