Om de werking van de verkeersinformatiedienst ”Real Time Traffic Information (RTTI)” te kunnen waarborgen wordt op de regeleenheid IBOC een passieve antennesplitter ingebouwd. Hiermee kunnen de HF-signalen van de regeleenheid IBOC en de CCC ter beschikking worden gesteld. RTTI is alleen in combinatie met het navigatiesysteem Professional leverbaar. De CCC stelt de ontvangen verkeersinformatie aan het navigatiesysteem ter beschikking.

Index |
Verklaring |
Index |
Verklaring |
|---|---|---|---|
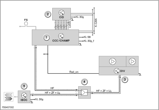
1 |
Headunit |
2 |
Centraal informatiedisplay |
3 |
Antenneversterker met diversitymoduul |
4 |
Antennesplitter |
5 |
Regeleenheid IBOC |
De volgende onderdelen voor de RTTI-splitter worden beschreven:

Index |
Verklaring |
Index |
Verklaring |
|---|---|---|---|
1 |
IBOC |
2 |
RTTI-splitter met houder |
3 |
AM-/FM-signaal (antenneversterker met diversitymoduul) stekkerkleurcode: zwart |
4 |
AM-/FM-signaal (CCC) stekkerkleurcode: kerriegeel |
5 |
AM-/FM-signaal (IBOC) stekkerkleurcode: zwart |
De regeleenheid IBOC van de High Definition-radio is als hybridetuner geschikt voor het ontvangen van digitale en analoge radiozenders in het AM- en FM-frequentiebereik. Voor het ontvangen van digitale signalen wordt dezelfde signaalweg als voor het ontvangen van analoge signalen gebruikt. Daarom kunnen ook de al bekende componenten antenneversterker met diversitymoduul en AM- en FM-antennes worden gebruikt.
De regeleenheid IBOC ontsleutelt de digitale audiogegevens en verstuurt deze via de MOST-bus (Media-Oriented-System-Transport-bus) naar de headunit. De headunit vormt de audiogegevens in analoge NF-signalen om. De NF-signalen worden via de luidsprekers weergegeven.
De regeleenheid CCC is geschikt voor het ontvangen van analoge radiozenders in het AM- en FM-frequentiebereik. In combinatie met IBOC is de functie niet in de CCC, maar in de IBOC ondergebracht. Voor het ontvangen van de analoge signalen worden de componenten antenneversterker met diversitymoduul en de AM- en FM-antennes gebruikt.
Het antennevermogen wordt asymmetrisch opgedeeld. De IBOC-tuner krijgt een met 1 dB, de headunit een met 10 dB gedempt signaal. Het door de actieve FM-antenne geleverde signaal wordt zodoende in de verhouding 9:1 (IBOC:RTTI) verdeeld. Het antennevermogen wordt door de splitter in de verhouding 10:1 (IBOC:RTTI) verdeeld. Deze verdeling van het antennevermogen is voldoende, zodat de CCC de RTTI-gegevens kan ontvangen. De antenne-diversity wordt door de regeleenheid IBOC aangestuurd.
Voor het controleren van de RTTI-splitter is een testmoduul beschikbaar. Bereikbaar via de diagnose storingsbeeldselectie (65006_CCC:storing in de werking) of via de functieselectie (totaalconcept/carrosserie/audio, video, telefoon, navigatie (MOST-ring)/navigatie).
Drukfouten, vergissingen en technische wijzigingen voorbehouden.