Central Head Unit and Multimedia Platform

CHAMP (alleen US-uitvoering)

Central Head Unit en Multimedia Platform (CHAMP) is een multimedia-platform in de auto. CHAMP is een standaarduitvoering (radio Business of SU 663: radio BMW Professional).

In de EURO-uitvoering wordt de volgende generatie van de multi-audiosysteemcontroller (M-ASK) toegepast.

Het CHAMP beschikt in tegenstelling tot de M-ASK niet over een navigatiesysteem.

De volgende zaken zijn nieuw voor CHAMP:

Beknopte beschrijving van het onderdeel

De volgende componenten voor CHAMP worden beschreven:

CHAMP: Central Head Unit and Multimedia Platform

CHAMP is de gateway (headunit) voor de MOST-bus en het K-CAN.

GR_FB8406001

Index

Verklaring

Index

Verklaring

1

6 favorietentoetsen

2

Toets voor FM- en AM-ontvangst (standaard in de US-uitvoering)

3

MODE-toets

4

Central Head Unit and Multimedia Platform (CHAMP)

Meerdere regeleenheden zijn samen met de speler in één huis geïntegreerd. CHAMP is modulair opgebouwd: In het CHAMP zijn de functiebereiken samengevat tot ”virtuele” regeleenheden. ”Virtueel betekent: alhoewel de afzonderlijke regeleenheden in het CHAMP zijn geïntegreerd, werken ze als ”individuele” regeleenheden (bijv. bij de programmering).

Voor de diagnose wordt onderscheid gemaakt tussen de volgende ”virtuele” regeleenheden:

Een elektrische ventilator voor koeling van de audio-eindtrappen en de processors bevindt zich aan de achterkant van de DIN radiobehuizing.

Favorietentoetsen

De favorietentoetsen zijn programmeerbare toetsen.
Met de favorietentoetsen kunnen de volgende functies worden opgeslagen en zijn hiermee sneller bereikbaar (afhankelijk van de speciale uitvoering):

GR_FB8406004

Index

Verklaring

Index

Verklaring

1

Cd-speler

2

Favorietentoetsen

In de favorietentoetsen bevindt zich een capacitieve sensor, die op aanraking reageert.

De bezetting van alle favorietentoetsen kan in het menu ”Instellingen” -> ”Auto” worden gewist. De bezetting van de favorietentoetsen is uitgebreid beschreven in de handleidning.

CID: Centraal informatiedisplay

Het CID is de centrale grafische weergave-unit. De afmeting van de kleurenmonitor bedraagt 6,5”.

GR_FB8406007

Index

Verklaring

Index

Verklaring

A

Voorzijde

B

Achterzijde

1

Centraal informatiedisplay (CID)

2

Stekkerverbinding voor de LVDS-gegevensdraad

3

Stekkerverbinding voor CAN-bus en voeding

 

 

Het Central Information Display is via een LVDS-gegevensdraad (Low Voltage Differential Signaling) op het CHAMP aangesloten. De LVDS-datakabel is een techniek, waarmee grafische data veilig over een langere afstand kan worden overgebracht. Voor de LVDS-gegevensdraad zijn specifieke stekkers ontwikkeld.
Het CID is ook op het K-CAN aangesloten.

Het CID omvat een fototransistor voor de lichtsterkteregeling van het LC-display (afhankelijk van het omgevingslicht). Het LC-display wordt verwarmd.

CON: Controller

De Controller levert de signalen voor selectie van menu's en submenu's. De submenu's worden door draaien en/of schuiven van de Controller geselecteerd. De Controller keert na het loslaten altijd weer in zijn ruststand terug.

GR_FB8406008

Index

Verklaring

Index

Verklaring

1

Controller

2

MENU-toets

3

Spraaktoets

4

Stekker aan Controller

Achter de Controller bevindt zich de MENU-toets en de spraaktoets. Met de MENU-toets kan het startmenu in het Central Information Display worden opgeroepen. Met de spraaktoets kunnen de gesproken aanwijzingen worden gestart.

De Controller is op het K-CAN aangesloten. Klem 58g ontvangt de Controller via het K-CAN.

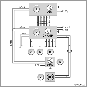
Systeemfuncties

De volgende systeemfuncties voor het CHAMP worden beschreven:

GR_FB8406005

Index

Verklaring

Index

Verklaring

1

Centraal informatiedisplay (CID)

2

Central Head Unit and Multimedia Platform (CHAMP)

3

naar antenne-diversity

4

naar antenne-diversity

5

naar de luidsprekers

6

Controller (CON)

7

AUX-In-aansluiting

 

 

K-CAN

Carrosserie-CAN

Klem 30g

Klem 30 geschakeld

Kl. 30g_f

Klem 30 geschakeld bij storing van MOST

Klem 58g

Contourverlichting

MOST

Media Oriented System Transport (glasvezelkabel)

 

 


Tuner

CHAMP heeft een dubbel uitgevoerde tuner voor AM/FM. Terwijl tuner 1 de gewenste radiozender ontvangt, werkt tuner 2 op de achtergrond. Tuner 2 doorzoekt het zenderpark naar extra signalen. Als een radiozender via een andere frequentie een krachtiger signaal uitzendt, wordt automatisch op deze alternatieve frequentie omgeschakeld. Beide tuners ontvangen informatie van het Radio Data System (RDS) die met het zendersignaal van de FM-zender wordt meegestuurd. Wanneer op een AM-zender is afgestemd, kan met behulp van RDS verkeersinformatie van een FM-zender worden ontvangen. Wanneer verkeersinformatie wordt ontvangen, wordt de AM-radioweergave onderdrukt en wordt de verkeersinformatie via de luidsprekers weergegeven.

Audiosysteemcontroller

CHAMP heeft als audiosysteemcontroller de volgende taken:

CHAMP-bedieningsgedeelte

De regeleenheid CHAMP-bedieningsgedeelte (CHAMP-BO) verwerkt de signalen van de Controller: bijv. selectie van de menu's en submenu's. Bovendien verzorgt CHAMP-BO de weergave van meldingen op het Central Information Display (CID). De in de processor beschikbare gegevens voor grafische weergave worden direct als digitale LVDS-signalen (Low Voltage Differential Signaling) naar het CID overgebracht.

CHAMP-gateway

De regeleenheid CHAMP-gateway vormt de interface voor gegevensuitwisseling tussen de MOST-bus en het K-CAN. Beide bussystemen versturen gegevens met verschillende overdrachtsnelheden en formaten. Om met alle systemen te kunnen communiceren, worden in de CHAMP-gateway de gegevens specifiek voor de betreffende bus geconfigureerd.

Aanwijzingen voor de service

Algemene aanwijzing

Terugzetten van CHAMP

CHAMP kan op de volgende manieren worden teruggezet:

Terugzetten van CHAMP is niet mogelijk met een toets of toetscombinatie.

Opmerking! CHAMP kan alleen compleet worden vervangen.

CHAMP wordt in de werkplaats compleet vervangen.

Diagnose-aanwijzing

Voor het CHAMP sis in regeleenheidfuncties een groot aantal controles beschikbaar.

Voorbeeld: Een cd die in de cd-speler vast blijft hangen kan met de regeleenheidfuncties worden uitgeschoven.

Een diagnose van de met CHAMP ingevoerde favorietentoetsen (programmeerbare toetsen) is mogelijk m.b.v. een regeleenheidfunctie.

Exportuitvoering

Europa-uitvoering:

In plaats van het CHAMP wordt de multi-audiosysteemcontroller (M-ASK) als radio BMW Professional aangeboden.
De M-ASK is herkenbaar aan de 8 favorietentoetsen.

GR_FB8406006

Index

Verklaring

Index

Verklaring

1

Multi-audiosysteemcontroller

2

8 programmeerbare favorietentoetsen

Drukfouten, vergissingen en technische wijzigingen voorbehouden.