
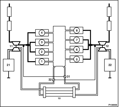
1 - 8 |
Cilindros 1 a 8 |
10 |
Intercooler |
11 |
Turbocompressor 1 |
12 |
Turbocompressor 2 |
21 |
Medidor de massa de ar 1 |
22 |
Medidor de massa de ar 2 |
31 |
Válvula de recondução dos gases de escape 1 |
32 |
Válvula de recondução dos gases de escape 2 |