De E70 kan met de speciale uitvoering 2VA ”Adaptive Drive” worden uitgerust. Deze speciale uitvoering bestaat uit 2 systemen:
verticaaldynamische regeling (VDM) en actieve rolstabilisator (ARS: verkoopbenaming Dynamik Drive). In dit document wordt de verticaaldynamische regeling beschreven.
De verticaaldynamische regeling biedt de volgende voordelen:

Index |
Verklaring |
Index |
Verklaring |
|---|---|---|---|
1 |
VDM-regeleenheid |
2 |
Schokdemper met dempersatelliet rechtsachter (EDCSHR) |
3 |
Hoogtesensor rechtsachter |
4 |
Hoogtesensor linksachter |
5 |
Schokdemper met dempersatelliet linksachter (EDCSHL) |
6 |
Schokdemper met dempersatelliet linksvoor (EDCSVL) |
7 |
Hoogtesensor linksvoor |
8 |
Hoogtesensor rechtsvoor |
9 |
Schokdemper met dempersatelliet rechtsvoor (EDCSVR) |
|
|
F-CAN |
Onderstel-CAN |
FlexRay |
Sub-bus |
PT-CAN |
Powertrain-CAN |
|
|
EDC betekent: Elektronische schokdemperregeling
De verticaaldynamische regeling (VDM) is een verdere ontwikkelingen van de elektronische schokdemperregeling (EDC-K) uit de E65. VDM bestaat uit een centrale regeleenheid en 4 vast met de schokdempers verbonden intelligente dempersatellieten.
Als busverbinding wordt voor het eerst de gegevensbus FlexRay toegepast.
De volgende onderdelen voor de verticaaldynamische regeling worden beschreven:
De VDM-regeleenheid is in de zekeringenhouder rechtsachter in de bagageruimte bevestigd.

Index |
Verklaring |
Index |
Verklaring |
|---|---|---|---|
1 |
Comfort Access (CA) |
2 |
Aanhangermoduul (AHM) |
3 |
Park Distance Control (PDC) |
4 |
Verticaaldynamische regeling (VDM) |
5 |
Elektronische hoogtestandscontrole (EHC) |
|
|
De VDM vergroot het rijcomfort. Een groter rijcomfort wordt bereikt als de carrosserie zo weinig mogelijk beweegt in verticale richting: Noch door beïnvloeding van de auto door het wegdek (oneffenheden, naden) noch bij het rijden in een bocht.
De VDM-regeleenheid voorziet de dempersatellieten van de aansturing van de schokdempers (wielindividuele dempingskracht). Hiervoor is de VDM-regeleenheid via de zeer snelle FlexRay-databus met de dempersatellieten verbonden.
Met een gegevensoverdrachtsnelheid van 10 MBit/s is FlexRay beduidend sneller dan de op dit moment in motorvoertuigen toegepaste gegevensbussen in carrosserie, aandrijflijn of onderstel. FlexRay ondersteunt naast de grotere bandbreedte een real-time-gegevensoverdracht. FlexRay kan storingstolerant geconfigureerd worden.
Er zijn 4 dempersatellieten:
De dempersatellieten zorgen voor een elektronische regeling van de dempingskrachten. De dempersatellieten en de EDC-kleppen zijn vast met de schokdempers verbonden. Elke dempersatelliet beschikt over een eigen sensor voor verticale acceleratie. De dempersatellieten hebben onder andere de volgende taken:

Dempersatelliet: voorbeeld vooras linksvoor
Index |
Verklaring |
Index |
Verklaring |
|---|---|---|---|
1 |
Dempersatelliet linksvoor (EDCSVL) |
2 |
Stalen veer |
3 |
Schokdemper |
4 |
EDC-klep |

Dempersatelliet: voorbeeld achteras rechtsachter
Index |
Verklaring |
Index |
Verklaring |
|---|---|---|---|
1 |
Dempersatelliet rechtsachter (EDCSHR) |
2 |
EDC-klep |
3 |
Schokdemper |
|
|
Er zijn in totaal 4 hoogtesensoren:
De 4 hoogtesensoren zijn op de VDM-regeleenheid aangesloten. De hoogtesensoren leveren dynamische informatie over de hoogte van de carrosserie aan de VDM-regeleenheid. Daaruit berekent de verticaaldynamische regeling de bewegingen van de carrosserie en de wielversnellingen.
Bovendien leveren de sensoren de informatie aan de automatische koplampafstelling.
De dubbele hoogtesensoren op de achteras leveren niet alleen een signaal aan de VDM-regeleenheid, maar ook aan de EHC-regeleenheid. De dubbele hoogtesensoren zijn op het huis voorzien van het opschrift ”doppelt”.

Hoogtesensor: voorbeeld vooras linksvoor
Index |
Verklaring |
Index |
Verklaring |
|---|---|---|---|
1 |
Hoogtesensor |
2 |
Regelstang |

Hoogtesensor: voorbeeld achteras linksachter
Index |
Verklaring |
Index |
Verklaring |
|---|---|---|---|
1 |
Hoogtesensor |
2 |
Regelstang |
De SPORT-toets bevindt zich in de middenconsole achter de versnellingskeuzeschakelaar (GWS). Door bediening van de SPORT-toets wordt de dempingskarakteristiek gewijzigd:
Komfort <-> Sport.
Elektrisch is de SPORT-toets op de versnellingskeuzeschakelaar (GWS) aangesloten. De GWS vormt een eigen regeleenheid. Het signaal wordt dan op het PT-CAN gezet.

Index |
Verklaring |
Index |
Verklaring |
|---|---|---|---|
1 |
Handremtoets |
2 |
Versnellingskeuzeschakelaar (GWS) |
3 |
SPORT-toets |
|
|
Een controle -LED in de SPORT-toets geeft het actieve sportprogramma aan. Bovendien wordt ”SPORT” in het LC-display van het instrumentenpaneel weergegeven.
De volgende andere regeleenheden leveren signalen voor de verticaaldynamische regeling:
De ARS-regeleenheid levert de dwarsversnelling via de PT-CAN aan de VDM. De VDM-regeleenheid heeft het signaal als vervangende waarde nodig.
De DSC-regeleenheid levert via het PT-CAN de VDM-regeleenheid het signaal over de rijsnelheid en de remdruk.
Het SZL levert via het F-CAN het sensorsignaal voor de stuurhoek aan de VDM (vroegtijdige herkenning van het rijden in een bocht).
Het motormanagement levert het signaal ”motor draait”. Het signaal wordt dan op het PT-CAN gezet.
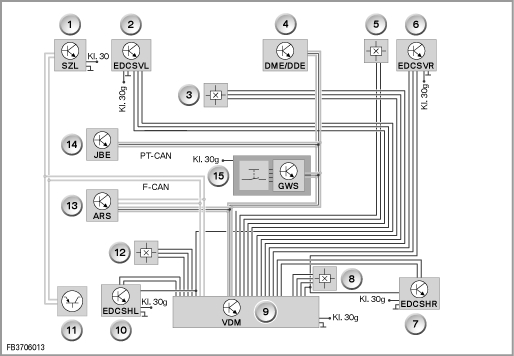
De JBE levert de klemmenstatus. Daarnaast is de JBE de gateway tussen PT-CAN en K-CAN.

Index |
Verklaring |
Index |
Verklaring |
|---|---|---|---|
1 |
Schakelaarcentrale stuurkolom (SZL) |
2 |
Dempersatelliet linksvoor (EDCSVL) |
3 |
Hoogtesensor linksvoor |
4 |
Digitale Motor Elektronica of Digitale Diesel Elektronica |
5 |
Hoogtesensor rechtsvoor |
6 |
Dempersatelliet rechtsvoor (EDCSVR) |
7 |
Dempersatelliet rechtsachter (EDCSHR) |
8 |
Hoogtesensor rechtsachter |
9 |
VDM-regeleenheid |
10 |
Dempersatelliet linksachter (EDCSHL) |
11 |
DSC-sensor |
12 |
Hoogtesensor linksachter |
13 |
Actieve rolstabilisator (ARS: Dynamik Drive) |
14 |
Junction-Box-Elektronica (JBE) |
15 |
Versnellingskeuzeschakelaar met SPORT-toets |
|
|
De volgende systeemfuncties voor de verticaaldynamische regeling worden beschreven:
Voor de demping van de wielbewegingen en bewegingen van de carrosserie wordt de beweging van de auto gecontroleerd. Daarbij worden de volgende assen betrokken:
Voor de controle zijn bijvoorbeeld de volgende signalen gebruikt:
Aan de hand van de signalen wordt de actuele rijsituatie berekend.
Voor de verticale as van de auto is de regeling van de demping onderverdeeld in comfort en veiligheid.
De verticaaldynamische regeling dempt met het oog op het comfort de bewegingen van de carrosserie.
De verticaaldynamische regeling dempt de wielversnellingen omwille van de veiligheid. Daarbij moet ervoor worden gezorgd dat de wielen niet het contact met het wegdek verliezen. Afhankelijk van de situatie moet een optimale contactdruk van de banden worden bereikt.
De verticaaldynamische regeling houdt eveneens rekening met de stuuruitslag (bijv. overgang tussen rechtuit rijden en een bocht). Als een snelle vergroting van de stuurhoek wordt herkend, concludeert de VDM-regeleenheid dat er een bocht aankomt. Daarmee kunnen reeds vooruitkijkend de schokdempers overeenkomstig worden aangestuurd. De verticaaldynamische regeling ondersteunt daardoor de actieve rolstabilisator (ARS). Daarmee draagt de VDM bij aan de vermindering van de kantelbewegingen van de auto.
De verticaaldynamische regeling herkent ook rem- en acceleratiebewegingen. Hiervoor stelt de DSC het signaal over de remdruk en de langsversnelling ter beschikking. Een grote remdruk zorgt er normaal gesproken voor dat de auto duikt; De VDM gaat dit duiken tegen, doordat de voorste schokdempers stugger worden ingesteld. Ook de duikbeweging van de auto bij het accelereren wordt zo tegengewerkt.
Afhankelijk van de gekozen dempingskarakteristiek (Komfort of Sport via SPORT-toets) wordt de dempingskracht door de VDM-regeleenheid aangepast. Onafhankelijk hiervan heeft bij kritische rij-omstandigheden, ondanks het gekozen comfort-programma, de maximale rijveiligheid prioriteit.
Afhankelijk van het soort storing werkt de uitvalbeveiliging met 3 niveaus:

Index |
Verklaring |
Index |
Verklaring |
|---|---|---|---|
1 |
Check-Control-melding |
|
|
Attentie! Bij het vervangen van de schokdemper de inbouwplaats aangeven.
De schokdempers vormen samen met de dempersatellieten en de EDC-klep een eenheid en moeten ook als zodanig worden vervangen. Bij het bestellen van een nieuw onderdeel moet het autotype en de montagepositie (bijv. linksvoor) worden aangegeven. de regeling is afhankelijk van: Motorvariant, vering en speciale uitvoering (bijv. 3e zitrij).
Opmerking: Meerdere storingsgeheugens binnen de verticaaldynamische regeling.
De VDM-regeleenheid slaat alleen eigen storingen in het eigen storingsgeheugen op. Storingen van de dempersatellieten worden in het storingsgeheugen hiervan opgeslagen. Daarom moet bij een storing niet alleen het storingsgeheugen van de VDM-regeleenheid, maar ook die van de dempersatellieten worden gecontroleerd. De dempersatellieten moeten bereikbaar zijn voor het BMW diagnosesysteem. Daarom dient de VDM-regeleenheid ook als gateway voor de verbinding tussen de bussystemen PT-CAN en FlexRay.
Attentie! Compensatie van de hoogtesensoren uitvoeren.
Na het vervangen van de VDM-regeleenheid en een hoogtesensor moeten de afstelwaarden van de hoogtesensoren opnieuw worden ingeleerd. Hierbij moet servicefunctie ”Hoogtecompensatie” van het BMW diagnosesysteem worden gebruikt.
Attentie! Compensatie van de sensoren voor verticale acceleratie uitvoeren.
Na het vervangen van een of meerdere dempersatellieten moet altijd een compensatie van de sensoren voor verticale acceleratie worden uitgevoerd. Daartoe moet in het BMW-diagnosesysteem de servicefunctie ”Compensatie sensor verticale versnelling” worden gebruikt.
Daarvoor moet de auto horizontaal staan.
Na vervanging moet de VDM-regeleenheid worden gecodeerd.
Onder de volgende omstandigheden wordt de verticaaldynamische regeling geactiveerd:
Drukfouten, vergissingen en technische wijzigingen voorbehouden.