De vergrendeling van de tweede zitrij wordt bij de E70 door meerdere microschakelaars bewaarkt. De microschakelaars zijn in de tweede zitrij ondergebracht. De microschakelaars zorgen ervoor dat de vergrendelde zitbank niet ongemerkt loslaat. Hiermee neemt de bescherming tegen letsel van de inzittenden toe.
De volgende systeemfuncties zijn voor de vergrendeling van de tweede zitrij beschreven:
De microschakelaars van de tweede zitrij zijn in de grote en kleine bankhelft aangebracht. In de grote bankhelft bevinden zich vier microschakelaars. De kleine bankhelft wordt slechts door een microschakelaar bewaakt. Bij correct vergrendelde bankhelften wordt een massasignaal naar de JBE gestuurd. Wanneer het massasignaal wordt onderbroken, herkent de Junction-Box-Elektronica (JBE) een bankhelft niet.
Het instrumentenpaneel ontvangt haar informatie van de Junction-Box-Elektronica (JBE) via het K-CAN. Wanneer door de JBE de informatie over een niet correct vergrendelde tweede zitrij wordt verstuurd, verzoekt het instrumentenpaneel om een passende Check-Control-melding. Deze melding wijst de bestuurder erop dat de zitrij niet correct is vergrendeld. Hiermee wordt de bestuurder erop gewezen dat er een verhoogd veiligheidsrisico voor de inzittenden bestaat.
De JBE is de controlerende regeleenheid voor de vergrendeling van de tweede zitrij. De JBE ontvangt via de microschakelaars een massasignaal. Wanneer het massasignaal wordt onderbroken, herkent de JBE een niet correct vergrendelde zitrij. Bij een niet correct vergrendelde zitrij verstuurt de JBE via het K-CAN een signaal naar het instrumentenpaneel.

Tweede zitrij in de E70
Index |
Verklaring |
Index |
Verklaring |
|---|---|---|---|
1 |
Microschakelaar kleine bankhelft, vergrendeling op onderbouw |
2 |
Microschakelaar op grote bankhelft, vergrendeling aan binnenzijde |
3 |
Microschakelaar grote bankhelft, vergrendeling aan buitenzijde |
4 |
Microschakelaar grote bankhelft, rugleuning buitenzijde |
5 |
Microschakelaar grote bankhelft, zittingscharnier binnenzijde |
|
|

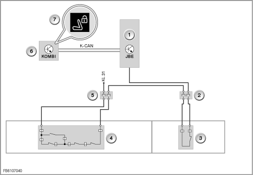
Blokschema E70
Index |
Verklaring |
Index |
Verklaring |
|---|---|---|---|
1 |
Junction-Box-Elektronica (JBE) |
2 |
Stoelstekker rechts |
3 |
Microschakelaar tweede zitrij rechts |
4 |
Microschakelaar tweede zitrij links |
5 |
Stoelstekker links |
6 |
Instrumentenpaneel |
7 |
Check-Control-melding (achterbank niet vergrendeld!) |
|
|
De volgende systeemfuncties zijn voor de vergrendeling van de tweede zitrij beschreven:
Voor de bewaking van de grote achterbankhelft zijn microschakelaars in de rugleuning en de zitting ingebouwd. Op de leuning bevindt zich slechts één microschakelaar aan de buitenzijde. In de onderbouw van de bank bevinden zich twee microschakelaars, aan de binnen- en buitenzijde. Nog een microschakelaar bevindt zich op het zittingscharnier in de onderbouw van de achterbank. De leuning is in omgeklapte toestand niet vergrendeld. Bij correct vergrendelde bankhelften wordt een massasignaal naar de JBE gestuurd.
De volgende banktoestanden worden bewaakt:
De kleine bankhelft wordt slechts door een microschakelaar bewaakt. De microschakelaar bevindt zich op de mechanische vergrendeling aan de binnenzijde van de onderbouw. Bij een correcte vergrendeling van de kleine bankhelft is de schakelaar gesloten.
Wanneer de Junction-Box-Elektronica (JBE) een niet correcte vergrendeling van de tweede zitrij herkend wordt, ontvangt het instrumentenpaneel een signaal. Het instrumentenpaneel zorgt voor een Check-Control-melding. De melding ”Rücksitz nicht verriegelt!” (”achterbank niet vergrendeld!”) moet de bestuurder erop wijzen dat er een verhoogd veiligheidsrisico voor de inzittenden bestaat.
Drukfouten, vergissingen en technische wijzigingen voorbehouden.