De elektrische achterkleplift wordt in de E70 vanaf 10/07 aangeboden. Voor het eerst wordt een spindelaangedreven systeem toegepast.
De bovenste achterklep kan per toetsdruk worden geopend resp. gesloten. De onderste achterklep moet nog steeds handmatig worden geopend.
De openingshoek van de achterklep kan met de Controller via een menu in het Central Information Display in vijf standen worden bepaald. De achterklep gaat daarbij slechts tot de ingestelde hoek open.
Voor de achterkleplift worden de volgende onderdelen beschreven:
De spindelaandrijvingen worden in plaats van de gasdrukveren links en rechts aan de achterklep gemonteerd. De spindelaandrijving bestaat uit de volgende onderdelen:

Index |
Verklaring |
Index |
Verklaring |
|---|---|---|---|
1 |
Verenpakket |
2 |
Spindel |
3 |
Overbrenging |
4 |
Elektromotor spindelaandrijving |
5 |
Hall-sensoren |
|
|

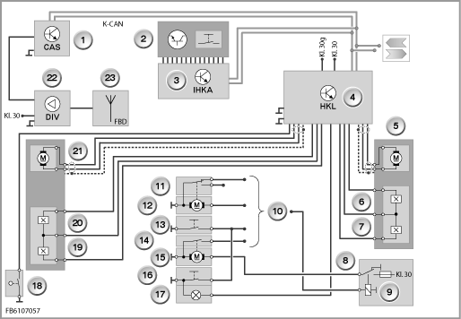
Index |
Verklaring |
Index |
Verklaring |
|---|---|---|---|
1 |
Car Access System (CAS) |
2 |
Achterkleptoets in het schakelcentrum middenconsole |
3 |
Geïntegreerde automatische verwarming/airconditioning (IHKA) |
4 |
Achterkleplift (HKL) |
5 |
Elektromotor spindelaandrijving rechts |
6 |
Hallsensor rechts |
7 |
Hallsensor rechts |
8 |
Zekering-/relaishouder, achter |
9 |
Relais soft-Close-automaat (SCA) |
10 |
Aansluitingen op Junction Box-regeleenheid |
11 |
Kofferdeksel-/achterklepcontact |
12 |
Elektromotor slot bovenste achterklep |
13 |
Achterkleptoets achterklep buitenkant |
14 |
Contact aandrijving Soft-Close-automaat |
15 |
Elektromotor Soft-Close-automaat achterklep |
16 |
Achterkleptoets achterklep binnen |
17 |
Verlichting achterkleptoets achterklep binnen |
18 |
Microschakelaar onderste achterklep |
19 |
Hallsensor links |
20 |
Hallsensor links |
21 |
Elektromotor spindelaandrijving links |
22 |
Ontvanger afstandsbediening |
23 |
Hallsensor links |
|
|

Index |
Verklaring |
Index |
Verklaring |
|---|---|---|---|
1 |
Regeleenheid achterkleplift |
|
|
De regeleenheid achterkleplift is aan de zekeringenhouder in de bagageruimte rechts gemonteerd. De HKL stuurt en controleert de werking van de automatische achterklepbediening.
De regeleenheid is aangesloten op klem 30g. Voor de belastingsstroom van de spindelaandrijving is de HKL bovendien op klem 30 aangesloten.
De achterkleplift werkt tussen 9 V en 16 V. Buiten dit spanningsbereik kan de werking niet worden gewaarborgd.
Het Car Access System (CAS) ontvangt het signaal van de afstandsbediening of de identificatiegever en controleert dit. Was de controle (autorisatie) succesvol, dan geeft het CAS de ontgrendeling van de achterklep vrij.
De Junction-Box-Elektronica voert de ontgrendeling van de achterklep uit. De Junction-Box-Elektronica bevindt zich in de voorste relais-/zekeringhouder.
De achterkleptoets schakelt aan massa. Het signaal van de achterkleptoets wordt door de Junction-Box-Elektronica geregistreerd. De Junction-Box-Elektronica detecteert via het K-CAN de status van de achterkleptoets voor de HKL.
De achterkleptoets binnen is parallel met de achterkleptoets buiten op de Junction-Box-Elektronica aangesloten. Daarom maakt de Junction-Box-Elektronica niet tussen de beide achterkleptoetsen.
Het radiosignaal van de afstandsbediening wordt via de achterruitantenne ontvangen. De ontvanger voor de afstandsbediening in de diversitymoduul geeft het signaal via het K-CAN door aan het Car Access System. Het Car Access System heeft de centrale verantwoording voor de werking van de centrale vergrendeling. De bij auto's met comforttoegang gebruikte identificatiegever heeft dezelfde werking als de afstandsbediening.
De achterkleptoets is weerstandsgecodeerd. De status van de achterkleptoets wordt verwerkt door de regeleenheid van de klimaatregeling. De regeleenheid van de airconditioning verstuurt de status via het K-CAN.
Het achterklepcontact schakelt bij gesloten achterklep aan massa. De status van het achterklepcontact wordt door de Junction Box-elektronica verwerkt en beschikbaar gesteld.

Index |
Verklaring |
Index |
Verklaring |
|---|---|---|---|
1 |
Microschakelaar onderste achterklep |
|
|
Het contact van de onderste achterklep is als microschakelaar uitgevoerd en schakelt aan massa.. De status van de microschakelaar wordt door de HKL beoordeeld. Als de onderste achterklep niet correct gesloten is, dan kan de automatische achterklepbediening niet worden uitgevoerd. De achterkleplift genereert dan een Check-Control-melding en verstuurt deze via K-CAN.
De volgende systeemfuncties zijn voor de achterkleplift beschreven:
Door het bedienen van één van de achterkleptoetsen wordt de achterklep automatisch geopend resp. gesloten. De achterkleptoets in het schakelcentrum middenconsole vormt hierop een uitzondering. Hiermee kan de achterklep alleen worden geopend.
Na de vrijgave door het CAS voert de Junction-Box-Elektronica het ontgrendelen van de achterklep uit. Vervolgens wordt de aandrijving van de Soft-Close-automaat aangestuurd om de achterklep te ontspannen. Daarna wordt het achterklepslot aangestuurd.
De achterklepcontactschakelaar wisselt van gesloten naar geopend en de spindelaandrijvingen worden aangestuurd in de richting openen.
De achterklep wordt compleet of tot de ingestelde openingshoek geopend. Wordt één van de blokkeervoorwaarden zie blokkeervoorwaarden) actief tijdens de beweging van de achterklep, dan wordt de beweging onderbroken.
Kort indrukken van de achterkleptoets terwijl de achterklep wordt geopend, stopt het openen.
In de HKL zijn de functies ”softstart” en ”softstop” geïntegreerd. Dit betekent dat de achterklep kort voordat hij de eindaanslagen bereikt, door verlaging van de sluitings- resp. openingssnelheid zacht in de eindaanslag wordt bewogen. (Uitzondering: geen zachte eindaanslag bij het sluiten). De zachte eindaanslag wordt gerealiseerd door pulsbreedtemodulatie van de aanstuurspanning.
Bij auto's met comforttoegang kan het openen van de achterklep ook bij vergrendelde auto worden uitgevoerd. Door de achterkleptoets aan de buitenkant in te drukken kan de achterklep worden geopend. Er hoeft alleen maar een geldige identificatiegever in de directe omgeving van de achterzijde van de auto aanwezig te zijn.
De achterklep kan niet tijdens het rijden worden bediend, maar alleen wanneer de auto stilstaat.
De achterklep kan, zodra hij gedeeltelijk geopend is, met de hand in de richting ”OPEN” of ”DICHT” worden bewogen.
In elke spindelaandrijving is een motor geïntegreerd. In de elektromotor zijn twee Hallsensoren ten opzichte van elkaar versprongen aangebracht. Daardoor kan de draairichting van de motor worden herkend. Bovendien kan op basis van de Hallsensorpuls de afgelegde weg en daarmee de openingshoek van de achterklep worden herkend. De Hallsensorimpulsen worden bijvoorbeeld gebruikt voor het instellen van de openingshoek via het Central Information Display.
De blokkeerherkenning werkt bij het openen en sluiten van de achterklep. Een blokkeren van de beweging van de achterklep bij het openen heeft tot gevolg dat de beweging direct wordt gestopt. Als de achterklep bij het sluiten wordt geblokkeerd, stuurt de HKL de spindelaandrijvingen kortstondig in de tegenovergestelde richting aan (=omkeren). Als de achterklep geblokkeerd blijft, dan worden de spindelmotoren niet meer aangestuurd.
Een blokkering wordt herkend, wanneer de Hallsensorimpulsen uitblijven of wanneer de motorstroom stijgt.
Om oververhitting van de motoren te voorkomen, is een herhaalblokkering in de HKL geïntegreerd. Voor de herhaalblokkering wordt de tijd die de motor draait opgeteld. Als deze tijd de grenswaarde van 2 minuten overschrijdt, wordt een nieuwe bediening niet geaccepteerd. Een reeds in gang gezette beweging wordt altijd voltooid. Na een afkoelfase van 6 minuten is weer een totale draaitijd van 2 minuten mogelijk.
De achterklep mag ter voorkoming van schade aan de auto in verschillende situaties niet worden bediend.
Hieronder zijn de blokkeervoorwaarden opgesomd:
Blokkeervoorwaarden |
Verklaring/opmerking |
|---|---|
Rijsnelheid vmax>3 km/h. |
Uitzondering: Een sluitcommando wordt tot het einde uitgevoerd. Het snelheidssignaal van het instrumentenpaneel via K-CAN. |
Buitentemperatuur < - 30 °C en +80 °C |
Signaal van de buitentemperatuur van het instrumentenpaneel via K-CAN |
Boordnetspanning < 9 V tot 16 V> |
|
Onderste achterklep niet gesloten |
Afbreken terwijl de achterklep in beweging is, blokkering van de bediening van de achterklep. Openen is verder mogelijk. |
Starten van de motor (status ”klem 50 AAN”) |
Signaal van het CAS via K-CAN Afbreken terwijl de achterklep in beweging is, blokkering van de bediening van de achterklep. |
Bij een ongeldig snelheids- of temperatuursignaal kan de achterklep in beweging worden gezet.
Een defecte spindelaandrijving moet compleet worden vervangen.
Bij het vervangen van spindelaandrijvingen moet de klem 30g uitgeschakeld blijven. Anders wordt een storingsinvoer gegenereerd en werkt de automatische achterklepbediening niet.
Na vervanging van de regeleenheid voor de achterkleplift of de spindelaandrijving moet de bovenste eindaanslag opnieuw worden ingeleerd. Daartoe wordt de achterklep bij de eerste keer openen tot de bovenste aanslag bewogen.
Het blokkeren van de achterklep en daarmee het uitblijven van de Hallsensorpulsen van de spindelmotoren markeert het punt van de maximale openingshoek van de achterklep. Vanuit dit punt wordt een waarde van circa 5 % van de totale openingshoek afgetrokken. Dat is de toekomstige openingshoek van de achterklep. Dit punt wordt ook als softstop aangeduid.
Door de soft-stop wordt voorkomen dat de achterklep tot de eindaanslag opent en daardoor beschadigd raakt.
De onderste eindaanslag wordt bepaald aan de hand van de omschakeling van het achterklepcontact in het achterklepslot.
De achterklepbeweging start pas na het loslaten van de achterkleptoets.
Het sluiten via de afstandsbediening is niet mogelijk.
Drukfouten, vergissingen en technische wijzigingen voorbehouden.