De bochtverlichting is alleen in combinatie met de speciale uitvoering adaptieve koplampen beschikbaar. De bochtverlichting verlicht, aanvullend op de adaptieve koplampen, het bereik vóór en naast de auto.
De volgende onderdelen voor de bochtverlichting worden beschreven:
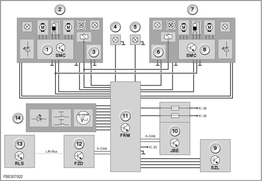
Om de bochtverlichting te kunnen inschakelen, moet de verlichtingschakelaar zich in stand ”A” bevinden. Voor de automatische verlichtingsregeling heeft de verlichtingschakelaar een groene controlelamp. Als een systeemstoring wordt herkend, begint de controlelamp te knipperen. De verlichtingschakelaar is direct met de beenruimtemoduul (FRM) verbonden.
Voor de bochtverlichting is een speciale mistlamp nodig. Deze mistlamp bevat een reflector voor de bochtverlichting. Zodra de mistlamp wordt ingeschakeld, bereikt het licht van de mistlampgloeilamp de reflector voor de bochtverlichting. De reflector is speciaal gevormd en spiegelt het licht in de bochtrichting. Aan de buitenzijde is de mistlamp met bochtverlichtingsfunctie te herkennen aan de geheel verchroomde reflector.
De regen/-licht-zonnesensor (RLSS) is tegen de voorruit, in de spiegelvoet van de binnenspiegel geïntegreerd. De regen/-licht-zonnesensor (RLSS) herkent schemering of duisternis De RLSS stuurt bij het overschrijden van de grenswaarde een boodschap aan het functiecentrum dak (FZD). De RLSS is met de FZD via de LIN-bus verbonden. De FZD stuurt deze boodschap via de K-CAN naar de beenruimtemoduul (FRM).
In de schakelcentrum stuurkolom bevindt zich de richtingaanwijzer-grootlichtschakelaar. De richtingaanwijzer-grootlichtschakelaar stuurt zijn signalen aan de SZL. De SZL stuurt de ontvangen signalen direct door aan de beenruimtemoduul (FRM).
De FRM neemt de regeling van de bochtverlichting over. De FRM stuurt ook de controlelamp in de verlichtingschakelaar aan. De FRM ontvangt alle inschakelvoorwaarden direct of via de K-CAN. De FRM bevindt zich aan de zijkant in de beenruimte aan bestuurderszijde onder het dashboard.
De JBE is verantwoordelijk voor de spanningsvoorziening. De JBE is via de K-CAN met de FRM verbonden. De JBE bevindt zich onder het dashboard in de beenruimte aan passagierszijde.

Constructie mistlamp bij E70
Index |
Verklaring |
Index |
Verklaring |
|---|---|---|---|
1 |
Reflector bochtverlichting |
2 |
Reflector mistlamp |
3 |
Gloeilamp mistlamp |
|
|

Blokschema E70
Index |
Verklaring |
Index |
Verklaring |
|---|---|---|---|
1 |
Stappenmotor-controller (SMC) links |
2 |
Koplamp links |
3 |
Xenonregeleenheid links |
4 |
Mistlamp links |
5 |
Mistlamp rechts |
6 |
Xenonregeleenheid rechts |
7 |
Koplamp rechts |
8 |
Stappenmotor-controller (SMC) rechts |
9 |
Schakelcentrum stuurkolom (SZL) |
10 |
Junction-Box-elektronica (JBE) |
11 |
Beenruimtemoduul (FRM) |
12 |
Functiecentrum dak (FZD) |
13 |
Regen/-licht-zonnesensor (RLSS) |
14 |
Lichtschakelaar |
De bochtverlichting wordt niet plotseling in- en uitgeschakeld. De bochtverlichting wordt gedimd overeenkomstig speciale tijdgebonden parameters in- en uitgeschakeld. Afhankelijk van het land wordt de bochtverlichting bij het rijden in een bocht in- en uitgeschakeld.
Voor de bochtverlichting worden de volgende systeemfuncties beschreven:
Bij stilstand wordt de bochtverlichting na een bepaalde tijd automatisch uitgeschakeld, bijv. bij het wachten voor een verkeerslicht. De bochtverlichting kan echter met behulp van de grootlichtschakelaar opnieuw worden ingeschakeld.
De te activeren zijde van de bochtverlichting is afhankelijk van de volgende voorwaarden:
Rijrichting vooruitrijden
Rijrichting achteruit
Alleen bij US-uitvoering:
Als een defect van de bochtverlichting wordt herkend, worden dezelfde Check-Control-meldingen als bij de mistlamp gegeven.
Drukfouten, vergissingen en technische wijzigingen voorbehouden.