De functie elektrisch bediend ruitmechanisme wordt door meerdere regeleenheden gerealiseerd. De beenruimtemoduul stuurt de elektrisch bediende ruiten, voor, aan. De elektrisch bediende ruiten, achter worden, indien aanwezig, door de Junction-Box-elektronica aangestuurd.

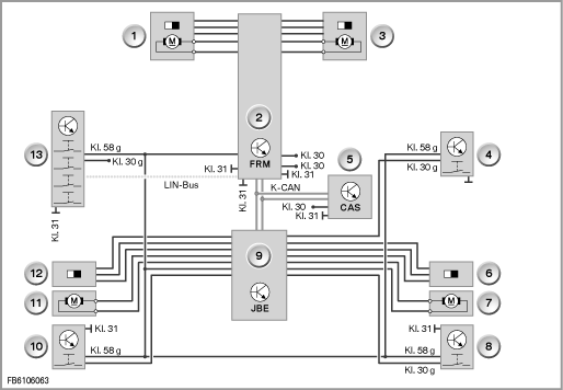
Afbeelding toont E70
Index |
Beschrijving |
Index |
Beschrijving |
1 |
Ruitbedieningsmotor bestuurderszijde, voor |
2 |
Beenruimtemoduul (FRM) |
3 |
Ruitbedieningsmotor passagierszijde, voor |
4 |
Ruitbedieningsschakalaar passagierszijde, voor |
5 |
Car Access System (CAS) |
6 |
Hallsensor ruitbedieningsmechanisme passagierszijde, achter |
7 |
Ruitbedieningsmotor passagierszijde, achter |
8 |
Ruitbedieningsschakelaar passagierszijde achter |
9 |
Junction Box met Junction-Box-elektronica (JBE) |
10 |
Ruitbedieningsschakelaar bestuurderszijde achter |
11 |
Ruitbedieningsmotor bestuurderszijde, achter |
12 |
Hallsensor ruitbedieningsmechanisme bestuurderszijde, achter |
13 |
Schakelaarblok bestuurdersportier |
|
|
De deelnemende regeleenheden communiceren via de databussen in de auto. De regeleenheden worden door de Junction Box van spanning voorzien.
Drukfouten, vergissingen en technische wijzigingen voorbehouden.