Indicação! Estrutura deste documento.
Na parte inicial deste documento encontram-se descritas as Indicações de diagnóstico mais importantes. A seguir a isso encontra a descrição de funcionamento.
Se, após uma reparação, resultarem problemas ao apagar a memória de falhas, aplicar o seguinte procedimento:
Atenção!
No caso de determinados defeitos, as luzes de controlo e de advertência apenas são apagadas após um breve teste de estrada.
Após uma substituição da unidade DSC ou da unidade de comando DSC: Têm de codificar-se os parâmetros para a indicação de avaria em pneu (RPA), assim como a regulação da velocidade de cruzeiro através de Progman.
Relativamente à função DSC, a unidade de comando DSC codifica-se automaticamente. Neste processo, também é memorizado o número do chassis. Por essa razão, não é necessária uma adaptação do sensor de guinada no DSC 8/DSC 8Plus. Em cada início de arranque (ignição ligada), o DSC compara o número do chassis memorizado com o número do chassis actual. O DSC codifica-se de acordo com o modelo da viatura, caso os números do chassis não coincidam. Nesta ocasião, os valores de compensação adaptados dos sensores são repostos para o ajuste inicial (excepção: sensor de aceleração longitudinal).
Realizar os seguintes trabalhos:
Após uma substituição do sensor DSC é necessário executar a função especial ”Adaptação Sensor DSC”. No sensor DSC é compensado o sensor de aceleração longitudinal.
O sensor de guinada forma uma unidade com os comandos na coluna da direcção (SZL). O sensor de guinada não pode ser substituído isoladamente. A função especial ”Adaptação Sensor de guinada” ou, nas viaturas com direcção activa, a função especial ”Colocação em funcionamento/alinhamento da direcção activa” deve ser executada após os seguintes trabalhos:
O E70 é equipado de série com o controlo dinâmico da estabilidade (DSC).
O E60/E61, a partir de 03/2007.
O DSC é um aperfeiçoamento do DSC 8Plus. Para diferenciação, este sistema de regulação do chassis é denominado ”DSC Premium”. O fornecedor do sistema para o DSC é a Bosch.
As funções reguladoras do DSC foram mais optimizadas. O aperfeiçoamento foi alcançado através da aplicação de uma bomba de realimentação com 6 êmbolos, assim como um sistema electrónico mais capaz. Em comparação com o modelo antecedente (E53), o E70 recebe funções mais desenvolvidas:
A segurança de marcha mais alargada resulta em combinação com outros sistemas:
O DSC é um sistema para a dinâmica de marcha que mantém a estabilidade de marcha. O DSC melhora:
O DSC reconhece, para além disso, estados de marcha instáveis, como sub ou sobreviragem. O DSC ajuda a manter viatura numa trajectória segura dentro dos limites físicos.
Para o efeito, o DSC deverá conhecer os seguintes valores:
Para além disso, o desejo do condutor é identificado a partir do ângulo de viragem e da pressão de travagem que o condutor exerce através do pedal. Os sensores de rotações das rodas fornecem ainda a informação sobre a velocidade de cada uma das rodas. A partir dos valores medidos disponíveis, determina-se a condição real em que a viatura se desloca no momento. A condição real é comparada com os valores nominais, que são calculados na unidade de comando DSC. Se os actuais valores reais divergirem da condição nominal, o DSC é activado e intervém activamente no sistema de travagem ou na gestão electrónica do motor.
São descritos os seguintes componentes para o controlo dinâmico da estabilidade (DSC):
A unidade DSC é constituída pela unidade de comando DSC e pelo grupo hidráulico. A unidade de comando DSC comanda o grupo hidráulico através de bobinas da válvula.

Índice |
Explicação |
Índice |
Explicação |
|---|---|---|---|
1 |
Unidade de comando DSC com ficha de ligação |
2 |
Unidade hidráulica |
3 |
Motor da bomba |
|
|
Na unidade DSC, encontra-se um sensor da pressão de travagem. Este sensor da pressão de travagem regista a pressão de travagem aplicada sobre o pedal do travão e o servofreio.
O sensor da pressão de travagem possui um alcance de medição de 0 até 250 bar. O seu ponto zero só é adaptado durante a marcha.
A unidade DSC permite com a sua nova concepção uma regulação mais precisa. No motor da bomba trabalham 2 x 3 elementos da bomba com 6,5 mm. Através desta concepção resulta uma dinâmica de pressão nitidamente aperfeiçoada. Deste modo, o pedal do travão pulsa menos em caso de controlo ABS. Além disso, ajusta-se uma qualidade de regulação mais elevada com Controlo da Velocidade em Descida (HDC).

Índice |
Explicação |
Índice |
Explicação |
|---|---|---|---|
A |
DSC 8Plus |
B |
DSC Premium |
1 |
Fluxo volumétrico [l/min] |
2 |
Tempo [s] |
O distribuidor de corrente no sistema electrónico caixa de junções (JBE) alimenta a unidade DSC com tensão. Uma vez o borne 30 para a bomba de realimentação, uma vez o borne 30 para as válvulas electromagnéticas. A unidade de comando DSC recebe o borne 30g.
Os sensores activos de rotações das rodas determinam as velocidades periféricas de cada uma das rodas. Além disso, os sensores de rotações das rodas detectam o sentido de rotação (para a frente ou para trás). Com a roda parada, o sensor de rotações da roda envia cada
0,75 segundos um impulso. Através do impulso de corrente é indicada a disponibilidade do sensor de rotações da roda.
Através dos sensores activos de rotações das rodas resultam as seguintes vantagens:

Índice |
Explicação |
Índice |
Explicação |
|---|---|---|---|
1 |
Sensor de rotações da roda do trem dianteiro |
2 |
Sensor de rotações da roda do trem traseiro |
3 |
Impulso para as rotações |
4 |
Informações adicionais, como sentido de rotação e folga |
5 |
Curva do sinal |
6 |
Rolamento da roda com ímans |
No eixo dianteiro e traseiro encontra-se um círculo de ímans à volta do rolamento da roda (coroa de incremento). Os pólos norte e sul da coroa de incremento alternam-se. Um pólo norte com um pólo sul corresponde a 1 incremento (comparável com um dente/entredentes de uma roda de incremento). O sensor de rotações da roda é composto por 3 sensores Hall e um sistema electrónico de avaliação.
Os sensores activos de rotações das rodas alteram a sua resistência eléctrica sob a influência de um campo magnético. Cada incremento causa 2 impulsos no sensor de rotações da roda (96 impulsos/rotações das rodas). Para a transferência de dados para a unidade de comando são adicionados ao flanco do impulso ainda mais dados adicionais. Este processamento de dados integrado vai para além da detecção pura das rotações de forma funcional. São, p. ex., possíveis as seguintes informações adicionais:
O sensor DSC mede:

Índice |
Explicação |
Índice |
Explicação |
|---|---|---|---|
1 |
Sensor DSC |
2 |
Ficha de ligação |
O elemento sensor é constituído por 2 sensores de aceleração piezoeléctricos. Na célula de medição dos sensores de aceleração encontra-se elasticamente suspensa uma massa.
Em caso de movimento acelerado, as 2 massas suspensas de modo elástico também são aceleradas. A força necessária para o efeito gera uma tensão mecânica no material piezoeléctrico. O deslocamento da carga eléctrica daqui resultante é captado por meio de eléctrodos de metal, sendo processado posteriormente como sinal eléctrico. Da diferença de ambos os sinais de aceleração deriva o factor de desequilíbrio direccional. O sensor DSC fornece, assim, um sinal do factor de desequilíbrio direccional e um sinal de aceleração.
O sensor de aceleração longitudinal é necessário para o assistente no arranque.
O sensor DSC está ligado à unidade de comando DSC através do CAN da suspensão (F-CAN).
A unidade de comando DSC alimenta o sensor DSC com tensão.
O sensor de guinada está montado nos comandos na coluna da direcção (SZL). O sensor de guinada mede opticamente e de proximidade o ângulo de direcção. O sensor de guinada está fixado na placa de circuitos com o sistema electrónico de avaliação. O sensor de guinada é composto pelos seguintes componentes: Disco de código e sensor óptico.
O disco de código está ligado ao volante através da cassete da mola em espiral. Quando o volante for movimentado, desloca-se o disco de código dentro do sensor óptico. No disco de código existem vários modelos de linhas para a avaliação.

Índice |
Explicação |
Índice |
Explicação |
|---|---|---|---|
1 |
Comandos na coluna da direcção (SZL) |
2 |
Sensor óptico |
3 |
Disco de código |
|
|
Os comandos na coluna da direcção (SZL) estão ligados à unidade de comando DSC através do CAN da suspensão (F-CAN).
Com a tecla DTC muda-se a condição de funcionamento do sistema de regulação do chassis. A tecla DTC tem a inscrição ”DTC”. Através da tecla DTC podem ser seleccionados os seguintes 3 estados de comutação:
E70:
A tecla DTC encontra-se no painel de comando na consola central (sem unidade de comando). O painel de comando na consola central está ligado ao sistema integrado de chaufagem e ar condicionado automáticos (IHKA). O IHKA envia o sinal ao K-CAN.
E60 e E61 a partir de 03/2007:
A tecla DTC encontra-se no bloco de interruptores, à esquerda, junto do cinzeiro. O bloco de interruptores está conectado ao painel de comando na consola central (SZM). A unidade de comando SZA encontra-se no porta-equipamentos, atrás do porta-luvas.

A imagem mostra o E70
Índice |
Explicação |
Índice |
Explicação |
|---|---|---|---|
1 |
Painel de comando na consola central |
2 |
Tecla HDC HDC significa Hill Descent Control: controlo da velocidade em descida |
3 |
Tecla DTC |
|
|
E70:
A tecla HDC também se encontra no painel de comando na consola central.
E60 e E61:
O controlo da velocidade em descida (HDC) pode ser atribuído às teclas livremente programáveis no volante. Além disso, o HDC pode ser activado através do iDrive.
O DSC obtém sinais de entrada adicionais dos seguintes componentes:
O nível do óleo dos travões demasiado reduzido é detectado (no depósito de compensação através de um contacto Reed) e transmitido à unidade de comando DSC. O DSC está desactivado em caso de nível insuficiente do óleo dos travões. Caso contrário, existe o perigo de o ar ser aspirado para dentro do sistema de travagem.
Em conjunto com o sinal do sensor da pressão de travagem, são reconhecidas travagens.
No interruptor das luzes de travão encontram-se instalados 2 interruptores (2 posições). Um sinal é disponibilizado ao DSC através de uma linha. Ambos os sinais são recebidos pela unidade de comando do motor. A unidade de comando do motor emite o sinal na PT-CAN. A partir de ambos os sinais, a unidade de comando DSC detecta se o pedal do travão está premido.

Índice |
Explicação |
Índice |
Explicação |
|---|---|---|---|
1 |
Interruptor das luzes de travão |
2 |
Ficha de ligação |
O sistema de acesso à viatura (CAS) abastece o interruptor das luzes de travão com o borne R.
Os sensores de desgaste da pastilha de travão (à frente à esquerda e atrás à direita nas pastilhas de travão internas) servem como informação suplementar para a força da pastilha do travão. Através da informação suplementar (2 posições de apoio), o valor calculado do DSC é ajustado.

Índice |
Explicação |
Índice |
Explicação |
|---|---|---|---|
1 |
Disco de travão |
2 |
Pinça do travão |
3 |
Sensor do desgaste das pastilhas de travão (exemplo do trem traseiro) |
|
|
Uma espessura crítica das pastilhas dos travões é indicada no instrumento combinado através da indicação de necessidade de manutenção (Condition Based Service CBS), bem como da luz de advertência geral dos travões a vermelho.
As seguintes outras unidades de comando participam no controlo dinâmico da estabilidade:
Em caso de falha ou avaria do DSC, aparece um símbolo do Check-Control no display de cristais líquidos. Os símbolos do Check-Control têm todos um determinado significado.
Caso exista uma mensagem do Check-Control, é possível apresentar adicionalmente uma indicação de procedimento complementar no display central de informações (CID).
O CAS recebe do DSC um sinal das rotações processado. O CAS reconhece, a partir do sinal, se a viatura está imobilizada ou em andamento.
O distribuidor de corrente no sistema electrónico caixa de junções abastece a unidade DSC com tensão.
Borne 30 para a bomba de realimentação e as válvulas electromagnéticas.
Borne 30g para a unidade de comando DSC.

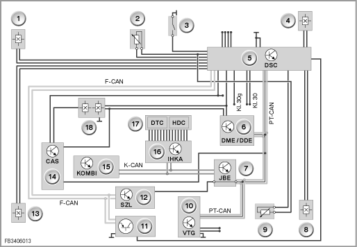
A imagem mostra o E70
Índice |
Explicação |
Índice |
Explicação |
|---|---|---|---|
1 |
Sensor de rotações da roda dianteiro esquerdo |
2 |
Sensor do desgaste das pastilhas de travão dianteiro esquerdo |
3 |
Interruptor do nível do óleo dos travões |
4 |
Sensor de rotações da roda dianteira direita |
5 |
Controlo dinâmico da estabilidade (DSC) |
6 |
Electrónica Digital do Motor ou Electrónica Digital Diesel (DME ou DDE) |
7 |
Sistema electrónico caixa de junções (JBE) |
8 |
Sensor de rotações da roda traseira direita |
9 |
Sensor do desgaste das pastilhas de travão dianteiro esquerdo |
10 |
Caixa de transferência (VTG) |
11 |
Sensor DSC |
12 |
Unidade de comutação da coluna da direcção (SZL) |
13 |
Sensor de rotações da roda traseira esquerda |
14 |
Sistema de acesso à viatura (CAS) CAS |
15 |
Instrumento combinado (KOMBI) |
16 |
Sistema integrado de chaufagem e ar condicionado automáticos (IHKA) |
17 |
Painel de comando da consola central |
18 |
Interruptor das luzes de travão |
F-CAN |
CAN da suspensão |
K-CAN |
CAN da carroçaria |
Kl. 30 |
Borne 30 |
Kl. 30g |
Borne 30g |
PT-CAN |
Powertrain CAN |
|
|
As seguintes funções novas do sistema para o E70 são descritas para o DSC:
Outras funções do sistema conhecidas para o DSC são:
Adicionalmente, estão ainda integradas as seguintes funções que não pertencem ao controlo da dinâmica de marcha:
DTC é uma versão do DSC optimizado para tracção, para determinadas condições do piso. O Controlo Dinâmico da Tracção (DTC) (DTC) oferece uma tracção melhorada com uma estabilidade de marcha parcialmente reduzida e, por isso, só é recomendado para situações excepcionais. Nas seguintes situações excepcionais pode ser conveniente activar o DTC por breves instantes:
A função DTC corresponde ao DSC com uma estratégia de regulação um pouco alterada. O DTC pode ser activado, desactivando o DSC (tecla DTC). O DTC forma, através da intervenção dos travões, a função de um bloqueio do diferencial convencional. Deste modo, aumenta o binário do motor sobre as rodas que se encontram num revestimento com um coeficiente de fricção mais elevado.
Vantagem: Com o DTC está disponível uma tracção mais elevada. As intervenções para a estabilização da viatura (p. ex., redução da potência do motor) são efectuadas um pouco mais tarde do que no DSC. Em determinadas situações, o próprio condutor tem de intervir mais fortemente para estabilizar a viatura.
A aplicação precoce das pastilhas dos travões reduz o tempo de reacção dos travões. Caso se retire rapidamente o pé do pedal do acelerador (ângulo do acelerador), as pastilhas do travão são imediatamente aplicadas. O DSC cria uma pressão de travagem reduzida sem que surja uma desaceleração mensurável na viatura. Deste modo, compensa-se a folga entre as pastilhas dos travões e os discos de travão. Se não se travar no espaço de meio segundo, volta-se a retirar a pressão de travagem gerada antecipadamente. A aplicação antecipada das pastilhas dos travões está activada no caso de uma velocidade superior a 70 km/h.
”Secar travões” remove a humidade que se deposita em viagens com o piso molhado ou chuva nos discos de travão. Nessa ocasião, as pastilhas dos travões são levemente aplicadas. Esta função também reduz o tempo de reacção dos travões. Em função do sinal do sensor de chuva e da posição do interruptor dos limpa-vidros, o DSC cria ciclicamente uma pressão de travagem reduzida. Assim, não surge nenhuma desaceleração mensurável na viatura. As pastilhas do travão são aplicadas de forma cíclica. Os discos de travão são limpos regularmente. Com que frequência e durante quanto tempo são aplicadas as pastilhas dos travões depende:
Fading (compensação de perda de eficácia dos travões) significa: O efeito de travagem devido à temperatura elevada dos discos dos travões reduz-se. Como reacção ao fading detectado, o DSC aumenta a pressão de travagem para além da pressão de travagem determinada pelo condutor. Em caso de temperatura muito elevada dos discos de travão, é indicado o seguinte através da compensação de perda de eficácia dos travões:
O DSC detecta o Fading como se segue: O DSC compara a desaceleração actual da viatura com um valor nominal em relação à pressão de travagem actual. O DSC aumenta a pressão de travagem até a desaceleração nominal ser alcançada ou até todas as rodas se encontrarem no controlo ABS. O processo é terminado quando o pedal do travão já não for accionado ou for excedido por defeito um limiar de velocidade.
Ao iniciar a marcha numa subida, é necessário mudar do pedal do travão para o pedal do acelerador. O auxílio no arranque impede, então, que a viatura resvale nas seguintes situações:
Além disso, a pressão de travagem necessária para a paragem da viatura mantém-se na posição vertical. A inclinação da faixa de rodagem é detectada pelo sensor de aceleração longitudinal na unidade de comando DSC. A partir da inclinação da faixa de rodagem é calculado o binário de travagem ou o binário do motor necessários. Após o reconhecimento do desejo de iniciar a marcha, a pressão de travagem é retirada, assim que o binário do motor existente seja suficiente para mover a viatura para o sentido de marcha desejado. Ao accionar o travão de estacionamento, desactiva-se o auxílio no arranque. Se após soltar o pedal do travão, dentro de aprox. 2 segundos, não houver desejo de iniciar a marcha, o auxílio no arranque desactiva-se igualmente.
O sistema de controlo da velocidade de cruzeiro com função de travagem está integrado funcionalmente no DSC. O sistema de controlo da velocidade de cruzeiro mantém a velocidade seleccionada constante entre 30 km/h e 250 km/h.
Em comparação com o sistema de controlo da velocidade de cruzeiro habitual, existem as seguintes funções adicionais:
O EMF é um travão de estacionamento.
Com o motor a funcionar, o DSC aplica a força de prisão hidraulicamente.
Com o motor desligado, o EMF aplica mecanicamente a força de prisão através da unidade de regulação.
O sistema antibloqueio de travões (ABS) impede o bloqueio das rodas ao travar. Vantagem: distâncias de travagem curtas, a viatura permanece estável e manobrável. A pressão de travagem em todas as rodas é regulada, de modo a que cada roda se mova numa faixa de patinagem ideal. Nesta situação, a patinagem é controlada de modo a que possam ser transmitidas forças de travagem e directoras laterais mais elevadas possível.
O Sistema Electrónico de Distribuição da Força de Travagem (EBV) é parte integrante do ABS. O EBV controla a repartição da força de travagem entre o trem dianteiro e traseiro em função da carga. Vantagem: independentemente da carga, conseguem-se boas distâncias de travagem mantendo, ao mesmo tempo, uma estabilidade de marcha elevada. O desgaste das pastilhas dos travões torna-se mais uniforme. Em caso de falha do ABS, a função EBV é mantida durante o máximo tempo possível. Para a função EBV são necessários os sinais de, pelo menos, 2 sensores de rotações das rodas por cada eixo.
O controlo de travagem em curva (CBC) é uma ampliação do ABS. O CBC aumenta a estabilidade de marcha ao travar em curvas (”Logística de curvar”). Vantagem: optimização da estabilidade de marcha no comportamento de travagem parcial ao conduzir em curva. O deslocamento das cargas sobre as rodas ao curvar (mesmo travando ligeiramente) pode levar à redução da estabilidade de marcha. Se necessário, ao travar levemente fora da margem de regulação ABS, o CBC gera um binário oposto estabilizador.
O controlo da inércia do motor (MSR) evita a tendência para bloquear das rodas motrizes em piso escorregadio. Ao mudar para uma velocidade inferior ou em caso de variação repentina da carga, as rodas motrizes correm o perigo de serem bloqueadas pela contribuição da inércia do motor (em particular numa faixa de rodagem com um reduzido coeficiente de fricção). Através dos sensores de rotações das rodas, o MSR reconhece desde logo a tendência para bloqueio. O MSR diminui temporariamente a contribuição da inércia do motor através de uma leve aceleração. Vantagem: em marcha sob efeito de travão do motor, as rodas motrizes conservam as suas forças directoras laterais.
O controlo automático de estabilidade (ASC) impede a patinagem das rodas ao acelerar através de intervenções nos travões e no motor. Vantagem: mais tracção e melhor estabilidade de marcha. Se as rodas do trem accionado agarrem de modo diferente, é travada a roda com tendência a patinar. Se necessário, também é reduzida a potência do motor.
O estado de marcha actual da viatura é detectado pelo controlo dinâmico da estabilidade (DSC) através da exploração dos sinais dos sensores: Este estado de marcha da viatura é comparado com os valores nominais determinados através de um modelo de cálculo. Desse modo, são, logo de início, identificados estados de marcha instáveis da viatura. Em caso de desvios superiores a um valor limite de regulação memorizado na unidade de comando DSC, a viatura é estabilizada. A estabilização (dentro dos limites físicos) alcança-se através da redução da potência do motor e através da travagem individual de cada roda. As intervenções do DSC sobrepõem-se às funções ABS e ASC. A função DSC é desactivável através de uma tecla. O R56 não possui nenhum Controlo Dinâmico da Tracção (DTC).
O controlo dinâmico dos travões (DBC) representa um auxílio em situações de travagem de emergência, intensificando automaticamente a pressão de travagem. Vantagem: percursos de travagem o mais curto possíveis em situações de travagem de emergência, através do alcance da regulação ABS em todas as 4 rodas. Em situações de travagem de emergência, muitas vezes, o pedal do travão não é pressionado com força suficiente. Deste modo, não se alcança a margem de regulação ABS. A bomba de realimentação leva os travões até à faixa de regulação ABS, por meio do aumento da pressão de travagem, nas seguintes situações:
O controlo dinâmico da estabilidade (DSC) indica o valor nominal para a regulação da tracção integral no xDrive. A unidade de comando DSC calcula o momento de bloqueio para a embraiagem de discos múltiplos na caixa de transferência. O valor nominal depende das tendências para a sobre ou subviragem da viatura e patinagem das rodas. O valor nominal é enviado no PT-CAN à unidade de comando VTG. A unidade de comando VTG sinaliza o momento de bloqueio efectivo ajustado à unidade de comando DSC. A unidade de comando DSC calcula o momento de bloqueio da embraiagem de discos múltiplos como se segue:
O Controlo da Velocidade em Descida (HDC) é um sistema de controlo da velocidade de cruzeiro automático para descidas acentuadas nas viaturas com tracção integral. O HDC pode ser ligado e desligado no painel de comando na consola central. O HDC reduz automaticamente a velocidade de deslocação. A velocidade de deslocação é reduzida através da intervenção dos travões nas quatro rodas para um pouco mais do que a velocidade de passo. Deste modo, resulta uma descida acentuada estável em piso íngreme e plano. O HDC mantém esta velocidade constante (as funções DSC permanecem todas activadas). Com o acelerador e o pedal do travão ou a alavanca na coluna de direcção para o sistema de controlo da velocidade de cruzeiro pode variar-se a velocidade de deslocação de forma progressiva dentro de valores determinados. A partir de fábrica está previamente ocupada a tecla inferior de programação livre no volante multifunções com o HDC.
O controlo da estabilidade do reboque detecta oscilações de um reboque em volta do eixo vertical. O sistema funciona a partir de uma velocidade de cerca de 65 km/h com a tomada para reboque ocupada. O controlo dinâmico da estabilidade (DSC) monitoriza, com a ajuda dos sensores DSC, o comportamento de guinada da viatura. Se com o reboque a oscilar for excedido o valor limite, reduz-se a potência do motor. Além disso, o DSC trava automaticamente as 4 rodas. Com o DSC activado ou desactivado, também o controlo de estabilidade do reboque não funciona.
O indicador de insuficiência de pressão nos pneus (RPA) não é uma função do controlo da dinâmica de marcha. O RPA está integrado na unidade de comando DSC, pois para esta função são necessários os 4 sinais de velocidade de rotação da roda. O sistema compara, através dos 4 números de rotação das rodas, um desvio dos perímetros de rodagem de cada uma das rodas. Desse modo, detecta-se uma perda de pressão lenta nos pneus.
O indicador de insuficiência de pressão nos pneus pode ser inicializado do seguinte modo:
O CBS não é nenhuma função do controlo da dinâmica de marcha. Condition Based Service significa ”Manutenção orientada em função da condição”. No CBS estão integrados vários âmbitos de manutenção, p. ex., óleo de motor, velas de ignição e pastilhas de travão. Na unidade de comando DSC, a distância remanescente para as pastilhas dos travões dianteiros e traseiros é calculada separadamente. Para o cálculo também se utiliza o estado dos sensores de desgaste das pastilhas dos travões (posição de encosto a 6 mm e 4 mm).
Atenção! Substituir a unidade de comando DSC.
Em caso de substituição da unidade de comando DSC deve observar-se o Manual de reparação (é necessária a ferramenta especial).
No sistema de diagnóstico BMW estão disponíveis as seguintes funções especiais:
Após uma substituição, a unidade de comando DSC deve ser codificada.
O DSC encontra-se pronto a funcionar sempre que o motor é colocado em funcionamento.
Reserva-se o direito a erros de impressão, lapsos e alterações técnicas.