Indicação! SA 5DF em função do país, apenas em conjunto com determinados equipamentos extra.
O sistema de controlo activo da velocidade de cruzeiro com função Stop&Go só está, actualmente, disponível com SA 205 ”Caixa de velocidades automática” ou com SA 2TB ”Caixa de velocidades automática desportiva”.
Em alguns mercados, devido a restrições de licenciamento, o ACC é disponibilizado sem função Stop&Go.
O ACC sem função Stop&Go distingue-se unicamente, pela falta dos sensores de curto alcance.
Na Europa, o SA 5DF é disponibilizado apenas em conjunto com o sistema de navegação. Motivo: Desactivação, exigida por lei, nas proximidades de estações radioastronómicas.

Índice |
Explicação |
Índice |
Explicação |
|---|---|---|---|
1 |
Eixo central do sensor de curto alcance, lado esquerdo |
2 |
Eixo longitudinal da viatura |
3 |
Eixo central do sensor de longo alcance |
4 |
Eixo central do sensor de curto alcance, lado direito |
5 |
Sensor de longo alcance com suporte |
6 |
Sensor de curto alcance, lado direito, com suporte |
7 |
Suporte do pára-choques |
8 |
Sensor de curto alcance, lado esquerdo, com suporte |
É necessário observarem-se as seguintes indicações de manutenção:
O texto seguinte descreve o novo sistema de controlo activo da velocidade de cruzeiro com função Stop&Go (equipamento extra 5DF).
O sistema de controlo activo da velocidade de cruzeiro com função Stop&Go é um desenvolvimento do sistema de controlo activo da velocidade de cruzeiro (ACC) conhecido até à data.
Como complemento ao conhecido sistema de controlo activo da velocidade de cruzeiro, a função Stop&Go permite:
A velocidade desejada pode ser escolhida entre os 30 km/h e os 180 km/h: em passos confortáveis de dezenas ou precisos de unidades. A velocidade desejada é indicada no instrumento combinado. Além disso, existe a possibilidade de seleccionar entre 4 distâncias.
Com o novo equipamento extra é aplicado, igualmente, um novo subcanal: Sensor-CAN (S-CAN).
São descritos os seguintes componentes para o ACC:
Os sensores de curto alcance são sensores de radar (Short Range Radar).
Para o ACC com função Stop&Go são instalados dois sensores de curto alcance idênticos. Os sensores de curto alcance estão montados no suporte do pára-choques dianteiro com um suporte de plástico.

Índice |
Explicação |
Índice |
Explicação |
|---|---|---|---|
1 |
Sensor de curto alcance |
2 |
suportes |
Os sensores de curto alcance estão ligados à unidade de comando LDM através do Sensor-CAN (S-CAN).
Os sensores de curto alcance têm a seguinte função:
Os dados dos sensores de curto alcance relativos aos objectos são utilizados unicamente para a função Stop&Go do ACC (não para o assistente adaptativo dos travões).
LRR significa Long Range Radar.

Índice |
Explicação |
Índice |
Explicação |
|---|---|---|---|
1 |
Sensor de longo alcance |
2 |
suportes |
O sensor de longo alcance (o antigo sensor ACC) é um sensor de radar. O sensor de longo alcance é, simultaneamente, uma unidade de comando. Dessa forma, o sensor de longo alcance tem um endereço de unidade de comando, estando ainda apto para diagnóstico e programação.
Um sensor de longo alcance detecta a distância, o ângulo e a velocidade de objectos em movimento. A área abrangida é de até 150 metros à frente da viatura. Estes dados são processados na unidade de comando LDM (gestão da dinâmica longitudinal).
A unidade de comando da gestão da dinâmica longitudinal está montada no porta-equipamentos, por trás do porta-luvas.

Índice |
Explicação |
Índice |
Explicação |
|---|---|---|---|
1 |
Porta-equipamentos |
2 |
Unidade de comando LDM |
A unidade de comando LDM assume as seguintes tarefas para o ACC com função Stop&Go:
O LRR e a unidade de comando LDM são alimentadas pela unidade de comando CAS com uma linha de reactivação ”wake-up” própria, desacoplada electricamente da linha de reactivação ”wake-up” convencional. Esta solução foi escolhida, visto que o sensor de longo alcance está instalado numa zona com risco de acidentes (parte dianteira da viatura). Se a linha de reactivação ”wake-up” tiver sido danificada (p.ex., curto-circuito à massa) em caso de acidente, esta solução permite limitar os efeitos sobre outras unidades de comando.
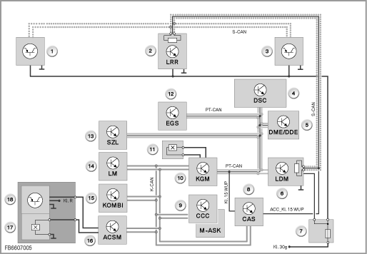
O novo sensor-CAN (S-CAN) conecta:
O S-CAN foi necessário em virtude do grande volume de dados dos sensores de radar.
Este volume de dados teria excedido a capacidade de transmissão livre dos sistemas de canal existentes.

Índice |
Explicação |
Índice |
Explicação |
|---|---|---|---|
1 |
Sensor de curto alcance, lado esquerdo |
2 |
Sensor de longo alcance (LRR) |
3 |
Sensor de curto alcance, lado direito |
4 |
Controlo dinâmico da estabilidade (DSC) |
5 |
Electrónica Digital do Motor (DME) ou Electrónica Digital Diesel (DDE) |
6 |
gestão da dinâmica longitudinal (LDM) |
7 |
Protecção no compartimento da mala |
8 |
Sistema de acesso à viatura (CAS) |
9 |
Car Communication Computer (CCC) e controlador múltiplo do sistema áudio (M-ASK) |
10 |
Módulo de gateway da carroçaria (KGM) |
11 |
Contacto da porta do condutor |
12 |
comando electrónico da caixa de velocidades (EGS) |
13 |
Comandos na coluna da direcção (SZL) |
14 |
Módulo de comutação das luzes (LM) |
15 |
Instrumento combinado (KOMBI) |
16 |
Advanced Crash Safety Module (ACSM) |
17 |
Contacto do fecho do cinto de segurança |
18 |
Esteira de detecção de ocupação do banco |
Características do Sensor-CAN:
São descritas as seguintes funções do sistema:
Para a transposição da função Stop&Go é necessária uma interligação de sistemas complexa com funções distribuídas noutras unidades de comando. A unidade de comando LDM está ligada a estas outras unidades de comando através de canais de dados.

Índice |
Explicação |
Índice |
Explicação |
|---|---|---|---|
1 |
Sensor de longo alcance (LRR) |
2 |
Sensor de curto alcance, lado esquerdo |
3 |
Sensor de curto alcance, lado direito |
4 |
Comandos na coluna da direcção (SZL) |
5 |
Módulo de gateway da carroçaria (KGM) |
6 |
Instrumento combinado (KOMBI) |
7 |
Controlo dinâmico da estabilidade (DSC) |
8 |
comando electrónico da caixa de velocidades (EGS) |
9 |
Electrónica Digital do Motor (DME) ou Electrónica Digital Diesel (DDE) |
10 |
gestão da dinâmica longitudinal (LDM) |
Para a função global estão interligadas as seguintes unidades de comando:
Unidade de comando |
Função |
|---|---|
DME ou DDE: Gestão electrónica do motor |
Transposição da solicitação de binário Sinal ”Motor em funcionamento” |
DSC: Controlo dinâmico da estabilidade |
Estado de marcha da viatura Transposição das intervenções nos travões |
SZL: Comandos na coluna da direcção |
Alavanca de comando Ângulo de viragem Activação das buzinas |
CCC, M-ASK: Sistema de navegação |
Dados do sistema de navegação (influência sobre os valores de regulação) |
KOMBI: Instrumento combinado |
Apresentação das indicações (ACC e mensagens do Check-Control) |
EGS: Comando da caixa de velocidades |
Posição de marcha |
CAS: Car Access System (sistema de acesso à viatura) |
Condição do borne e linha de reactivação ”wake-up” |
KGM: Módulo de ligação da carroçaria |
Contacto da porta (intenção de saída do condutor) |
AHM: Módulo do reboque |
Reconhecimento da condução com reboque |
ACSM. Módulo de segurança de colisão |
Ocupação do assento do banco do condutor (intenção de saída do condutor) Contacto do fecho do cinto de segurança (intenção de saída do condutor) |
RLS: Sensor de chuva/luz |
Condição do piso (humidade) |
SZM: Painel de comando na consola central |
Tecla DTC |
LM: Módulo de comutação das luzes |
Comando do sistema de luzes de emergência |
O assistente adaptativo dos travões é uma função do DSC. A unidade de comando LDM é a porta de ligação entre o S-CAN e o CAN Power.
A maior vantagem oferecida pelo assistente adaptativo dos travões regista-se em situações de travagem de emergência. Se o condutor da viatura que circula à frente travar a fundo, o sensor de longo alcance detecta esta situação.
O assistente dos travões ajuda a efectuar a travagem em perfeitas condições, impedindo um acidente por aproximação rápida da viatura da frente.
Para o efeito estão disponíveis as seguintes funções:
Com o ACC activo, o assistente adaptativo dos travões está sempre ligado.
O assistente adaptativo dos travões está disponível, mesmo em caso de ACC sem função Stop&Go.
Se os limites de funcionamento do ACC forem atingidos, pode ocorrer um comportamento do sistema passível de explicações para o condutor. Em seguida são descritas tais situações:
Reserva-se o direito a erros de impressão, lapsos e alterações técnicas.