Central Head Unit and Multimedia Platform

CHAMP (só versão EUA)

Central Head Unit and Multimedia Platform (CHAMP) é uma plataforma multimédia na viatura. CHAMP é equipamento de série (Radio Business ou SA 663: Rádio BMW Professional).

Na versão EURO será aplicada a geração seguinte do Controlador do sistema áudio e multimédia (M-ASK).

Ao contrário do M-ASK, o CHAMP não dispõe de um sistema de navegação.

Os seguintes âmbitos são novos para CHAMP:

Descrição resumida do componente

São descritos os seguintes componentes para o CHAMP:

CHAMP: Central Head Unit and Multimedia Platform

O CHAMP é o gateway (”head unit”) para o canal MOST e a K-CAN.

GR_FB8406001

Índice

Explicação

Índice

Explicação

1

6 teclas de favoritos

2

Tecla para funcionamento em FM e AM (fixo na versão EUA)

3

Tecla MODE

4

Central Head Unit and Multimedia Platform (CHAMP)

Várias unidades de comando e o leitor encontram-se integrados numa caixa. O CHAMP é de construção modular: No CHAMP, as áreas funcionais encontram-se reunidas em unidades de comando ”virtuais”. ”Virtual” significa: as unidades de comando individuais, embora estejam reunidas no CHAMP, trabalham como unidades de comando ”independentes” (p. ex. durante a programação).

Para o diagnóstico distinguem-se as seguintes unidades de comando ”virtuais”:

Um ventilador eléctrico para o arrefecimento dos estágios finais de áudio e dos processadores encontra-se na parte de trás da caixa do rádio de norma DIN.

Teclas de favoritos

As teclas de favoritos são teclas programáveis.
As teclas de favoritos permitem a memorização das seguintes funções para um acesso mais rápido (em função do opcional):

GR_FB8406004

Índice

Explicação

Índice

Explicação

1

Leitor de CDs

2

Teclas de favoritos

Nas teclas de favoritos encontra-se um sensor capacitivo que reage ao contacto.

A atribuição de todas as teclas de favoritos pode ser apagada no menu ”Ajustes” -> ”Viatura”. A atribuição das teclas de favoritos encontra-se descrita de forma detalhada no Manual do condutor.

CID: Display central de informações

O CID é a unidade de visualização gráfica central. A dimensão do monitor a cores é de 6,5”.

GR_FB8406007

Índice

Explicação

Índice

Explicação

A

Parte dianteira

B

Parte traseira

1

Display central de informações (CID)

2

Ficha de ligação para linha de dados LVDS

3

Ficha de ligação para canal CAN e alimentação

 

 

O display central de informações está conectado ao CHAMP através de uma linha de dados LVDS (Low Voltage Differential Signaling). A linha de dados LVDS é uma tecnologia através da qual os dados gráficos são transmitidos de modo seguro por um trajecto mais comprido. Para a linha de dados LVDS foram desenvolvidas fichas de ligação próprias.
O CID também está conectado ao K-CAN.

O CID contém um fototransístor para o controlo da luminosidade do display de cristais líquidos (em função da luminosidade ambiente). O display de cristais líquidos é aquecido.

CON: Controller

O Controller fornece os sinais para a selecção dos menus e submenus. Seleccionam-se os submenus, rodando e/ou deslocando o Controller. Depois de solto, o Controller regressa sempre à sua posição de repouso.

GR_FB8406008

Índice

Explicação

Índice

Explicação

1

Controller

2

Tecla MENU

3

Tecla Push-toTalk

4

Ficha de ligação no Controller

Atrás do Controller encontra-se a tecla MENU e a tecla Push-to-Talk. Com a tecla MENU pode chamar-se o menu principal no display central de informações. Com a tecla Pusch-to-Talk é possível iniciar o sistema de introdução por voz.

O Controller encontra-se conectado ao K-CAN. O Controller recebe o borne 58g através do K-CAN.

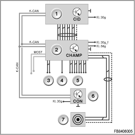
Funções do sistema

Estão descritas as seguintes funções do sistema para CHAMP:

GR_FB8406005

Índice

Explicação

Índice

Explicação

1

Display central de informações (CID)

2

Central Head Unit and Multimedia Platform (CHAMP)

3

ao módulo de antenas diversity

4

ao módulo de antenas diversity

5

aos altifalantes

6

Controller (CON)

7

Ligação AUX-In

 

 

K-CAN

CAN da carroçaria

Kl. 30g

Borne 30 ligado

Kl. 30g_f

Borne 30 ligado em caso de defeito no MOST

Kl. 58g

Luz de localização

MOST

Media Oriented System Transport (cabo de fibra óptica)

 

 


Sintonizador

O CHAMP possui um sintonizador duplo para AM/FM. Enquanto o sintonizador 1 capta a emissora de rádio pretendida, o sintonizador 2 trabalha em segundo plano. O sintonizador 2 faz uma busca de sinais adicionais no espaço radiofónico. Se um emissor de rádio emitir um sinal mais forte numa outra frequência, o sistema comuta automaticamente para esta frequência alternativa. Ambos os sintonizadores recebem informações do Radio Data System (RDS) que são emitidas com o sinal de emissão do emissor FM. Com o RDS é possível captar mensagens de trânsito de um emissor FM quando está sintonizado um emissor AM. Caso seja recebida uma mensagem de trânsito, o emissor AM é desactivado e a mensagem emitida através dos altifalantes.

Controlador do sistema áudio

Como controlador do sistema áudio, o CHAMP tem as seguintes funções:

Interface de utilizador do CHAMP

A unidade de comando Interface de utilizador do CHAMP (CHAMP-BO), processa os sinais do Controller: p. ex., selecção dos menus e submenus. CHAMP-BO controla para além disso a emissão de informações no display central de informações (CID). Os dados existentes no processador gráfico são transmitidos imediatamente ao CID como sinais digitais Low Voltage Differential Signaling (LVDS).

Gateway CHAMP

A unidade de comando Gateway CHAMP constitui a interface para o intercâmbio de dados entre o canal MOST e a K-CAN. Os dois sistemas de canais transmitem formatos de dados com diferentes taxas de transmissão de dados e formatos. Os dados são devidamente configurados no gateway CHAMP para o respectivo canal para que seja possível comunicar com todos os sistemas.

Indicações para o SAV

Indicações gerais

Reposição do CHAMP

O CHAMP pode ser reposto através das seguintes medidas:

Nenhuma tecla ou combinação de teclas está prevista para a reposição do CHAMP.

Indicação! O CHAMP só é substituído integralmente.

O CHAMP é substituído no Serviço como unidade completa.

Indicações de diagnóstico

Nas funções da unidade de comando está disponível um grande número de verificações para o CHAMP.

Exemplo: Um CD que tenha ficado ”pendurado” no leitor de CDs, pode ser ejectado com as funções da unidade de comando.

As teclas de favoritos (teclas programáveis) introduzidas com o CHAMP, são diagnosticáveis através de uma função da unidade de comando.

Versões nacionais

Versão Europa:

Como Rádio BMW Professional é distribuído o Controlador do sistema áudio e multimédia (M-ASK) em lugar do CHAMP.
O M-ASK pode ser identificado pelas suas 8 teclas de favoritos.

GR_FB8406006

Índice

Explicação

Índice

Explicação

1

Controlador do sistema áudio e multimédia

2

8 teclas de favoritos de atribuição livre

Reserva-se o direito a erros de impressão, lapsos e alterações técnicas.