Para se assegurar o serviço de advertência de trânsito ”Real Time Traffic Information (RTTI)”, é instalado um splitter de antena passivo na unidade de comando IBOC. Por este meio, é possível colocar os sinais HF à disposição da unidade de comando IBOC e do CCC. O RTTI só está disponível em conjunto com o sistema de navegação Professional. O CCC coloca as informações sobre o trânsito recebidas à disposição da navegação.

Índice |
Explicação |
Índice |
Explicação |
|---|---|---|---|
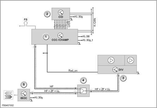
1 |
Unidade principal |
2 |
Display central de informações |
3 |
Amplificador de antena com módulo diversity |
4 |
Splitter da antena |
5 |
Unidade de comando IBOC |
São descritos os seguintes componentes do splitter RTTI:

Índice |
Explicação |
Índice |
Explicação |
|---|---|---|---|
1 |
IBOC |
2 |
Splitter RTTI com suporte |
3 |
Sinal AM/FM (amplificador de antena com módulo Diversity) Código de cores da ficha: preto |
4 |
Sinal AM/FM (CCC) Código de cores da ficha: amarelo curry |
5 |
Sinal AM/FM (IBOC) Código de cores da ficha: preto |
A unidade de comando IBOC do rádio High Definition está concebido como sintonizador híbrido para a recepção de emissores de rádio digitais e analógico na gama de frequências AM e FM. Para a recepção dos sinais digitais é utilizado o mesmo trajecto do sinal como para a recepção dos sinais analógicos. Por essa razão, também podem ser utilizados os componentes já conhecidos, como amplificador de antena com módulo Diversity e antenas AM e FM.
A unidade de comando IBOC descodifica os dados áudio digitais e envia-os, através do canal MOST, (Media-Oriented-System-Transport-Bus) para a unidade principal. A unidade principal transforma os dados áudio em sinais BF analógicos. Os sinais BF são emitidos através dos altifalantes.
A unidade de comando CCC está concebida para a recepção de emissores de rádio analógicos na gama de frequências AM e FM. Em conjunto com IBOC, a função não está transposta no CCC, mas no IBOC. Para a recepção dos sinais analógicos, são utilizados os componentes amplificador de antena com módulo Diversity e antenas AM e FM.
A potência da antena é dividida de forma assimétrica. O sintonizador IBOC recebe um sinal atenuado em 1 dB, a unidade principal um sinal atenuado em 10 dB. Deste modo, o nível fornecido pela antena FM activa é repartido na relação 9:1 (IBOC:RTTI). A potência da antena é repartida pelo splitter na relação 10:1 (IBOC:RTTI). Esta repartição da potência da antena é suficiente, permitindo ao CCC receber os dados RTTI. O módulo de antenas diversity é comandado pela unidade de comando IBOC.
Para a comprovação do splitter RTTI está à disposição um módulo de teste. Alcançável através do diagnóstico da selecção do sintoma de falha (65006_CCC:perturbação de funcionamento) ou através da selecção de funções (viatura completa/carroçaria/áudio, vídeo, telefone, navegação (anel MOST)/navegação).
Reserva-se o direito a erros de impressão, lapsos e alterações técnicas.