O E70 pode ser equipado com o equipamento extra 2VA ”Adaptive Drive”. Este equipamento extra compreende 2 sistemas:
gestão da dinâmica vertical (VDM) e estabilização activa do balanço (ARS: sendo a designação comercial Dynamik Drive). Este documento descreve a gestão da dinâmica vertical.
A gestão da dinâmica vertical oferece as seguintes vantagens:

Índice |
Explicação |
Índice |
Explicação |
|---|---|---|---|
1 |
Unidade de comando VDM |
2 |
Amortecedor com satélite de amortecedor traseiro direito (EDCSHR) |
3 |
Sensor de nível de altura traseiro direito |
4 |
Sensor de nível de altura traseiro esquerdo |
5 |
Amortecedor com satélite de amortecedor traseiro esquerdo (EDCSHL) |
6 |
Amortecedor com satélite de amortecedor dianteiro esquerdo (EDCSVL) |
7 |
Sensor de nível de altura dianteiro esquerdo |
8 |
Sensor de nível de altura dianteiro direito |
9 |
Amortecedor com satélite de amortecedor dianteiro direito (EDCSVR) |
|
|
F-CAN |
CAN da suspensão |
FlexRay |
Subcanal |
PT-CAN |
Powertrain CAN |
|
|
EDC significa: controlo electrónico dos amortecedores.
A gestão da dinâmica vertical (VDM) é um aperfeiçoamento do Controlo electrónico contínuo dos amortecedores (EDC-K) com origem no E65. A VDM é constituída por uma unidade de comando central e 4 satélites de amortecedor inteligentes rigidamente unidos aos amortecedores.
Como linha de dados está implementado pela primeira vez o canal de dados FlexRay.
São descritos os seguintes componentes para a gestão da dinâmica vertical:
A unidade de comando VDM está fixa no porta-equipamentos traseiro direito, no compartimento de carga.

Índice |
Explicação |
Índice |
Explicação |
|---|---|---|---|
1 |
Comfort Access (CA) |
2 |
Módulo do reboque (AHM) |
3 |
Controlo da distância de estacionamento (PDC) |
4 |
Gestão da dinâmica vertical (VDM) |
5 |
Controlo Electrónico da Suspensão Pneumática (EHC) |
|
|
A VDM aumenta o conforto de condução. Consegue-se um elevado conforto de condução quando a carroçaria da viatura não se move o mais possível no sentido vertical: nem através de excitação da viatura pelo faixa de rodagem (irregularidades, juntas) nem ao curvar.
A unidade de comando VDM indica aos satélites de amortecedor a activação dos amortecedores (força de amortecimento individual para cada roda). Para o feito, a unidade de comando VDM está interligada com os satélites de amortecedor através do canal de dados de muito alta velocidade FlexRay.
Com uma taxa de transferência de dados de 10 Mbit/s, o FlexRay é notoriamente mais rápido do que os canais de dados utilizados hoje em dia em veículos motorizados (áreas da carroçaria e accionamento ou suspensão). Para além da maior largura de banda, o FlexRay suporta uma transmissão de dados apta a trabalhar em tempo real. O FlexRay pode ser configurado tolerante a falhas.
Existem 4 satélites de amortecedor:
Os satélites de amortecedor realizam um controlo electrónico das forças de amortecimento. Tanto os satélites de amortecedor como as válvulas EDC estão firmemente unidos ao amortecedor. Cada satélite de amortecedor contêm sensor da aceleração vertical próprio. Os satélites de amortecedor têm, entre outras, as seguintes funções:

Satélite de amortecedor: trem dianteiro à frente, à esquerda (exemplo)
Índice |
Explicação |
Índice |
Explicação |
|---|---|---|---|
1 |
Satélite de amortecedor dianteiro esquerdo (EDCSVL) |
2 |
Mola de aço |
3 |
Amortecedor |
4 |
Válvula EDC |

Satélite de amortecedor: Trem traseiro atrás, à direita (exemplo)
Índice |
Explicação |
Índice |
Explicação |
|---|---|---|---|
1 |
Satélite de amortecedor traseiro direito (EDCSHR) |
2 |
Válvula EDC |
3 |
Amortecedor |
|
|
Ao todo existem 4 sensores de nível de altura:
Os 4 sensores de nível de altura estão conectados à unidade de comando VDM. Os sensores de nível de altura fornecem à unidade de comando VDM, de forma dinâmica, informações sobre o nível de altura da carroçaria da viatura. A partir destas, a gestão da dinâmica vertical calcula os movimentos da carroçaria assim como acelerações da roda.
Além disso, os sensores fornecem a informação à regulação automática da altura dos faróis.
Os sensores de nível de altura duplos no trem traseiro fornecem o sinal não apenas à unidade de comando VDM mas também à unidade de comando EHC. Os sensores de nível de altura duplos possuem na carcaça a inscrição ”doppelt” (duplo).

Sensor de nível de altura: trem dianteiro à frente, à esquerda (exemplo)
Índice |
Explicação |
Índice |
Explicação |
|---|---|---|---|
1 |
Sensor de nível de altura |
2 |
Barra de acoplamento |

Sensor de nível de altura: Trem traseiro atrás, à esquerda (exemplo)
Índice |
Explicação |
Índice |
Explicação |
|---|---|---|---|
1 |
Sensor de nível de altura |
2 |
Barra de acoplamento |
A tecla SPORT está montada na consola central, atrás do interruptor de selecção de velocidades (GWS). A utilização da tecla SPORT modifica a característica de amortecimento:
Conforto <-> Desportiva.
A tecla SPORT está ligado electricamente ao interruptor de selecção de velocidades (GWS). O GWS é ele próprio uma unidade de comando. O sinal é então emitido no PT-CAN.

Índice |
Explicação |
Índice |
Explicação |
|---|---|---|---|
1 |
Tecla do travão de estacionamento |
2 |
Interruptor de selecção de velocidades (GWS) |
3 |
Tecla SPORT |
|
|
Um LED de controlo na tecla SPORT indica que o programa desportivo está activado. Além disso, ”SPORT” é indicado no display de cristal líquido do instrumento combinado.
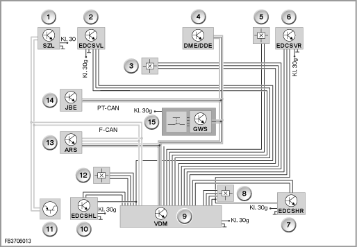
As outras unidades de comando a seguir fornecem sinais para a gestão da dinâmica vertical:
A unidade de comando ARS fornece, no PT-CAN, o valor da aceleração transversal à VDM, A unidade de comando VDA precisa do sinal como valor de substituição.
A unidade de comando DSC fornece, no PT-CAN, a velocidade de marcha assim como a pressão de travagem à VDM.
O SZL fornece, no F-CAN, o sinal do sensor de guinada à VDM (identificação antecipada da condução em curva).
A gestão electrónica do motor fornece o sinal ”Motor a funcionar”. O sinal é transmitido no PT-CAN.
A JBE fornece a condição do borne. Para além disso, a JBE funciona como gateway entre PT-CAN e K-CAN.

Índice |
Explicação |
Índice |
Explicação |
|---|---|---|---|
1 |
Comandos na coluna da direcção (SZL) |
2 |
Satélite de amortecedor dianteiro esquerdo (EDCSVL) |
3 |
Sensor de nível de altura dianteiro esquerdo |
4 |
Electrónica Digital do Motor ou Electrónica Digital Diesel |
5 |
Sensor de nível de altura dianteiro direito |
6 |
Satélite de amortecedor dianteiro direito (EDCSVR) |
7 |
Satélite de amortecedor traseiro direito (EDCSHR) |
8 |
Sensor de nível de altura traseiro direito |
9 |
Unidade de comando VDM |
10 |
Satélite de amortecedor traseiro esquerdo (EDCSHL) |
11 |
Sensor DSC |
12 |
Sensor de nível de altura traseiro esquerdo |
13 |
Estabilização activa do balanço (ARS: Dynamic Drive) |
14 |
Sistema electrónico caixa de junções (JBE) |
15 |
Interruptor de selecção de velocidades com tecla SPORT |
|
|
São descritas as seguintes funções do sistema para a gestão da dinâmica vertical:
Para amortecimento dos movimento das rodas e da carroçaria é monitorizado o movimento da viatura. Nisto são incluídos os seguintes eixos:
Para a monitorização são utilizados, p.ex., os seguintes sinais:
A situação de marcha actual é calculada a partir dos sinais.
A regulação do amortecimento para o eixo vertical da viatura está subdividido em conforto e segurança.
Quanto ao conforto, a gestão da dinâmica vertical amortece os movimentos da carroçaria.
Quanto à segurança, a gestão da dinâmica vertical amortece as acelerações das rodas. Sendo necessário assegurar que as rodas não perdem o contacto com a faixa de rodagem. Consoante a situação, será necessário transmitir uma força de contacto ideal.
A gestão da dinâmica vertical também considera viragens da direcção (p. ex., transição de marcha em linha recta para curva). Quando é detectado um aumento rápido do ângulo de viragem, a unidade de comando VDM deduz então que se está a iniciar uma condução em curva. Deste modo, os amortecedores já podem ser comandados antecipadamente de forma correspondente. A gestão da dinâmica vertical auxilia desse modo a estabilização activa do balanço (ARS). A VDM contribui assim para a redução dos movimentos de vacilação da viatura.
A gestão da dinâmica vertical também reconhece processos de travagem bem como de aceleração. Para o efeito, o DSC disponibiliza o sinal referente à pressão de travagem e aceleração longitudinal. Uma pressão de travagem grande origina normalmente um movimento de ”báscula” (afundamento) da viatura. A VDM contraria este movimento de ”báscula”, regulando os amortecedores dianteiros para mais duros. Do mesmo modo é contrariado o movimento de ”báscula” da viatura durante a aceleração.
A unidade de comando VDM adapta o nível da força de amortecimento em função da característica de amortecimento seleccionada (Conforto ou Desportiva, através da tecla SPORT). Independente disso, existe segurança de marcha máxima em situações de marcha críticas, apesar de estar seleccionado o programa Conforto.
A protecção contra falhas actua em 3 níveis, em função do tipo de defeito em questão:

Índice |
Explicação |
Índice |
Explicação |
|---|---|---|---|
1 |
Mensagem do Check-Control |
|
|
Atenção! Em caso de substituição dos amortecedores, indicar o local de instalação.
Os amortecedores formam com os satélites de amortecedor e a válvula EDC uma unidade e têm de ser substituídos em conjunto. Aquando da encomenda de uma peça nova, devem indicar-se o modelo da viatura e o local de instalação (p. ex., à frente, à esquerda). Existem interdependências relativamente a: motorização, suspensão bem como equipamentos extra (p.ex., terceira fila de bancos).
Indicação: Várias memórias de falhas na gestão da dinâmica vertical.
A unidade de comando VDM só regista defeitos próprios na própria memória de falhas. Defeitos dos satélites de amortecedor são registados nas respectivas memórias de falhas. Por essa razão, no caso de um defeito, devem ler-se não apenas a memória de falhas da unidade de comando VDM mas também as memórias de falhas dos satélites de amortecedor. Os satélites de amortecedor devem estar acessíveis para o sistema de diagnóstico BMW. Por isso, a unidade de comando VDM também funciona como gateway para o diagnóstico entre PT-CAN e FlexRay.
Atenção! Realizar a compensação dos sensores de nível de altura.
Após uma substituição da unidade de comando VDM bem como de um sensor de nível de altura, é necessário readaptar os valores de compensação dos sensores de nível de altura. Para o efeito deve utilizar-se, no sistema de diagnóstico BMW, a função especial ”Compensação do nível de altura”.
Atenção! Realizar a compensação dos sensores da aceleração vertical.
Após a substituição de um ou vários satélites de amortecedor, é necessário realizar sempre a compensação dos sensores da aceleração vertical. Para o efeito deve utilizar-se, no sistema de diagnóstico BMW, a função especial ”Compensação dos sensores da aceleração vertical”.
Para o efeito, a viatura tem de estar nivelada.
Após uma substituição deve recodificar-se a unidade de comando VDM.
A gestão da dinâmica vertical é activada nas seguintes condições:
Reserva-se o direito a erros de impressão, lapsos e alterações técnicas.