Alimentação eléctrica E70
Alimentação eléctrica E70
Uma associação de hardware e software assegura a alimentação eléctrica dos sistemas da viatura. 2 funções do software são essenciais para a alimentação eléctrica:
- Sistema de gestão da energia
- Gestão de potência
O sistema de gestão da energia assegura que exista sempre uma corrente suficiente para o motor de arranque.
O sistema de gestão da energia monitoriza a viatura, mesmo com o motor parado.
O sistema de gestão da energia engloba todos os componentes na viatura que geram, acumulam e consomem energia.
Os dados para o sistema de gestão da energia são distribuídos por várias unidades de comando.
A gestão de potência é um subsistema do sistema de gestão da energia. A gestão de potência é executada pela unidade de comando do motor (DME ou DDE: Electrónica Digital do Motor ou Electrónica Digital Diesel).
Durante a marcha, a gestão de potência regula a potência do alternador, bem como a carga da bateria.
Descrição resumida do componente
São descritos os seguintes componentes para a alimentação eléctrica:
- Bateria
- Alternador
- Electrónica da caixa de junções
- Distribuidor de corrente
- Sensor inteligente da bateria
- Car Access System (sistema de acesso à viatura)
- Electrónica Digital do Motor ou Electrónica Digital Diesel
- Sistema de retenção múltiplo
- Interface série de dados por bits
- Cabos da bateria
- Caixa de relés
Esquema de ligações dos sistemas
Índice
|
Explicação
|
Índice
|
Explicação
|
1
|
Electrónica Digital do Motor (DME) ou Electrónica Digital Diesel (DDE)
|
2
|
Alternador
|
3
|
Motor de arranque
|
4
|
Distribuidor de corrente traseiro
|
5
|
Caixa de relés
|
6
|
Aquecimento suplementar eléctrico (apenas na versão com motor diesel)
|
7
|
Electrónica da caixa de junções (JBE) com distribuidor de corrente dianteiro
|
8
|
Sensor inteligente de bateria (IBS) no pólo negativo da bateria
|
9
|
Pólo positivo da bateria
|
10
|
Sistema de acesso à viatura (CAS)
|
11
|
Bloco de fusíveis
|
|
|
BSD
|
Interface série de dados por bits
|
Kl. 15 WUP
|
Linha de chamada (borne 15 Wake up)
|
Canal K
|
Canal da carroçaria
|
K-CAN
|
CAN da carroçaria
|
PT-CAN
|
CAN Power Train
|
|
|
Bateria
A capacidade da bateria montada depende do motor utilizado e do equipamento da viatura. Os critérios de selecção para a capacidade necessária são:
- o comportamento do motor no arranque a frio
- o consumo de corrente em repouso da viatura
- a necessidade energética dos consumidores independentes (chaufagem independente, telefone, etc.)
Alternador
O alternador produz, com o motor a trabalhar, uma tensão de carga variável para carga da bateria.
A tensão de carga variável é influenciada, em função da temperatura e da corrente, pela gestão da potência, através do aumento das rotações do motor pela DME/DDE.
JBE: Electrónica da caixa de junções
A JBE é a interface de dados central na viatura (gateway para os canais).
A JBE faz parte da caixa de junções. A caixa de junções é composta pela electrónica da caixa de junções e o distribuidor de corrente dianteiro. O distribuidor de corrente dianteiro e a JBE não podem ser substituídos individualmente.
Nos distribuidores de corrente encontram-se fusíveis e relés. Para a alimentação eléctrica são particularmente importantes os seguintes relés:
- relé do borne 15 (distribuidor de corrente traseiro)
- relé do borne 30g para a desactivação dos consumidores (distribuidor de corrente traseiro e dianteiro)
- relé do borne 30g-f para a desactivação em caso de defeito (distribuidor de corrente traseiro)
Distribuidor de corrente
Existem os seguintes distribuidores de corrente:
- Distribuidor de corrente no compartimento do motor: Compartimento das unidades electrónicas
- Distribuidor de corrente dianteiro na caixa de junções
- Distribuidor de corrente traseiro
- Bloco de fusíveis
O bloco de fusíveis só pode ser substituído por inteiro. Os fusíveis não podem ser substituídos individualmente.
O bloco de fusíveis contém os fusíveis para os seguintes consumidores:
- Valvetronic
- Common Rail (injecção no motor diesel)
- aquecimento suplementar eléctrico
- distribuidor de corrente dianteiro na electrónica da caixa de junções
- distribuidor de corrente traseiro
- sensor inteligente da bateria
- ventilador eléctrico (motor diesel de 8 cilindros)
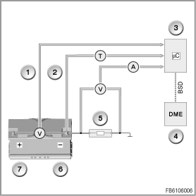
IBS: sensor inteligente da bateria
O IBS é um sensor mecatrónico, inteligente de bateria com microcontrolador próprio. O microprocessador faz parte do módulo electrónico. O módulo electrónico serve para recolha da tensão, da corrente em circulação e da temperatura da bateria.
Os seguintes componentes estão alojados no módulo electrónico:
- um shunt (resistência para a medição da corrente)
- uma sonda térmica
- um sistema electrónico de exploração numa placa de circuitos
O IBS mede continuamente os seguintes valores na bateria:
- tensão nos bornes
- corrente de carga
- corrente de descarga
- temperatura da bateria
Para a transferência de dados, o IBS está conectado com a Electrónica Digital do Motor (DME) ou a Electrónica Digital Diesel (DDE), através da interface série de dados por bits (BSD).
Índice
|
Explicação
|
Índice
|
Explicação
|
1
|
Medição da tensão da bateria entre o pólo positivo da bateria e o pólo negativo da bateria
|
2
|
Medição da temperatura da bateria (T)
|
3
|
Microprocessador (C) no sensor inteligente de bateria (IBS)
|
4
|
Electrónica Digital do Motor (DME) ou Electrónica Digital Diesel (DDE)
|
5
|
Medição da corrente (A) [indirectamente, através da queda de tensão (V) proporcional na resistência de precisão (shunt)]
|
6
|
Pólo negativo da bateria
|
7
|
Pólo positivo da bateria
|
|
|
BSD
|
Interface série de dados por bits (BSD) para a transmissão dos valores à DME ou DDE
|
|
|
Estes dados de medição são consultados durante a marcha e com a viatura imobilizada:
- Durante a marcha:
- Cálculo do estado da bateria como base para o estado de carga da bateria (SOC: ”State of Charge”) e o estado da bateria (SOH: State of Health”). Equilíbrio (balanço) da corrente de carga e descarga da bateria.
Monitorização contínua do estado de carga da bateria e transmissão dos dados.
- Cálculo do histórico de corrente durante o arranque do motor, para determinar o estado da bateria.
Durante a marcha, o IBS transmite os dados através da interface série de dados por bits (BSD) para a unidade de comando do motor (DME/DDE). O software no IBS controla a comunicação com a unidade de comando do motor em posição superior (DME/DDE).
- Imobilização da viatura
Com a viatura imobilizada, os valores de medição são ciclicamente consultados para detectar perdas de energia.
O IBS está programado para se reactivar de 40 em 40 segundos, para que possa actualizar os valores de medição através de uma nova medição. O tempo de medição é de aprox. 50 milissegundos (ms). Os valores medidos são registados no IBS, na memória para recolha da corrente de repouso.
Após o rearranque do motor, a DME / DDE lê a evolução da corrente de repouso. Se existir um desvio em relação à evolução definida da corrente de repouso, dá-se então um registo na memória de falhas da DME/DDE.
CAS: Car Access System (sistema de acesso à viatura)
O sistema de acesso à viatura participa no comando dos bornes (borne R, borne 15, borne 30g).
O comando dos bornes fornece mensagens essenciais para a alimentação eléctrica.
O CAS está conectado com os seguintes componentes e unidades de comando:
- O sistema de acesso à viatura está conectado, através de uma linha directa, ao botão ARRANQUE/PARAGEM e com o módulo receptor para o identificador.
O botão ARRANQUE/PARAGEM e o módulo receptor encontram-se ao lado da coluna da direcção.
- O motor de arranque e a DME ou a DDE estão ligados ao CAS.
A unidade de comando CAS é um utilizador de canal na K-CAN.
DME ou DDE: Electrónica Digital do Motor ou Electrónica Digital Diesel
A DME ou a DDE contribuem para a alimentação eléctrica do seguinte modo: se a tensão do alternador baixar, a DME/DDE aumentam as rotações do motor de acordo com a necessidade. O software para este efeito é denominado ”Gestão de potência”.
A DME/DDE é um utilizador de canal na PT-CAN (Powertrain Controller Area Network).
A DME/DDE explora o estado actual da bateria. Deste modo, a DME/DDE influência também o borne 30g-f.
MRS: Sistema de retenção múltiplo
Se o sistemas de retenção se activarem, a unidade de comando MRS envia uma mensagem às outras unidades de comando. Em função da gravidade do acidente, a DME desliga, p. ex., a bomba eléctrica do combustível.
Interface série de dados por bits
A interface série de dados por bits é a linha de dados entre a unidade de comando do motor (DME ou DDE) e alternador.
Cabo da bateria
2 cabos da bateria conectam a bateria ao compartimento do motor:
- Um dos cabos da bateria vai através do terminal para o auxílio do arranque externo até ao motor de arranque e ao alternador. Este cabo da bateria é monitorizado através do módulo de segurança de detecção de impacto.
- Um outro cabo serve para a alimentação eléctrica e conduz para o bloco de fusíveis.
Caixa de relés
O equipamento depende da versão do motor e da versão nacional.
- Relé da Valvetronic em caso de motores a gasolina
- Relé da bomba de ar secundário (apenas versão EUA com motor a gasolina)
- Relé para Common Rail (apenas motores diesel)
Funções do sistema
São descritas as seguintes funções de sistema para a alimentação eléctrica:
- Gestão de potência (”Advanced Power Management”)
- Regime de emergência em caso de falha da interface série de dados por bits
- Sistema de gestão da energia
Alimentação eléctrica das unidades de comando, desactivação dos consumidores independentes, bem como monitorização da corrente de repouso
- Transferência de dados para a alimentação eléctrica
Gestão de potência
A gestão de potência é um software na unidade de comando do motor (DME/DDE: Electrónica Digital do Motor ou Electrónica Digital Diesel).
A gestão de potência calcula os valores nominais para a regulação da alimentação eléctrica.
Para o modelo E70, é aplicado exclusivamente o Advanced Power Management (APM).
Advanced Power Management
Índice
|
Explicação
|
Índice
|
Explicação
|
1
|
Advanced Power Management (APM)
|
2
|
Dados da bateria: - Corrente - Tensão - Temperatura
|
3
|
Sensor inteligente de bateria (IBS)
|
4
|
Motor
|
5
|
Consumidores
|
6
|
Alternador (G)
|
7
|
Bateria
|
8
|
Pré-definição do valor nominal para a tensão de carga
|
9
|
Desactivação dos consumidores ou redução do consumo de energia
|
10
|
Incremento do regime de ralenti
|
O sensor inteligente de bateria (IBS) é determinante para o maior âmbito das funções da Advanced Power Management. O IBS fornece à gestão de potência informações acerca do estado da bateria. O cálculo da temperatura da bateria com ajuda da temperatura exterior deixa de ser necessário. A temperatura da bateria é medida directamente pelo IBS.
A Advanced Power Management pode executar as seguintes funções:
- Incremento do regime de ralenti
Nas viaturas com motores a gasolina, o regime de ralenti é aumentado até 200 rpm, logo que seja retirada corrente da bateria, apesar do alternador se encontrar a trabalhar no máximo.
Nos motores diesel não é necessário nenhum aumento do regime de ralenti. Porque: entre o alternador e o motor de combustão, a relação de transmissão é mais elevada do que no motor a gasolina. Deste modo, o alternador já possui elevadas rotações no regime de ralenti.
O débito de potência do alternador é alto também no regime de ralenti. Um aumento do número de rotações não é necessário.
- Tensão de carga melhorada
A tensão do alternador é regulada em função da temperatura calculada da bateria.
A temperatura da bateria é calculada com base na temperatura exterior. Os valores nominais da tensão de carga são calculados em função da temperatura da bateria. Esta informação é comunicada ao regulador no alternador através da interface série de dados por bits.
- Teste de bateria
- Diagnóstico da energia
- Desactivação de consumidores individuais ou redução do consumo de energia
Se necessário, nas viaturas com IBS, os consumidores são reduzidos ou totalmente desligados, mesmo que o motor se encontre em funcionamento. Durante a marcha, apenas são reduzidos ou desligados por completo os consumidores, que não sejam relevantes em termos de segurança e não sejam imediatamente perceptíveis, p. ex.: Comando por impulsos do desembaciador do óculo traseiro ou comando por impulsos do aquecimento do banco, redução do accionamento do ventilador do ar condicionado por uma fracção, etc.
Nas viatura com motor diesel, o consumo de energia do aquecimento suplementar eléctrico é controlado.
A desactivação de consumidores individuais ou a redução do consumo de energia faz baixar o consumo de corrente em situações críticas. Deste modo, a bateria não se descarrega.
A desactivação dos consumidores apenas é activada mediante 2 condições:
- estado de carga da bateria na faixa crítica
- alternador utilizado no máximo
- Regulação do aquecimento suplementar eléctrico
Nas viaturas com motor diesel e sem chaufagem independente, o permutador de calor da chaufagem é aquecido adicionalmente através de um aquecimento suplementar eléctrico, de acordo com o princípio PTC. O aquecimento suplementar eléctrico faz parte dos consumidores, que necessitam de uma potência bastante elevada (até 1200 W), sendo, portanto, controlado pela gestão de potência. Para além disso, nas viaturas com sistema de ar condicionado traseiro, é aplicado um outro aquecimento suplementar eléctrico (600 W) na parte traseira do habitáculo. Estas elevadas cargas eléctricas são controladas do seguinte modo:
- A unidade de comando IHKA controla o aquecimento suplementar eléctrico (através do canal LIN) e a unidade de comando FKA controla o aquecimento suplementar eléctrico na parte traseira do habitáculo (através de um sinal modulado em duração).
- A DDE regula a máxima potência eléctrica do aquecimento suplementar eléctrico (sinal numa mensagem CAN).
A potência máxima do aquecimento suplementar eléctrico depende da utilização do alternador da seguinte forma:
- Alternador utilizado até 70 %: o aquecimento suplementar eléctrico recebe a potência eléctrica máxima de forma distribuída.
- Alternador utilizado entre 70 % e 80 %: o aquecimento suplementar eléctrico pode manter a potência, mas não a pode aumentar.
- Alternador utilizado a partir de 80 %: o aquecimento suplementar eléctrico deve reduzir continuamente a potência até 0 %.
- O aquecimento suplementar eléctrico controla a potência de aquecimento dos registos de aquecimento em função das especificações da DDE.
Sistema de gestão da energia
A gestão da energia monitoriza e comanda a administração da energia da viatura. A monitorização e o comando realizam-se através da ligação de vários componentes. A gestão da energia combina funções ou sinais e curvas características para a geração e distribuição de sinais de comando.
São descritas as seguintes funções:
- comando dos bornes
- transferência de dados no sistema de gestão da energia
- alimentação eléctrica com a viatura imobilizada
- monitorização da corrente de repouso
comando dos bornes
Muitos consumidores estão ligados à alimentação eléctrica através do borne 30g ou do borne 30g-f.
Mas determinados consumidores continuam a ser directamente alimentados pelo borne 30. Por exemplo, o sistema de alarme anti-roubo também deve estar activo com a ignição desligada.
Transferência de dados no sistema de gestão da energia
Com o motor parado, determinados consumidores são desligados através do borne 30g do seguinte modo: O CAS (sistema de acesso à viatura) desliga o relé do borne 30g em função do tempo.
Alimentação eléctrica com a viatura imobilizada
Até ao presente, são conhecidos os seguintes bornes para a alimentação eléctrica dos consumidores:
- Borne 30: Positivo permanente
Vários consumidores continuam, tal como anteriormente, conectados directamente ao borne 30.
- Borne R
O borne R é ligado pelo CAS.
- Borne 15
O borne 15 é ligado pelo CAS.
- Borne 30g: positivo permanente ligado
Desactivação em função do tempo:
o relé do borne 30g está sempre presente.
Após o borne R estar DESLIGADO, o relé do borne 30g desactiva os consumidores conectados durante aprox. 30 minutos.
Se estiver instalado um telefone na viatura, o período de desactivação prolonga-se para 60 minutos. O relé do borne 30g é comandado pelo sistema de acesso à viatura (CAS).
- Borne 30g-f: Desactivação em caso de defeito
Em caso de defeito, o relé do borne 30g-f desliga os consumidores conectados. O relé do borne 30g-f é comandado pela electrónica da caixa de junções.
A electrónica da caixa de junções (JBE) monitoriza a corrente de repouso com a viatura imobilizada. São identificados os seguintes defeitos:
- processos de reactivação errados nos sistemas de canal
- unidades de comando que mantêm os sistemas de canal continuamente activos (impedem a entrada em modo de suspensão)
Para o relé do borne 30g-f são válidas as seguintes condições de desactivação e activação:
- Condições de desactivação:
- recepção da mensagem ”Sinal desligado”.
O relé do borne 30g-f é desligado após 5 minutos.
- Na unidade de comando do motor, o estado da bateria é continuamente lido e avaliado. Se a capacidade de arranque da bateria da viatura for inferior à exigida, o relé também é desligado.
- Transferência de dados nos canais durante 10 minutos após a desactivação do borne 30g, sem que exista uma condição de activação.
- A viatura é ”reactivada” 20 vezes após a desactivação do borne 30g, sem que exista uma condição de activação.
O relé do borne 30g-f é um relé biestável. Cada estado de comutação é mantido, mesmo que o relé seja desligado da corrente. Em condições normais, o relé está sempre no estado ligado. Em caso de defeito, o relé desliga os consumidores conectados.
- Condições de activação:
Se o relé do borne 30g-f estiver desligado, só poderá ser reactivado após determinadas condições de activação.
Condições de activação para o relé do borne 30g-f:
- Destrancar a viatura
- Abrir um acesso à viatura ou porta
- Ligar o borne R
monitorização da corrente de repouso
A monitorização da corrente de repouso é necessária por várias razões.
- Conservar a capacidade de arranque da bateria:
O sistema de gestão da energia envia uma solicitação para a desactivação dos consumidores independentes, se a capacidade de arranque da bateria for inferior à exigida.
Os consumidores independentes devem desactivar as suas funções independentemente da condição do borne e 5 minutos depois de terem alcançado a sua corrente de repouso.
- Desactivação dos consumidores
Determinados consumidores podem estar activos, mesmo que a monitorização da corrente de repouso do sistema de gestão da energia já esteja a funcionar.
Os consumidores são desactivados segundo diferentes critérios e encontram-se classificados nas seguintes categorias:
- Consumidores conforto
- Aquecimento do óculo traseiro
- Aquecimento do banco
Os consumidores conforto desactivam-se automaticamente após 'Motor DESLIGADO'. Os consumidores conforto desactivados só podem ser novamente activados após um rearranque do motor.
- Consumidores independentes obrigatórios por lei
- Luz de presença
- Luzes intermitentes de emergência
Os consumidores independentes obrigatórios por lei ainda devem estar operacionais após 'Motor DESLIGADO', o tempo que for possível. Estes consumidores independentes também não são desactivados, quando for atingido o limite da capacidade de arranque da bateria.
- Consumidor independente
- chaufagem independente
- ventilação independente
- Componentes de comunicação
(displays, borne 30g, serviços de telemática)
Os consumidores independentes mencionados podem ser activados após 'Motor DESLIGADO'. Os consumidores independentes desligam-se por si próprios, quando for atingido o limite da capacidade de arranque da bateria. A desactivação é solicitada pela DME/DDE através de uma mensagem CAN.
- Agregados com períodos de desactivação condicionados pelo sistema
- Ventoinha eléctrica do radiador
Os agregados com períodos de desactivação condicionados pelo sistema ainda podem estar a funcionar durante um determinado período de tempo após 'Motor DESLIGADO'.
Transferência de dados para a alimentação eléctrica
O CAS (sistema de acesso à viatura) reencaminha os dados do comando dos bornes como se segue:
- Borne R LIGADO ou DESLIGADO
- Borne 15 LIGADO ou DESLIGADO
- etc.
O CAS (sistema de acesso à viatura) activa os respectivos relés para os seguintes bornes:
O JBE (electrónica da caixa de junções) activa o respectivo relé para o seguinte borne:
As unidades de comando nestes bornes são alimentadas com tensão e ”despertadas”.
Os respectivos sistemas da viatura são activados.
Os consumidores são principalmente alimentados através do borne 30g e do borne 30g-f. Mas determinados consumidores continuam a ser directamente alimentados pelo borne 30. Por exemplo, o sistema de alarme anti-roubo também deve estar activo com a ignição desligada.
Se a corrente da bateria, com a viatura em estado de repouso (a partir de 68 minutos após borne R DESLIGADO) ultrapassar o valor de 80 miliamperes (mA) (ajustável de fábrica), é memorizado um registo na memória de falhas na DME/DDE e é apresentada uma mensagem do check control ao cliente (descarga elevada da bateria em estado de repouso).
Caso exista a suspeita de um elevado consumo de corrente, deve efectuar-se uma medição da corrente de repouso.
Regime de emergência em caso de falha da interface de série de dados por bis
Caso a interface série de dados por bits entre a unidade de comando do motor e o alternador esteja interrompida, o alternador é regulado para uma tensão constante de 14,3 V.
Indicações para o SAV
Indicações gerais
São dadas as seguintes indicações gerais:
- carga de manutenção para a bateria
- protecção do sensor inteligente de bateria
- substituição da bateria
- alternador
Carga de manutenção para a bateria
Indicação! Não ligar o carregador de conservação de carga ao isqueiro.
O isqueiro é alimentado com tensão pelo distribuidor de corrente na caixa de junções, através de um relé. Após borne 15 DESLIGADO, este relé desopera. Isto significa que um carregador de conservação de carga conectado ao isqueiro é separado da bateria. Carregar a bateria apenas através dos terminais para auxílio de arranque externo. Só deste modo é possível registar a alimentação de energia da viatura.
Protecção do sensor inteligente de bateria
Cuidado! Perigo de destruição em caso de esforço mecânica.
- Não aplicar conexões adicionais no pólo negativo da bateria.
- Não proceder a qualquer modificação do cabo de massa.
O cabo da massa também serve para dissipação de calor.
- Não estabelecer qualquer ligação entre o IBS (sensor inteligente de bateria) e o parafuso do sensor.
- Não usar força ao separar o terminal do cabo do pólo da bateria:
- Não puxar pelo cabo de massa.
- Não aplicar qualquer ferramenta por baixo do IBS para desalavancar o terminal do cabo.
- Não utilizar os contactos do IBS como alavancas.
- Utilizar uma chave dinamométrica e ajustar o binário de aperto de acordo com o Manual de reparação.
- Não soltar ou apertar o parafuso do sensor (parafuso Torx).
- Evitar o contacto entre IBS e massa.
Substituição de bateria
Cuidado! Perigo de destruição para o IBS e os cabos durante a substituição da bateria.
O IBS (sensor inteligente de bateria) e os cabos podem ser destruídos devido a esforço mecânico durante a substituição da bateria.
Durante a substituição da bateria, considerar o seguinte:
- Proceder sempre de acordo com o Manual de reparação.
- Evitar sujeitar o sensor de bateria integrado a esforço mecânico.
Indicação! Em caso de substituição da bateria, executar a função especial ”Registar substituição da bateria”.
Em caso de substituição da bateria, utilizar uma bateria com a mesma capacidade da montada de série. A capacidade da bateria necessária para a viatura está codificada no sistema de acesso à viatura (CAS) e no sistema electrónico do motor (DME/DDE).
- Ao montar uma bateria com uma capacidade diferente, recodificar o CAS. Com Progman, executar o reequipamento ”Bateria”.
- Apagar os registos na memória de falhas na unidade de comando do motor relativos à substituição da bateria.
Alternador
A instalação do modelo de alternador depende do motor utilizado e do equipamento da viatura.
Indicações de diagnóstico
Sistema de diagnóstico da energia
Uma avaria devido a uma bateria descarregada ou problemas na rede de bordo pode ter as mais variadas causas. Na maioria dos casos, a causa não se deve à bateria em si. Por este motivo, só nos casos mais raros é que uma substituição de bateria resolveria o problema a longo prazo.
Em vez disso, é necessário um diagnóstico sistemático da origem do defeito.
Frequentemente, os defeitos reclamados já não existem quando a viatura vem à oficina. Os dados memorizados na viatura são, por isso, o ponto de partida para um diagnóstico de falhas. Informações sobre o estado da bateria assim como processos funcionais nos diversos sistema de canal são memorizados nas unidades de comando correspondentes.
Estas informações podem ser chamadas e avaliadas pelo sistema de diagnóstico BMW. No sistema de diagnóstico BMW existe para o efeito um módulo de teste. O módulo de teste para o diagnóstico da energia lê todos os dados relevantes das unidades de comando correspondentes.
Índice
|
Explicação
|
Índice
|
Explicação
|
1
|
Rede de bordo com unidades de comando
|
2
|
Electrónica da caixa de junções (JBE)
|
3
|
Sistema de diagnóstico BMW
|
4
|
Electrónica Digital do Motor (DME) ou Electrónica Digital Diesel (DDE)
|
5
|
Sensor inteligente de bateria (IBS) no pólo negativo da bateria
|
|
|
São apresentadas as seguintes informações:
- Informações notórias
Um registo só é efectuado, quando se suspeita de um defeito.
- Informações padrão
Estas informações podem ser apresentadas sempre.
O diagnóstico da energia detecta os seguintes erros:
- Erros de operação
- Defeitos na viatura
- Erros de operação
- Luz de presença, luz de estacionamento ou luzes de emergência ficaram demasiado tempo ligadas com a viatura imobilizada.
- Borne R ou borne 15 ficou demasiado tempo ligado com o motor parado.
- Período de imobilização demasiado longo da viatura.
- Deslocações frequentes em trajectos curtos com vários consumidores de corrente ligados
- Defeitos na viatura
- Bateria defeituosa
- Alternador defeituoso
- Corrente de repouso excessiva, temporariamente superior a 80 miliamperes (mA) no caso de sistemas de canal inactivos.
- A viatura não entra em modo de suspensão: a viatura não atinge o estado de repouso; os sistemas de canal permanecem activos.
- A viatura está constantemente a ser reactivada
Indicações para a codificação/programação
Os dados da bateria encontram-se codificados no sistema de acesso à viatura (CAS). Os dados podem ser lidos através do sistema de diagnóstico BMW.
Reserva-se o direito a erros de impressão, lapsos e alterações técnicas.