Todas as funções do limpa-vidros no E70 podem ser comandadas com o interruptor dos limpa-vidros a partir de borne R LIGADO. Os limpa vidros são accionados por um motor eléctrico com caixa desmultiplicadora.
São descritos os seguintes componentes para os limpa-vidros:
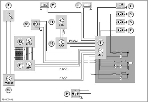
O interruptor dos limpa-vidros é comandado através de um ligeiro toque. O interruptor dos limpa-vidros não engata. O interruptor dos limpa-vidros envia os seus sinais aos comandos na coluna da direcção (SZL).
Os SZL formam o interface entre o interruptor dos limpa-vidros e a electrónica da caixa de junções (JBE). Os sinais do interruptor dos limpa-vidros são processados pelos SZL e transmitidos para o controlo dinâmico da estabilidade (DSC). Os SZL enviam as suas informações para o DSC através do F-CAN.
O DSC processa as informações dos SZL. O DSC transmite as solicitações dos SZL e a informação relativa à velocidade de marcha à electrónica da caixa de junções (JBE). O DSC está conectado à JBE através do CAN Power Train.
A JBE processa as informações do DSC e do centro operacional do tejadilho (FZD). A JBE comanda a comutação do circuito de carga para os motores do limpa-vidros e para as bombas do sistema de lavagem dos vidros. A comutação do circuito de carga dos motores do limpa-vidros faz-se através de relés internos. O interruptor de nível do líquido de lavagem envia as suas informações à JBE.
Nas viaturas com RLSS, este assume o comando intermitente automático. O RLSS está alojado no suporte do retrovisor, no pára-brisas. O funcionamento do limpa-vidros depende, assim, da intensidade da chuva e da velocidade de marcha. O RLSS envia a sua solicitação, p.ex., limpar, ao centro operacional do tejadilho (FZD). Em caso de equipamento sem RLSS, a limpeza intermitente do limpa pára-brisas está predefinida.
O instrumento combinado recebe as informações sobre a temperatura exterior a partir da sonda da temperatura exterior. O instrumento combinado transmite as informações à JBE através do K-CAN.
O FZD recebe a mensagem do RLSS. O FZD transmite a mensagem à JBE através do K-CAN.
O motor do limpa-vidros é um motor de induzido concêntrico sem componentes electrónicos. O motor do limpa-vidros está configurado para duas posições diferentes de limpa vidros. O motor do limpa-vidros é activado através de dois relés internos. A posição final (posição de repouso) do motor do limpa-vidros é identificada através de um contacto de reposição instalado no motor do limpa-vidros. O contacto de reposição liga massa à JBE, assim que o motor do limpa-vidros alcançar a posição final (posição de repouso). O contacto de reposição também é utilizado para a monitorização do motor do limpa-vidros.
A estrutura do motor do limpa-vidros traseiro é semelhante à do motor do limpa-vidros dianteiro. O motor do limpa-vidros traseiro é activado electricamente por um relé integrado na JBE.
As bombas do sistema de lavagem dos vidros para a parte dianteira e traseira estão fixas no depósito do líquido de lavagem. As bombas do sistema de lavagem dos vidros são activadas electricamente pela JBE.
Os esguichos de água são aquecidos electricamente. Dessa maneira, impede-se um congelamento dos esguichos de água. O aquecimento dos esguichos é constituído por resistências aquecíveis. O aquecimento dos esguichos de água é activado electricamente pela JBE, a partir de uma temperatura exterior inferior a 3 °C.
O sistema de limpeza dos faróis é disponibilizado como equipamento extra. A JBE assume a activação da bomba de lavagem do sistema de limpeza dos faróis. A limpeza dos faróis só é efectuada com a luz de médios ligada. A limpeza dos faróis é activada a cada 5º accionamento de um ciclo de lavagem ou de limpeza intensiva. O desligar do borne R repõe o bloqueio de repetição e o contador dos accionamentos de lavagem.

Depósito do líquido de lavagem E70
Índice |
Explicação |
Índice |
Explicação |
|---|---|---|---|
1 |
Depósito do líquido de lavagem |
2 |
Bomba do lava-vidros dianteira |
3 |
Bomba do lava-vidros traseira |
4 |
Bombas de lavagem para o sistema de limpeza dos faróis |
5 |
Interruptor de nível do líquido de lavagem |
|
|

Esquema de ligações E70
Índice |
Explicação |
Índice |
Explicação |
|---|---|---|---|
1 |
Sonda da temperatura exterior |
2 |
Esguichos de água aquecíveis à esquerda |
3 |
Esguichos de água aquecíveis à direita |
4 |
Interruptor de nível do líquido de lavagem |
5 |
Bomba de lavagem para o sistema de limpeza dos faróis |
6 |
Bomba do sistema de lavagem dos vidros dianteira |
7 |
Bomba do sistema de lavagem dos vidros traseira |
8 |
Electrónica da caixa de junções (JBE) |
9 |
Motor do limpa-vidros traseiro |
10 |
Instrumento combinado |
11 |
Centro operacional do tejadilho (FZD) |
12 |
Sensor solar de chuva/luz (RLSS) |
13 |
Motor do limpa-vidros dianteiro |
14 |
Comandos na coluna da direcção (SZL) |
15 |
Controlo dinâmico da estabilidade (DSC) |
São descritas as seguintes funções do sistema para o limpa-vidros:
As funções de limpeza podem ser comandadas a partir do borne R.
São possíveis as seguintes funções de limpeza:
As funções de lavagem podem ser comandadas a partir do borne R LIGADO. Para efeitos de lavagem do pára-brisas, o interruptor dos limpa-vidros deve ser puxado no sentido contrário ao de marcha. Para lavar o óculo traseiro, o interruptor dos limpa-vidros deve ser premido no sentido de marcha.
Com a luz de médios ligada, os faróis são limpos a cada 5º ciclo de lavagem para o pára-brisas.
Se o sinal do contacto de reposição não for detectado num período de aprox. 16 seg., com o motor do limpa-vidros ligado, este é desligado como forma de protecção contra sobrecarga. Uma reactivação do motor do limpa-vidros só é, de novo, possível após:
Reserva-se o direito a erros de impressão, lapsos e alterações técnicas.