O sistema de fecho central no R70 está repartido funcionalmente por várias unidades de comando. O sistema de acesso à viatura (CAS) monitoriza todos os processos no sistema de fecho central. O CAS é a unidade de comando principal (Master) para o sistema de fecho central.
As unidades de comando que tomam parte no sistema de fecho central são:
São descritos os seguintes componentes para o sistema de fecho central:
A fechadura da porta do condutor possibilita o trancamento manual ou bloqueio e destrancamento da viatura. Em caso de avaria no sistema eléctrico da viatura, a porta do condutor pode ser destrancada através da chave manual no comando à distância.
Os sinais dos contactos das portas são recolhidos pelo módulo da zona dos pés (FRM). O FRM transmite os sinais à electrónica da caixa de junções (JBE) através do K-CAN.
O comando à distância permite o destrancamento e trancamento ou bloqueio da viatura, via sinal de rádio. Os sinais de rádio do comando à distância são recebidos através do receptor do comando à distância e transmitidos ao sistema de acesso à viatura (CAS). O receptor do comando à distância está instalado no retrovisor interior.
A tecla do fecho central permite o trancamento ou destrancamento a partir do interior da viatura. São trancadas ou destrancadas:
O desbloqueio e bloqueio não é possível através da tecla do fecho central
O botão da porta da mala interior encontra-se nos comandos na consola central (SZM). O botão exterior da porta da mala permite a abertura da porta da mala com a viatura destrancada e imobilizada.
Todas as funções para o comando do sistema de fecho central estão integradas na unidade de comando CAS. As instruções são transmitidas à electrónica da caixa de junções (JBE) através do K-CAN.
A JBE é a unidade de comando que executa o sistema de fecho central. A JBE assume a activação de todos os accionamentos do fecho central. A JBE é constituída pela electrónica da caixa de junções e pelo distribuidor de corrente. A caixa de junções está montada por baixo do porta-luvas.
O FRM explora o estado dos contactos da porta. Se se trancar ou destrancar a viatura com a chave manual, então o módulo da zona dos pés (FRM) reconhece esta solicitação. O FRM envia uma mensagem à unidade de comando CAS, através do K-CAN. O FRM está montado no pilar A, na zona dos pés do lado do condutor.

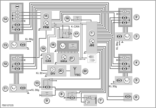
Esquema de ligações E70
Índice |
Explicação |
Índice |
Explicação |
|---|---|---|---|
1 |
Electrónica da caixa de junções (JBE) |
2 |
Accionamento do fecho central, lado dianteiro direito |
3 |
Sistema automático de fecho suave (SCA) da porta do dianteira direita |
4 |
Accionamento do fecho central, porta traseira direita |
5 |
Sistema automático de fecho suave (SCA) do lado traseiro direito |
6 |
Accionamento do fecho central para tampa do depósito de combustível |
7 |
Relé para o accionamento do sistema automático de fecho suave (SCA) |
8 |
Sistema automático de fecho suave (SCA) da porta da mala |
9 |
Botão da porta da mala |
10 |
Accionamento por fecho central da porta da mala |
11 |
Sistema automático de fecho suave (SCA) do lado traseiro esquerdo |
12 |
Accionamento do fecho central, porta traseira esquerda |
13 |
Sistema automático de fecho suave (SCA) da porta do condutor |
14 |
Accionamento do fecho central da porta do condutor |
15 |
Módulo da zona dos pés (FRM) |
16 |
Botão do porta-luvas |
17 |
Tecla do fecho central |
18 |
Comandos na consola central com botão da porta da mala |
19 |
Sistema de acesso à viatura (CAS) |
20 |
Receptor do comando à distância |
21 |
Sistema integrado de chaufagem e ar condicionado automáticos (IHKA) |
22 |
Antena do óculo traseiro |
Estão descritas as seguintes funções do sistema para o sistema de fecho central:
Não é possível abrir pelo lado de fora uma porta trancada. No entanto, a porta pode continuar a ser aberta pelo lado de dentro. Para o efeito, deve puxar-se o manípulo interior da porta duas vezes. O trancamento é executado quando
Uma porta trancada e bloqueada não pode ser aberta nem pelo lado de dentro nem pelo lado de fora. O bloqueio é executado quando o trancamento é efectuado através do canhão da fechadura da porta do condutor ou do comando à distância. Comandos para o bloqueio:
Com o bloqueio da viatura é também armado o sistema de alarme anti-roubo (DWA).
Uma porta destrancada pode ser aberta pelo lado de dentro e pelo lado de fora. Com o destrancamento da viatura também é desarmado o sistema de alarme anti-roubo (DWA). Em caso de falha na alimentação eléctrica, a porta do condutor pode ser destrancada através da chave manual no comando à distância
Um impacto é detectado pelo sistema de retenção múltiplo (MRS). É enviado ao CAS um sinal de impacto. A mensagem é transferida no K-CAN. O CAS destranca a viatura. Se surgir um sinal de impacto, todos os pontos de comando são bloqueados. Evitam-se assim acções involuntárias do fecho central devido a curto-circuitos de condutores devidos a acidentes. Após um impacto, só é possível utilizar novamente o fecho central se o borne R tiver estado desligado durante, pelo menos, 3 segundos.
Se o CAS identificar um comando à distância no módulo receptor como estando encravado, o sistema de fecho fica desbloqueado. O fecho central assume a posição ”Trancar”. No desbloqueio forçado também é desarmado o sistema de alarme anti-roubo.
Para proteger o condutor de um trancamento involuntário, ou seja, deixando as chaves dentro da viatura, com a porta do condutor aberta todos os pontos de comando estão bloqueados. Daí que nas fechaduras das portas não sejam necessárias protecções mecânicas de trancamento adicionais.
Para proteger os accionamentos do fecho central contra uma sobrecarga, o CAS monitoriza em relação a um accionamento repetido. São monitorizadas as portas, a porta da mala, o porta-luvas e a tampa do depósito de combustível. Se num período de um minuto ocorrem mais de quinze activações, os accionamentos deixam de ser destrancados por um determinado período de tempo.
Se o sistema de fecho central for destrancado através do comando à distância e, num período de dois minutos, não for aberta nenhuma porta ou a porta da mala, volta automaticamente a ser executado um processo de trancamento.
A zona funcional para o fecho central está estabelecida de 9 V a 16 V. Fora deste intervalo não ocorre qualquer activação dos accionamentos. O estado do sistema de fecho central não se altera caso a alimentação eléctrica seja interrompida (protecção anti-roubo!).
Ao realizar-se o primeiro comando de destrancamento só é destrancada a porta do condutor. Em todas as outras portas, o fecho central muda de ”bloquear” para ”trancar”. O DWA é desligado e as portas permanecem trancadas. No caso de um segundo comando de destrancamento, as restantes portas são destrancadas. Esta função é activável através da Car & Key Memory (em função da versão nacional).
A partir de uma velocidade de marcha de aprox. 16 km/h, o fecho central é automaticamente trancado. Esta função é activável através da Car & Key Memory.
Quase todas as funções da Car & Key Memory são configuradas na própria viatura.
Reserva-se o direito a erros de impressão, lapsos e alterações técnicas.