No E70 estão instalados, de série, retrovisores exteriores eléctricos. Os retrovisores exteriores são ajustados, centralmente, através do interruptor de ajuste dos retrovisores na porta do condutor. Os retrovisores exteriores eléctricos são disponibilizados em duas versões de equipamento (Low e High).
São descritos os seguintes componentes para os retrovisores exteriores eléctricos:
Os retrovisores exteriores eléctricos são ajustados através do interruptor de ajuste dos retrovisores na porta do condutor. Na versão de equipamento ”Low”, o interruptor de ajuste dos retrovisores activa directamente os motores dos retrovisores exteriores eléctricos. Na versão de equipamento ”High”, os sinais de comando são transmitidos ao módulo da zona dos pés (FRM) e aos retrovisores exteriores eléctricos através do canal LIN.
A sonda da temperatura exterior regista a temperatura ambiente. A sonda da temperatura exterior envia esta informação directamente para o instrumento combinado.
O instrumento combinado processa a informação da sonda da temperatura exterior. A partir de uma temperatura ambiente inferior a 3 °C, o instrumento combinado envia uma mensagem à unidade de comando responsável, através do K-CAN. Na versão de equipamento ”Low”, para a electrónica da caixa de junções (JBE). A JBE activa, então, electricamente o aquecimento dos retrovisores. Na versão de equipamento ”High”, para o módulo da zona dos pés (FRM). O FRM transmite isto aos retrovisores exteriores eléctricos, através do canal LIN.
O FRM assume a iluminação do interruptor de ajuste dos retrovisores. Na versão de equipamento ”High”, o FRM está conectado ao interruptor de ajuste dos retrovisores exteriores e aos retrovisores exteriores eléctricos através do canal LIN.
A JBE é responsável pela alimentação eléctrica dos retrovisores exteriores eléctricos e pelo interruptor de ajuste dos retrovisores exteriores. Na versão de equipamento ”Low”, a JBE activa electricamente o aquecimento dos retrovisores. Dependendo da temperatura exterior, a JBE recebe um sinal para aquecer o aquecimento dos retrovisores. A JBE recebe o sinal através do K-CAN.
Um motor, respectivamente, ajusta o vidro de espelho no sentido horizontal e vertical. Nos motores existe um potenciómetro de posição. O potenciómetro identifica a posição dos motores e reenvia-a.
O retrovisor exterior é composto pela base e pela cabeça do retrovisor. O motor para a recolha do retrovisor exterior está montado na base do retrovisor. A recolha e abertura é alcançada através da inversão do sentido de rotação do motor.

O gráfico mostra o E70
Índice |
Explicação |
Índice |
Explicação |
|---|---|---|---|
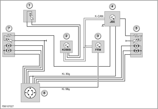
1 |
Interruptor de ajuste dos retrovisores exteriores |
2 |
Interruptor corrediço para selecção do lado |
3 |
Interruptor de botão para recolha do retrovisor exterior |
|
|

Esquema de ligações E70, versão de equipamento ”Low”
Índice |
Explicação |
Índice |
Explicação |
|---|---|---|---|
1 |
Sonda da temperatura exterior |
2 |
Instrumento combinado |
3 |
Módulo da zona dos pés (FRM) |
4 |
Electrónica da caixa de junções (JBE) |
5 |
Retrovisor exterior do lado do acompanhante |
6 |
Interruptor de ajuste dos retrovisores exteriores |
7 |
Retrovisor exterior da porta do condutor |
|
|

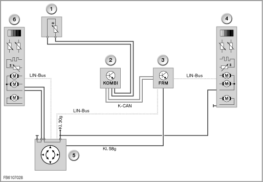
Esquema de ligações E70, versão de equipamento ”High”
Índice |
Explicação |
Índice |
Explicação |
|---|---|---|---|
1 |
Sonda da temperatura exterior |
2 |
Instrumento combinado |
3 |
Módulo da zona dos pés (FRM) |
4 |
Retrovisor exterior do lado do acompanhante |
5 |
Interruptor de ajuste dos retrovisores exteriores com tecla de recolha dos retrovisores exteriores |
6 |
Retrovisor exterior da porta do condutor |
Estão descritas as seguintes funções de sistema para os retrovisores exteriores eléctricos:
O ajuste dos retrovisores exteriores eléctricos é possível a partir de borne R LIGADO. Os retrovisores exteriores eléctricos podem ser ajustados no sentido horizontal e vertical, através do teclado no interruptor de ajuste dos retrovisores. Um interruptor corrediço comuta entre o lado do condutor e o lado do acompanhante. O ajuste horizontal e vertical só pode ser efectuado um depois do outro. Nos retrovisores exteriores recolhidos não é possível efectuar qualquer ajuste. Para proteger os motores e o mecanismo, o tempo de ajuste está limitado a, no máximo, 10 segundos. Depois de se atingir o tempo máximo de ajuste, não é possível activar o retrovisor exterior durante 10 segundos.
Os retrovisores exteriores podem ser recolhidos em direcção aos vidros laterais de modo a reduzir a largura da viatura. A recolha dos retrovisores exteriores é possível a partir de borne R LIGADO. A recolha dos retrovisores exteriores é despoletada, premindo a tecla para recolha dos retrovisores exteriores na porta do condutor. A recolha ou a abertura dos retrovisores exteriores é invertida premindo novamente a tecla. Para evitar uma recolha ou abertura frequente, encontra-se integrado um bloqueio de repetição.
O sistema de apoio de estacionamento só está disponível com o equipamento extra ”Memória de posição do retrovisor do condutor”. Para possibilitar uma melhor visibilidade sobre a guia de passeio, ao efectuar marcha-atrás, o vidro do retrovisor exterior é virada para baixo. Esta função só pode ser executada nas seguintes condições:
Para a protecção dos accionamentos contra sobrecarga, os motores dispõem de uma detecção de bloqueio. Se o accionamento estiver bloqueado, a corrente no motor aumenta. A respectiva unidade de comando compara a corrente de arranque no regime de funcionamento normal com a corrente em caso de accionamento bloqueado. Em caso de diferença, é identificado um bloqueio. O motor deixa de ser comandado.
Reserva-se o direito a erros de impressão, lapsos e alterações técnicas.