O travamento da segunda fila de bancos no E70 é monitorizado por vários microinterruptores. Os microinterruptores estão alojados na segunda fila de bancos. Os microinterruptores asseguram que o banco travado não se solta inadvertidamente. Aumenta-se, assim, a protecção contra lesões dos ocupantes.
Estão descritos os seguintes componentes para o travamento da segunda fila de bancos:
Os microinterruptores da segunda fila de bancos estão alojados na metade grande e na metade pequena do banco. Na metade grande do banco estão situados quatro microinterruptores. A metade pequena do banco é monitorizada por um microinterruptor. Se as metades do banco estiverem travadas correctamente, é transmitido um sinal de massa à JBE. Se o sinal de massa for interrompido, a electrónica da caixa de junções (JBE) não identifica uma delas.
O instrumento combinado recebe as informações da electrónica da caixa de junções (JBE) através do K-CAN. Se for enviada pela JBE a informação relativa a um travamento incorrecto da segundo fila de bancos, o instrumento combinado origina uma mensagem do check control adequada. Esta mensagem indica ao condutor que a fila de bancos não está correctamente travada. Deste modo é comunicado ao condutor que existe um maior risco de lesão dos ocupantes.
A JBE é a unidade de comando que monitoriza o travamento da segunda fila de bancos. A JBE recebe um sinal de massa através dos microinterruptores. Se o sinal de massa for interrompido, a JBE detecta um travamento incorrecto da fila de bancos. No caso de um travamento incorrecto da fila de bancos, a JBE envia uma informação ao instrumento combinado através do K-CAN.

Segunda fila de bancos no E70
Índice |
Explicação |
Índice |
Explicação |
|---|---|---|---|
1 |
Microinterruptor na metade pequena do banco, travamento na estrutura inferior do banco |
2 |
Microinterruptor na metade grande do banco, travamento interior |
3 |
Microinterruptor na metade grande do banco, travamento exterior |
4 |
Microinterruptor na metade grande do banco, encosto exterior |
5 |
Microinterruptor na metade grande do banco, braço oscilante do almofadado do assento interior |
|
|

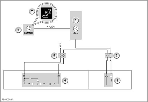
Esquema de ligações E70
Índice |
Explicação |
Índice |
Explicação |
|---|---|---|---|
1 |
Electrónica da caixa de junções (JBE) |
2 |
Ficha do banco, lado direito |
3 |
Microinterruptor da segunda fila de bancos, lado direito |
4 |
Microinterruptor da segunda fila de bancos, lado esquerdo |
5 |
Ficha do banco, lado esquerdo |
6 |
Instrumento combinado |
7 |
Mensagem do check control (banco traseiro não está travado!) |
|
|
Estão descritas as seguintes funções do sistema para o travamento da segunda fila de bancos:
Para a monitorização da metade grande do banco, estão instalados microinterruptores no encosto do banco e na superfície do assento. No encosto encontra-se apenas um microinterruptor, na parte exterior. Dois microinterruptores estão situados na estrutura inferior do banco, na parte interior e exterior. Um outro microinterruptor encontra-se no braço oscilante do almofadado do assento, na estrutura inferior do banco. No estado rebatido, o encosto não está travado. Se as metades do banco estiverem correctamente travadas, é transmitido um sinal de massa à JBE.
São monitorizados os seguintes estados do banco:
A metade pequena do banco é monitorizada apenas por um microinterruptor. O microinterruptor encontra-se no travamento mecânico, no lado interior da estrutura inferior do banco. Se a metade pequena do banco estiver correctamente travadas, o interruptor está fechado.
Se a electrónica da caixa de junções (JBE) detectar um travamento incorrecto da segunda fila de bancos, o instrumento combinado recebe uma informação. O instrumento combinado dá origem a uma mensagem do check control. A mensagem ”Banco traseiro não está travado!” deve indicar ao condutor que existe um maior risco de lesão dos ocupantes.
Reserva-se o direito a erros de impressão, lapsos e alterações técnicas.