O elevador da porta da mala eléctrico é disponibiliazdo no E70 a partir de 10/07. Será utilizado pela primeira vez um sistema accionado por fuso.
A porta superior da mala pode ser automaticamente aberta ou fechada, por meio de accionamento de tecla. A porta inferior da mala continua a ser aberta manualmente.
O ângulo de abertura da porta da mala pode ser predefinido para cinco posições através de um menu no display central de informações, por meio do Controller. Neste caso, a porta da mala desloca-se apenas até ao ângulo configurado.
São descritos os seguintes componentes para o elevador da porta da mala:
Os accionamentos por fuso são montados em vez das molas de gás pressurizado esquerda e direita, na porta da mala. O accionamento por fuso é constituído pelos seguintes componentes:

Índice |
Explicação |
Índice |
Explicação |
|---|---|---|---|
1 |
Conjunto de molas |
2 |
Fuso |
3 |
Escalonamento da caixa |
4 |
Motor do accionamento por fuso |
5 |
Sensores Hall |
|
|

Índice |
Explicação |
Índice |
Explicação |
|---|---|---|---|
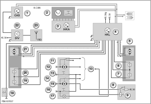
1 |
Sistema de acesso à viatura (CAS) |
2 |
Botão da porta da mala nos comandos na consola central |
3 |
Sistema integrado de chaufagem e ar condicionado automáticos (IHKA) |
4 |
Elevador da porta da mala (HKL) |
5 |
Motor do accionamento por fuso, lado direito |
6 |
Sensor Hall direito |
7 |
Sensor Hall direito |
8 |
Distribuidor de corrente traseiro |
9 |
Relé do sistema de fecho suave automático (SCA) |
10 |
Ligações à unidade de comando da caixa de junções |
11 |
Interruptor de contacto da porta da mala |
12 |
Motor da fechadura da porta superior da mala |
13 |
Botão exterior da porta da mala |
14 |
Contacto do accionamento do fecho suave automático |
15 |
Motor do sistema de fecho suave automático da porta da mala |
16 |
Botão interior da porta da mala |
17 |
Iluminação do botão interior da porta da mala |
18 |
Microinterruptor da porta inferior da mala |
19 |
Sensor Hall esquerdo |
20 |
Sensor Hall esquerdo |
21 |
Motor do accionamento por fuso, lado esquerdo |
22 |
Receptor do comando à distância |
23 |
Sensor Hall esquerdo |
|
|

Índice |
Explicação |
Índice |
Explicação |
|---|---|---|---|
1 |
Unidade de comando do elevador da porta da mala |
|
|
O elevador da porta da mala está montado no lado direito do compartimento da mala, no porta-equipamentos. O HKL controla e monitoriza o funcionamento do accionamento automático da porta da mala.
A lógica de comando está conectada ao borne 30g. Para a corrente de carga dos accionamentos por fuso, o HKL está conectado adicionalmente ao borne 30.
O elevador da tampa da mala funciona entre 9 V e 16 V. Fora desta faixa não é possível manter estas funções.
O sistema de acesso à viatura (CAS) recebe o sinal do comando à distância ou do identificador e verifica-o. Se a verificação (autenticação) tiver sido bem sucedida, o CAS atribui a autorização para o destrancamento da porta da mala.
O sistema electrónico caixa de junções executa o destrancamento da porta da mala. O sistema electrónico caixa de junções encontra-se encaixado no distribuidor de corrente dianteiro.
O botão da porta da mala liga contra a massa. O sinal do botão da tampa da mala é registado pelo sistema electrónico caixa de junções. O sistema electrónico caixa de junções sinaliza, através da K-CAN, o estado do botão da porta da mala ao HKL.
O botão interior da porta da mala está conectado ao sistema electrónico caixa de junções, em paralelo com o botão exterior da porta da mala. Por essa razão, o sistema electrónico caixa de junções não distingue entre os dois botões da porta da mala.
O sinal de rádio do comando à distância é recebido através da antena do óculo traseiro. O receptor do comando à distância no módulo Diversity transmite o sinal para o sistema de acesso à viatura, através da K-CAN. O sistema de acesso à viatura tem a responsabilidade central pelo funcionamento do sistema de fecho central. O identificador utilizado em viaturas com acesso conforto tem a mesma funcionalidade que o comando à distância.
O botão da porta da mala está codificado por resistência. O estado do botão da porta da mala é explorado pela unidade de comando do sistema de ar condicionado. A unidade de comando do sistema de ar condicionado envia o estado através da K-CAN.
Com a porta da mala fechada, o interruptor de contacto da porta da mala liga contra a massa. O estado do interruptor de contacto da porta da mala é avaliado e disponibilizado pelo sistema electrónico caixa de junções.

Índice |
Explicação |
Índice |
Explicação |
|---|---|---|---|
1 |
Microinterruptor na parte inferior da porta da mala |
|
|
O contacto da porta inferior da mala é um microinterruptor e liga contra a massa. O estado do microinterruptor é avaliado pelo HKL. Se a porta inferior da mala não estiver correctamente fechada, o accionamento automático da porta da mala não pode ser executado. O elevador da tampa da mala gera então uma mensagem do check control e envia-a através da K-CAN.
São descritas as seguintes funções do sistema para o elevador da porta da mala:
Através do accionamento de um botão da porta da mala, a porta da mala é automaticamente aberta ou fechada. O botão da porta da mala nos comandos na consola central encontra-se excluído. Este permite apenas a abertura automática.
Após a autorização pelo CAS, o sistema electrónico caixa de junções executa o destrancamento da porta da mala. Primeiro é activado o accionamento do fecho suave automático, para aliviar a porta da mala. Depois disso, é activada a fechadura da porta da mala.
O interruptor de contacto da porta da mala muda de fechado para aberto e os accionamentos por fuso são activados para uma abertura.
A porta da mala é aberta por completo ou até ao ângulo de abertura ajustado. Se ficar activa uma condição de bloqueio (consultar Condições de bloqueio) durante o movimento da porta da mala, isto faz parar o movimento da porta da mala.
Uma pressão breve do botão da porta da mala durante a abertura faz parar o movimento de abertura.
No HKL encontra-se integrada a função ”Início suave do movimento” ou ”Fim suave do movimento”. Isto significa que a porta da mala, pouco antes de atingir o batente final, é deslocada suavemente para o batente final devido à redução da velocidade de fecho ou de abertura. (Excepção: nenhum Fim suave do movimento ao fechar). Isto consegue-se através da alteração da duração dos impulsos da tensão de activação.
Nas viaturas com acesso conforto, a abertura da tampa da mala também pode ser executada com a viatura trancada. Premindo o botão exterior da porta da mala, a porta da mala poderá abrir automaticamente. Para tal, basta que exista apenas um identificador pertencente à viatura nas proximidades da parte traseira da viatura.
O accionamento automático da tampa da mala não pode ser activado em regime de marcha, mas apenas, quando a viatura está parada.
A porta da mala, desde que parcialmente aberta, pode ser movida à mão no sentido ”ABRIR” ou ”FECHAR”.
Nos accionamentos por fuso está integrado, respectivamente, um motor. No motor estão alojados dois sensores Hall montados de forma descentrada. Deste modo é possível identificar o sentido de rotação do motor. Para além disso, com base nos impulsos do sensor Hall, é possível detectar a distância e, deste modo, o ângulo de abertura da porta da mala. Os impulsos do sensor Hall são utilizados, por exemplo, para o ajuste do ângulo de abertura através do display central de informações
A detecção do bloqueio actua ao abrir e fechar a porta da mala. Um bloqueio do movimento da porta da mala ao abrir faz com que o movimento da porta da mala seja imediatamente interrompido. Se, ao fechar, o movimento da tampa da mala for bloqueado, o HKL activa os accionamentos por fuso por breves instantes no sentido oposto (= inversão). Se a porta da mala se mantiver bloqueada, os accionamentos do fuso deixam de ser activados.
Um bloqueio é detectado quando os impulsos do sensor Hall falham ou quando a corrente do motor aumenta.
Para impedir um sobreaquecimento dos motores, no HKL está integrado um bloqueio de repetição. Para o bloqueio de repetição soma-se por acréscimo o tempo de marcha do motor. Se a soma ultrapassar um tempo máximo de funcionamento de 2 minutos, não é aceite um novo accionamento. Uma acção já em curso é sempre terminada. Após uma fase de arrefecimento de 6 minutos volta a ser possível um tempo de funcionamento do motor de 2 minutos.
Como protecção contra danos na viatura, a porta da mala não pode ser accionada em várias situações.
A seguir são apresentadas as condições de bloqueio:
Condições de bloqueio |
Explicação/indicação |
|---|---|
Velocidade de marcha máx.>3 km/h |
Excepção: Um comando de fecho é executado até ao fim. Sinal de velocidade proveniente do instrumento combinado através da K-CAN. |
Temperatura exterior < - 30 °C e +80 °C |
Sinal da temperatura exterior proveniente do instrumento combinado através da K-CAN |
Tensão da rede de bordo <9 V até 16 V> |
|
Porta inferior da mala não fechada |
Interrupção durante o movimento em curso da porta da mala, bloqueio do comando da porta da mala. A abertura continua a ser possível. |
Arranque do motor (estado ”Borne 50 ligado”) |
Sinal proveniente do CAS, através da K-CAN. Interrupção durante o movimento em curso da porta da mala, bloqueio do comando da porta da mala. |
Em caso de sinal inválido de velocidade ou de temperatura, a porta da mala poderá ser colocada em movimento.
Um accionamento por fuso defeituoso deve ser substituído por completo.
Ao substituir os accionamentos por fuso, o borne 30g deverá permanecer desligado. Caso contrário, é gerado um registo na memória de falhas e o accionamento automático da tampa da mala não funciona.
Após uma substituição da unidade de comando do elevador da tampa da mala ou dos accionamentos por fuso é necessário voltar a memorizar o batente final superior. Para o efeito, da primeira vez que for aberta a porta da mola é movida para bloqueio no batente superior.
O bloqueio da porta da mala e, com isso, a falha dos impulsos do sensor Hall dos accionamentos por fuso assinala o ponto do máximo ângulo de abertura da porta da mala. A partir deste ponto, é subtraído um valor de aprox. 5 % dos impulsos totais do sensor Hall. Este é o futuro ângulo de abertura da porta da mala. Este ponto também é designado por paragem suave.
Através da paragem suave evita-se que a porta da mala abra até ao batente final, sendo, deste modo, danificada.
O batente final inferior é determinado através da mudança do interruptor de contacto da fechadura da porta da mala, do estado aberto para fechado.
O movimento da porta da mala só é iniciado depois de se soltar o botão da porta da mala.
O fecho da porta da mala através do comando à distância não é possível.
Reserva-se o direito a erros de impressão, lapsos e alterações técnicas.