O assistente da luz de máximos (FLA) no E70 auxilia o condutor no comando da luz de máximos. Com o auxílio do assistente da luz de máximos, a luz de máximos é automaticamente ligada e desligada, independentemente da situação do trânsito. O assistente da luz de máximos identifica viaturas a circular à frente e em sentido oposto, bem como localidades com iluminação geral.
São descritos os seguintes componentes para o assistente da luz de máximos:
O assistente da luz de máximos só pode ser activado, quando o interruptor das luzes se encontra posição ”A”. A posição ”A” do interruptor significa comando automático da luz de médios.
O assistente da luz de máximos pode ser activado e desactivado com o interruptor da luz dos máximos/mudança de direcção nos SZL. Os sinais do interruptor da luz dos máximos/mudança de direcção são recepcionados e avaliados nos SZL. Os SZL enviam os sinais do interruptor da luz dos máximos/mudança de direcção directamente para o módulo da zona dos pés (FRM).
O RLSS mede a luminosidade ambiente. A partir do crepúsculo, o módulo da zona dos pés (FRM) liga a luz de médios. O assistente da luz de máximos (FLA) só pode ser activado com a luz de médios ligada. Para isso é necessário que o interruptor das luzes esteja na posição ”A”. O RLSS envia as suas informações para o centro operacional do tejadilho (FZD) através do canal LIN.
O FZD processa as informações do RLSS. O FZD sinaliza ao módulo da zona dos pés (FRM) a condição de activação do RLSS, através do K-CAN.
No instrumento combinado estão previstas as seguintes indicações:
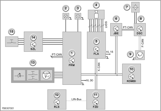
O sensor de imagem é uma câmara especial para a detecção de fontes de luz. O sensor de imagem transmite imagens ao assistente da luz de máximos (FLA). As imagens são transmitidas através de uma linha de dados LVDS (LVDS: Low Voltage Differential Signaling). O FLA avalia estas imagens. O FLA envia ao módulo da zona dos pés (FRM), através do K-CAN, uma recomendação para ligar ou desligar a luz de máximos. A recomendação depende da situação do trânsito, das condições de luz e da velocidade de marcha.
O DSC calcula a velocidade de marcha a partir dos sinais dos sensores de rotação das rodas. O DSC calcula o factor de desequilíbrio direccional a partir do sinal do sensor DSC. O FLA aproveita a informação do factor de desequilíbrio direccional, para avaliar melhor a imagem ao curvar. O DSC envia à electrónica da caixa de junções (JBE), através do CAN Power Train, os resultados do cálculo da velocidade de marcha e do factor de desequilíbrio direccional.
O FRM recebe diferentes valores de entrada para a luz de máximos.
Os seguintes valores de entrada são processados pelo FRM:
Com base nos valores de entrada, o FRM decide se a luz de máximos deve ser ligada ou desligada. O FRM activa os faróis de luz de máximos. O FRM activa a luz de controlo no instrumento combinado. Em caso de falha do assistente da luz de máximos, é apresentado um símbolo do Check-Control. O FRM está ligado ao K-CAN.
A JBE recebe os cálculos do DSC através do CAN Power Train. A JBE envia as suas informações ao FRM através do K-CAN.

O gráfico mostra o retrovisor interior no E70
Índice |
Explicação |
Índice |
Explicação |
|---|---|---|---|
1 |
Sensor solar de chuva/luz (RLSS) |
2 |
Unidade de comando do FLA no retrovisor interior |
3 |
Teclas para o comando à distância universal integrado |
4 |
Díodo emissor de luz para o sistema de alarme anti-roubo |
5 |
Sensor de imagem |
6 |
Cobertura |

Esquema de ligações E70
Índice |
Explicação |
Índice |
Explicação |
|---|---|---|---|
1 |
Módulo da zona dos pés (FRM) |
2 |
Luz de máximos esquerda |
3 |
Luz de máximos direita |
4 |
Sensor de imagem |
5 |
Assistente da luz de máximos (FLA) |
6 |
Electrónica da caixa de junções (JBE) |
7 |
Sensor das rotações da roda |
8 |
Controlo dinâmico da estabilidade (DSC) |
9 |
Sensor DSC |
10 |
Instrumento combinado |
11 |
Centro operacional do tejadilho (FZD) |
12 |
Sensor solar de chuva/luz (RLSS) |
13 |
Interruptor das luzes |
14 |
Comandos na coluna da direcção (SZL) |
15 |
Interruptor da luz dos máximos/mudança de direcção |
|
|
O assistente da luz de máximos envia, em função da situação do trânsito, uma recomendação ao FRM para ligar ou desligar a luz de máximos. Com base nesta recomendação e em vários outros valores de entrada, o FRM decide se a luz de máximos deve ser ligada ou desligada.
Estão descritas as seguintes funções do sistema para o assistente da luz de máximos:

Campo de cobertura do sensor de imagem
Índice |
Explicação |
Índice |
Explicação |
|---|---|---|---|
1 |
Cone luminoso da luz de máximos |
2 |
Farolins traseiros de uma viatura que circula à frente |
3 |
Campo de cobertura do sensor de imagem para a frente |
4 |
Faróis de uma viatura que circula em sentido oposto |
O cone luminoso da luz de máximos possui um alcance de aprox. 400 m. O campo de cobertura do sensor de imagem possui um alcance de aprox. 1000 m. Assegura-se assim que o sensor de imagem reconhece viaturas que circulam em sentido oposto, antes de estas serem encandeadas pelo cone luminoso da luz de máximos. Se o sensor de imagem detectar uma viatura a circular em sentido oposto, o FLA envia uma recomendação ao FRM para desligar a luz de máximos. O FRM desliga a luz de máximos.
Se o sensor de imagem detectar uma viatura a circular à frente, o FLA envia uma recomendação ao FRM para desligar a luz de máximos. O FRM desliga a luz de máximos.
Se o sensor de imagem detectar um ambiente com iluminação suficiente, o FLA envia uma recomendação ao FRM para desligar a luz de máximos. O FRM desliga a luz de máximos. Iluminação suficiente significa:
Caso não exista qualquer motivo para reduzir os faróis de máximos para médios, o FRM liga a luz de máximos. São acendidos os máximos.
A luz de controlo para o assistente da luz de máximos (cor-de-laranja) no instrumento combinado acende, assim que o FLA esteja activo. Além disso, a luz de controlo da luz de máximos (azul) acende, logo que a luz de máximos é ligada. Se o FLA detectar uma falha do sistema, é apresentado um símbolo do Check-Control (amarelo).
Nas seguintes circunstâncias pode dar-se uma restrição de funcionamento do FLA:
Para se garantir um funcionamento perfeito do assistente da luz de máximos, o sensor de imagem deve estar orientado em paralelo relativamente ao eixo central. Nas viagens nocturnas, o FLA pode orientar-se automaticamente até 3º para a esquerda e 3° para a direita. Compensam-se assim pequenos desvios do eixo central. As condições de marcha para a orientação automática do assistente da luz de máximos são:
Reserva-se o direito a erros de impressão, lapsos e alterações técnicas.