A luz de curvar existe apenas em conjunto com o equipamento extra Luz de faróis direccionais. A luz de curvar ilumina, juntamente com a luz de faróis direccionais, as zonas diante e ao lado da viatura.
São descritos os seguintes componentes para a luz de curvar:
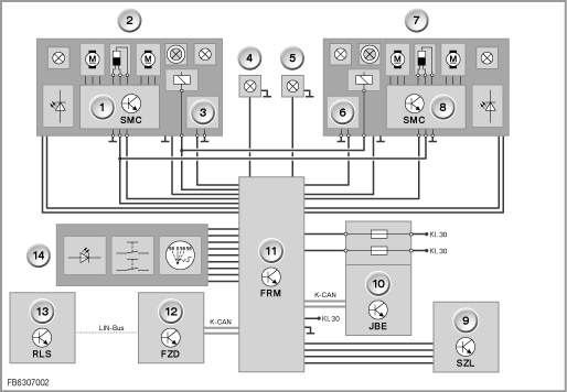
Para que a luz de curvar possa ser activada, o interruptor das luzes tem de estar na posição ”A”. O interruptor das luzes tem uma luz de controlo verde para o comando automático da luz de médios. Se for identificado um defeito do sistema, a luz de controlo começa a piscar. O interruptor das luzes está ligado directamente ao módulo da zona dos pés (FRM).
Para a luz de curvar é necessário um farol de nevoeiro específico. O farol de nevoeiro contém um reflector para a luz de curvar. Logo que o farol de nevoeiro é ligado, a luz do farol de nevoeiro atinge o reflector para a luz de curvar. O reflector tem uma forma específica e reflecte a luz na zona da curva. A partir do exterior, o farol de nevoeiro com função de luz para curvar é identificável pelo facto do reflector ser completamente cromado.
O RLSS está integrado no pára-brisas, na base do retrovisor interior. O RLSS identifica crepúsculo ou escuridão. Em caso de ultrapassagem do valor limite, o RLSS envia uma mensagem ao centro operacional do tejadilho (FZD). O RLSS está ligado ao FZD através do canal LIN. O FZD transmite esta mensagem ao módulo da zona dos pés (FRM) através do K-CAN.
Nos SZL encontra-se o interruptor da luz dos máximos/mudança de direcção. O interruptor da luz dos máximos/mudança de direcção envia os seus sinais aos SZL. Os SZL transmitem os sinais recebidos directamente para o módulo da zona dos pés (FRM).
O FRM assume o comando da luz de curvar. O FRM comanda, também, a luz de controlo no interruptor das luzes. O FRM recebe todas as condições de activação directamente ou através do K-CAN. O FRM está situado lateralmente na zona dos pés, do lado do condutor, por baixo do tablier.
A JBE é responsável pela alimentação eléctrica. A JBE está ligada ao FRM através do K-CAN. A JBE encontra-se por baixo do tablier, na zona dos pés do acompanhante.

Estrutura do farol de nevoeiro no E70
Índice |
Explicação |
Índice |
Explicação |
|---|---|---|---|
1 |
Reflector da luz de curvar |
2 |
Reflector do farol de nevoeiro |
3 |
Lâmpada do farol de nevoeiro |
|
|

Esquema de ligações E70
Índice |
Explicação |
Índice |
Explicação |
|---|---|---|---|
1 |
Controlador do motor passo-a-passo (SMC) esquerdo |
2 |
Farol principal esquerdo |
3 |
Unidade de comando da luz de xénon à esquerda |
4 |
Farol de nevoeiro esquerdo |
5 |
Farol de nevoeiro direito |
6 |
Unidade de comando da luz de xénon à direita |
7 |
Farol principal direito |
8 |
Controlador do motor passo-a-passo (SMC) direito |
9 |
Comandos na coluna da direcção (SZL) |
10 |
Electrónica da caixa de junções (JBE) |
11 |
Módulo da zona dos pés (FRM) |
12 |
Centro operacional do tejadilho (FZD) |
13 |
Sensor solar de chuva/luz (RLSS) |
14 |
Interruptor das luzes |
A luz de curvar não é ligada e desligada repentinamente. A luz de curvar é ligada e desligada com redução de intensidade, de acordo com parâmetros temporais específicos. Em função do país, a luz de curvar é ligada e desligada na condução em curva.
Estão descritas as seguintes funções do sistema para a luz de curvar:
Com a viatura parada, a luz de curvar é desligada após um determinado período de tempo, p. ex. durante a espera num semáforo. No entanto, a luz de curvar pode ser novamente ligada através do interruptor dos máximos/mudança de direcção.
O lado da luz de curvar a activar depende das seguintes condições:
o sentido de marcha, para a frente
Sentido de marcha-atrás
Apenas na versão EUA:
Se for detectado um defeito da luz de curvar, aplicam-se as mesmas mensagens do Check-Control usadas para os faróis de nevoeiro.
Reserva-se o direito a erros de impressão, lapsos e alterações técnicas.