No X5, na versão EUA, será proposto pela primeira vez o sistema Central Head Unit and Multimedia Platform (CHAMP). O CHAMP é uma plataforma multimédia na viatura. O CHAMP é equipamento de série (SA 663: Rádio BMW Professional).
Na versão EURO será aplicada a geração seguinte do Controlador do sistema áudio e multimédia (M-ASK).
Ao contrário do M-ASK, o CHAMP não dispõe de um sistema de navegação.
Os seguintes âmbitos são novos para CHAMP:
São descritos os seguintes componentes para o CHAMP:
O CHAMP é o gateway (”head unit”) para o canal MOST e a K-CAN.

Índice |
Explicação |
Índice |
Explicação |
|---|---|---|---|
1 |
6 teclas de favoritos |
2 |
Tecla para funcionamento em FM e AM (fixo na versão EUA) |
3 |
Tecla MODE |
4 |
Central Head Unit and Multimedia Platform (CHAMP) |
Várias unidades de comando e o leitor encontram-se integrados numa caixa. O CHAMP é de construção modular: No CHAMP, as áreas funcionais encontram-se reunidas em unidades de comando ”virtuais”. ”Virtual” significa: as unidades de comando individuais, embora estejam reunidas no CHAMP, trabalham como unidades de comando ”independentes” (p. ex. durante a programação).
Para o diagnóstico distinguem-se as seguintes unidades de comando ”virtuais”:
Um ventilador eléctrico para o arrefecimento dos estágios finais de áudio e dos processadores encontra-se na parte de trás da caixa do rádio de norma DIN.
As teclas de favoritos são teclas programáveis.
As teclas de favoritos permitem a memorização das seguintes funções para um acesso mais rápido (em função do opcional):

Índice |
Explicação |
Índice |
Explicação |
|---|---|---|---|
1 |
Leitor de CDs |
2 |
Teclas de favoritos |
Nas teclas de favoritos encontra-se um sensor capacitivo que reage ao contacto.
A atribuição de todas as teclas de favoritos pode ser apagada no menu ”Ajustes” -> ”Viatura”. A atribuição das teclas de favoritos encontra-se descrita de forma detalhada no Manual do condutor.
O CID é a unidade de visualização gráfica central. A dimensão do monitor a cores é de 6,5”.

Índice |
Explicação |
Índice |
Explicação |
|---|---|---|---|
A |
Parte dianteira |
B |
Parte traseira |
1 |
Display central de informações (CID) |
2 |
Ficha de ligação para linha de dados LVDS |
3 |
Ficha de ligação para canal CAN e alimentação |
|
|
O display central de informações está conectado ao CHAMP através de uma linha de dados LVDS (Low Voltage Differential Signaling). A linha de dados LVDS é uma tecnologia através da qual os dados gráficos são transmitidos de modo seguro por um trajecto mais comprido. Para a linha de dados LVDS foram desenvolvidas fichas de ligação próprias.
O CID também está conectado ao K-CAN.
O CID contém um fototransístor para o controlo da luminosidade do display de cristais líquidos (em função da luminosidade ambiente). O display de cristais líquidos é aquecido.
O Controller fornece os sinais para a selecção dos menus e submenus. Seleccionam-se os submenus, rodando e/ou deslocando o Controller. Depois de solto, o Controller regressa sempre à sua posição de repouso.

Índice |
Explicação |
Índice |
Explicação |
|---|---|---|---|
1 |
Controller |
2 |
Tecla MENU |
3 |
Ficha de ligação no Controller |
|
|
Atrás do Controller encontra-se a tecla MENU. Com esta tecla pode chamar-se o menu principal no display central de informações.
O Controller encontra-se conectado ao K-CAN. O Controller recebe o borne 58g através do K-CAN.
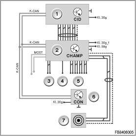
Estão descritas as seguintes funções do sistema para CHAMP:

Índice |
Explicação |
Índice |
Explicação |
|---|---|---|---|
1 |
Display central de informações (CID) |
2 |
Central Head Unit and Multimedia Platform (CHAMP) |
3 |
ao módulo de antenas diversity |
4 |
ao módulo de antenas diversity |
5 |
aos altifalantes |
6 |
Controller (CON) |
7 |
Ligação AUX-In |
|
|
K-CAN |
CAN da carroçaria |
Kl. 30g |
Borne 30 ligado |
Kl. 30g_f |
Borne 30 ligado em caso de defeito no MOST |
Kl. 58g |
Luz de localização |
MOST |
Media Oriented System Transport (cabo de fibra óptica) |
|
|
O CHAMP possui um sintonizador duplo para AM/FM. Enquanto o sintonizador 1 capta a emissora de rádio pretendida, o sintonizador 2 trabalha em segundo plano. O sintonizador 2 faz uma busca de sinais adicionais no espaço radiofónico. Se um emissor de rádio emitir um sinal mais forte numa outra frequência, o sistema comuta automaticamente para esta frequência alternativa. Ambos os sintonizadores recebem informações do Radio Data System (RDS) que são emitidas com o sinal de emissão do emissor FM. Com o RDS é possível captar mensagens de trânsito de um emissor FM quando está sintonizado um emissor AM. Caso seja recebida uma mensagem de trânsito, o emissor AM é desactivado e a mensagem emitida através dos altifalantes.
Como controlador do sistema áudio, o CHAMP tem as seguintes funções:
A unidade de comando Interface de utilizador do CHAMP (CHAMP-BO), processa os sinais do Controller: p. ex., selecção dos menus e submenus. CHAMP-BO controla para além disso a emissão de informações no display central de informações (CID). Os dados existentes no processador gráfico são transmitidos imediatamente ao CID como sinais digitais Low Voltage Differential Signaling (LVDS).
A unidade de comando Gateway CHAMP constitui a interface para o intercâmbio de dados entre o canal MOST e a K-CAN. Os dois sistemas de canais transmitem formatos de dados com diferentes taxas de transmissão de dados e formatos. Os dados são devidamente configurados no gateway CHAMP para o respectivo canal para que seja possível comunicar com todos os sistemas.
Reposição do CHAMP
O CHAMP pode ser reposto através das seguintes medidas:
Nenhuma tecla ou combinação de teclas está prevista para a reposição do CHAMP.
Indicação! O CHAMP só é substituído integralmente.
O CHAMP é substituído no Serviço como unidade completa.
Nas funções da unidade de comando está disponível um grande número de verificações para o CHAMP.
Exemplo: Um CD que tenha ficado ”pendurado” no leitor de CDs, pode ser ejectado com as funções da unidade de comando.
As teclas de favoritos (teclas programáveis) introduzidas com o CHAMP, são diagnosticáveis através de uma função da unidade de comando.
Versão Europa:
Como Rádio BMW Professional é distribuído o Controlador do sistema áudio e multimédia (M-ASK) em lugar do CHAMP.
O M-ASK pode ser identificado pelas suas 8 teclas de favoritos.

Índice |
Explicação |
Índice |
Explicação |
|---|---|---|---|
1 |
Controlador do sistema áudio e multimédia |
2 |
8 teclas de favoritos de atribuição livre |
Reserva-se o direito a erros de impressão, lapsos e alterações técnicas.