A função do levanta-vidro eléctrico é realizada por várias unidades de comando. O módulo da zona dos pés activa os levanta-vidros dianteiros. Os levanta-vidros traseiros são activados pelo sistema electrónico caixa de junções se estiverem montados.

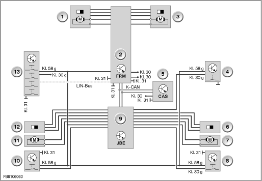
O gráfico mostra o E70
Índice |
Descrição |
Índice |
Descrição |
1 |
Motor do levanta-vidro, lado do condutor dianteiro |
2 |
Módulo da zona dos pés (FRM) |
3 |
Motor do levanta-vidro, lado do acompanhante dianteiro |
4 |
Interruptor do levanta vidro do lado do acompanhante dianteiro |
5 |
Sistema de acesso à viatura (CAS) |
6 |
Sensor Hall do levanta-vidro do lado do acompanhante traseiro |
7 |
Motor do levanta-vidro, lado do acompanhante traseiro |
8 |
Interruptor do vidro, lado do acompanhante traseiro |
9 |
Caixa de junções com sistema electrónico caixa de junções (JBE) |
10 |
Interruptor do vidro, lado do condutor traseiro |
11 |
Motor do levanta-vidro, lado do condutor traseiro |
12 |
Sensor Hall do levanta-vidro do lado do condutor traseiro |
13 |
Bloco de interruptores na porta do condutor |
|
|
As unidades de comando que participam comunicam através dos canais de dados na viatura. As unidades de comando são alimentados com tensão através da caixa de junções.
Reserva-se o direito a erros de impressão, lapsos e alterações técnicas.