O imobilizador electrónico (EWS) serve para a protecção anti-roubo e a autorização de arranque.
O EWS da 4a geração é um aperfeiçoamento dos anteriores EWS. Este aperfeiçoamento utiliza um novo processo de encriptação moderno.
A cada viatura é atribuído um código secreto de 128 bits. Este código secreto é memorizado numa base de dados BMW. Assim, o código secreto só é conhecido pela BMW.
O código secreto é programado e bloqueado nas seguintes unidades de comando:
Assim que o código secreto se encontrar bloqueado nas unidades de comando, já não pode ser alterado ou apagado. Assim, cada unidade de comando está atribuída a uma determinada viatura. As unidades de comando identificam-se entre si através do código secreto e o mesmo algoritmo.
No EWS da 4.a geração, a linha directa (linha de dados EWS) entre a DME/DDE e o CAS é suprimida (não no E83).
Para a transferência de dados do sinal EWS utiliza-se a linha de dados CAN (PT-CAN e K-CAN) e o canal K (também designado por canal CAS). O canal K é utilizado quando um sinal EWS não pode ser transferido na linha de dados CAN.
> E83: Transferência de dados entre a unidade de comando EWS e a DME/DDE, como até agora, através da linha de dados EWS directa.
Aplicação do EWS (4.a geração):
Série de desenvolvimento |
Motores |
Unidade de comando do motor |
|---|---|---|
Regimes de potência: |
||
E60, E61, E63, E64 |
N52B25U1, N52B25O1, N52B30M1, N52B30O1 |
MSV80 |
N53B25U0, N53B30U0, N53B30O0, N54B30O0 |
MSD80 |
|
N43B20O0 |
MSD80.2 |
|
N46B20O2 |
MEV17.2.1 |
|
N47D20O0 |
DDE70 |
|
E81, E82, E87, E88, E90, E90 M3, E91, E92, E92 M3, E93, E93 M3 |
N43B16, N43B20U0, N43B20O0 |
MSD80.2 |
N45B16O2, N46B20U2, N46B20O2 |
MEV17.2.1 |
|
N51B30M0, N52B25U1, N52B25O1, N52B30U0, N52B30M1, N52B30O1 |
MSV80 |
|
N47D20U0, N47D20O0 |
DDE70 |
|
N53B30U0, N53B30O0, N54B30O0 |
MSD80 |
|
S65 |
MSS60 |
|
E83 |
N52B25O1, N52B30U1, N52B30O1 |
MSV80 |
N46B20O2 |
MEV17.2.1 |
|
N47D20O0 |
DDE70 |
|
E70 |
N52B30O1 |
MSV80 |
R55, R56 |
N12 |
MEV17.2 |
N14 |
MED17.2 |
|
São descritos os seguintes componentes para o EWS:
Em cada comando à distância está integrado um chip transreceptor, que tanto pode transmitir como receber. A transferência de dados faz-se, tal como num transformador, entre a antena circular no módulo receptor ou canhão da ignição (apenas E83) e o chip transreceptor. O comando à distância envia os dados para a unidade de comando EWS ou CAS e recebe os dados destas unidades.
No chip transreceptor também está codificada a autorização do comando à distância para a respectiva viatura.
A unidade de comando EWS ou CAS pode gerir, no máx. 10 comandos à distância adequados à unidade de comando, ou seja, podem obter-se, no máx., 6 comandos à distância de substituição.
A unidade de comando EWS ou CAS pode identificar os comandos à distância individuais. É assim possível, bloquear ou autorizar comandos à distância individuais. Se, durante a comunicação entre a unidade de comando EWS ou CAS e os comandos à distância individuais surgirem defeitos, estes serão registados na memória de falhas (em separado para cada comando à distância individual).
Um módulo receptor para o comando à distância ou em torno do canhão da ignição (apenas E83) existe uma antena circular (bobina) para explorar o chip transreceptor. O chip transreceptor e a unidade de comando EWS ou CAS comunicam~ através da antena circular.
Nas viaturas com um bloqueio electrónico da coluna de direcção, este é alimentado com corrente eléctrica após a autenticação pelo CAS. Só agora se pode efectuar um destrancamento ou trancamento. Um arranque do motor só é autorizado se o bloqueio electrónico da coluna de direcção estiver destrancado e bloqueado.
> E83
A unidade de comando EWS e a DME/DDE autentificam-se mutuamente através da linha de dados EWS.
Nas viaturas com caixa de velocidades automática, uma autorização de arranque através da unidade de comando EWS ou CAS só ocorre quando a alavanca selectora se encontra na posição ”P” ou ”N”.
As seguintes unidades de comando participam no imobilizador electrónico (EWS):
> excepto E83
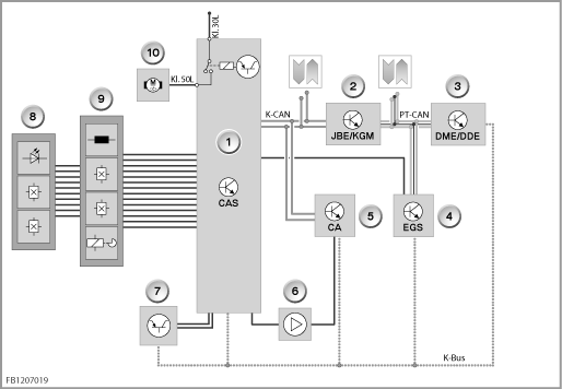
A unidade de comando CAS é a unidade de comando principal (Master) para o EWS. O EWS está integrado no CAS.
Na unidade de comando CAS está memorizado o código secreto à prova de manipulações.
A unidade de comando CAS é um utilizador de canal na K-CAN (CAN da carroçaria) e no canal K (canal da carroçaria).
A unidade de comando CAS é a interface relativamente ao módulo receptor do comando à distância.

Índice |
Explicação |
Índice |
Explicação |
|---|---|---|---|
1 |
Sistema Comfort Access (CAS) |
2 |
Sistema electrónico caixa de junções (JBE) ou módulo de ligação da carroçaria (KGM) |
3 |
Electrónica Digital do Motor (DME) ou Electrónica Digital Diesel (DDE) |
4 |
Comando electrónico da caixa de velocidades (EGS) |
5 |
Acesso conforto (CA: Comfort Access) |
6 |
Receptor do comando à distância |
7 |
Bloqueio eléctrico da direcção |
8 |
Botão START/STOP |
9 |
Módulo receptor com comando à distância |
10 |
Motor de arranque |
Kl. 30L |
Borne 30L |
Kl. 50L |
Borne 50L |
K-Bus |
Canal da carroçaria (também designado por canal CAS) |
K-CAN |
CAN da carroçaria |
PT-CAN |
Powertrain CAN |
|
|
> Apenas E83
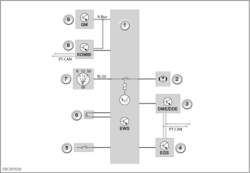
A unidade de comando EWS é um utilizador de canal no canal K (canal da carroçaria).
A unidade de comando EWS é a interface para o canhão da ignição.

Índice |
Explicação |
Índice |
Explicação |
|---|---|---|---|
1 |
Imobilizador electrónico (EWS) |
2 |
Motor de arranque |
3 |
Electrónica Digital do Motor (DME) ou Electrónica Digital Diesel (DDE) |
4 |
comando electrónico da caixa de velocidades (EGS) |
5 |
Interruptor da embraiagem na caixa de velocidades manual (em função da versão nacional) |
6 |
Antena circular (bobina) |
7 |
Interruptor de arranque e ignição |
8 |
Instrumento combinado (KOMBI) |
9 |
Módulo principal (MG) |
|
|
K-Bus |
Canal da carroçaria |
Kl. 50 |
Borne 50 |
PT-CAN |
Powertrain CAN |
|
|
A unidade de comando DME/DDE só autoriza o arranque se tiver chegado um sinal de autorização correcto da unidade de comando EWS ou CAS. Na DME/DDE encontra-se memorizado o código secreto à prova de manipulações.
> E70, E81, E82, E87, E88, E90, E91, E92, E93, R55, R56
A JBE é a interface de dados entre PT-CAN (Powertrain-CAN) e K-CAN (carroçaria CAN).
> E60, E61, E63, E64
O KGM é o interface de dados entre a PT-CAN (Powertrain-CAN) e a K-CAN (carroçaria CAN).
> E83
O Instrumento combinado KGM é a interface de dados entre a PT-CAN (Powertrain-CAN) e o canal K (canal da carroçaria).
> Apenas E70
O comando electrónico da caixa de velocidades (EGS) está integrada sob a forma de outro imobilizador no EWS da 4.a geração. A unidade de comando EGS é um utilizador de canal no canal K.
Uma autorização da função da caixa de velocidades só ocorre quando a unidade de comando CAS e a unidade de comando EGS se autenticarem mutuamente.
No SA 322”Acesso conforto” (CA: Comfort Access) é necessário um identificador em vez do comando à distância habitual. O identificador também cumpre as habituais funções do comando à distância.
A unidade de comando para o acesso conforto (unidade de comando CA) activa as antenas do habitáculo e as antenas exteriores. Deste modo, são interrogados eventuais identificadores. Simultaneamente é activado o receptor FBD para os identificadores que respondem (FBD: função de comando à distância).
A unidade de comando CAS é a unidade de comando Master (principal) para todas as funções do SA ”Acesso conforto”:
Estão descritas as seguintes funções do sistema para o EWS:
No processo de destrancamento é executado um processo de autenticação entre o sistema de acesso à viatura (CAS) e o bloqueio electrónico da coluna de direcção. O bloqueio electrónico da coluna de direcção só pode iniciar o destrancamento após uma saída positiva do processo de autenticação. Por razões de segurança, o bloqueio electrónico da coluna de direcção não é alimentado por corrente durante a marcha. O bloqueio electrónico da coluna de direcção só é alimentado com tensão para o processo de destrancamento ou trancamento.
Se os dados de identificação estiverem correctos, a unidade de comando CAS comanda o motor de arranque através de um relé situado na unidade de comando. Simultaneamente, a unidade de comando CAS envia à unidade de comando DME um sinal de autorização codificado para o arranque do motor. A unidade de comando DME só autoriza o arranque se tiver chegado um sinal de autorização correcto da unidade de comando CAS.
Depois de se introduzir a chave de ignição no canhão da ignição ou o comando à distância no módulo receptor, ocorre a seguinte sequência de operações:
Nas unidades de comando estão memorizados códigos de alternância idênticos, cujo valor se altera após cada arranque do motor. O código de alternância forma-se a partir de um número aleatório e do código secreto.
Adaptação da gestão electrónica do motor com imobilizador electrónico
Com a introdução do novo EWS (4a. geração) foi suprimida a adaptação entre a unidade de comando do motor e o imobilizador electrónico.
A partir desta data, determinadas unidades de comando já só poderão ser substituídas por unidades de comando encomendadas especificamente para a respectiva viatura.
Indicação! Modo de procedimento em caso de unidade de comando defeituosa!
Se o CAS, o EWS (apenas E83) ou a DME/DDE estiver defeituoso, deve ser observado um determinado modo de procedimento.
A unidade de comando necessária deve ser encomendada exactamente para a viatura. Para o efeito são necessários os dados da viatura (número do chassis).
Uma adaptação EWS não é necessária após a substituição da unidade de comando.
> E70
Ao substituir o comando electrónico da caixa de velocidades é necessária uma adaptação. Durante a adaptação, a unidade de comando CAS transmite um código individual para a unidade de comando EGS. Este código individual é necessário para o processo de autenticação, para a autorização da função da caixa de velocidades.
Importante!
Uma troca experimental das unidades de comando com código secreto não é possível!
As chaves sobresselentes só podem ser adquiridas através de um Concessionário BMW, por um centro de Distribuição de peças BMW. Aí também se programará uma das 6 chaves sobresselentes, de modo a ficar adaptada à viatura. Esta chave não é um duplicado da chave extraviada, antes uma chave nova.
Ao todo, não podem ser produzidas nem entregues mais do que 6 chaves sobresselentes adaptadas à unidade de comando EWS montada.
Se uma chave nova for introduzida pela primeira vez no canhão da ignição, ocorre um claro atraso no arranque de 1 a 2 segundos. A partir daí, o processo de arranque deverá ocorrer sem atrasos.
Chaves extraviadas devem ser desactivadas através do diagnóstico. Consultar também ”Particularidades do programa de diagnóstico”.
Cuidado!
Cada solicitação de chaves é documentada, para que possa ser dado seguimento aos pedidos de seguradoras e de autoridades.
Em caso de perda de todos os comandos à distância ou das chaves de ignição, será necessária uma nova unidade de comando EWS ou CAS.
Existe a possibilidade de comandos à distância ou chaves de ignição individuais poderem ser desactivadas ou autorizadas electronicamente através do diagnóstico (funções especiais SAV).
Importante!
Desactivado electronicamente significa que não estão autorizados para o arranque nem o motor de arranque, nem a unidade de comando do motor. Deve ter-se em consideração que mesmo uma chave de ignição desactivada electronicamente continua a servir mecanicamente, ou seja, continua a ser possível abrir todas as tampas de acesso e portas.
Aqui, para cada chave de ignição (comando à distância) individual gerida pela unidade de comando EWS ou CAS individual, é indicado se já foi reconhecido, no mínimo, uma vez pela unidade de comando EWS ou CAS, ou seja, se é possível, mesmo em viaturas mais antigas, reproduzir quantos comandos à distância ou chaves de ignição já foram utilizadas nesta viatura.
Reserva-se o direito a erros de impressão, lapsos e alterações técnicas.