Активное управление воздушными заслонками охлаждения тормозов улучшает аэродинамику автомобиля. Это позволяет уменьшить выброс CO2. Автомобиль комплектуется управлением воздушными заслонками охлаждения тормозов в зависимости от варианта двигателя и дополнительного оборудования.
Система включает:
Обе воздушные заслонки охлаждения тормозов установлены под бампером. Переключающий клапан закреплен на левой чаше амортизатора.
Воздушные заслонки охлаждения тормозов активизируется за счет разрежения. Это разрежение создает вакуумный насос на двигателе. Разрежение воздействует на мембранный механизм на корпусе заслонки.

Индекс |
Пояснение |
Индекс |
Пояснение |
|---|---|---|---|
1 |
Бампер |
2 |
Правая воздушная заслонки охлаждения тормозов |
3 |
Левая воздушная заслонки охлаждения тормозов |
|
|
На обеих воздушных заслонках охлаждения тормозов находится по 1 датчику Холла. Датчики Холла определяют положение воздушных заслонок охлаждения тормозов (открыты или закрыты).

Индекс |
Пояснение |
Индекс |
Пояснение |
|---|---|---|---|
1 |
Воздушная заслонки охлаждения тормозов |
2 |
Датчик Холла |
3 |
Штуцер вакуумного шланга |
4 |
Мембранный механизм |
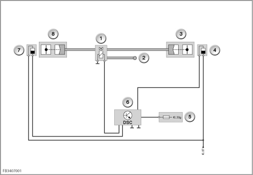
Переключающий клапан активизируется системой динамического контроля стабильности (DSC).

Индекс |
Пояснение |
Индекс |
Пояснение |
|---|---|---|---|
1 |
Переключающий клапан |
2 |
от вакуумного насоса |
3 |
Правая воздушная заслонки охлаждения тормозов |
4 |
Правый датчик Холла |
5 |
Питание, контакт 30g |
6 |
Система динамического контроля стабильности (DSC) |
3 |
Левый датчик Холла |
4 |
Левая воздушная заслонки охлаждения тормозов |
За счет управления воздушными заслонками охлаждения тормозов оптимизируется аэродинамика автомобиля.
В зависимости от режима двигателя возможны два состояния заслонок::
Двигатель выключен |
Воздушные заслонки охлаждения тормозов открыты |
Двигатель работает |
Воздушные заслонки охлаждения тормозов закрываются через несколько секунд |
Во избежание перегрева тормозных дисков заслонки открываются, как только температура тормозных дисков достигает 250 °C.
При появлении неисправности воздушные заслонки охлаждения тормозов могут больше не открыться.
В качестве защиты от перегрева тормозных дисков в этом случае уменьшается мощность двигателя.
Предупреждение! Работы проводить только при неработающем двигателе.
Работы над воздушными заслонками охлаждения тормозов (особенно проверку легкости их хода) разрешается проводить только при неработающем двигателе. В противном случае существует опасность травмирования.
Оставляем за собой право на опечатки, смысловые ошибки и технические изменения.