Система динамического контроля стабильности

Примечание! Структура документа.

В начале этого документа приведены важнейшие указания по диагностике, а непосредственно после них - описание функционирования.

Указания по диагностике

Устранить неисправности или стереть коды неисправностей, записанные в ЗУ.

Если после проведения ремонта со стиранием кодов неисправностей возникают проблемы, действовать следующим образом:

  1. Устранить неисправности при выключенном зажигании.
  2. Включить зажигание, стереть коды неисправностей из ЗУ.
  3. Выключить зажигание, подождать 5 - 10 секунд, и затем снова включить.
  4. Повторно стереть коды неисправностей из ЗУ.

Внимание!

При наличии определенных неисправностей контрольные и сигнальные лампы гаснут только после короткой контрольной поездки.

Порядок замены блока DSC/блока управления DSC

После замены блока DSC/блок управления DSC: Закодировать параметры для индикатора повреждения шин (RPA), а также системы поддержания заданной скорости с помощью Progman.

Что касается DSC, то блок управления DSC кодируется автоматически. В рамках этого процесса в память также записывается идентификационный номер автомобиля. Поэтому коррекция датчика угла поворота рулевого колеса в случае DSC 8/DSC 8 Plus не требуется. При каждом запуске (включении зажигания) блок управления DSC сравнивает идентификационный номер, записанный в память, с фактическим идентификационным номером. Если идентификационные номера не совпадают, блок управления DSC кодируется в соответствии с типом автомобиля. В этом случае запомненные значения коррекции датчиков сбрасываются с восстановлением базовых настроек (исключение: датчик продольного ускорения).

Выполнить следующие операции:

  1. кодирование DSC;
  2. программа прокачки блока DSC;
  3. проверка правильности подсоединения трубопроводов тормозного привода;
  4. инициализация индикатора повреждения шин (см. Руководство по эксплуатации).

Замена датчика DSC

После замены датчика DSC следует выполнить сервисную функцию ”Коррекция датчика DSC”. В датчике DSC корректируется датчик продольного ускорения.

Замена датчика угла поворота рулевого колеса

Датчик угла поворота рулевого колеса образует единый узел с коммутационным центром в рулевой колонке и поэтому не может быть заменен отдельно. Сервисная функция ”Коррекция датчика угла поворота рулевого колеса” или, на автомобилях с активным рулевым управлением, сервисная функция ”Ввод в эксплуатацию/настройка активного рулевого управления” должна выполняться после проведения следующих работ:

Введение

Система динамического контроля стабильности

Автомобили E70 серийно оснащены системой динамического контроля стабильности (DSC).
На E60/E61 с 03/2007.
Система DSC является усовершенствованным вариантом DSC 8Plus. В целях различения эта система регулировки ходовой части называется ”DSC Premium”. Поставщиком DSC является фирма Bosch.

Функции регулировки DSC дополнительно оптимизированы. Улучшение достигнуто за счет установки насоса обратной подачи с 6 плунжерами, а также более мощной электроники. По сравнению с предшествующей моделью (E53) E70 имеет расширенные функции:

Дополнительная безопасность движения обеспечивается за счет сочетания с другими системами:

Система DSC предназначена для поддержания стабильности при движении. Система DSC позволяет оптимизировать:

Кроме этого, система DSC распознает нестабильные состояния движения, такие как недостаточная или избыточная поворачиваемость. Система DSC также помогает поддерживать выбранный безопасный курс в пределах физических возможностей.

Для этого система DSC использует следующие измеряемые величины динамики движения:

Дополнительно система DSC определяет намерения водителя по углу поворота рулевого колеса и тормозному давлению, создаваемому водителю с помощью педали тормоза. Кроме этого используется информация о скорости вращения отдельных колес, предоставляемая датчиками угловой скорости колес. На основе имеющихся результатов измерения определяется фактическое состояние, в котором в данный момент находится автомобиль. Фактическое состояние сравнивается с заданными значениями, рассчитанными в блоке управления DSC. В случае отклонения фактического состояния от заданного система DSC включается и активно вмешивается в тормозную систему или систему управления двигателем.

Краткое описание узлов

Ниже описываются следующие узлы системы динамического контроля стабильности:

блок DSC.

Блок DSC состоит из блока управления DSC и гидравлического узла. Блок управления DSC активизирует гидравлический узел с помощью обмоток клапанов.

GR_FB3406008

Индекс

Пояснение

Индекс

Пояснение

1

Блок управления DSC с разъемом

2

Гидравлический узел

3

Электродвигатель насоса

 

 

В блок DSC встроен датчик тормозного давления, который регистрирует тормозное давление, оказываемое на педаль тормоза и усилитель тормозного привода.
Датчик тормозного давления имеет диапазон измерения от 0 до 250 бар. Его нулевая точка корректируется только во время движения.

Новая концепция блока DSC позволяет осуществлять более точную регулировку. В двигателе насоса работают 2 x 3 плунжерные пары с 6,5 мм. Такая концепция обеспечивает значительно лучшую динамику изменения давления. При этом уменьшается пульсация педали тормоза при регулировке с ABS. Кроме того, улучшается качество регулировки при работе системы курсовой устойчивости при спуске (HDC).

GR_FB3406016

Индекс

Пояснение

Индекс

Пояснение

A

DSC 8Plus

B

DSC Premium

1

Расход (по объему) [л/мин]

2

Время [с]

Напряжение питания подается на блок DSC от токораспределителя на электронном блоке JBE. Контакт 30 периодически включается то на насос обратной подачи, то на электромагнитные клапаны. Блок управления DSC также получает напряжение от контакта 30g.

4 датчика угловой скорости колес

Активные датчики угловых скоростей колес определяют окружные линейные скорости отдельных колес. Кроме того, датчики угловых скоростей колес распознают направление вращения (вперед или назад). Когда колесо не вращается, датчик угловой скорости колеса каждые
0,75 с выдает один импульс. Этот импульс тока показывает работоспособность датчика.

Активные датчики угловых скоростей колес имеют следующие преимущества:

GR_FB3406009

Индекс

Пояснение

Индекс

Пояснение

1

Датчик угловой скорости колес передней оси

2

Датчик угловой скорости колес задней оси

3

Импульс скорости вращения

4

Дополнительная информация, такая как направление вращения и воздушный зазор

5

Путь прохождения сигнала

6

Подшипник ступицы колеса с магнитами

На передней и задней оси вокруг подшипников ступиц колес имеется магнитный контур (инкрементный венец). Северные и южные полюса инкрементного венца расположены попеременно. Один северный и один южный полюса соответствуют 1 зубцу (аналогично зубцу/впадине инкрементного колеса). Датчик угловой скорости колеса содержит 3 датчика Холла и один электронный блок обработки.

В случае активных датчиков угловых скоростей колес их электрическое сопротивление изменяется под действием магнитного поля. Каждый зубец вызывает 2 импульса в датчике (96 импульсов/оборот колеса). Для передачи данных блоку управления к фронту импульса также добавляются дополнительные данные. Такая интегрированная обработка данных функционально превосходит чистое определение скорости вращения. Возможна следующая дополнительная информация:

Датчик DSC

Датчик DSC измеряет следующие параметры:

GR_FB3406010

Индекс

Пояснение

Индекс

Пояснение

1

Датчик DSC

2

Разъем

Сенсорный элемент состоит из 2 пьезоэлектрических датчиков ускорения. В измерительные ячейки датчиков ускорения встроены выводы массы (подвешены на пружинах).
При выполнении ускорения оба вывода массы также начинают ускоряться. Необходимое для этого усилие создает механическое напряжение в пьезоэлектрическом материале. Возникающий при этом перенос заряда снимается с помощью металлических электродов и преобразуется в электрический сигнал. Из разности обоих сигналов ускорения выводится скорость вращения автомобиля вокруг вертикальной оси. Таким образом, датчик DSC каждый раз передает сигнал скорости вращения автомобиля вокруг вертикальной оси и сигнал ускорения.

Датчик продольного ускорения используется системой помощи при трогании с места.

Датчик DSC соединен с блоком управления DSC с помощью шины CAN ходовой части (F-CAN).

Напряжение питания подается на датчик DSC от блока управления DSC.

Датчик угла поворота рулевого колеса

Датчик угла поворота рулевого колеса установлен в коммутационном центре в рулевой колонке (SZL). Датчик угла поворота рулевого колеса измеряет угол оптически и бесконтактно. Датчик закреплен на плате с электронным блоком обработки. Датчик состоит из следующих компонентов: кодирующий диск и оптический датчик.

Кодирующий диск через кассету витых пружин соединен с рулевым колесом. При вращении рулевого колеса кодирующий диск двигается внутри оптического датчика. На кодирующем диске для анализа имеются различные штрих-коды.

GR_FB3406011

Индекс

Пояснение

Индекс

Пояснение

1

Коммутационный центр в рулевой колонке (SZL)

2

Оптический датчик

3

Кодирующий диск

 

 

Коммутационный центр в рулевой колонке соединен с блоком управления DSC с помощью шины CAN ходовой части (F-CAN).

Клавиша DTC и клавиша HDC

С помощью клавиши DTC осуществляется переключение режимов системы регулировки ходовой части. Клавиша DTC имеет надпись ”DTC”. С помощью клавиши DTC можно выбрать одно из трех состояний:

E70:
Клавиша DTC находится в коммутационном центре в центральной консоли (без блока управления). Коммутационный центр в центральной консоли соединен с встроенной автоматической системой отопления и кондиционирования (IHKA). Блок управления IHKA передает сигналы по шине K-CAN.

E60 и E61 с 03/2007:
Клавиша DTC находится в левом блоке переключателей рядом с пепельницей. Блок переключателей подсоединен к коммутационному центру в центральной консоли (SZM). Блок управления SZM расположен в держателе приборов за перчаточным ящиком.

GR_FB3406014

На рисунке показан E70.

Индекс

Пояснение

Индекс

Пояснение

1

Коммутационный центр в центральной консоли

2

Клавиша HDC

Сокращение HDC используется для обозначения системы курсовой устойчивости при спуске (Hill Descent Control)

3

Клавиша DTC

 

 

E70:
Клавиша HDC также находится в коммутационном центре в центральной консоли.

E60 и E61:
Систему HDC можно запрограммировать под одной из свободно программируемых клавиш на рулевом колесе. Кроме этого, возможна активизация системы HDC через iDrive.

Система DSC получает дополнительные входные сигналы от следующих узлов:

выключатель контрольной лампы уровня тормозной жидкости

При слишком низком уровне тормозной жидкости это состояние распознается (с помощью геркона в бачке главного тормозного цилиндра) и сообщается блоку управления DSC. При слишком низком уровне тормозной жидкости система DSC деактивизируется. В противном случае существует опасность того, что в тормозную систему будет всасываться воздух.

выключатель стоп-сигналов

Одновременно с сигналом датчика тормозного давления распознается процесс торможения (только при наличии DSC)
В выключатель стоп-сигналов встроено 2 выключателя (2-ступенчатых). Один сигнал передается в систему DSC по специальному проводу. Оба сигнала передаются также на блок управления двигателем. Блок управления двигателем передает сигнал по шине PT-CAN. На основе этих двух сигналов блок управления DSC определяет, нажата ли педаль тормоза.

GR_FB1206035

Индекс

Пояснение

Индекс

Пояснение

1

Выключатель стоп-сигналов

2

Разъем

Система доступа в автомобиль (CAS) обеспечивает питанием выключатель стоп-сигналов при включении контакта R.

2 датчика износа тормозных накладок

Датчики износа тормозных накладок расположены во внутренних тормозных накладках левого переднего и правого заднего колес и передают дополнительную информацию о толщине тормозных накладок. По этой дополнительной информации (2 опорные точки) осуществляется коррекция значения, рассчитанного системой DSC.

GR_FB3406012

Индекс

Пояснение

Индекс

Пояснение

1

Тормозной диск

2

Тормозной суппорт

3

Датчик износа тормозных накладок (на примере задней оси)

 

 

В случае распознавания критической толщины тормозных накладок это отображается в комбинации приборов с помощью индикатора ТО по состоянию, а также общей сигнальной лампы тормозной системы (загорается красным светом).

Кроме этого, в работе системы динамического контроля стабильности участвуют следующие блоки управления:

KOMBI: Комбинация приборов

В случае отказа или неисправности системы DSC на ЖК-дисплее появляется сообщение системы автоматической диагностики. Все символы системы автоматической диагностики имеют определенное значение.

При наличии сообщения системы автоматической диагностики дополнительно на центральном информационном дисплее могут появиться более подробные указания к дальнейшим действиям (CID).

CAS: Система доступа в автомобиль

Система CAS получает от системы DSC обработанный сигнал угловой скорости. По этому сигналу система CAS определяет, стоит автомобиль или двигается.

JBE: Электронный блок управления JBE

Напряжение питания подается на блок DSC от токораспределителя в электронном блоке управления JBE.
На насос обратной подачи и электромагнитные клапаны - через контакт 30.
На блок управления DSC - через контакт 30g.

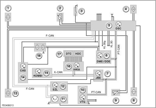
GR_FB3406013

На рисунке показан E70.

Индекс

Пояснение

Индекс

Пояснение

1

Датчик угловой скорости левого переднего колеса

2

Датчик износа тормозных накладок левого переднего колеса

3

Выключатель сигнальной лампы уровня тормозной жидкости

4

Датчик угловой скорости правого переднего колеса

5

Система динамического контроля стабильности (DSC)

6

Цифровая электронная система управления двигателем или цифровая электронная система управления дизельным двигателем (DME или DDE)

7

Электронный блок управления JBE

8

Датчик угловой скорости правого заднего колеса

9

Датчик износа тормозных накладок левого переднего колеса

10

Раздаточная коробка (VTG)

11

Датчик DSC

12

Коммутационный центр в рулевой колонке (SZL)

13

Датчик угловой скорости левого заднего колеса

14

Система доступа в автомобиль (CAS)

15

Комбинация приборов (KOMBI)

16

Встроенная автоматическая система отопления и кондиционирования (IHKA)

17

Коммутационный центр в центральной консоли

18

Выключатель стоп-сигналов

F-CAN

Шина CAN ходовой части

K-CAN

Кузовная шина CAN

Kl. 30

Контакт 30

Kl. 30g

Контакт 30g

PT-CAN

Шина CAN двигателя и трансмиссии

 

 


Функции системы

Ниже описываются следующие новые для E70 функции DSC:

Другие известные функции DSC:

Кроме этого, в систему интегрированы также следующие функции, не относящиеся непосредственно к регулировке динамики движения:

DTC: Система динамической регулировки тяги

DTC - это вариант DSC, оптимизированный по тяге для определенного состояния дорожного полотна. Система динамической регулировки тяги (DTC) обеспечивает улучшенное тяговое усилие при частичном снижении устойчивости и поэтому рекомендуется только в исключительных ситуациях. Кратковременная активизация DTC может быть целесообразна в следующих исключительных ситуациях:

Функция DTC соответствует DSC с несколько измененной стратегией регулировки. Активизация системы DTC осуществляется путем выключения DSC (клавиша DTC). Система DTC реализует функцию постоянной блокировки дифференциала путем воздействия на тормозные механизмы. При этом повышается крутящий момент на колесах, которые стоят на покрытии с более высоким коэффициентом трения.
Преимущество: Обеспечивается более высокое тяговое усилие. Вмешательство в целях стабилизации автомобиля (например, уменьшение мощности двигателя) осуществляется с некоторым запаздыванием по сравнению с DSC. В определенных ситуациях водитель должен более активно вмешиваться сам для того, чтобы стабилизировать автомобиль.

Готовность тормозной системы благодаря заблаговременному подводу тормозных колодок на случай необходимости

Заблаговременный подвод тормозных колодок уменьшает время реагирования при торможении. При быстром отпускании педали акселератора (угол педали) тормозные колодки немедленно подводятся к диску. Система DSC создает небольшое тормозное давление, так чтобы это не приводило к заметному замедлению автомобиля. Благодаря этому компенсируется воздушный зазор между тормозной колодкой и тормозным диском. Если в течение полусекунды не происходит торможения, предварительно созданное тормозное давление снова возвращается к исходному. Заблаговременный подвод тормозных колодок активен при скорости движения более 70 км/ч.

”Просушка тормозов” - тормозные диски сушатся в случае мокрого дорожного полотна

При ”просушке тормозов” удаляется влага, которая появляется на тормозном диске при движении по мокрому дорожному полотну или во время дождя. При этом тормозные колодки слегка прижимаются к дискам. Эта функция также уменьшает время реагирования при торможении. В зависимости от сигнала датчика интенсивности дождя или положения переключателя стеклоочистителя система DSC периодически создает небольшое тормозное давление. При этом не происходит заметного замедления автомобиля. Тормозные колодки прижимаются периодически. Вода с тормозного диска периодически удаляется. Как часто и на какое время прижимаются тормозные колодки зависит от:

Компенсация снижения эффективности торможения

Снижение эффективности торможения означает, что: тормозное действие падает в результате высокой температуры тормозного диска. В качестве реакции на известное снижение эффективности система DSC повышает тормозное давление относительно давления, задаваемого водителем. При очень высокой температуре тормозного диска и при компенсации снижения эффективности торможения происходит следующее:

DSC распознает снижение эффективности торможения следующим образом: DSC сравнивает текущее замедление автомобиля с заданным значением в соответствии с текущим тормозным давлением. DSC увеличивает тормозное давление до тех пор, пока не будет достигнуто заданное замедление, или пока все колеса находятся в диапазоне регулирования ABS. Процесс заканчивается, когда отпускается педаль тормоза или скорость снижается ниже определенного порога.

Помощь при трогании

При трогании с места на склоне требуется поочередное нажатие на педаль тормоза и педаль акселератора. При этом система помощи при трогании предотвращает скатывание автомобиля в следующих ситуациях:

Для этого в системе поддерживается тормозное давление, необходимое для удерживания автомобиля. Угол наклона дорожного полотна определяется датчиком продольного ускорения, встроенным в блок управления DSC. На основе угла наклона дорожного полотна рассчитывается необходимый тормозной момент или крутящий момент двигателя. При распознавании намерения водителя тронуться с места тормозное давление сбрасывается, как только имеющийся крутящий момент двигателя оказывается достаточным для того, чтобы автомобиль мог двигаться в требуемом направлении. При активизации стояночного тормоза система помощи при трогании отключается. Если в течение прим. 2 секунд после отпускания педали тормоза намерение водителя тронуться с места не распознается, система помощи при трогании также отключается.

Круиз-контроль с функцией торможения

Круиз-контроль с функцией торможения функционально интегрирован в систему DSC. Круиз-контроль постоянно поддерживает выбранную скорость в диапазоне от 30 до 250 км/ч.
По сравнению с обычным круиз-контролем имеются следующие дополнительные функции:

EMF: Электромеханический и гидравлический стояночный тормоз

EMF - это парковочный тормоз.
При работающем двигателе система DSC создает удерживающую силу за счет гидравлики.
При неработающем двигателе система EMF с помощью исполнительного узла обеспечивает удерживающую силу механически.

ABS: Антиблокировочная система

Антиблокировочная система (ABS) предотвращает блокировку колес при торможении. Преимущество: Короткий тормозной путь, автомобиль сохраняет курсовую устойчивость и управляемость. Тормозное давление на всех четырех колесах регулируется таким образом, чтобы каждое колесо находилось в оптимальном диапазоне проскальзывания. При этом процесс проскальзывания регулируется таким образом, чтобы могли передаваться максимально высокие тормозные силы и силы бокового увода колес.

EBV: Электронная система распределения тормозных сил

Электронная система распределения тормозных сил (EBV) входит в состав системы ABS. Система EBV регулирует процесс распределения тормозных сил между колесами передней и задней осей в зависимости от загрузки автомобиля. Преимущество: Независимо от загрузки достигается оптимальный тормозной путь в сочетании с высокой устойчивостью. Тормозные накладки изнашиваются более равномерно. В случае отказа системы ABS функция EBV сохраняется максимально долго. Для реализации функции EBV необходимы сигналы минимум двух датчиков угловой скорости колес на ось.

CBC: Система контроля стабильности при прохождении поворотов

Система контроля стабильности при прохождении поворотов (CBC) является расширенным вариантом системы ABS. Система CBC способствует повышению устойчивости при торможении в поворотах (”Логика поворота”). Преимущество: Оптимизация устойчивости при притормаживании в поворотах. Смещение нагрузки на колеса при прохождении поворотов (даже при легком торможении) может привести к тому, что устойчивость автомобиля снизится. В случае необходимости при легком торможении за пределами диапазона регулировки системы ABS система CBC формирует стабилизирующий противодействующий момент.

MSR: Система регулировки тормозящего момента двигателя

Система регулировки тормозящего момента двигателя (MSR) предотвращает возникновение тенденции к блокировке ведущих колес на скользкой дороге. При переключении на пониженную передачу или при резкой изменении нагрузки (особенно на дорожном полотне с низким коэффициентом трения) существует опасность блокировки ведущих колес под воздействием тормозящего момента двигателя. Благодаря датчикам угловой скорости колес система MSR распознает тенденцию к блокировке уже в самом начале. Система MSR на короткое время уменьшает тормозящий момент двигателя за счет небольшого повышения частоты вращения. Преимущество: Ведущие колеса сохраняют силы бокового увода также при движении накатом.

ASC: Автоматическая система контроля стабильности

Автоматическая система контроля стабильности (ASC) предотвращает проворачивание колес при ускорении путем вмешательства в работу тормозной системы и двигателя. Преимущество: Лучшая тяга и большая устойчивость автомобиля. Если колеса ведомой оси имеют различное сцепление с дорожным полотном, выполняется торможение колеса склонного к проворачиванию. При необходимости уменьшается также мощность двигателя.

DSC: Система динамического контроля стабильности

Система динамического контроля стабильности (DSC) определяет текущее состояние движения автомобиля путем анализа сигналов датчиков. Это состояние сравнивается с заданными значениями, рассчитанными с помощью математической модели. Благодаря этому нестабильные состояния движения распознаются уже в самом начале. В случае отклонений, находящихся выше порога регулировки, заложенного в блоке управления DSC, выполняется стабилизация автомобиля. Стабилизация (в пределах физических возможностей) достигается за счет уменьшения мощности двигатели и индивидуального торможения отдельных колес. Вмешательство системы DSC перекрывает функции ABS и ASC. Систему DSC можно отключить с помощью специальной клавиши. На автомобилях R56 функция динамической регулировки тяги (DTC) не предусмотрена.

DBC: Система динамического контроля тормозной системы

Система динамического контроля тормозной системы (DBC) поддерживает водителя в ситуациях экстренного торможения путем автоматического увеличения тормозного давления. Преимущество: Максимально короткий тормозной путь при экстренном торможении за счет обеспечения регулировки ABS на всех четырех колесах. При экстренном торможении часто бывает, что водитель нажимает на педаль тормоза недостаточно сильно. В этом случае диапазон регулировки ABS не достигается. Насос обратной подачи приводит тормозную систему в диапазон регулировки ABS путем увеличения тормозного давления в следующих ситуациях:

Автоматическая блокировка дифференциала

При наличии xDrive система динамического контроля стабильности (DSC) выдает заданное значение для регулировки полного привода. Блок управления DSC рассчитывает момент блокировки для дисковой муфты в раздаточной коробке. Заданное значение зависит от тенденции к избыточной или недостаточной поворачиваемости автомобиля и пробуксовке колес. Заданное значение передается по шине PT-CAN на блок управления VTG. Блок управления, в свою очередь, сообщает фактический момент блокировки блоку управления DSC. Блок управления DSC рассчитывает момент блокировки дисковой муфты следующим образом:

HDC: Система курсовой устойчивости при спуске

Система курсовой устойчивости при спуске (HDC) - это автоматическая система поддержания заданной скорости при движении под уклон полноприводного автомобиля. Включение и выключение системы HDC осуществляется с помощью выключателя в коммутационном центре в центральной консоли. HDC автоматически уменьшает скорость движения. Скорость движения уменьшается за счет воздействия на тормозные механизмы всех четырех колес до скорости меньше скорости пешехода. Это обеспечивает стабильное движение под уклон на крутом и скользком основании. HDC поддерживает эту скорость на постоянном уровне (все функции DSC остаются активными). С помощью педали акселератора и педали тормоза или подрулевого переключателя круиз-контроля можно плавно менять скорость движения в пределах заданных значений. На заводе-изготовителе нижняя свободная программируемая клавиша на многофункциональном рулевом колесе отводится для HDC.

Система контроля устойчивости прицепа

Система контроля устойчивости прицепа распознает колебания прицепа относительно вертикальной оси. Система начинает работать со скорости прим. 65 км/ч при включенной розетке подключения электрооборудования прицепа. Система динамического контроля стабильности (DSC) контролирует вращение автомобиля вокруг вертикальной оси с помощью датчиков DSC. Если при колебании сцепки происходит превышение предельного значения, мощность двигателя снижается. Кроме этого, система DSC автоматически подтормаживает все 4 колеса. При деактивизированной или неисправной системе DSC система контроля устойчивости прицепа также не работает.

RPA: Индикатор повреждения шины

Индикатор повреждения шины (RPA) функционально не связан непосредственно с регулировкой динамики движения. Индикатор RPA встроен в блок управления DSC, так как для этой функции необходимы сигналы угловой скорости всех 4 колес. Путем сравнения 4 значений угловой скорости колес система определяет расхождения в участках пути, проходимых шинами отдельных колес за один оборот. Благодаря этому распознается медленная потеря давления воздуха в шинах.
Индикатор повреждения шины можно инициализировать следующим образом:

CBS: ТО по состоянию

Индикатор ТО по состоянию (CBS) функционально не связан непосредственно с регулировкой динамики движения. Термин ”ТО по состоянию” означает ”техническое обслуживание по мере необходимости”. В CBS включены различные работы по техническому обслуживанию, в том числе замена моторного масла, свечей зажигания и тормозных колодок. В блоке управления DSC рассчитывается остаточный пробег отдельно для передних и задних тормозных колодок. Для расчета используется также состояние датчиков износа тормозных накладок (опорная точка при 6 мм и 4 мм).

Указания по сервисному обслуживанию

Общие указания

Внимание! Заменить блок управления DSC.

При замене блока управления DSC следовать указаниям в Руководстве по ремонту (использовать соответствующее приспособление).

Указания по диагностике

В фирменном тестере BMW предусмотрены следующие сервисные функции:

Указания по кодированию/программированию

После замены необходимо выполнить кодирование блока управления DSC.

Условия включения

Система DSC активизируется при каждом запуске двигателя.

Оставляем за собой право на опечатки, смысловые ошибки и технические изменения.