Central Head Unit and Multimedia Platform (CHAMP) представляет собой мультимедийную платформу для использования на автомобилях. CHAMP входит в серийную комплектацию (радиоприемник Business или SA 663: радиоприемник BMW Professional).
В комплектации для стран Европы используется контроллер мультиаудиосистемы (M-ASK) следующего поколения.
В отличие от M-ASK CHAMP не имеет системы навигации.
CHAMP включает следующие новые компоненты:
Ниже описываются следующие узлы системы CHAMP:
CHAMP является межсетевым преобразователем (головным устройством) для шин MOST и K-CAN.

Индекс |
Пояснение |
Индекс |
Пояснение |
|---|---|---|---|
1 |
6 часто используемых клавиш |
2 |
Клавиша включения диапазонов FM и AM (фиксированная в исполнении для США) |
3 |
Клавиша MODE |
4 |
Central Head Unit and Multimedia Platform (CHAMP) |
Несколько блоков управления и дисковод собраны под одним корпусом. CHAMP имеет модульную структуру: Отдельные функции объединены в CHAMP в своего рода ”виртуальные” блоки управления. ”Виртуальный” означает: Хотя отдельные блоки управления и объединены в CHAMP, все они работают ”раздельно” (например, при программировании).
При диагностике различаются следующие ”виртуальные” блоки управления:
Электровентилятор для охлаждения выходных каскадов аудиосистемы и процессоров расположен на задней стороне корпуса радиоприемника DIN.
Часто используемые клавиши можно программировать.
Они позволяют сохранять следующие функции (в зависимости от дополнительного оборудования), чтобы в дальнейшем к ним можно было быстро получить доступ:

Индекс |
Пояснение |
Индекс |
Пояснение |
|---|---|---|---|
1 |
CD-дисковод |
2 |
Часто используемые клавиши |
В блок часто используемых клавиш встроен емкостный датчик, реагирующий на касание.
Схему распределения всех часто используемых клавиш можно отменить в меню ”Установка параметров” -> ”Автомобиль”. Функции часто используемых клавиш подробно описаны в руководстве по эксплуатации.
CID является центральным графическим устройством отображения информации. Он имеет цветной дисплей размером 6,5”.

Индекс |
Пояснение |
Индекс |
Пояснение |
|---|---|---|---|
A |
Передняя сторона |
B |
Задняя сторона |
1 |
Центральный информационный дисплей (CID) |
2 |
Разъем для провода передачи данных LVDS |
3 |
Разъем для шины CAN и линии питания |
|
|
Центральный информационный дисплей соединен с CHAMP с помощью провода передачи данных LVDS (Low Voltage Differential Signaling). Провод LVDS представляет собой технологию, с помощью которой можно осуществлять надежную передачу графических данных на большие расстояния. Для провода передачи данных LVDS были разработаны специальные разъемы.
Кроме этого, CID подсоединен к шине K-CAN.
CID содержит фототранзистор для регулировки яркости подсветки ЖК-дисплея (в зависимости от яркости окружающего освещения). Кроме этого, ЖК-дисплей имеет функцию обогрева.
Контроллер выдает сигналы для выбора меню и подменю. Выбор подменю осуществляется путем вращения и/или перемещения контроллера. При отпускании контроллер всегда возвращается в нейтральное положение.

Индекс |
Пояснение |
Индекс |
Пояснение |
|---|---|---|---|
1 |
Контроллер |
2 |
Клавиша MENU |
3 |
Кнопка Push-toTalk (PTT) |
4 |
Разъем на контроллере |
За контроллером расположена клавиша MENU, предназначенная для вызова исходного меню на центральном информационном дисплее, а также кнопка Push-to-Talk для включении функции ввода голосовых команд.
Контроллер подсоединен к шине K-CAN. Через шину K-CAN контроллер соединен также с контактом 58g.
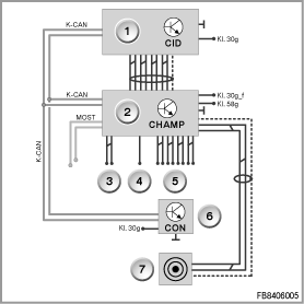
Ниже описываются следующие функции системы CHAMP:

Индекс |
Пояснение |
Индекс |
Пояснение |
|---|---|---|---|
1 |
Центральный информационный дисплей (CID) |
2 |
Central Head Unit and Multimedia Platform (CHAMP) |
3 |
К разнесенной антенне |
4 |
К разнесенной антенне |
5 |
К динамикам |
6 |
Контроллер (CON) |
7 |
Гнездо AUX-In |
|
|
K-CAN |
Кузовная шина CAN |
Kl. 30g |
Контакт 30 коммутируемый |
Kl. 30g_f |
Контакт 30 коммутируемый в случае неисправности на шине MOST |
Kl. 58g |
Подсветка символов |
MOST |
Media Oriented System Transport (оптоволоконный кабель) |
|
|
CHAMP имеет сдвоенный тюнер для диапазона AM/FM. В то время как тюнер 1 принимает нужную радиостанцию, тюнер 2 работает на заднем плане. Тюнер 2 обследует зону охвата радиопередатчика на предмет дополнительных сигналов. Если радиопередатчик посылает более сильный сигнал на другой частоте, система автоматически переключается на эту альтернативную частоту. Оба тюнера принимают информацию от системы RDS, которая передается с сигналом вещания радиопередатчика FM. Если настроена радиостанция AM, могут также приниматься сообщения о ситуации на дорогах системы RDS, транслируемые на одной из радиостанций FM. При приеме сообщения о ситуации на дорогах вещание на AM временно отключается и сообщение воспроизводится через динамики.
В качестве контроллера аудиосистемы CHAMP выполняет следующие функции:
Блок управления ”Пользовательский экран CHAMP” (CHAMP-BO) обрабатывает сигналы контроллера: например, при выборе меню и подменю. Кроме этого, CHAMP-BO управляет воспроизведением индикаций на центральном информационном дисплее (CID). Заложенные в процессор данные для отображения графической информации немедленно передаются в виде цифровых сигналов LVDS (Low Voltage Differential Signaling) на CID.
Блок управления ”Межсетевой преобразователь CHAMP” является интерфейсом между шинами MOST и K-CAN. Обе системы шин передают данные с различной скоростью и в различных форматах. Чтобы обеспечить обмен данными со всеми системами, данные соответствующим образом конфигурируются в межсетевом преобразователе CHAMP для передачи по той или иной шине.
Перезапуск системы CHAMP
Перезапустить систему CHAMP можно с помощью следующих мероприятий:
Специальная клавиша или комбинация клавиш для перезапуска системы CHAMP не предусмотрена.
Примечание! Система CHAMP заменяется только в сборе.
Система CHAMP заменяется в виде единого блока на СТОА.
”Функции блоков управления” содержат большое количество проверок для системы CHAMP.
Пример: С помощью функций блоков управления можно извлечь застрявший в дисководе CD.
Также с помощью одной из функций блока управления можно провести диагностику часто используемых клавиш, входящих в систему CHAMP (программируемые клавиши).
Исполнение для Европы:
Вместо CHAMP предлагается контроллер мультиаудиосистемы (M-ASK), встроенный в радиоприемник BMW Professional.
M-ASK можно узнать по 8 часто используемым клавишам.

Индекс |
Пояснение |
Индекс |
Пояснение |
|---|---|---|---|
1 |
Контроллер мультиаудиосистемы |
2 |
8 программируемых часто используемых клавиш |
Оставляем за собой право на опечатки, смысловые ошибки и технические изменения.