Примечание! SA 5DF в зависимости от экспортного исполнения только в комбинации с определенным дополнительным оборудованием.
Активный круиз-контроль с функцией Stop & Go в настоящее время предлагается только с SA 205 ”Автоматическая коробка передач” или SA 2TB ”Спортивная автоматическая коробка передач”.
В некоторых странах из-за ограничений при регистрации т/с ACC предлагается без функции Stop & Go.
ACC без функции Stop & Go не имеет датчиков ближнего действия.
В Европе SA 5DF предлагается только в комбинации с системой навигации. Основание: Законодательно предписанное отключение при приближении к радиоастрономическим станциям.

Индекс |
Пояснение |
Индекс |
Пояснение |
|---|---|---|---|
1 |
Центральная ось левого датчика ближнего действия |
2 |
Продольная ось автомобиля. |
3 |
Центральная ось датчика дальнего действия |
4 |
Центральная ось правого датчика ближнего действия |
5 |
Датчик дальнего действия с кронштейном |
6 |
Правый датчик ближнего действия с кронштейном |
7 |
Опорная балка бампера |
8 |
Левый датчик ближнего действия с кронштейном |
При сервисном обслуживании необходимо обратить внимание на следующее:
В приведенном ниже тексте описывается новый активный круиз-контроль с функцией Stop & Go (SA 5DF).
Активный круиз-контроль с функцией Stop & Go является усовершенствованием уже известной системы активного круиз-контроля (ACC).
В качестве дополнения к активному круиз-контролю функция Stop & Go обеспечивает:
Задаваемая скорость устанавливается в диапазоне от 30 до 180 км/ч: с удобный шагом в 10 или точным шагом в 1. Задаваемая скорость показывается в комбинации приборов. Кроме того, имеется возможность выбора 4 дистанций.
С новым дополнительным оборудованием используется также новая подшина: сенсорная шина CAN (S-CAN).
Ниже описываются следующие узлы системы ACC:
Датчики ближнего действия являются радиолокационными датчиками (Short Range Radar).
Для ACC с функцией Stop & Go устанавливаются 2 одинаковых датчика ближнего действия. Датчики ближнего действия установлены на передней опорной балке бампера с помощью пластикового кронштейна.

Индекс |
Пояснение |
Индекс |
Пояснение |
|---|---|---|---|
1 |
Датчик ближнего действия |
2 |
Кронштейн |
Датчики ближнего действия соединены с блоком управления LDM по сенсорной шине CAN (S-CAN).
Датчики ближнего действия выполняют следующие задачи:
Данные датчиков ближнего действия об объектах используются только для функции Stop & Go ACC (не для адаптивного тормозного ассистента).
LRR является аббревиатурой от Long Range Radar (радиолокационный датчик дальнего действия).

Индекс |
Пояснение |
Индекс |
Пояснение |
|---|---|---|---|
1 |
датчик дальнего действия |
2 |
Кронштейн |
Датчик дальнего действия (использовавшийся ранее датчик ACC) является радиолокационным датчиком. Одновременно датчик дальнего действия является и блоком управления. Поэтому датчик дальнего действия имеет собственный адрес блока управления и может диагностироваться и программироваться.
Датчик дальнего действия распознает удаление, угол, а также скорость движущихся объектов. Дальность действия составляет до 150 метров вперед от автомобиля. Данные датчика обрабатываются в блоке управления LDM (система управления продольной динамикой).
Блок управления продольной динамикой установлен на приборной панели за перчаточным ящиком.

Индекс |
Пояснение |
Индекс |
Пояснение |
|---|---|---|---|
1 |
Приборная панель |
2 |
Блок управления LDM |
Для ACC с функцией Stop & Go блок управления LDM выполняет следующие задачи:
Питание на блоки управления LRR и LDM подается от блока управления CAS по отдельному проводу активизации, который имеет электрическую развязку от обычных проводов активизации. Такое решение было выбрано, так как датчик дальнего действия установлен в зоне, наиболее часто страдающей при аварии (передок автомобиля). Если при аварии будет поврежден провод активизации LRR (например, короткое замыкание на массу), то это решение позволит предотвратить воздействие на другие блоки управления.
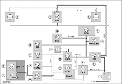
Новая сенсорная шина CAN (S-CAN) соединяет:
Шина S-CAN требуется из-за большого объема данных от радиолокационных датчиков.
Этот объем данных превышает свободную пропускную способность имеющихся шинных систем.

Индекс |
Пояснение |
Индекс |
Пояснение |
|---|---|---|---|
1 |
Левый датчик ближнего действия |
2 |
Датчик дальнего действия (LRR) |
3 |
Правый датчик ближнего действия |
4 |
Система динамического контроля стабильности (DSC) |
5 |
Цифровая электронная система управления двигателем (DME) или цифровая электронная система управления дизельным двигателем (DDE) |
6 |
Система управления продольной динамикой (LDM) |
7 |
Предохранитель в багажном отделении |
8 |
Система доступа в автомобиль (CAS) |
9 |
Car Communication Computer (CCC) и контроллер мультиаудиосистемы (M-ASK) |
10 |
Кузовной модуль межсетевого преобразования (KGM) |
11 |
Контакт двери водителя |
12 |
Электронный блок управления КПП (EGS) |
13 |
Коммутационный центр в рулевой колонке (SZL) |
14 |
Световой модуль (LM) |
15 |
Комбинация приборов (KOMBI) |
16 |
Система Advanced Crash Safety Module (ACSM) |
17 |
Контакт замка ремня безопасности |
18 |
Мат системы определения занятости сиденья |
Признаки сенсорной шины CAN:
Ниже описываются следующие функции:
Для реализации функции Stop & Go требуется сложная комплексная система с управлением отдельными функциями через другие блоки управления. Блок управления LDM соединен с этими блоками управления с помощью шин передачи данных.

Индекс |
Пояснение |
Индекс |
Пояснение |
|---|---|---|---|
1 |
Датчик дальнего действия (LRR) |
2 |
Левый датчик ближнего действия |
3 |
Правый датчик ближнего действия |
4 |
Коммутационный центр в рулевой колонке (SZL) |
5 |
Кузовной модуль межсетевого преобразования (KGM) |
6 |
Комбинация приборов (KOMBI) |
7 |
Система динамического контроля стабильности (DSC) |
8 |
Электронный блок управления КПП (EGS) |
9 |
Цифровая электронная система управления двигателем (DME) или цифровая электронная система управления дизельным двигателем (DDE) |
10 |
Система управления продольной динамикой (LDM) |
Для совместного функционирования объединены в сеть следующие блоки управления:
Блок управления |
Принцип работы |
|---|---|
DME или DDE: Система управления двигателем |
Реализация запрашиваемого момента Сигнал ”Двигатель работает”: |
DSC: Система динамического контроля стабильности |
Режим движения Реализация воздействия на тормозные механизмы |
SZL: Коммутационный центр в рулевой колонке |
Рычаг управления Угол поворота рулевого колеса Активизация рупорного звукового сигнала |
CCC, M-ASK: Система навигации |
Данные от системы навигации (воздействие на регулируемые величины) |
KOMBI: Комбинация приборов |
Индикация (ACC и сообщения системы автоматической диагностики) |
EGS: Система управления коробкой передач |
Передача |
CAS: Система доступа в автомобиль |
Статус контактов и провод активизации |
KGM: Кузовной модуль межсетевого преобразования |
Контактный выключатель двери (намерение водителя выйти из автомобиля) |
AHM: Модуль подключения электрооборудования прицепа |
Распознавание движения с прицепом |
ACSM: Блок управления ACSM |
Занятость сиденья водителя (намерение водителя выйти из автомобиля) Контакт замка ремня безопасности (намерение водителя выйти из автомобиля) |
RLS: Датчик интенсивности дождя/наружного освещения |
Состояние дорожного покрытия (мокрое) |
SZM: Коммутационный центр в центральной консоли |
Кнопка DTC |
LM: Световой модуль |
Активизация аварийной световой сигнализации |
Адаптивный тормозной ассистент является функцией DSC. Блок управления LDM выполняет функцию межсетевого преобразователя между шинами S-CAN и PT-CAN.
Особенно полезен адаптивный тормозной ассистент в ситуации экстренного торможения. Если водитель впереди идущего автомобиля сильно тормозит, то эту ситуацию распознает датчик дальнего действия.
При этом тормозной ассистент помогает оптимально выполнить торможение и избежать столкновения.
Для этого имеются следующие функции:
Адаптивный тормозной ассистент всегда включен при включенном ACC.
Адаптивный тормозной ассистент также имеется при ACC без функции Stop & Go.
При достижении предела своих функциональных возможностей система ACC может повести себя непонятным для водителя образом, и это поведение необходимо ему объяснить. Ниже приводится описание подобных ситуаций:
Оставляем за собой право на опечатки, смысловые ошибки и технические изменения.