Автомобили E70 могут иметь дополнительное оборудование 2VA ”Adaptive Drive”. Это дополнительное оборудование состоит из 2 систем:
системы управления вертикальной динамикой (VDM) и активной системы стабилизации при крене (ARS: торговая марка Dynamik Drive). В данном документе описывается система управления вертикальной динамикой.
Система управления вертикальной динамикой имеет следующие преимущества:

Индекс |
Пояснение |
Индекс |
Пояснение |
|---|---|---|---|
1 |
Блок управления VDM |
2 |
Правый задний амортизатор с демпфирующим сателлитом (EDCSHR) |
3 |
Правый задний датчик дорожного просвета |
4 |
Левый задний датчик дорожного просвета |
5 |
Левый задний амортизатор с демпфирующим сателлитом (EDCSHL) |
6 |
Левый передний амортизатор с демпфирующим сателлитом (EDCSVL) |
7 |
Левый передний датчик дорожного просвета |
8 |
Правый передний датчик дорожного просвета |
9 |
Правый передний амортизатор с демпфирующим сателлитом (EDCSVR) |
|
|
F-CAN |
Шина CAN ходовой части |
FlexRay |
Подшина |
PT-CAN |
Шина CAN двигателя и трансмиссии |
|
|
Сокращение EDC означает: электронная система регулировки жесткости амортизаторов
Система управления вертикальной динамикой (VDM) является усовершенствованным вариантом электронной системой регулировки жесткости амортизаторов непрерывного действия (EDC-K), заимствованной у E65. Система VDM объединяет центральный блок управления и 4 жестко соединенных с амортизаторами интеллектуальных демпфирующих сателлита.
В качестве линии передачи данных впервые используется шина FlexRay.
Ниже описываются следующие узлы системы управления вертикальной динамикой:
Блок управления VDM установлен в держателе приборов в правой задней части багажного отделения.

Индекс |
Пояснение |
Индекс |
Пояснение |
|---|---|---|---|
1 |
Система комфортного доступа (CA) |
2 |
Модуль подключения электрооборудования прицепа (AHM) |
3 |
Сигнализация аварийного сближения при парковке (PDC) |
4 |
Система управления вертикальной динамикой (VDM) |
5 |
Электронная система контроля высоты дорожного просвета (EHC) |
|
|
Система VDM способствует повышению комфортность езды. Повышение комфортности езды достигается за счет минимизации вертикальных колебаний кузова автомобиля. Ни при воздействии на автомобиль дорожного покрытия (неровностей, стыков), ни при прохождении поворотов.
Блок управления VDM задает демпфирующим сателлитам активизацию демпферов (демпфирование, индивидуальное для каждого колеса). Для этого блок управления VDM соединен с демпфирующими сателлитами с помощью очень быстрой шины FlexRay.
Скорость передачи данных FlexRay 10 Мбит/с делает ее самой быстрой из всех шин передачи данных, используемых сегодня на автомобилях (кузов и трансмиссия/ходовая часть). Помимо увеличенной ширины полосы пропускания FlexRay поддерживает передачу данных в режиме реального времени. FlexRay может быть сконфигурирована на нечувствительность к неисправностям.
Предусмотрено 4 демпфирующих сателлита:
Демпфирующие сателлиты осуществляют электронную регулировку демпфирования. Демпфирующие сателлиты и клапаны EDC неразделимо соединены с амортизаторами. Каждый демпфирующий сателлит имеет собственный датчик вертикального ускорения. Демпфирующие сателлиты выполняют, среди прочего, следующие задачи:

Демпфирующий сателлит: на примере левого переднего колеса
Индекс |
Пояснение |
Индекс |
Пояснение |
|---|---|---|---|
1 |
Левый передний демпфирующий сателлит (EDCSVL) |
2 |
Стальная пружина |
3 |
Амортизатор |
4 |
Клапан EDC |

Демпфирующий сателлит: на примере правого заднего колеса
Индекс |
Пояснение |
Индекс |
Пояснение |
|---|---|---|---|
1 |
Правый задний демпфирующий сателлит (EDCSHR) |
2 |
Клапан EDC |
3 |
Амортизатор |
|
|
В общей сложности предусмотрено 4 датчика дорожного просвета:
Четыре датчика дорожного просвета соединены с блоком управления VDM. Датчики дорожного просвета в динамическом режиме передают информацию о высоте дорожного просвета кузова автомобиля на блок управления VDM. На ее основе система управления вертикальной динамикой рассчитывает движения конструкции и ускорение колес.
Кроме этого, датчики дорожного просвета передают информацию в систему автоматической регулировки дорожного просвета.
Двойные датчики дорожного просвета на задней оси передают сигнал не только на блок управления VDM, но и на блок управления EHC. Двойные датчики дорожного просвета имеют на корпусе надпись ”doppelt”.

Датчик дорожного просвета: на примере левого переднего колеса
Индекс |
Пояснение |
Индекс |
Пояснение |
|---|---|---|---|
1 |
Датчик дорожного просвета |
2 |
Сочлененный стержень |

Датчик дорожного просвета: на примере левого заднего колеса
Индекс |
Пояснение |
Индекс |
Пояснение |
|---|---|---|---|
1 |
Датчик дорожного просвета |
2 |
Сочлененный стержень |
Клавиша SPORT находится на центральной консоли за переключателем выбора передач (GWS). Управление клавишей SPORT влечет за собой изменение характеристики демпфирования:
Comfort <-> Sport.
Клавиша SPORT соединена с переключателем выбора передач (GWS). Переключатель GWS является отдельным блоком управления. Он выдает сигнал на шину PT-CAN.

Индекс |
Пояснение |
Индекс |
Пояснение |
|---|---|---|---|
1 |
Выключатель парковочного тормоза |
2 |
Переключатель выбора передач (GWS) |
3 |
Клавиша SPORT |
|
|
Контрольная лампа в клавише SPORT горит, когда включена спортивная программа. Дополнительно на ЖК-дисплее комбинации приборов высвечивается надпись ”SPORT”.
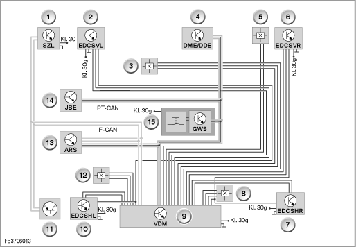
Система управления вертикальной динамикой использует сигналы от следующих блоков управления:
ARS передает блоку управления VDM по шине PT-CAN сигнал поперечного ускорения. Блок VDM использует этот сигнал в качестве резервной величины.
DSC передает блоку управления VDM по шине PT-CAN информацию о скорости движения и давлении в тормозном приводе.
SZL передает блоку управления VDM по шине F-CAN сигнал датчика угла поворота рулевого колеса (заблаговременное распознавание поворотов).
Система управления двигателем выдает сигнал ”Двигатель работает”. Сигнал передается по шине PT-CAN.
JBE сообщает о состоянии контактов. Кроме того, JBE играет роль шлюза между шинами PT-CAN и K-CAN.

Индекс |
Пояснение |
Индекс |
Пояснение |
|---|---|---|---|
1 |
Коммутационный центр в рулевой колонке (SZL) |
2 |
Левый передний демпфирующий сателлит (EDCSVL) |
3 |
Левый передний датчик дорожного просвета |
4 |
Цифровая электронная система управления двигателем или цифровая электронная система управления дизельным двигателем |
5 |
Правый передний датчик дорожного просвета |
6 |
Правый передний демпфирующий сателлит (EDCSVR); |
7 |
Правый задний демпфирующий сателлит (EDCSHR) |
8 |
Правый задний датчик дорожного просвета |
9 |
Блок управления VDM |
10 |
Левый задний демпфирующий сателлит (EDCSHL) |
11 |
Датчик DSC |
12 |
Левый задний датчик дорожного просвета |
13 |
Активная система стабилизации при крене (ARS: Dynamik Drive) |
14 |
Электронный блок управления JBE |
15 |
Переключатель выбора передач с клавишей SPORT |
|
|
Ниже описываются следующие функции системы управления вертикальной динамикой:
Для демпфирования движений колес и конструкции контролируется движение автомобиля в целом. Это процесс охватывает следующие оси:
В процессе контроля используются следующие сигналы:
На основе этих сигналов моделируется текущая дорожная ситуация.
В отношении вертикальной оси автомобиля процесс регулировки демпфирования системой управления вертикальной динамикой разделяется на регулировку с точки зрения комфорта и безопасности.
С точки зрения комфорта осуществляется демпфирование движений конструкции,
а с точки зрения безопасности - демпфирование ускорения колес. При этом должен быть обеспечен постоянный контакт колес с дорожным покрытием. В зависимости от ситуации должна передаваться оптимальная сила, действующая на опорную поверхность.
Система управления вертикальной динамикой также принимает во внимание поворот руля (например, переход от движения по прямой к прохождению поворота). При распознавании быстрого увеличения угла поворота рулевого колеса блок управления VDM делает вывод о начале прохождения поворота. Это позволяет заблаговременно активизировать соответствующие амортизаторы. Таким образом, система управления вертикальной динамикой поддерживает активную систему стабилизации при крене (ARS), способствуя, тем самым, уменьшению склонности автомобиля к крену.
Система управления вертикальной динамикой распознает также торможение и разгон. Для этого используется сигнал тормозного давления и продольного ускорения от системы DSC. Большое тормозное давление обычно вызывает склонность автомобиля к дифференту. Система VDM противодействует этой склонности тем, что увеличивает жесткость передних амортизаторов. Таким же образом оказывается противодействие склонности автомобиля к дифференту при ускорении.
В зависимости от выбранной характеристики демпфирования (комфортная или спортивная, с помощью клавиши SPORT) блок управления VDM корректирует уровень силы амортизации. Однако в критических ситуациях движения, несмотря на выбранную комфортную программу, обеспечивается максимальная безопасность движения.
В зависимости от типа имеющейся неисправности защита при отказе действует в 3 ступени:

Индекс |
Пояснение |
Индекс |
Пояснение |
|---|---|---|---|
1 |
Сообщение системы автоматической диагностики |
|
|
Предупреждение! При замене амортизатора нужно указать место установки.
Амортизаторы образуют с демпфирующими сателлитами и клапаном EDC единый узел, который заменяется в сборе. При заказе нового узла нужно указать вариант модели и место установки (например, слева сзади). Существует зависимость от: варианта двигателя, подвески и наличия дополнительного оборудования (например, 3-й ряд сидений).
Примечание: Несколько ЗУ неисправностей в системе управления вертикальной динамикой.
Блок управления VDM записывает в собственное ЗУ только коды собственных неисправностей. Коды неисправностей демпфирующих сателлитов записываются в их ЗУ. Поэтому при неисправности необходимо считывать информацию, записанную не только в ЗУ неисправностей блока управления VDM, но и в ЗУ демпфирующих сателлитов. Демпфирующие сателлиты должны быть доступны для фирменного тестера BMW. Поэтому блок управления VDM играет также роль шлюза между PT-CAN и FlexRay, необходимого в целях диагностики.
Предупреждение! Выполнить коррекцию датчиков дорожного просвета.
После замены блока управления VDM или одного из датчиков дорожного просвета необходимо выполнить повторное запоминание значений коррекции датчиков дорожного просвета. Для этого следует использовать сервисную функцию ”Коррекция высоты дорожного просвета” в фирменном тестере BMW.
Предупреждение! Выполнить коррекцию датчиков вертикального ускорения.
После замены одного или нескольких демпфирующих сателлитов необходимо обязательно выполнить коррекцию датчиков вертикального ускорения. Для этого следует использовать сервисную функцию ”Коррекция датчика вертикального ускорения” в фирменном тестере BMW.
При этом автомобиль должен стоять на ровной поверхности.
После замены блок управления VDM следует закодировать.
Система управления вертикальной динамикой активизируется при следующих условиях:
Оставляем за собой право на опечатки, смысловые ошибки и технические изменения.