Электрический подъемник крышки багажника предлагается на E70 с 10/2007. В первую очередь речь идет об использовании системы с приводом с помощью шпинделя.
Верхняя багажная дверь может быть автоматически открыта или закрыта нажатием кнопки. Нижняя багажная дверь по-прежнему открывается вручную.
Можно задать пять степеней угла открытия багажной двери через меню на центральном информационном дисплее с помощью контроллера. При этом багажная дверь открывается только на заданный угол.
Ниже описываются следующие узлы в составе подъемника багажной двери:
Привод со шпинделем устанавливается на место левого и правого газонаполненных амортизаторов. Привод со шпинделем состоит из следующих узлов:

Индекс |
Пояснение |
Индекс |
Пояснение |
|---|---|---|---|
1 |
Набор пружин |
2 |
Шпиндель |
3 |
Редуктор |
4 |
Двигатель привода |
5 |
Датчики Холла |
|
|

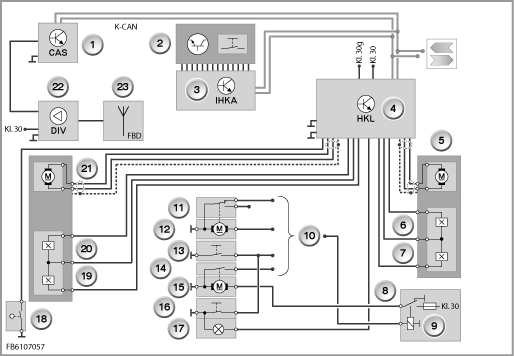
Индекс |
Пояснение |
Индекс |
Пояснение |
|---|---|---|---|
1 |
Система доступа в автомобиль (CAS) |
2 |
Выключатель багажной двери в коммутационном центре в центральной консоли |
3 |
Встроенная автоматическая система отопления и кондиционирования (IHKA) |
4 |
Подъемник багажной двери (HKL) |
5 |
Двигатель правого привода |
6 |
Правый датчик Холла |
7 |
Правый датчик Холла |
8 |
Задний токораспределитель |
9 |
Реле привода автодоводчика (SCA) |
10 |
Соединения с блоком управления JBE |
11 |
Контактный выключатель багажной двери |
12 |
Двигатель замка верхней багажной двери |
13 |
Наружный выключатель багажной двери |
14 |
Контакт привода автодоводчика |
15 |
Двигатель автодоводчика багажной двери |
16 |
Внутренний выключатель багажной двери |
17 |
Подсветка внутреннего выключателя багажной двери |
18 |
Микровыключатель нижней багажной двери |
19 |
Левый датчик Холла |
20 |
Левый датчик Холла |
21 |
Двигатель левого привода |
22 |
Приемник дистанционного управления |
23 |
Левый датчик Холла |
|
|

Индекс |
Пояснение |
Индекс |
Пояснение |
|---|---|---|---|
1 |
Блок управления подъемником багажной двери |
|
|
Подъемник багажной двери установлен в багажном отделении справа на приборной панели. HKL активизирует и контролирует функцию автоматического привода багажной двери.
Блок управляющей логики подключен к контакту 30g. Силовой ток привода со шпинделем HKL получает от контакта 30.
Подъемник багажной двери работает при напряжении от 9 до 16 В. Если напряжение находится за пределами этого диапазона - функция не поддерживается.
Система доступа в автомобиль (CAS) получает сигнал ключа с ДУ или идентификационного трансмиттера и проверяет его. В случае успешной проверки (аутентификации) CAS дает разрешение на разблокировку багажной двери.
JBE осуществляет разблокировку багажной двери. JBE вставлен в передний токораспределитель.
Выключатель багажной двери осуществляет соединение с массой. JBE получает сигнал выключателя багажной двери. JBE передает по шине K-CAN статус выключателя багажной двери к HKL.
Внутренний выключатель багажной двери подключен параллельно с наружным к JBE. Поэтому JBE не различает оба выключателя.
Антенна в заднем стекле принимает радиосигнал ДУ. Приемник дистанционного управления в модуле разнесения передает сигнал по шине K-CAN в систему доступа в автомобиль. Система доступа в автомобиль является ответственной за работу центрального замка. В случае автомобиля с комфортным доступом используемый идентификационный трансмиттер имеет те же функции, что и ключ с ДУ.
Включатель багажной двери закодирован с помощью сопротивления. Статус выключателя багажной двери анализируется блоком управления кондиционером. Блок управления кондиционером передает статус по шине K-CAN.
Контактный выключатель багажной двери при закрытой двери осуществляет соединение с массой. JBE анализирует статус контактного выключателя багажной двери и сообщает его.

Индекс |
Пояснение |
Индекс |
Пояснение |
|---|---|---|---|
1 |
Микровыключатель нижней багажной двери |
|
|
Контакт нижней багажной двери выполнен в виде микровыключателя и осуществляет соединение с массой. Статус микровыключателя анализируется HKL. Если нижняя багажная дверь плохо закрыта, автоматический привод верхней багажной двери не включается. Подъемник багажной двери выдает сообщение системы автоматической диагностики и посылает его по шине K-CAN.
Ниже описываются следующие функции подъемника багажной двери:
При нажатии выключателя верхняя багажная дверь автоматически открывается или закрывается. Кнопка выключателя багажной двери в коммутационном центре в центральной консоли при этом выдвигается. С ее помощью автоматически можно только открывать.
После получения разрешения от CAS JBE осуществляет разблокировку багажной двери. Сначала активизируется привод автодоводчика для того, чтобы разблокировать багажную дверь. Затем активизируется замок багажной двери.
Контактный выключатель багажной двери переходит из состояния закрыто в состояние открыто и привод со шпинделем активизируется в сторону открывания.
Багажная дверь открывается полностью или на заданный угол. Если во время движения активны условия блокировки (см. условия блокировки), то движение прекращается.
При коротком нажатии на выключатель багажной двери во время открывания дверь останавливается.
В HKL интегрирована функция ”Плавного начала движения” или ”Плавного окончания движения”. Это значит, что багажная дверь непосредственно перед упорами замедляется и плавно доходит до упоров. (Исключение: отсутствует плавное окончание движения при закрывании). Это достигается изменением скважности напряжения активизации.
В случае автомобиля с комфортным доступом багажную дверь можно открыть и при запертом автомобиле. Нажав наружный выключатель багажной двери можно автоматически открыть багажную дверь. Это возможно только, если в непосредственной близости от автомобиля находится подходящий идентификационный трансмиттер.
Автоматический привод багажной двери не активизируется при движении автомобиля, а только когда автомобиль стоит.
Если багажная дверь частично открыта, ее можно двигать рукой в направлении ”ОТКРЫТЬ” или ”ЗАКРЫТЬ”.
В приводах со шпинделем встроено соответственно по одному двигателю. В двигателе имеется два датчика Холла, которые расположены друг против друга. Это позволяет определить направление вращения двигателя. Кроме того, на основании импульсов датчиков Холла можно определить ход и, тем самым, угол открытия багажной двери. Импульсы датчиков Холла используются, например, для регулировки угла открытия через центральный информационный дисплей.
Распознавание блокировки работает при открывании и закрывании багажной двери. Блокировка движения багажной двери при открывании действует таким образом, что багажная дверь сразу останавливается. Если движение багажной двери блокируется при закрывании, то HKL на короткое время активизирует привод со шпинделем в противоположном направлении (= реверс). Если багажная дверь остается заблокированной, привод больше не активизируется.
Блокировка распознается, если пропадают импульсы датчиков Холла или если увеличивается ток двигателя.
Во избежание перегрева для каждого двигателя в HKL предусмотрена блокировка повтора. Для блокировки повтора суммируется время работы двигателя. Если общее время работы двигателя составляет более 2 минут его новая активизация блокируется. Уже выполняемая функция всегда завершается. По истечении фазы охлаждения в течение 6 минут снова допускается суммарное время работы двигателя 2 минуты.
Привод багажной двери блокируется в различных ситуациях для защиты от повреждений автомобиля.
Далее приведены условия блокировки:
Условия блокировки |
Пояснение/Примечание |
|---|---|
Скорость движения vmax>3 км/ч |
ИСКЛЮЧЕНИЕ: Команда на закрытие выполняется до конца. Сигнал скорости от комбинации приборов по шине K-CAN. |
Температура наружного воздуха < - 30 °C и до +80 °C |
Сигнал температуры наружного воздуха от комбинации приборов по шине K-CAN |
Напряжение в бортовой сети <9 В до 16 В> |
|
Не закрыта нижняя багажная дверь |
Отмена при движении багажной двери, блокировка управления багажной дверью. Продолжение открывания возможно. |
Запуск двигателя (статус ”Контакт 50 ВКЛ.”) |
Сигнал от CAS по шине K-CAN. Отмена при движении багажной двери, блокировка управления багажной дверью. |
При несоответствующем сигнале скорости или температуры багажную дверь можно привести в движение.
Неисправный привод необходимо заменять в сборе.
При замене привода со шпинделем контакт 30g должен оставаться выключенным. В противном случае производится запись кода неисправности, а автоматический привод багажной двери не работает.
После замены блока управления подъемником багажной двери или привода со шпинделем необходимо вновь выполнить запоминание верхнего упора. Для этого багажная дверь при первом открывании двигается до верхнего упора до полной остановки.
Блокировка багажной двери и пропадание при этом импульсов датчиков Холла привода со шпинделем отмечает точку максимального угла открытия багажной двери. Перед этой точкой отнимается ок. 5 % общего числа импульсов датчиков Холла. Это значение принимается за максимальный угол открытия багажной двери. Эта точка также обозначается, как плавная остановка.
Плавная остановка позволяет открывать багажную дверь до упора и при этом исключает повреждения.
Нижний упор определяется изменением статуса контактного выключателя замка багажной двери с открыто на закрыто.
Движение багажной двери начинается только после отпускания выключателя багажной двери.
Закрыть багажную дверь через ключ с ДУ нельзя.
Оставляем за собой право на опечатки, смысловые ошибки и технические изменения.