Электронная противоугонная система

Электронная противоугонная система

Электронная противоугонная система (EWS) служит для защиты автомобиля от угона и разблокировки пуска двигателя.

EWS 4-го поколения представляет собой усовершенствованный вариант предшествующих EWS. В этой новой разработке использован новый, более современный способ кодирования.
За каждым автомобилем закрепляется секретный код длиной 128 бит. Этот код хранится в базе данных BMW. Поэтому он известен только BMW.

Секретный код программируется в следующих блоках управления и доступ к нему полностью блокируется:

Записанный в блоки управления код не может быть удален или изменен. Таким образом каждый блок управления закрепляется за конкретным автомобилем. Блоки управления взаимно идентифицируются с помощью секретного кода и единого алгоритма.

В случае EWS 4-го поколения отсутствует прямой провод (провод передачи данных EWS) между DME/DDE и CAS (кроме E83).
Для передачи данных сигнала EWS используются провод передачи данных CAN (PT-CAN и K-CAN) и шина K-Bus (также называемая шиной CAS). Шина K-Bus используется, когда сигнал EWS не может быть передан по проводу передачи данных CAN.
> E83: Передача данных между блоком управления EWS и DME/DDE как прежде через прямой провод передачи данных EWS.

Установка EWS (4-го поколения):

Серия

Двигатели

Блок управления двигателем

Мощности:
T = TOP
O = верхние значения мощности
M = средние значения мощности
U = нижние значения мощности
K = самые низкие значения мощности
Степень изменения для аттестации:
0 = новая разработка
1-9 =модернизация

E60, E61, E63, E64

N52B25U1, N52B25O1, N52B30M1, N52B30O1

MSV80

N53B25U0, N53B30U0, N53B30O0, N54B30O0

MSD80

N43B20O0

MSD80.2

N46B20O2

MEV17.2.1

N47D20O0

DDE70

E81, E82, E87, E88, E90, E90 M3, E91, E92, E92 M3, E93, E93 M3

N43B16, N43B20U0, N43B20O0

MSD80.2

N45B16O2, N46B20U2, N46B20O2

MEV17.2.1

N51B30M0, N52B25U1, N52B25O1, N52B30U0, N52B30M1, N52B30O1

MSV80

N47D20U0, N47D20O0

DDE70

N53B30U0, N53B30O0, N54B30O0

MSD80

S65

MSS60

E83

N52B25O1, N52B30U1, N52B30O1

MSV80

N46B20O2

MEV17.2.1

N47D20O0

DDE70

E70

N52B30O1

MSV80

R55, R56

N12

MEV17.2

N14

MED17.2

 

Краткое описание узлов

Ниже описываются следующие узлы EWS:

Ключ с ДУ со встроенным чипом-транспондером

В каждый ключ с ДУ встроен чип-транспордер, который может как посылать сигналы, так и принимать их. Между кольцевой антенной в слоте или замке зажигания (только E83) и чипом-транспондером происходит обмен информацией и питание электроэнергией по принципу трансформатора. Ключ с ДУ передает данные блоку управления EWS или CAS и принимает данные от них.

В чип-транспордере также закодировано право доступа ключа с ДУ для соответствующего автомобиля.

Блок управления EWS или CAS может управлять макс. 10 ключами с ДУ, т. е. в качестве запасных может быть использовано макс. 6 ключей.
Блок управления EWS или CAS может идентифицировать отдельные ключи с ДУ. Тем самым, можно отменить или открыть доступ отдельного ключа. Если во время связи между блоком управления EWS или CAS и отдельными ключами с ДУ возникают ошибки, то они записываются в ЗУ неисправностей отдельно для каждого ключа.

Кольцевая антенна

В слоте ключа с ДУ или вокруг замка зажигания (только E83) находится кольцевая антенна (катушка) для опроса чип-транспордера. Через кольцевую антенну осуществляется связь чип-транспордера и блока управления EWS или CAS.

Электроблокировка рулевого управления (ELV)

В случае автомобиля с электроблокировкой рулевого управления она получает питание после аутентификации в CAS. Только после этого становится возможной блокировка или разблокировка. Запуск двигателя разрешен только после того, как система блокировки рулевого управления будет разблокирована и деактивизирована.

Провод передачи данных EWS

> E83
По проводу передачи данных EWS осуществляется взаимная аутентификация блока управления EWS и DME/DDE.

Рычаг селектора в положении ”P” или ”N” при АКПП

В случае автомобиля с АКПП блок управления EWS или CAS дает разрешение на запуск только, когда рычаг селектора находится в положении ”P” или ”N”.

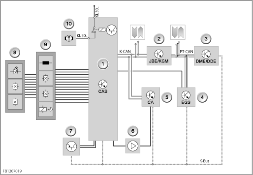
В работе электронной противоугонной системы (EWS) участвуют следующие блоки управления:

CAS: Система доступа в автомобиль

> кроме E83

Блок управления CAS является ведущим блоком управления для EWS. EWS интегрирована в CAS.

В блоке управления CAS записан секретный код и он защищен от манипуляций.

Блок управления CAS является абонентом шины K-CAN (кузовной шины CAN) и шины K-Bus (кузовной шины).
Блок управления CAS является интерфейсом слота ключа с ДУ.

GR_FB1207019

Индекс

Пояснение

Индекс

Пояснение

1

Система доступа в автомобиль (CAS)

2

Электронный блок управления JBE или кузовной модуль межсетевого преобразования (KGM)

3

Цифровая электронная система управления двигателем (DME) или цифровая электронная система управления дизельным двигателем (DDE)

4

Электронный блок управления коробкой передач (EGS)
> только E70:
Подсоединение к шине K-Bus

5

Комфортный доступ (CA: Система комфортного доступа)

6

Приемник дистанционного управления

7

Электроблокировка рулевого управления (ELV)

8

Кнопка START/STOP

9

Слот и ключ с ДУ

10

Стартер

Контакт 30L

Контакт 30L

Контакт 50L

Контакт 50L

K-Bus

Кузовная шина (также называемая шиной CAS)

K-CAN

кузовная шина CAN;

PT-CAN

Шина CAN двигателя и трансмиссии

 

 

 

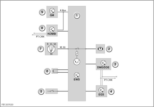
Блок управления EWS

> только E83

Блок управления EWS является абонентом шины K-Bus (кузовной шины).
Блок управления EWS является интерфейсом замка зажигания.

GR_FB1207020

Индекс

Пояснение

Индекс

Пояснение

1

Электронная противоугонная система (EWS)

2

Стартер

3

Цифровая электронная система управления двигателем (DME) или цифровая электронная система управления дизельным двигателем (DDE)

4

Электронный блок управления КПП (EGS)

5

Выключатель сцепления при МКПП (в зависимости от экспортного исполнения)

6

Кольцевая антенна (катушка)

7

Выключатель зажигания и стартера

8

Комбинация приборов (KOMBI)

9

Основной модуль (GM)

 

 

K-Bus

Кузовная шина

Контакт 50

Контакт 50

PT-CAN

Шина CAN двигателя и трансмиссии

 

 

 

DME/DDE: Цифровая электронная система управления двигателем / Цифровая электронная система управления дизельным двигателем

ЭБУ DME/DDE дает разрешение на запуск двигателя только тогда, когда поступает корректный разрешающий сигнал от блока управления EWS или CAS. В DME/DDE записан секретный код и он защищен от манипуляций.

JBE: Электронный блок управления JBE

> E70, E81, E82, E87, E88, E90, E91, E92, E93, R55, R56
JBE является интерфейсом передачи данных между PT-CAN (шиной CAN двигателя и трансмиссии) и K-CAN (кузовной шиной CAN).

KGM: Кузовной модуль межсетевого преобразования

> E60, E61, E63, E64
KGM является интерфейсом передачи данных между PT-CAN (шиной CAN двигателя и трансмиссии) и K-CAN (кузовной шиной CAN).

KOMBI: Комбинация приборов

> E83
Комбинация приборов KGM является интерфейсом передачи данных между PT-CAN (шиной CAN двигателя и трансмиссии) и K-Bus (кузовной шиной).

EGS: Электронный блок управления коробкой передач

> только E70
Электронный блок управления коробкой передач (EGS) служит дополнительной противоугонной блокировкой в EWS 4-го поколения. Блок управления EGS является абонентом шины K-Bus.
Разрешение на работу коробки передач дается только тогда, когда блоки управления CAS и EGS выполняют взаимную аутентификацию.

CA: комфортный доступ

На автомобилях с SA 322”Комфортный доступ” (CA: Comfort Access) вместо обычного пульта дистанционного управления используется идентификационный трансмиттер. Идентификационный трансмиттер также выполняет функции обычного дистанционного управления.
Блок управления комфортным доступом (блок управления CA) управляет антенной в салоне и наружной антенной. С их помощью опрашиваются возможные идентификационные трансмиттеры. Одновременно активизируется приемник FBD для получения ответа от идентификационного трансмиттера (FBD: служба дистанционного управления).
Блок управления CAS является ведущим блоком управления для всех функций SA ”Комфортный доступ”:

Функции системы

Ниже описываются следующие функции EWS:

Управление электрической системой блокировки рулевого управления

При разблокировке выполняется процедура аутентификации между системой доступа в автомобиль (CAS) и электрической системой блокировки рулевого управления. Система блокировки рулевого управления разрешает разблокировку только в случае положительного исхода процедуры аутентификации. В целях безопасности во время движения система блокировки рулевого управления обесточена. Напряжение питания к системе блокировки рулевого управления подается только на время выполнения блокировки или разблокировки.

Разблокировка запуска

Если идентификация прошла корректно, блок управления CAS активирует через находящееся в нем реле стартер. Одновременно блок CAS посылает DME закодированный сигнал, разрешающий пуск двигателя. DME разрешает запуск только в том случае, если от CAS поступил корректный сигнал разблокировки.

После того, как вставлен ключ в замок зажигания или в слот происходит следующий процесс:

В блоках управления записаны идентичные переменные коды, значения которых изменяются при каждом процессе пуска. Переменный код образуется на основе случайного числа и секретного кода.

 

Указания по сервисному обслуживанию

Общие указания


Согласование системы управления двигателем с электронной противоугонной системой

С внедрением нового EWS (4-го поколения) отсутствует согласование блока управления двигателем с электронной противоугонной системой.

С этого времени определенные блоки управления можно заменять только специально заказанными для соответствующего автомобиля блоками управления.

Примечание! Действия при неисправном блоке управления!

При неисправности CAS, EWS (только E83) или DME/DDE необходимо действовать строго рекомендованным способом.
Блок управления необходимо заказывать для конкретного автомобиля. Для этого необходимы данные автомобиля (идентификационный номер).
Согласование EWS после замены блока управления не требуется.

> E70
При замене электронного блока управления коробкой передач согласование необходимо. При согласовании блок управления CAS передает индивидуальный код блоку управления EGS. Этот индивидуальный код требуется для процесса аутентификации для разрешения работы коробки передач.

Важно!

Пробная замена блока управления с секретным кодом невозможна!

Резервные ключи

Резервные ключи можно заказать только через дилера BMW в Службе поставок запчастей BMW. Там один из 6 резервных ключей программируется под автомобиль. Этот ключ - не копия утерянного ключа, а совершенно новый ключ.

Для установленного в автомобиле ЭБУ EWS может быть изготовлено и передано клиенту не более 6 резервных ключей.

Когда новый ключ вставляется в замок зажигания в первый раз, происходит заметная задержка пуска продолжительностью 1 - 2 с. В последующие разы процесс пуска должен происходить без задержки.

Доступ для утерянных ключей отменяется в диагностической программе. См. также ”Особенности диагностической программы”.

Внимание!

Каждый заказ ключа оформляется документально для того, чтобы иметь возможность ответить на запросы страховых компаний и государственных учреждений.

Восстановление при утере всех ключей

При утере всех ключей необходим новый блок управления EWS или CAS.

Сервисные функции

Отмена/открытие доступа ключей с ДУ или ключей зажигания

С помощью диагностической программы (Сервисные функции) можно электронным способом отменить или открыть доступ отдельного ключа с ДУ или ключа зажигания.

Важно!

Электронная отмена доступа означает, что ни стартер, ни блок управления двигателем не разблокируются для запуска. При этом необходимо обязательно убедиться в том, что механическая часть ключа с ДУ, у которого произведена электронная отмена доступа, как и прежде, подходит, т. е. им можно открыть все крышки и двери.

Индикация ключей, до сих пор использовавшихся на автомобиле

Для каждого из управляемых блоком EWS или CAS ключей показывается, был ли он хотя бы один раз распознан блоком управления EWS или CAS, т. е. имеется возможность даже на не новых автомобилях установить, сколько ключей было у данного автомобиля.

 

Оставляем за собой право на опечатки, смысловые ошибки и технические изменения.