Функции электрических стеклоподъемников реализуются за счет нескольких блоков управления. Управление передними стеклоподъемниками осуществляется модулем в пространстве для ног, а задними (при наличии) - электронным блоком управления JBE.

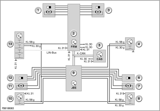
На рисунке показан E70.
Индекс |
Описание |
Индекс |
Описание |
1 |
Электродвигатель переднего стеклоподъемника на стороне водителя |
2 |
Модуль в пространстве для ног (FRM) |
3 |
Электродвигатель переднего стеклоподъемника на стороне переднего пассажира |
4 |
Переключатель переднего стеклоподъемника на стороне переднего пассажира |
5 |
Система доступа в автомобиль (CAS) |
6 |
Датчик Холла заднего стеклоподъемника на стороне переднего пассажира |
7 |
Электродвигатель заднего стеклоподъемника на стороне переднего пассажира |
8 |
Переключатель заднего стеклоподъемника на стороне переднего пассажира |
9 |
Электронно-управляемый токораспределитель с электронным блоком управления JBE |
10 |
Переключатель заднего стеклоподъемника на стороне водителя |
11 |
Электродвигатель заднего стеклоподъемника на стороне водителя |
12 |
Датчик Холла заднего стеклоподъемника на стороне водителя |
13 |
Блок переключателей в двери водителя |
|
|
Связь между задействованными блоками управления осуществляется по шинам передачи данных. Напряжение питания подается к блокам управления от электронно-управляемого токораспределителя.
Оставляем за собой право на опечатки, смысловые ошибки и технические изменения.