Для обеспечения функции ”Дорожная информация в режиме реального времени (RTTI)” в блоке управления IBOC установлен пассивный антенный разветвитель. Благодаря ему ВЧ-сигналы могут передаваться на блок управления IBOC и CCC. Функция RTTI предлагается только в сочетании с системой навигации Professional. CCC передает принятую дорожную информацию в систему навигации.

Индекс |
Пояснение |
Индекс |
Пояснение |
|---|---|---|---|
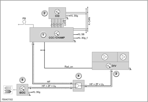
1 |
Головное устройство |
2 |
Центральный информационный дисплей |
3 |
Антенный усилитель с разнесением |
4 |
Антенный разветвитель |
5 |
Блок управления IBOC |
Ниже описываются следующие узлы разветвителя RTTI:

Индекс |
Пояснение |
Индекс |
Пояснение |
|---|---|---|---|
1 |
IBOC |
2 |
Разветвитель RTTI с кронштейном |
3 |
Сигнал AM/FM (антенный усилитель с разнесением) Цветовая маркировка разъема: черный |
4 |
Сигнал AM/FM (CCC) Цветовая маркировка разъема: цвета карри |
5 |
Сигнал AM/FM (IBOC) Цветовая маркировка разъема: черный |
Блок управления IBOC радиоприемника High Definition представляет собой гибридный тюнер и рассчитан на прием цифровых и аналоговых радиостанций в диапазонах частот AM и FM. Для приема цифровых сигналов используется тот же путь, что и для приема аналоговых. Это позволяет использовать уже известные компоненты: антенный усилитель с разнесением и антенны AM и FM.
Блок управления IBOC расшифровывает цифровые аудиосигналы и передает их по шине MOST (шина Media-Oriented-System-Transport) на головное устройство. Головное устройство в свою очередь преобразует аудиосигналы в аналоговые НЧ-сигналы, которые воспроизводятся через динамики.
Блок управления CCC рассчитан на прием аналоговых радиостанций в диапазонах частот AM и FM. При наличии IBOC эта функция реализуется не в CCC, а в IBOC. Для приема аналоговых сигналов используются следующие компоненты: антенный усилитель с разнесением и антенны AM и FM.
Мощность антенны распределяется асимметрично. Тюнер IBOC получает сигнал, ослабленный на 1 дБ, а головное устройство - на 10 дБ. Таким образом, переданный активной антенной FM уровень распределяется в соотношении 9:1 (IBOC:RTTI). Мощность антенны распределяется разветвителем в соотношении 10:1 (IBOC:RTTI). Такого распределения мощности антенны достаточно, чтобы CCC мог принимать данные RTTI. Управление разнесенной антенной осуществляется блоком управления IBOC.
Для проверки разветвителя RTTI предусмотрен отдельный тест-блок. Его можно вызвать в режиме диагностики путем выбора картины неисправности (65006_CCC: Нарушение функционирования) или путем выбора функции (Автомобиль в целом / Кузов / Аудиосистема, видеосистема, телефон, система навигации (кольцевая шина MOST) / Система навигации).
Оставляем за собой право на опечатки, смысловые ошибки и технические изменения.