La unidad principal central y la plataforma multimedia (CHAMP) conforman la plataforma multimedia en el vehículo. CHAMP es un equipamiento de serie (Radio Business o SA 663: Radio BMW Professional).
En la versión para Europa se monta la siguiente generación del controlador del sistema multiaudio (M-ASK).
A diferencia del M-ASK, el CHAMP no dispone de sistema de navegación.
Las funciones siguientes son nuevas en el CHAMP:
Se describen los siguientes componentes del CHAMP:
CHAMP es el gateway (unidad central) para el bus MOST y el K-CAN.

Índice |
Explicación |
Índice |
Explicación |
|---|---|---|---|
1 |
6 teclas de favoritos |
2 |
Tecla para el funcionamiento de FM y para el funcionamiento de AM (fijo en la versión EE.UU.) |
3 |
Tecla MODE |
4 |
Unidad principal central y plataforma multimedia (CHAMP) |
Se han integrado varias unidades de mando y el reproductor en una carcasa. CHAMP tiene estructura modular: En el CHAMP las gamas de funciones se reúnen en unidades de mando ”virtuales”. ”Virtual” quiere decir: Si bien las unidades de mando individuales se reúnen en el CHAMP, funcionan como unidades de mando ”individuales” (p. ej. para la programación).
Se distinguen las siguientes unidades de mando ”virtuales” para el diagnóstico:
En la parte posterior de la carcasa de la Radio-DIN se encuentra un ventilador eléctrico para la refrigeración de las etapas de salida de audio y de los procesadores.
Las teclas de favoritos son teclas programables.
Las teclas de favoritos permiten el almacenamiento de las funciones siguientes para un acceso rápido (en función del equipo opcional):

Índice |
Explicación |
Índice |
Explicación |
|---|---|---|---|
1 |
Lector de CD |
2 |
Teclas de favoritos |
En las teclas de favoritos son un sensor capacitivo que reacciona al contacto.
La asignación de todas las teclas de favoritos puede borrarse en el menú ”Ajustes” -> ”Vehículo”. La asignación de las teclas de favoritos se describe en detalle en el manual de instrucciones.
El CID es la unidad central de visualización gráfica. El tamaño del monitor en color es de 6,5”.

Índice |
Explicación |
Índice |
Explicación |
|---|---|---|---|
A |
Parte delantera |
B |
Parte posterior |
1 |
Central Information Display (CID) |
2 |
Conexión enchufable para la línea de datos LVDS |
3 |
Conexión enchufable para el bus CAN y la alimentación |
|
|
El Central Information Display está conectado a través de la línea de datos LVDS (Low Voltage Differential Signaling) al CHAMP. El cable de datos LVDS es una técnica de transmisión de datos gráficos con un largo recorrido. Para la línea de datos LVDS se desarrollaron conexiones enchufables propias.
El CID también está conectado al K-CAN.
El CID contiene un fototransistor para el control del brillo del display LCD (en función de la luz ambiental). El display LCD está calefactado.
El controlador proporciona las señales para la selección de los menús y submenús. Los submenús se seleccionan girando o presionando el controlador o realizando ambas acciones. Tras soltarlo, el controlador vuelve siempre a su posición de reposo.

Índice |
Explicación |
Índice |
Explicación |
|---|---|---|---|
1 |
Controlador |
2 |
Tecla MENU |
3 |
Pulsador Push-toTalk |
4 |
Conexión enchufable del controlador |
Detrás del controlador se encuentran los botones MENU y Push-to-Talk. Con la tecla MENU se puede acceder al menú principal en el Central Information Display. Con el botón Push-to-Talk se puede iniciar la entrada de voz.
El controlador está conectado al K-CAN. El controlador recibe el borne 58g a través del K-CAN.
Se describen las siguientes funciones de sistema para el CHAMP:

Índice |
Explicación |
Índice |
Explicación |
|---|---|---|---|
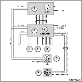
1 |
Central Information Display (CID) |
2 |
Unidad principal central y plataforma multimedia (CHAMP) |
3 |
a antena Diversity |
4 |
a antena Diversity |
5 |
a los altavoces |
6 |
Controlador (CON) |
7 |
Conexión AUX In |
|
|
CAN K |
CAN de la carrocería |
Borne 30g |
Borne 30 conectado |
Borne 30g_f |
Borne 30 conectado en caso de fallo al MOST |
Borne 58g |
Iluminación de localización |
MOST |
Media Oriented System Transport (cable de fibra óptica) |
|
|
CHAMP tiene un sintonizador de diseño doble para AM/FM. Mientras el sintonizador 1 recibe la emisora de radio deseada el sintonizador 2 funciona en el fondo. El sintonizador 2 revisa el panorama de emisoras para localizar señales adicionales. Si una emisora de radio envía una señal más fuerte en otra frecuencia se cambia de forma automática a dicha frecuencia alternativa. Ambos sintonizadores reciben información del sistema de datos de radio (RDS) emitida con la señal de emisión de la emisora de FM. Cuando se ajusta una emisora de AM, puede recibirse con boletines radiados de tráfico RDS de una emisora de FM. Si se recibe un boletín radiado de tráfico, este se superpone a la emisora de AM y el mensaje se emite a través de los altavoces.
CHAMP tiene las siguientes funciones como controlador del sistema de sonido:
La unidad de mando superficie de usuario de CHAMP (CHAMP-BO) edita las señales del controlador: P. ej. selección de los menús y submenús. Asimismo, el CHAMP-BO controla la emisión de indicaciones a través del Central Information Display (CID). Los datos existentes en el procesador para gráficos se transmiten de inmediato como señales digitales Low Voltage Differential Signaling (LVDS) al CID.
La unidad de mando gateway de CHAMP constituye la interfaz pare el intercambio de datos entre el bus MOST y el K-CAN. Ambos sistemas de bus transmiten formatos de datos con diferentes velocidades de transmisión y formatos. Para comunicarse con todos los sistemas, en el gateway de CHAMP se configuran los datos de forma apropiada para cada bus.
Puesta a cero de CHAMP
CHAMP puede ponerse a cero mediante las medidas siguientes:
En el CHAMP no está prevista ninguna tecla ni combinación de teclas para la puesta a cero.
Indicación El CHAMP debe cambiarse siempre completo.
En el Servicio Posventa, el CHAMP se cambia siempre como unidad completa.
En las funciones de las unidades de mando, existe un gran número de comprobaciones para el CHAMP.
Ejemplo: Un CD que se encuentre en el reproductor de CD puede expulsarse con las funciones de las unidades de mando.
Las teclas de favoritos introducidas con el CHAMP (teclas programables) pueden diagnosticarse mediante una función de las unidades de mando.
Versión para Europa:
En lugar de CHAMP, se utiliza el controlador del sistema multiaudio (M-ASK) como Radio BMW Professional.
El M-ASK se reconoce por sus 8 teclas de favoritos.

Índice |
Explicación |
Índice |
Explicación |
|---|---|---|---|
1 |
Controlador del sistema multiaudio |
2 |
8 teclas de favoritos programables |
Salvo error u omisión; sujeto a modificaciones técnicas.