El seguro electrónico contra arranque (EWS) sirve como medida de seguridad contra el robo y para habilitar el arranque.
El EWS de cuarta generación es una versión desarrollada del EWS utilizado hasta ahora. Esta versión desarrollada utiliza un nuevo y moderno procedimiento de codificación.
A cada vehículo se le asigna una clave secreta de 128 bits. Esta clave secreta se guarda en una base de datos BMW. De ese modo, solo BMW conoce la clave secreta.
La clave secreta se programa y bloquea en las siguientes unidades de mando:
Cuando la clave secreta está bloqueada en las unidades de mando, ya no es posible modificarla ni borrarla. Así, cada unidad de mando está asignada a un vehículo determinado. Las unidades de mando se identifican entre sí con la clave secreta y el mismo algoritmo.
En el EWS de cuarta generación se suprime el cable directo (cable de datos del EWS) entre la DME/DDE y el CAS (excepto E83).
Para la transmisión de datos de la señal del EWS se utilizan el cable de datos CAN (PT-CAN y K-CAN) y el bus K (también denominado bus CAS). El bus K entra en acción cuando no se puede enviar una señal del EWS por el cable de datos CAN.
> E83: la transmisión de datos entre la unidad de mando del EWS y la DME/DDE se efectúa como hasta ahora a través del cable de datos directo del EWS.
Aplicación del Seguro electrónico contra arranque (4a generación):
Serie de desarrollo |
Motores |
Unidad de mando del motor |
|---|---|---|
Escalones de potencia: |
||
E60, E61, E63, E64 |
N52B25U1, N52B25O1, N52B30M1, N52B30O1 |
MSV80 |
N53B25U0, N53B30U0, N53B30O0, N54B30O0 |
MSD80 |
|
N43B20O0 |
MSD80.2 |
|
N46B20O2 |
MEV17.2.1 |
|
N47D20O0 |
DDE70 |
|
E81, E82, E87, E88, E90, E90 M3, E91, E92, E92 M3, E93, E93 M3 |
N43B16, N43B20U0, N43B20O0 |
MSD80.2 |
N45B16O2, N46B20U2, N46B20O2 |
MEV17.2.1 |
|
N51B30M0, N52B25U1, N52B25O1, N52B30U0, N52B30M1, N52B30O1 |
MSV80 |
|
N47D20U0, N47D20O0 |
DDE70 |
|
N53B30U0, N53B30O0, N54B30O0 |
MSD80 |
|
S65 |
MSS60 |
|
E83 |
N52B25O1, N52B30U1, N52B30O1 |
MSV80 |
N46B20O2 |
MEV17.2.1 |
|
N47D20O0 |
DDE70 |
|
E70 |
N52B30O1 |
MSV80 |
R55, R56 |
N12 |
MEV17.2 |
N14 |
MED17.2 |
|
Se describen los siguientes componentes del EWS:
Cada mando a distancia tiene integrado un chip de transpondedor que es a la vez emisor y receptor. La transmisión de datos tiene lugar de la misma forma que en un transformador, entre la antena anular en el compartimento de inserción o en la cerradura de contacto (solo E83) y el chip del transpondedor. El mando a distancia envía datos a la unidad de mando del EWS o del CAS y recibe datos de la misma.
En el chip del transpondedor también está codificada la habilitación del mando a distancia para el vehículo correspondiente.
La unidad de mando del EWS o del CAS puede gestionar como máximo 10 mandos a distancia adaptados a la unidad de mando, es decir, se pueden adquirir como máximo 6 mandos a distancia de repuesto.
La unidad de mando del EWS o del CAS es capaz de identificar cada uno de los mandos a distancia. Esto permite bloquear y habilitar los mandos a distancia individualmente. Si durante la comunicación entre la unidad de mando del EWS o del CAS y cada uno de los mandos a distancia se produce algún defecto, éste se guarda en la memoria de defectos (para cada mando a distancia por separado).
En el compartimento de inserción para el mando a distancia, o bien alrededor de la cerradura de contacto (solo E83), se encuentra la antena anular (bobina) para la consulta del chip del transpondedor. A través de la antena anular se comunican el chip del transpondedor y la unidad de mando del EWS o del CAS.
En los vehículos con bloqueo eléctrico de la dirección, ésta se suministra con tensión una vez que ha sido autentificada por el CAS. Solo en este caso se puede realizar un desbloqueo o un bloqueo. Solo se permite arrancar el motor, si el bloqueo eléctrico de la dirección está desbloqueado y asegurado.
> E83
La unidad de mando del EWS y la DME/DDE se autentifican recíprocamente a través del cable de datos del EWS.
En los vehículos con cambio automático, la autorización de arranque por parte de la unidad de mando del EWS o del CAS se efectúa solamente si la palanca selectora está en la posición ”P” o ”N”.
Las siguientes unidades de mando forman parte del seguro electrónico contra arranque (EWS):
> excepto E83
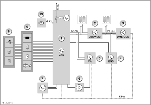
La unidad de mando CAS es la unidad de mando principal para el EWS. El EWS está integrado en el CAS.
En la unidad de mando CAS está memorizada la clave secreta a prueba de manipulaciones.
La unidad de mando CAS es un componente del bus K-CAN (CAN de la carrocería) y del bus K (bus de la carrocería).
La unidad de mando CAS es la interfaz del compartimento de inserción para el mando a distancia.

Índice |
Explicación |
Índice |
Explicación |
|---|---|---|---|
1 |
Comfort Access System (CAS) |
2 |
Sistema electrónico caja de conexión (JBE) o módulo de carrocería y Gateway (KGM) |
3 |
Electrónica Digital del Motor (DME) o bien Electrónica Digital Diesel (DDE) |
4 |
Mando electrónico del cambio (EGS) |
5 |
Acceso de confort (CA: Comfort Access) |
6 |
Receptor del mando a distancia |
7 |
Bloqueo eléctrico de la dirección |
8 |
Tecla ARRANQUE-PARADA |
9 |
Ranura de inserción con mando a distancia |
10 |
Motor de arranque |
Kl. 30L |
Borne 30L |
Kl. 50L |
Borne 50L |
Bus K |
Bus de la carrocería (también denominado bus CAS) |
CAN K |
CAN de la carrocería |
PT-CAN |
Powertrain-CAN |
|
|
> solo E83
La unidad de mando del EWS es un componente del bus K (bus de la carrocería).
La unidad de mando del EWS es la interfaz para la cerradura de contacto.

Índice |
Explicación |
Índice |
Explicación |
|---|---|---|---|
1 |
Seguro electrónico contra arranque (EWS) |
2 |
Motor de arranque |
3 |
Electrónica Digital del Motor (DME) o bien Electrónica Digital Diesel (DDE) |
4 |
Mando electrónico del cambio (EGS) |
5 |
Interruptor del embrague en la transmisión manual (en función de la versión para países específicos) |
6 |
Antena anular (bobina) |
7 |
Interruptor do encendido y arranque |
8 |
Cuadro de instrumentos (KOMBI) |
9 |
Módulo básico (GM) |
|
|
Bus K |
Bus de la carrocería |
Borne 50 |
Borne 50 |
PT-CAN |
Powertrain-CAN |
|
|
La unidad de mando DME/DDE solo liberará el arranque si ha recibido una señal de liberación correcta de la unidad de mando EWS o CAS. En la DME/DDE está guardada la clave secreta a prueba de manipulaciones.
> E70, E81, E82, E87, E88, E90, E91, E92, E93, R55, R56
El JBE es la interfaz de datos entre el PT-CAN (Powertrain-CAN) y el K-CAN (CAN de la carrocería).
> E60, E61, E63, E64
El KGM es la interfaz de datos entre el PT-CAN (Powertrain-CAN) y el K-CAN (CAN de la carrocería).
> E83
El cuadro de instrumentos KGM es la interfaz de datos entre el PT-CAN (Powertrain-CAN) y el bus K (bus de la carrocería).
> solo E70
El mando electrónico del cambio (EGS) es otro sistema antiarranque integrado en el EWS de cuarta generación. La unidad de mando del EGS es un componente en el bus K.
La habilitación de la función del cambio se efectúa solo cuando la unidad de mando CAS y la unidad de mando del EGS se han autentificado recíprocamente.
Para el SA 322 ”Acceso de confort” (CA: Comfort Access), en lugar del mando a distancia habitual se necesita un transmisor de identificación. El transmisor de identificación desempeña también las funciones usuales del mando a distancia.
La unidad de mando para el acceso de confort (unidad de mando CA) activa las antenas interiores y las exteriores. De este modo se solicita la información de los posibles transmisores de identificación. Al mismo tiempo, se activa el receptor FBD para recibir respuesta de los transmisores de identificación (FBD: funciones de mando a distancia).
La unidad de mando CAS es la unidad de mando principal para todas las funciones del SA ”Acceso de confort”:
Las siguientes funciones del sistema se describen para el EWS:
Durante el proceso de desbloqueo se sigue un procedimiento de autentificación entre el Car Access System (CAS) y el bloqueo eléctrico de la dirección. El bloqueo eléctrico de la dirección solo puede iniciar el desbloqueo después de un resultado positivo del procedimiento de autentificación. Por motivos de seguridad, el bloqueo eléctrico de la dirección no recibe corriente durante la marcha. Al bloqueo eléctrico de la dirección solo se le suministra tensión para el proceso de desbloqueo o de bloqueo.
Si los datos identificativos son correctos, la unidad de mando CAS acciona el estárter mediante un relé que se encuentra en la unidad de mando. Simultáneamente, la unidad de mando CAS envía a la unidad de mando DME una señal codificada de liberación para el arranque del motor. La unidad de mando DME solo liberará el arranque si ha recibido una señal de liberación correcta de la unidad de mando CAS.
Tras insertar la llave de encendido en la cerradura de contacto, o bien el mando a distancia en el compartimento de inserción, tiene lugar la siguiente secuencia:
En las unidades de mando se guardan códigos variables idénticos cuyo valor cambia después de cada arranque. El código variable se establece a partir de un número aleatorio y la clave secreta.
Igualación del sistema de control del motor con seguro electrónico contra arranque
Con la introducción del nuevo EWS (4a generación) se suprime la igualación entre la unidad de control del motor y el seguro electrónico contra arranque.
A partir de ese momento, determinadas unidades de mando solo podrán ser sustituidas por unidades de mando solicitadas de forma específica para cada vehículo.
Indicación Modo de proceder si la unidad de mando es defectuosa
Si el CAS, el EWS (solo E83) o el DME/DDE es defectuoso, debe seguirse un modo de proceder determinado.
Debe solicitarse la unidad de mando necesaria para el vehículo con precisión. Para ello se necesitan los datos del vehículo (número de chasis).
Tras el cambio de unidades de mando no es necesario efectuar la igualación del EWS.
> E70
Si se cambia el mando electrónico del cambio es necesario efectuar una igualación. En la igualación, la unidad de mando CAS transmite un código individual a la unidad de mando del EGS. Este código individual se necesita en el proceso de autentificación para liberar la función del cambio.
¡Nota importante!
El cambio de prueba de las unidades de mando con la clave secreta no es posible!
La llave de reserva solo se puede adquirir por medio del Servicio de piezas BMW en un concesionario BMW. Allí se programa una de las 6 llaves de reserva adaptándola al vehículo. Esta llave no es copia de la llave perdida, sino una nueva.
No se pueden confeccionar y entregar más de 6 llaves de reserva para la unidad de mando del EWS instalada.
Cuando una llave nueva se inserta por primera vez en la cerradura de contacto, se produce un notable retardo del arranque de entre 1 y 2 segundos. A partir de ahí, el arranque debe producirse sin retardo alguno.
Las llaves que se pierdan deben bloquearse mediante el diagnóstico. Véase también ”Particularidades del programa de diagnosis”.
¡Atención!
Todas las solicitudes de llaves serán documentadas, para que se puedan satisfacer las consultas de compañías de seguro y de los organismos oficiales.
En caso de perder todos los mandos a distancia o las llaves de encendido se necesitará una nueva unidad de mando del EWS o del CAS.
A través del diagnóstico (funciones de servicio) se pueden bloquear o liberar electrónicamente mandos a distancia o llaves de encendido de forma individual.
¡Nota importante!
Electrónicamente bloqueado significa que ni el motor de arranque ni la unidad de control del motor se habilitan para arrancar. Es imprescindible tener en cuenta que una llave de encendido electrónicamente bloqueada sigue siendo mecánicamente adecuadas, es decir, todas las tapas y puertas se pueden seguir abriendo con ella.
Para cada una de las llaves de encendido (mandos a distancia) gestionadas por la unidad de mando del EWS o del CAS se indica aquí si ha sido reconocida al menos una vez por la unidad de mando del EWS o del CAS; esto significa que también en vehículos más antiguos se puede saber cuántos mandos a distancia o llaves de encendido se han utilizado ya en un vehículo concreto.
Salvo error u omisión; sujeto a modificaciones técnicas.